복호화
"오늘의AI위키"의 AI를 통해 더욱 풍부하고 폭넓은 지식 경험을 누리세요.
1. 개요
복호화는 n개의 입력으로 들어오는 데이터를 숫자로 간주하여, 2의 n승 개의 출력 라인 중 해당 숫자에 해당하는 번호에만 1을 출력하고 나머지는 0을 출력하는 논리 회로이다. 복호기에는 1-of-n 복호기, 코드 변환기, 이진-단항 복호기 등이 있으며, 입력 값에 따라 여러 개의 출력 비트가 활성화될 수 있다. 2x4 복호기는 2개의 입력과 4개의 출력을 가지며, 활성화 입력에 따라 특정 출력을 활성화한다.
더 읽어볼만한 페이지
- 디지털 회로 - 클럭 신호
클럭 신호는 디지털 회로의 동작을 동기화하는 주기적인 신호로, 수정 발진기나 위상동기회로를 통해 생성되며 마이크로프로세서의 동작 속도를 결정하고 전력 효율을 위한 동적 주파수 변경 기술과 잡음 감소를 위한 사인파 클럭이 사용되기도 하며, 칩 내부 분배 효율성이 중요하다. - 디지털 회로 - 타이머
타이머는 시간 간격을 측정하거나 제어하는 장치 또는 기능으로, 기계식부터 전자식, 디지털, 소프트웨어 방식 등 다양한 형태로 존재하며, 독립적으로 사용되거나 시스템 내부에 내장되어 폭넓게 활용되고, 작동 방식과 구현 방식에 따라 여러 종류로 나뉘며, 최근에는 모바일 기반 타이머와 인공지능 기술을 활용한 효율적인 시간 관리 기능으로 발전하고 있다.
| 복호화 |
|---|
2. 복호기의 종류
복호기는 입력과 출력 신호의 개수, 기능에 따라 여러 종류로 나뉜다. 대표적인 복호기 종류로는 1-of-n 복호기, 코드 변환기, 이진-단항 복호기 등이 있다.
- 1-of-n 복호기: n개의 입력에 대해 2n개의 출력 중 하나를 활성화한다.
- 코드 변환기: 여러 출력 비트가 동시에 활성화될 수 있다.
- 이진-단항 복호기: 각 이진 값을 단항 표현으로 변환하며, 여러 출력 비트가 활성화될 수 있다.
2. 1. 1-of-n 복호기
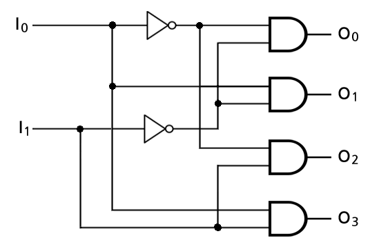
n개의 입력으로 들어오는 데이터를 받아 그것을 숫자로 보고 2영어의 n승 개의 출력 회선 중 그 숫자에 해당되는 번호에만 1을 내보내고, 나머지는 모두 0을 내보내는 논리회로이다.'''2x4 디코더'''는 다음과 같다.

| I1 | I0 | O3 | O2 | O1 | O0 |
|---|---|---|---|---|---|
| 0 | 0 | 0 | 0 | 0 | 1 |
| 0 | 1 | 0 | 0 | 1 | 0 |
| 1 | 0 | 0 | 1 | 0 | 0 |
| 1 | 1 | 1 | 0 | 0 | 0 |
| I1 | I0 | E | O3 | O2 | O1 | O0 |
|---|---|---|---|---|---|---|
| X | X | 0 | 0 | 0 | 0 | 0 |
| 0 | 0 | 1 | 0 | 0 | 0 | 1 |
| 0 | 1 | 1 | 0 | 0 | 1 | 0 |
| 1 | 0 | 1 | 0 | 1 | 0 | 0 |
| 1 | 1 | 1 | 1 | 0 | 0 | 0 |
1-of-n 바이너리 복호기는 n개의 출력 비트를 갖는다. 이 유형의 복호기는 모든 정수 입력 값에 대해 n개의 출력 비트 중 정확히 하나 또는 아무것도 활성화하지 않는다. 활성화된 출력의 "주소"(비트 번호)는 정수 입력 값으로 지정된다. 예를 들어, 정수 값 0이 입력에 적용되면 출력 비트 번호 0이 선택된다.
이러한 유형의 복호기의 예로는 다음이 있다.
- '''3-to-8 라인 복호기'''는 0에서 7까지의 각 입력 값에 대해 8개의 출력 비트 중 하나를 활성화한다. 이는 3비트로 표현할 수 있는 정수 값의 범위이다. 마찬가지로, '''4-to-16 라인 복호기'''는 정수 범위 [0,15]에서 각 4비트 입력에 대해 16개의 출력 중 하나를 활성화한다.
- '''BCD-to-십진수 복호기'''는 10개의 출력 비트를 갖는다. 이는 2진화 십진법 정수 값으로 구성된 입력 값을 받아들이고, [0,9] 범위의 모든 입력 값에 대해 특정하고 고유한 하나의 출력을 활성화한다. 비십진수 값이 입력에 적용되면 모든 출력이 비활성화된다.
- 디멀티플렉서는 데이터 비트를 n개의 출력 중 하나로 라우팅하는 데 사용되는 1-of-n 바이너리 복호기이며, 다른 모든 출력은 비활성 상태로 유지된다.
2. 2. 코드 변환기 (Code Translator)
코드 변환기는 여러 출력 비트가 동시에 활성화될 수 있다는 점에서 1-of-n 디코더와 다르다. 이러한 예로는 정수를 세븐 세그먼트 디스플레이 자릿수에 표시하는 데 필요한 세그먼트 제어 신호의 조합으로 변환하는 '세븐 세그먼트 디코더'가 있다.세븐 세그먼트 디코더의 한 변형은 'BCD to 세븐 세그먼트 디코더'인데, 이는 바이너리로 코드화된 십진수 값을 입력 정수 값 0에서 9까지에 해당하는 세그먼트 제어 신호로 변환한다. 이 디코더 기능은 CMOS 4511과 같은 표준 IC에서 사용할 수 있다.
2. 3. 이진-단항 복호기 (Binary to Unary Decoder)
이진-단항 복호기는 각 이진 값을 해당 단항 표현으로 변환한다. 1-of-n(원-핫) 복호기와 달리, 각 입력 값에 대해 여러 개의 출력 비트가 활성화될 수 있다. 이러한 복호기는 각 비트가 동일한 가중치를 갖는 DAC와 이진 마스크 또는 윈도우가 필요한 회로에 사용될 수 있다.[1]3. 논리 회로에서의 복호기
논리 회로에서 복호기는 입력을 받아 특정 출력 라인을 활성화시키는 조합 논리 회로이다. 2x4 복호기는 하위 섹션에서 자세히 설명한다.
3. 1. 2x4 복호기
'''2x4 복호기'''는 2개의 입력(I₀, I₁)과 4개의 출력(O₀, O₁, O₂, O₃), 그리고 선택적 활성화 입력(E)을 갖는다. 입력 값에 따라 해당 출력 라인에 1을 출력하고, 나머지는 0을 출력한다. 활성화 입력(E)이 1일 때만 복호기가 작동하며, 0이면 모든 출력이 0이 된다.| I1 | I0 | E | O3 | O2 | O1 | O0 |
|---|---|---|---|---|---|---|
| X | X | 0 | 0 | 0 | 0 | 0 |
| 0 | 0 | 1 | 0 | 0 | 0 | 1 |
| 0 | 1 | 1 | 0 | 0 | 1 | 0 |
| 1 | 0 | 1 | 0 | 1 | 0 | 0 |
| 1 | 1 | 1 | 1 | 0 | 0 | 0 |
본 사이트는 AI가 위키백과와 뉴스 기사,정부 간행물,학술 논문등을 바탕으로 정보를 가공하여 제공하는 백과사전형 서비스입니다.
모든 문서는 AI에 의해 자동 생성되며, CC BY-SA 4.0 라이선스에 따라 이용할 수 있습니다.
하지만, 위키백과나 뉴스 기사 자체에 오류, 부정확한 정보, 또는 가짜 뉴스가 포함될 수 있으며, AI는 이러한 내용을 완벽하게 걸러내지 못할 수 있습니다.
따라서 제공되는 정보에 일부 오류나 편향이 있을 수 있으므로, 중요한 정보는 반드시 다른 출처를 통해 교차 검증하시기 바랍니다.
문의하기 : help@durumis.com