차분 펄스 부호 변조
"오늘의AI위키"의 AI를 통해 더욱 풍부하고 폭넓은 지식 경험을 누리세요.
1. 개요
차분 펄스 부호 변조(DPCM)는 아날로그 또는 디지털 신호를 입력받아, 표본화된 신호의 차이를 양자화하여 부호화하는 기술이다. 주로 이전 표본 값과의 차이를 양자화하는 방식을 사용하며, 인코더는 미분 기능을, 디코더는 누산기 역할을 수행한다. DPCM은 음성 부호화 분야의 ADPCM, 영상 분야의 예측 부호화, 델타 변조 등 다양한 응용 분야에서 활용된다. ADPCM은 양자화 폭을 적응적으로 변화시켜 압축 효율을 높이고, 예측 부호화는 과거 샘플 값을 이용하여 현재 값을 예측하고 차이를 부호화하는 방식이다. 델타 변조는 DPCM의 1비트 버전으로, 단순한 하드웨어로 음성 압축을 가능하게 한다.
더 읽어볼만한 페이지
- 전화 신호 - 통화연결음
통화연결음은 전화 연결 시 발신자에게 들리는 신호음으로, 국가별로 주파수와 패턴이 다르며, 개인 맞춤형 서비스도 존재한다. - 전화 신호 - E 및 M 신호체계
E&M 신호 체계는 벨 연구소에서 개발된 전화 통신 신호 방식으로, 트렁크 회선과 신호 장치 간 통신을 위해 배터리 및 접지 레벨 조합을 사용하며 1형, 2~4형, 5형, SSDC5 등 다양한 변형과 발신 신호 방식을 가진다. - 데이터 압축 - 해상도
해상도는 1인치당 픽셀 또는 점의 수를 나타내는 지표로, 이미지의 선명도를 결정하며 DPI와 PPI 단위를 사용하고, 높을수록 섬세한 표현이 가능하다. - 데이터 압축 - MP3
MP3는 MPEG 표준의 오디오 압축 형식으로, 인간의 청각 심리를 이용하여 음질 저하를 최소화하며 데이터를 압축하고, 1991년에 발명되어 2017년 특허 만료로 퍼블릭 도메인이 되었다.
2. 역사
차분 펄스 부호 변조는 벨 연구소의 커시우스 C. 커틀러(Cassius C. Cutler)가 발명하여 1950년에 특허를 출원했다.
DPCM은 인접한 샘플 값 사이에 상관 관계가 높다는 점을 이용한다. 즉, 이전 샘플 값을 현재 샘플 값의 예측값으로 사용할 수 있다. DPCM의 기본적인 작동 방식은 다음과 같다.
3. 작동 원리
1. 아날로그 또는 디지털 입력 신호가 들어온다. 아날로그 신호의 경우, 먼저 표본화를 거쳐 이산 신호로 변환된다.
2. 다음 두 가지 방법 중 하나를 선택하여 신호를 처리한다.
3. 양자화된 신호는 그대로 부호로 사용되거나, 추가적인 엔트로피 부호화를 통해 압축률을 높일 수 있다.
1. 인코더가 미분 기능을 수행하고, 양자화기가 인접한 양자화된 샘플의 차분 연산 앞에 위치하는 방식
2. 인코더 내부에 디코더를 통합하여 비선형 양자화를 포함한 차이의 양자화를 허용하는 방식 (이 경우 양자화기가 균일하면, 디코더는 차이를 암묵적으로 재생성한다.)[1]
3. 1. 기본 원리
차분 펄스 부호 변조(DPCM)는 벨 연구소의 커시우스 C. 커틀러(Cassius C. Cutler)가 1950년에 발명한 신호 변조 방식이다.[3] 음성이나 이미지처럼 인접한 샘플 간에는 상관 관계가 있으므로, 이전 샘플 값을 예측값으로 사용할 수 있다. 실제 샘플 값과 예측값의 차이는 일반적으로 작기 때문에, 차이만 부호화하면 더 적은 비트 수로 표현할 수 있어 정보 압축이 가능하다.
DPCM의 입력은 아날로그 또는 디지털 신호 모두 가능하다. 시간적으로 연속된 아날로그 신호는 먼저 표본화를 통해 이산 신호로 변환된다. 이후, 다음 두 가지 방법 중 하나를 통해 처리한다.[3]
# 연속하는 표본 값의 차이를 구한 후 양자화한다.
# 이전 부호화된 데이터에서 디코딩한 값과 현재 표본 값의 차이를 양자화한다.
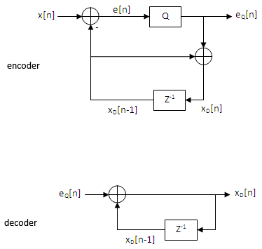
첫 번째 방법은 양자화 오차가 누적되는 문제가 있어, DPCM에서는 주로 두 번째 방법이 사용된다.[3] 디코딩은 수신된 값을 단순히 더해가는 방식으로 수행된다.
위 그림에서 인코더 아래쪽 절반은 이전 부호화된 데이터의 디코더에 해당한다. 입력 신호 x[n]과 이전 데이터에서 디코딩된 값 xD[n-1]의 차이가 양자화된다. 양자화 과정에서 발생한 오차는 이후 부호화에서 상쇄되므로 오차가 누적되지 않는다.[4]
양자화된 인코더의 출력은 그대로 부호로 사용하거나, DPCM 출력이 0 부근의 좁은 범위에 집중되는 특성을 이용하여 엔트로피 부호화를 추가로 수행해 압축률을 높이기도 한다.
3. 2. 양자화 방식
차분 펄스 부호 변조(DPCM)는 크게 두 가지 양자화 방식을 사용한다.
첫 번째는 인코더가 미분 기능을 수행하고, 양자화기가 인접한 양자화된 샘플의 차분 연산 앞에 위치하는 방식이다. 두 번째는 인코더 내부에 디코더를 통합하여 비선형 양자화를 포함한 차이의 양자화를 허용하는 방식이다. 이때 양자화기가 균일하면, 디코더는 차이를 암묵적으로 재생성한다.[1]
4. 응용
음성 부호화 분야에서는 ADPCM(적응 차분 펄스 부호 변조)이 널리 사용되며, ITU-T G.721 및 G.726으로 표준화되어 있다. 영상 분야에서는 차분 펄스 부호 변조를 일반화한 예측 부호화가 JPEG의 추가 규격 등에서 사용되고 있다. 또한, 차분 펄스 부호 변조를 단순화한 것으로 델타 변조가 있다.
4. 1. ADPCM (적응 차분 펄스 부호 변조)
음성 부호화 분야에서는 차분 펄스 부호 변조를 응용한 ADPCM(적응 차분 펄스 부호 변조)이 널리 사용되며, ITU-T G.721 및 G.726으로 표준화되어 있다. ADPCM(adaptive differential pulse code modulation영어, 적응 차분 PCM)은 차분 PCM을 응용한 것으로, 양자화에서 양자화 폭을 적응적으로 변화시키는 것이다. 차분이 커져가는 경우에는 양자화 폭을 넓히고, 차분이 작아져가는 경우에는 양자화 폭을 좁혀서, 더 넓은 범위의 차분을 적은 비트 수로 효율적으로 표현할 수 있다.ADPCM은 차분 PCM과 동시기에 벨 연구소의 커틀러(Cassius C. Cutler)가 발명하여, 1950년에 특허를 출원했다[5].
4. 2. 예측 부호화
DPCM의 구성도에서 "Z-1"은 바로 이전 샘플 값을 현재 신호의 예측값으로 출력하는 "예측기"의 기능을 갖는다. 이것을 일반적인 예측기로 대체한 것이 예측 부호화(predictive coding영어)이다.[6][7] 과거 샘플 값을 바탕으로 현재 값을 예측하는 알고리즘을 사용하며, 실제 값과의 차이만 부호화한다. 예측값 계산 방법으로는 관련된 복수의 샘플 값에 특정 계수를 곱하여 더한 값을 예측값으로 사용하는 선형 예측이 자주 사용된다.예를 들어, 정지 화상에서 특정 화소의 밝기는 바로 위나 바로 앞, 즉 인접한 화소의 밝기와 높은 상관 관계를 가지므로, 그 평균값 등으로 예측할 수 있다. 동영상의 경우에는 전후 프레임의 같은 위치에 있는 화소나 그에 인접하는 화소에서 예측값을 구할 수 있다.
JPEG의 추가 규격인 JPEG-Spatial 방식[6]과 무손실 JPEG 방식[7]에서는 예측 부호화와 엔트로피 부호화를 조합하여 정보 압축을 수행한다.
4. 3. 델타 변조
델타 변조(delta modulation영어)는 차분 PCM의 1비트 버전으로, 이전 샘플 값에 대한 샘플 값의 크고 작음을 1비트로 부호화한다. 델타 변조를 응용한 것으로 적응 델타 변조(adaptive delta modulation영어, ADM), 델타-시그마(Δ-Σ) 변조(delta-sigma modulation영어) 등이 있다. 다른 방식에 비해 단순한 하드웨어로 음성 압축 부호화가 가능하기 때문에, 디지털 회로가 고가였던 시대에 고안되었다. 이 방식은 패밀리 컴퓨터의 음원에 채용된 것으로도 유명하다. 델타-시그마 변조는 AD 변환 및 DA 변환용 LSI 기술로서 현재도 많이 사용되고 있다.참조
[1]
특허
Differential Quantization of Communication Signals
https://patents.goog[...]
C. Chapin Cutler
1952-07-29
[2]
특허
Differential Quantization of Communication Signals
https://www.google.c[...]
Cassius C. Cutler
1952-07-29
[3]
문서
[4]
간행물
Differential Pulse Code Modulation
http://cnx.org/conte[...]
2009-09-25
[5]
특허
QUANTIZED TRANSMISSION WITH VARIABLE QUANTA
https://www.google.c[...]
Cassius C. Cutler
1955-11-22
[6]
간행물
Digital Compression and Coding of Continuous- tone Still Images : Requirements and guidelines
ISO/IEC
1994-02
[7]
간행물
Information technology - Lossless and near-lossless compression of continuous-tone still images : Baseline
ISO/IEC
1999-12
[8]
특허
Differential Quantization of Communication Signals
https://patents.goog[...]
C. Chapin Cutler
1952-07-29
본 사이트는 AI가 위키백과와 뉴스 기사,정부 간행물,학술 논문등을 바탕으로 정보를 가공하여 제공하는 백과사전형 서비스입니다.
모든 문서는 AI에 의해 자동 생성되며, CC BY-SA 4.0 라이선스에 따라 이용할 수 있습니다.
하지만, 위키백과나 뉴스 기사 자체에 오류, 부정확한 정보, 또는 가짜 뉴스가 포함될 수 있으며, AI는 이러한 내용을 완벽하게 걸러내지 못할 수 있습니다.
따라서 제공되는 정보에 일부 오류나 편향이 있을 수 있으므로, 중요한 정보는 반드시 다른 출처를 통해 교차 검증하시기 바랍니다.
문의하기 : help@durumis.com
