맨위로가기

히빙

"오늘의AI위키"는 AI 기술로 일관성 있고 체계적인 최신 지식을 제공하는 혁신 플랫폼입니다.
"오늘의AI위키"의 AI를 통해 더욱 풍부하고 폭넓은 지식 경험을 누리세요.

1. 개요

히빙은 흙막이 벽체 배면의 흙 무게와 상재하중이 굴착 저면 아래 점토 지반에 가하는 힘이 점토 지반의 전단 강도를 초과하여 굴착 저면이 솟아오르는 현상이다. 히빙은 흙막이 벽체 배면의 흙 무게와 상재하중에 의해 발생하는 모멘트가 굴착 저면 아래 점토 지반의 점착력에 의해 발생하는 저항 모멘트보다 클 때 발생하며, 안전율이 1.2 이상이어야 안전하다. 히빙을 방지하기 위해서는 유발 모멘트를 감소시키거나 저항 모멘트를 증가시키는 대책을 사용하며, 유발 모멘트 감소를 위해 표토층을 제거하고, 저항 모멘트 증가를 위해 흙막이 벽체의 관입 깊이를 늘리거나 어스 앵커를 설치한다.

광고

더 읽어볼만한 페이지

  • 토질역학 - 산사태
    산사태는 사면 안정성 훼손으로 발생하는 자연재해로, 자연적, 인위적 요인에 의해 발생하며, 다양한 유형으로 분류되고 인명 및 재산 피해를 야기하므로, 사전 예방과 위험 지역 관리가 중요하다.
  • 토질역학 - 점토
    점토는 2~5µm 이하의 미세한 토양 입자로, 층상 규산염 광물을 주성분으로 하며, 다양한 분야에서 정의와 분류 기준이 다르고, 가소성과 소성능력, 흡착성, 이온 교환 능력을 활용하여 건축, 화장품, 의약품 등 다양한 용도로 사용되지만, 특정 점토는 토목 공사에 문제를 일으키기도 한다.

2. 원리

히빙은 흙막이 벽체 배면(뒷면)의 흙 무게와 상재하중(추가 하중)이 굴착 저면 아래의 점토 지반에 가하는 힘이, 점토 지반의 전단 강도(점착력)를 초과할 때 발생한다. 즉, 흙막이 벽 뒤쪽 흙의 무게와 추가적인 하중으로 인해 발생하는 모멘트가 점토 지반의 점착력에 의한 저항 모멘트보다 커지면 히빙 현상이 일어난다.

프레임없음

2. 1. 모멘트 평형



히빙을 유발하는 힘은 흙막이 벽체 배면의 흙 무게와 배면에 작용하는 추가하중이다. 이 힘들에 의해 발생하는 모멘트가, 저항하는 점토지반 점착력에 의한 모멘트보다 크다면 히빙이 발생한다.

히빙 발생 여부를 판단하기 위해 안전율을 계산하며, 히빙에 대한 안전율은 보통 1.2를 사용한다. 안전율은 다음과 같이 정의된다.

:F_s = \frac{M_r}{M_d} = 1.2

  • Mr : 저항 모멘트
  • Md : 히빙 유발 모멘트 (배면 흙 자중과 추가하중에 의한 모멘트)


계산된 안전율이 1.2보다 크면 히빙에 대해 안전하고, 1.2보다 작으면 히빙이 발생한다. 따라서 Mr과 Md를 직접 계산해야 한다.

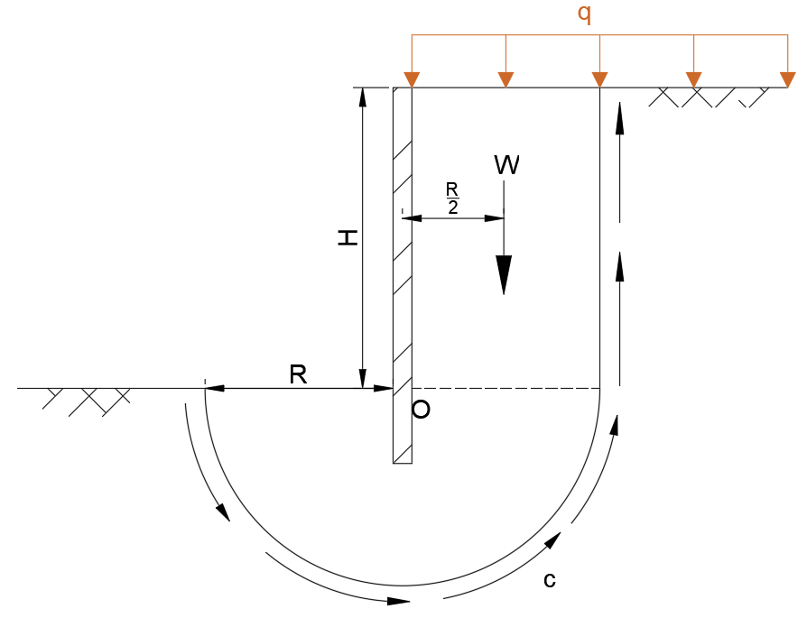
모멘트는 힘의 크기와 기준점으로부터 힘의 작용선까지의 수직 거리와 같다. 그림에서 파선과 벽체가 만나는 점 O를 기준으로 한다.

저항 모멘트 Mr점토 지반의 점착력에 의해 생긴다. 점착력은 그림에서 c로 표시했으며, 단위는 [t/m2] 등이다.(단위 면적 당 힘) 파선을 기준으로 아래쪽 반원 부분의 모멘트를 Mr1, 파선 위 직사각형 부분의 모멘트를 Mr2라고 한다.

벽체의 단위 폭(1m)에 대하여, 반원 면에 생기는 점착력에 의한 힘은 점착력과 반원 부분의 길이를 곱한다.

:c \cdot \frac{2\pi R}{2} \cdot 1 = c \pi R

단위는 단위 폭에 대한 힘의 단위이다. 모멘트는 기준점으로부터의 거리를 곱해야 한다. 기준점은 반원의 중심이므로, 거리는 반지름 R과 같다. 따라서 저항 모멘트는 다음과 같다.

:M_{r1} = c\pi R \cdot R = c\pi R^2

파선 위 직사각형 부분의 저항 모멘트 Mr2는 다음과 같다.

:M_{r2} = c H \cdot 1 \cdot R = cH R

따라서 전체 저항모멘트 Mr은 다음과 같다.

: M_r = M_{r1} + M_{r2} = c\pi R^2 + cHR = cR (\pi R + H)

배면 흙의 자중에 의한 모멘트를 Md1, 배면 위 추가하중 q에 의한 모멘트를 Md2라고 한다. 흙 자중에 의한 모멘트는 다음과 같다.

:M_{d1} = W \cdot \frac{R}{2}

W는 흙의 무게이며, 흙의 단위중량과 체적을 곱해 구한다.

:M_{d1} = W \cdot \frac{R}{2} = \gamma H R \cdot 1 \cdot \frac{R}{2} = \gamma H \frac{R^2}{2}

배면 흙의 추가하중을 고려한다. 충분히 넓은 면적에 작용하는 분포하중 q [t/m2]에 작용 면적을 곱하면 합력을 구할 수 있다.

:q \cdot R \cdot 1 = qR

모멘트는 힘과 수직거리를 곱하여 다음과 같다.

:M_{d2} = qR \cdot \frac{R}{2} = q \frac{R^2}{2}

따라서 유발 모멘트의 합은 다음과 같다.

: M_d = M_{d1} + M_{d2} = \gamma H \frac{R^2}{2} + q \frac{R^2}{2} = (\gamma H + q) \frac{R^2}{2}

2. 2. 안전율

히빙에 대한 안전율(F_s)은 저항 모멘트(M_r)를 유발 모멘트(M_d)로 나눈 값이다. 보통 안전율이 1.2 이상이면 히빙에 대해 안전하다고 판단한다.

:F_s = \frac{M_r}{M_d} \ge 1.2

안전율이 1.2보다 작으면 히빙이 발생할 수 있다.

2. 2. 1. 저항 모멘트 (Mr)

모멘트는 힘의 크기와 기준점으로부터 힘의 작용선까지의 수직 거리와 같다. 저항 모멘트 Mr점토 지반의 점착력에 의해 생긴다.

벽체의 단위 폭(1m)에 대하여, 반원 면에 생기는 점착력에 의한 힘은 점착력과 반원 부분의 길이를 곱한다.

:c \cdot \frac{2\pi R}{2} \cdot 1 = c \pi R

이것의 단위는 단위 폭에 대하여 힘의 단위이다. 모멘트가 되려면 기준점으로부터의 거리를 구해주어야 한다. 기준점은 반원의 중심이므로, 기준점으로부터 거리는 반지름인 R과 같다. 따라서 저항하는 모멘트는 최종적으로 다음과 같아진다.

:M_{r1} = c\pi R \cdot R = c\pi R^2

다음으로 파선 위의 직사각형 부분에서의 저항하는 모멘트 Mr2를 구한다. 같은 원리로 모멘트의 크기는 힘과 수직 거리를 곱한 것과 같음을 이용한다.

: M_{r2} = c H \cdot 1 \cdot R = cH R

: M_r = M_{r1} + M_{r2} = c\pi R^2 + cHR = cR (\pi R + H)

2. 2. 2. 유발 모멘트 (Md)

흙막이 벽체 배면의 흙 무게와 상재하중에 의해 히빙을 유발하는 힘이 발생한다. 이 힘들에 의해 발생하는 모멘트가, 여기에 저항하려는 점토지반 점착력에 의한 모멘트보다 크다면 히빙이 발생한다.

뒤채움 흙의 자중에 의한 모멘트를 Md1, 뒤채움부 위의 추가하중 q에 의한 모멘트를 Md2라고 할 때, 흙의 자중에 의한 모멘트는 다음과 같이 계산된다.

: M_{d1} = W \cdot \frac{R}{2}

여기서 W는 흙의 무게이며, 흙의 단위중량과 그 부분만큼의 체적을 곱하여 구한다.

: \begin{align} M_{d1} & = W \cdot \frac{R}{2} \\

& = \gamma H R \cdot 1 \cdot \frac{R}{2} \\

& = \gamma H \frac{R^2}{2} \end{align}

뒤채움부 흙에 의한 추가하중을 고려하면, 충분히 넓은 면적에 작용하는 분포하중 q [t/m2]에 작용하는 면적을 곱하여 합력을 구할 수 있다.

: q \cdot R \cdot 1 = qR

모멘트는 힘과 수직거리를 곱하여 계산하므로,

: \begin{align} M_{d2} & = qR \cdot \frac{R}{2} \\

& = q \frac{R^2}{2} \\ \end{align}

따라서 유발하는 모멘트의 합은 다음과 같다.

: \begin{align} M_d & = M_{d1} + M_{d2} \\

& = \gamma H \frac{R^2}{2} + q \frac{R^2}{2} \\

& = (\gamma H + q) \frac{R^2}{2} \end{align}

3. 대책

히빙을 방지하기 위한 대책은 크게 유발 모멘트를 감소시키는 방법과 저항 모멘트를 증가시키는 방법으로 나눌 수 있다. 유발 모멘트 감소 방법으로는 흙막이 벽체 배면의 흙 무게를 줄이기 위해 표토층을 제거하여 상재하중을 감소시키는 방법이 있다. 이 외에도 어스 앵커 설치, 굴착부에 하중을 재하하는 방법이 있다. 저항 모멘트를 증가시키는 방법으로는 벽체 관입깊이를 증가시키거나 양질의 흙으로 지반을 개량하는 방법이 있다.

3. 1. 유발 모멘트 감소

흙막이 벽체 배면의 흙 무게를 줄이기 위해 표토층을 제거하여 상재하중을 감소시킨다.


본 사이트는 AI가 위키백과와 뉴스 기사,정부 간행물,학술 논문등을 바탕으로 정보를 가공하여 제공하는 백과사전형 서비스입니다.
모든 문서는 AI에 의해 자동 생성되며, CC BY-SA 4.0 라이선스에 따라 이용할 수 있습니다.
하지만, 위키백과나 뉴스 기사 자체에 오류, 부정확한 정보, 또는 가짜 뉴스가 포함될 수 있으며, AI는 이러한 내용을 완벽하게 걸러내지 못할 수 있습니다.
따라서 제공되는 정보에 일부 오류나 편향이 있을 수 있으므로, 중요한 정보는 반드시 다른 출처를 통해 교차 검증하시기 바랍니다.

문의하기 : help@durumis.com