제도 (설계)
"오늘의AI위키"의 AI를 통해 더욱 풍부하고 폭넓은 지식 경험을 누리세요.
1. 개요
제도(설계)는 공학적 아이디어를 전달하기 위해 사용되는 기술 도면을 작성하는 행위를 의미하며, 설계 도면이라고도 불린다. 기술 도면은 고대부터 현대까지 발전해 왔으며, 기호, 원근법, 측정 단위 등을 사용하여 명확하고 이해하기 쉽도록 구성된다. 제도 기술자 또는 제도공에 의해 수행되며, 수작업 방식과 CAD 시스템을 이용한 방식이 있다. 도면은 기계, 건축, 전기, 토목, 소프트웨어 공학 등 다양한 분야에서 활용되며, 정사영법, 단면도, 분해 조립도 등 다양한 표현 방식을 사용한다. 한국 산업 표준(KS)을 포함한 여러 표준과 규격이 존재하며, 도면의 기본 요소와 선의 종류 및 굵기 등이 정해져 있다. 기술 삽화, 특허 도면, 소프트웨어 공학 등 관련 분야와 기업들이 존재한다.
더 읽어볼만한 페이지
- 제도 (설계) - 평면도
평면도는 건물의 바닥 면적을 위에서 내려다본 기본적인 건축 도면으로, 공간 배치와 벽, 창문, 문 등의 위치를 나타내며, 설계 의도 전달, 설계 장점 설명, 건축 정보 제공에 활용되고 1/100 또는 1/200의 척도를 사용한다. - 제도 (설계) - 삼각자
삼각자는 제도에 사용되는 도구로, 플라스틱으로 제작되며 다양한 형태가 존재하고 평행선이나 수선을 작도하는 데 사용된다. - 인포그래픽 - 런던 지하철 노선도
런던 지하철 노선도는 해리 벡의 디자인을 바탕으로 노선의 연결 관계를 간결하고 명확하게 표현하여 인기를 얻었으며, 여러 디자이너들의 개선과 새로운 교통수단의 등장에 따라 지속적으로 업데이트되며 문화적 아이콘이자 전 세계 지하철 노선도 디자인에 영향을 미쳤다. - 인포그래픽 - 지도 투영법
지도 투영법은 지구 표면의 지리 정보를 평면에 나타내는 방법으로, 모든 속성을 정확히 보존하는 것은 불가능하여 목적에 따라 특정 속성을 보존하거나 왜곡을 최소화하는 다양한 방법이 개발되었으며, 투영 표면의 형태나 보존 속성에 따라 분류되어 활용된다.
제도 (설계) | |
---|---|
개요 | |
![]() | |
정의 | 물체의 모양, 크기, 제작 방법 등을 그림으로 나타내는 것 |
목적 | 제품의 설계 및 제작을 위한 정보 전달 시공 계획 및 유지 관리를 위한 정보 제공 |
관련 직업 | 건축가 엔지니어 디자이너 제도사 |
유형 | |
건축 제도 | 건축물의 설계 및 시공에 사용되는 도면 제작 |
기계 제도 | 기계 부품의 설계 및 제작에 사용되는 도면 제작 |
전기/전자 제도 | 전기/전자 제품의 설계 및 제작에 사용되는 도면 제작 |
배관 제도 | 배관 시스템의 설계 및 시공에 사용되는 도면 제작 |
토목 제도 | 토목 구조물의 설계 및 시공에 사용되는 도면 제작 |
항공 제도 | 항공기 설계 및 제작에 사용되는 도면 제작 |
기타 | 지적도 지형도 전기도면 배선도 |
제도 요소 | |
선 | 도면에서 객체의 윤곽, 치수, 중심선 등을 표현하는 기본 요소 |
문자 | 도면에 필요한 설명, 치수, 기호 등을 나타내는 요소 |
치수 | 객체의 크기나 위치를 정확하게 나타내는 요소 |
기호 | 도면에서 특정 부품, 재료, 공정 등을 간략하게 나타내는 요소 |
주석 | 도면에 추가적인 설명이나 정보를 제공하는 요소 |
제도 도구 | |
제도판 | 도면을 그리는 평평한 표면 |
삼각자 | 수직선이나 각도를 그리는 데 사용 |
T자 | 수평선을 그리는 데 사용 |
컴퍼스 | 원이나 호를 그리는 데 사용 |
디바이더 | 거리를 측정하거나 옮기는 데 사용 |
제도용 펜 | 일정한 굵기의 선을 그리는 데 사용 |
자 | 길이를 측정하거나 직선을 그리는 데 사용 |
곡선자 | 곡선을 그리는 데 사용 |
기타 | 지우개 템플릿 제도용 칼 |
제도 표준 | |
ISO | 국제 표준화 기구에서 제정한 제도 표준 |
KS | 한국 산업 표준에서 제정한 제도 표준 |
ANSI | 미국 국가 표준 협회에서 제정한 제도 표준 |
JIS | 일본 산업 표준에서 제정한 제도 표준 |
참고 자료 | |
관련 서적 | 기술 제도 관련 서적 CAD 관련 서적 |
관련 웹사이트 | 한국산업표준종합정보센터 국제표준화기구 |
기타 | |
관련 용어 | 투상도 정투상법 등각투상법 단면도 배면도 |
2. 역사
(내용 없음)
2. 1. 근대
(내용 없음)2. 2. 현대
기술 도면은 산업계에서 공학의 아이디어를 전달하는 데 필수적인 역할을 한다. 도면의 이해도를 높이기 위해 공통 기호, 원근법, 측정 단위, 표기법 시스템, 시각적 스타일, 페이지 레이아웃 등이 통일된 방식으로 사용된다. 이러한 규칙들은 시각적 언어를 구성하여 도면이 명확하고 오해 없이 이해되도록 돕는다. 기술 도면의 기호와 원칙 중 상당수는 국제 표준인 ISO 128로 체계화되어 있다.기능적인 문서를 작성할 때 요구되는 정확한 의사소통의 필요성은 기술 도면과 시각 예술의 표현적 묘사를 구분 짓는 중요한 특징이다. 예술적인 그림은 주관적으로 해석될 여지가 많고 그 의미가 다양하게 받아들여질 수 있지만, 기술 도면은 단 하나의 의도된 의미만을 전달하도록 만들어진다[18]。
도면을 그리는 능력, 즉 기술이나 표현력은 제도공, 제도 전문가, 또는 작성자에 의해 발휘된다. 기술 도면을 전문적으로 작성하는 사람을 제도 기술자라고 부르기도 한다.
3. 도면 작성 방법
기술 도면은 산업계에서 공학의 아이디어를 전달하는 데 필수적이다. 도면을 전문적으로 그리는 사람을 제도공 또는 제도 기술자라고 부르며[18], 이들은 건축물, 기계, 전기 회로 등 다양한 대상의 제작에 필요한 상세 도면을 작성한다.
도면은 설계자의 의도를 제작자에게 정확하게 전달하는 중요한 정보 매체이므로, 명확성과 이해도를 높이기 위해 공통 기호, 표기법, 시각적 스타일 등이 사용된다. 특히 일본 산업 규격(JIS)과 같은 표준화된 규격은 선의 종류나 그리는 방법 등에 대한 규칙을 정하여 의사소통의 오류를 줄인다. 제도 분야는 건축 제도, 기계 제도, 전기 제도 등으로 나뉘며, 각 분야별로 사용하는 규격이 다를 수 있다.
도면 작성 방식은 크게 손으로 직접 그리는 수작업 방식과 컴퓨터를 이용한 CAD(Computer-Aided Design) 시스템 활용 방식으로 나뉜다. 전통적인 수작업 방식에서는 제도용 연필, 삼각자, 컴퍼스 등 다양한 도구를 사용했지만, 최근에는 CAD 시스템이 널리 보급되어 제도 작업의 효율성과 정밀도를 크게 향상시켰다.
3. 1. 수작업 도면
수작업 도면은 제도판, T자, 삼각자, 콤파스, 템플릿 등 다양한 제도 용구를 사용하여 손으로 직접 도면을 작성하는 방식이다.기본적인 제도 절차는 매끄러운 표면과 직각 모서리를 가진 제도판 위에 종이를 고정하는 것에서 시작한다. T자는 제도판의 한쪽 가장자리를 따라 미끄러지며 수평 평행선을 그리는 데 사용된다. T자 위에 삼각자를 놓고 사용하면 특정 각도의 선을 그릴 수 있다. 예를 들어, T자에 직각으로 고정된 삼각자를 이용하면 수직선을 그릴 수 있으며, 알려진 각도를 가진 삼각자를 조합하여 다양한 각도의 선을 표현한다.[3][21] 원이나 호는 콤파스를 사용하며, 복잡한 곡선은 프렌치 커브나 스프라인(수동으로 구부려 원하는 곡선을 만드는 도구)을 이용하여 그린다.


제도 템플릿은 원, 타원, 특정 기호 등 반복적으로 사용되는 도형이나 객체를 빠르고 정확하게 그릴 수 있도록 돕는다. 특히 건축, 전기, 무대 기술 등 특정 분야에서 표준화된 기호(USITT 표준 조명 설비 기호 등)를 사용할 때 유용하다. 템플릿은 시중에서 판매되기도 하지만, 필요에 따라 직접 제작하여 사용하기도 한다.

수작업 제도는 도구의 정확한 위치와 사용에 세심한 주의를 요구한다. 예를 들어, 삼각자를 사용할 때 T자의 상단을 미세하게 밀어내면 그려지는 모든 선의 각도가 틀어질 수 있다. 점에 만나는 두 개의 각진 선을 그리는 것과 같은 비교적 간단한 작업도 T자와 삼각자를 여러 번 움직여야 하므로, 전체적으로 시간이 많이 소요되는 과정이다.[3] 이러한 문제에 대한 해결책으로 기계식 제도기가 도입되기도 했다. 제도기는 팬토그래프 (간혹 "펜탈트"라고 잘못 불리기도 함) 원리를 응용하여 제도판의 어느 위치에서든 빠르고 정확하게 직각이나 특정 각도의 선을 그릴 수 있게 해주었다.
따라서 수작업 제도에는 기하학, 삼각법, 공간 지각 능력에 대한 깊은 이해와 더불어, 높은 수준의 정밀성과 정확성, 세부 사항에 대한 집중력이 필수적으로 요구된다.
수작업 제도에는 다양한 도구가 사용되며, 도면에는 특정 규칙에 따른 선들이 사용된다.
도구 종류 | 설명 |
---|---|
제도판 | 도면 용지를 고정하고 작업하는 평평한 판 |
T자 | 수평 평행선을 긋는 데 사용되는 자 |
삼각자 | T자와 함께 사용하여 특정 각도의 선을 긋는 도구 |
콤파스 | 원이나 호를 그리는 도구 |
프렌치 커브, 스프라인 | 복잡한 곡선을 그리는 데 사용되는 자 |
템플릿 | 반복되는 도형이나 기호를 빠르고 정확하게 그리는 틀 |
디바이더 | 길이를 재거나 등분하는 데 사용 |
분도기 | 각도를 측정하거나 그리는 도구 |
삼각 스케일 | 축척에 맞게 길이를 측정하는 자 |
지우개, 자국 지우개 | 잘못 그린 선이나 자국을 지우는 도구 |
제도용 샤프 펜슬, 제도 펜 | 선을 그리는 필기구 |
선 종류 | 설명 |
---|---|
실선 | 대상의 보이는 외형선 등을 나타내는 연속된 선 |
파선 (점선) | 대상의 보이지 않는 부분(숨은선) 등을 나타내는 짧은 선의 나열 |
일점쇄선 | 중심선, 기준선 등을 나타내는 긴 선과 짧은 점이 번갈아 나타나는 선 |
이점쇄선 | 가상선, 절단선 등을 나타내는 긴 선과 두 개의 짧은 점이 번갈아 나타나는 선 |
파단선 (지그재그선) | 대상의 일부를 생략하거나 파단된 경계를 나타내는 불규칙한 선 |
수작업 도면은 숙련된 기술과 많은 시간, 노력이 필요하지만, 컴퓨터 지원 설계(CAD)가 보편화되기 전까지 모든 설계 분야의 기본적인 표현 수단이었다. 오늘날에도 여전히 교육 과정이나 특정 분야에서 활용되고 있으며, 숙련된 제도사나 설계자에 의해 수행된다.
3. 2. CAD 시스템
오늘날, 제도 작업의 기계적 과정은 전산 설계(CAD) 시스템의 사용을 통해 대폭 자동화되고 가속화되었다.기술 도면 제작에 사용되는 전산 설계 시스템에는 2차원("2D") 및 3차원("3D")의 두 가지 유형이 있다.

AutoCAD 또는 MicroStation과 같은 2D CAD 시스템은 전통적인 종이 도면 방식을 대체한다. 선, 원, 호, 곡선과 같은 그래픽 요소들을 소프트웨어 내에서 직접 생성하여 도면을 그린다. 하지만 도면의 품질은 사용자의 기술 도면 작성 능력에 크게 의존하며, 1각법 및 3각법의 정투상도, 보조 투상도, 단면도 등을 생성할 때 오류가 발생할 여지가 여전히 존재한다. 즉, 2D CAD 시스템은 본질적으로 전자식 제도판과 유사하다. 가장 큰 장점은 수정의 용이성이다. 기존의 손으로 그린 도면은 오류 발견 시 처음부터 다시 그려야 하는 경우가 많지만, 2D CAD 시스템에서는 원본 파일의 사본을 쉽게 수정할 수 있어 작업 시간을 크게 단축할 수 있다. 2D CAD 시스템은 건물이나 항공기와 같은 대규모 프로젝트의 계획 도면 작성에도 사용될 수 있으나, 설계된 여러 구성 요소들이 실제로 서로 잘 맞는지(간섭 여부 등)를 확인하는 기능은 제공하지 않는다.
KeyCreator, Autodesk Inventor, SolidWorks와 같은 3D CAD 시스템은 먼저 부품의 3차원 형상을 모델링하고, 이 모델을 기반으로 사용자가 원하는 방향의 뷰(정면도, 평면도, 측면도 등)를 자동으로 생성하여 기술 도면을 만든다. 모든 정투상도, 보조 투상도, 단면도는 소프트웨어가 3D 모델로부터 직접 생성하므로, 뷰 자체를 잘못 그리는 오류는 발생하지 않는다. 다만, 도면 설정 시 투상법(1각법 또는 3각법)을 잘못 선택하거나 관련 기호를 누락하는 등의 사용자 실수는 여전히 발생할 수 있다. 3D CAD의 중요한 장점 중 하나는 개별적으로 모델링된 부품들을 가상 공간에서 조립하여 최종 제품의 형태를 미리 확인하고 검증할 수 있다는 점이다. 건물, 항공기, 선박, 자동차 등 복잡한 제품들은 실제로 제작에 들어가기 전에 3D 모델링을 통해 전체 조립 상태를 확인하고 각 부품 간의 간섭 등을 검토하는 과정을 거친다.
2D 및 3D CAD 시스템 모두 전기, 전자, 공압, 유압 등 모든 기술 분야의 도면 제작에 활용될 수 있다. 각 분야에서는 해당 분야의 부품이나 장치를 나타내는 표준화된 기호들을 사용한다.
BS나 ISO와 같은 국제 표준 기구에서 도면 작성에 대한 권장 표준을 제시하고 있지만, 이러한 표준을 반드시 따라야 하는 것은 아니며 실제 도면을 표준에 맞게 제작하는 것은 설계자 개인의 판단과 책임에 달려있다. 도면의 전체적인 레이아웃이나 스타일에 대한 통일된 표준은 없다. 다만, 엔지니어링 도면에서는 정투상도와 단면도의 작성법에 대한 기본적인 원칙은 지켜지는 것이 일반적이다.
복잡한 3차원 물체를 2차원 도면으로 표현할 때는, 최소한 하나의 기준 뷰와 함께 재료의 두께 정보가 필요하다. 물체의 모든 형상과 특징을 명확하게 전달하기 위해 필요에 따라 여러 방향의 뷰(정면도, 평면도, 측면도 등)와 내부를 보여주는 단면도를 추가하여 설명한다.
4. 도면의 종류
기술 도면은 공학 분야에서 아이디어를 전달하는 핵심적인 수단이다. 도면의 이해를 돕기 위해 공통 기호, 투시법, 측정 단위, 표기법, 시각 스타일, 페이지 레이아웃 등 표준화된 규약이 사용된다. 이러한 규약은 시각적 언어를 형성하여 도면을 명확하고 이해하기 쉽게 만들며, 상당수는 국제 표준(ISO 128)으로 체계화되어 있다.
기술 도면은 기능 문서로서, 주관적 해석이 가능한 예술 그림과 달리 하나의 의도된 의미만을 전달해야 한다[18]. 특히 건축물, 기계, 전기 회로 등 특정 대상물을 제작할 때 설계자와 제작자 간의 정확한 의사소통을 위해 매우 중요하다. 따라서 도면은 표준화된 규약에 따라 작성되어 설계 의도를 명확히 전달하는 역할을 한다. 기술 도면은 사용 목적이나 표현 방식 등에 따라 다양한 종류로 나뉜다.
4. 1. 분야별 분류

제도는 다양한 분야에서 활용되며, 각 분야의 특성에 맞게 발전해왔다. 주요 분야별 제도의 특징은 다음과 같다.
'''건축 도면'''
건축은 건축물을 만드는 데 필요한 예술과 디자인을 다루는 분야이다. 건축 도면은 건축가의 디자인 의도를 설명하고 기록하기 위해 사용되며[5], 형태나 디자인의 모든 측면을 전달하기 위해 상세하게 그려진다. 건축 분야에서 '평면도'라는 용어는 건물의 내부 구조, 출입구, 창문, 계단 등의 위치를 명확히 보여주기 위해 특정 높이(일반적으로 마감된 바닥에서 약 약 0.91m 또는 0.9m 위)에서 내려다본 단면도를 의미하는 경우가 많다.[4]
'''기계 도면 (공학 도면)'''

공학은 라틴어 ''ingenerare''(창조하다)에서 유래한 광범위한 용어이지만[6], 기술 도면의 맥락에서는 주로 기계적으로 설계된 부품이나 장비를 다루는 도면을 의미한다. 공학 도면은 제품 또는 구성 요소의 모든 기하학적 특징을 정확하고 모호하지 않게 표현하는 것을 목표로 한다. 이를 위해 레이아웃, 명칭, 해석 방법, 외관(글꼴, 선 종류 등), 치수 기입 등에 대해 표준화된 규칙을 따른다. 궁극적으로 공학 도면은 제조업체가 해당 부품이나 장비를 제작하는 데 필요한 모든 정보를 전달하는 역할을 한다.
'''소프트웨어 공학 도면'''
소프트웨어 공학 분야에서는 소프트웨어의 설계를 시각화하기 위해 다이어그램을 사용한다. 통합 모델링 언어(UML)와 같은 공식적인 표준과 모델링 언어가 존재하지만, 실제로는 개념 모델을 설명하는 비공식적인 임시 다이어그램이 더 자주 사용된다.[7] 이러한 다이어그램은 요구 사항 분석[7], 설계 과정, 코드 리팩토링, 문서화, 새로운 팀원의 온보딩, 그리고 다양한 이해 관계자와의 의사소통에 도움을 준다고 알려져 있다.[8] 다이어그램은 종종 일시적으로 사용되거나 필요에 따라 수정되며, 팀 내에서 공유된 이해를 구축하는 데 기여한다.[8]
'''제작 도면'''
제작 도면은 제품의 실제 제조 단계에서 사용되는 기술 도면의 묶음을 의미한다.[15] 건축 분야를 예로 들면, 토목 도면, 건축 도면, 구조 도면, 기계 시스템 도면, 전기 도면, 배관 도면 등이 모두 제작 도면에 포함될 수 있다.
'''조립 도면'''
조립 도면은 여러 부품들이 어떻게 결합되어 하나의 제품이나 시스템을 이루는지 보여주는 도면이다. 각 부품은 번호로 식별되며, 해당 부품들의 목록(자재 명세서, Bill of Materials)이 함께 제공되는 경우가 많다.[16] 기술 서비스 매뉴얼 등에서는 이러한 유형의 도면을 분해도 또는 다이어그램이라고 부르기도 한다.
'''기타 분야 및 표준'''
제도는 건축, 기계, 전기 회로 등 다양한 대상물의 형태를 상세하게 나타내기 위해 그려진다. 특히 설계자와 제작자가 다른 경우, 제도는 설계 의도를 정확하게 전달하는 중요한 수단이 된다. 따라서 명확한 의사소통을 위해 일본 산업 규격(JIS)과 같은 표준 규격이 존재하며, 선의 종류나 그리는 방식에 특정 의미가 부여되어 있다. 분야별로 규격이 다르며, 주요 예시는 다음과 같다.
- 토목 제도 통칙: JIS A 0101
- 건축 제도 통칙: JIS A 0150
- 용접 기호: JIS Z3021
- 가공 방법 기호: JIS B 0122
- 전기용 도면 기호: JIS C 0617
- 구내 전기 설비의 배선용 도면 기호: JIS C 0303
과거에는 제도를 위해 제도용 연필, 삼각자, 컴퍼스, 각도기 등의 도구가 필수적이었으나, 최근에는 컴퓨터를 이용한 제도(CAD)가 널리 보급되어 사용되고 있다.
4. 2. 표현 방식에 따른 분류
정투상도법은 3차원 물체의 이미지를 2차원 표면에 생성하는 그래픽 투영법[1] 중 하나로, 물체의 세 차원 중 두 차원만 보이는 이미지를 만든다.'''정투상 도면 (다면 투상도)'''
다면 투상은 정투상도법의 한 유형이다. 다면 투상을 사용하는 데는 제1각법과 제3각법의 두 가지 규칙이 있다. 두 경우 모두 물체의 앞면 또는 주된 면은 동일하게 표현된다.
- 제1각법: 물체를 특정 방향에서 본 모습을 투상면에 그리는 방식이다. 예를 들어, 물체의 정면을 기준으로 오른쪽에서 본 모습(우측면도)은 정면도의 왼쪽에 그린다.
- 제3각법: 물체와 투상면 사이에 시점을 두고 그리는 방식이다. 예를 들어, 물체의 정면을 기준으로 오른쪽에서 본 모습(우측면도)은 정면도의 오른쪽에 그린다. 한국 산업 규격(KS)에서는 제3각법을 원칙으로 사용한다.
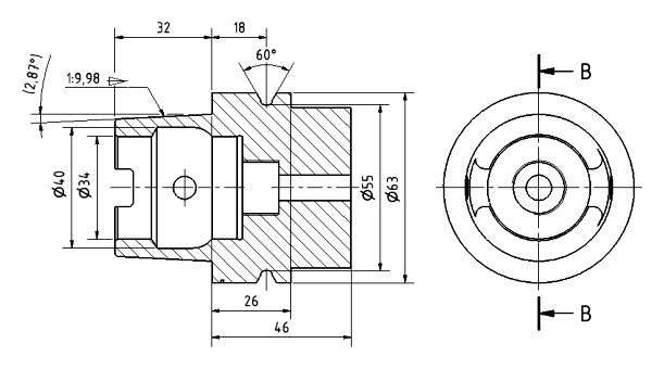
'''단면도'''

단면도는 물체의 내부 구조를 보여주기 위해 가상의 평면으로 잘랐다고 가정했을 때의 모습을 나타내는 도면이다. 3차원 모델의 일부 표면을 제거하여 외부와 관련된 모델 내부의 일부를 보여준다. 단면도의 목적은 관찰자가 단단하고 불투명한 물체 내부를 볼 수 있도록 하는 것이다.[11] 내부 구조를 명확히 보여주고, 전경과 배경 객체 간의 대비를 뚜렷하게 하며, 공간적 순서에 대한 이해를 돕는다.[11]
'''분해도 (분해 조립도)'''
분해 조립도는 여러 부품들의 상호 관계나 제조상의 조립 순서를 보여주는 기술 도면이다.[13] 일반적으로 부품들이 중심부에서 바깥쪽으로 약간씩 분리된 형태로 그려져, 각 부품의 형상과 조립 위치를 파악하기 쉽도록 한다. 기계 시스템에서는 중심에 가장 가까운 부품이 먼저 조립되거나 기준이 되는 경우가 많으며, 분해 순서를 나타낼 때는 외부 부품부터 제거되는 순서로 표현하기도 한다.[14]
'''전개도 (패턴)'''
전개도는 입체적인 형상을 평면에 펼쳐서 나타낸 도면이다. 때때로 전개라고도 불리며, 3차원 형태로 구부리거나 접기 위해 필요한 평면 재료의 크기와 모양을 나타낸다. 주로 판금 가공과 같이 평면 재료를 구부리거나 접어서 입체적인 제품을 만들 때 사용된다.
5. 도면의 표준 및 규격
기술 도면은 공학적 아이디어를 명확하게 전달하고 산업 현장에서 원활한 소통을 위해 필수적이다. 정보 전달의 명확성을 높이고 호환성을 확보하기 위해, 도면 작성 시에는 국제적으로 또는 국가별로 합의된 공통의 규칙과 약속, 즉 표준 및 규격을 따라야 한다. 이러한 표준은 기호, 투영법, 측정 단위, 표기법, 선의 종류와 굵기, 문자 스타일, 도면 양식 등 제도에 필요한 모든 요소를 상세하게 규정한다. 이는 주관적으로 해석될 수 있는 예술적 그림과 달리, 기술 도면이 단 하나의 의도된 의미만을 갖도록 보장하는 중요한 역할을 한다.[18]
국제적으로는 ISO 128이 기술 도면 작성의 일반 원칙을 제시하는 대표적인 표준이다. 각 나라는 자국의 산업 환경에 맞는 국가 표준을 제정하여 사용하며, 일본의 일본 산업 규격(JIS)이나 대한민국의 한국산업표준(KS) 등이 그 예이다.
또한, 건축, 기계, 전기 회로 등 전문 분야별로 특화된 세부 규격이 존재하므로, 해당 분야의 도면을 정확히 작성하고 이해하기 위해서는 관련 표준을 준수해야 한다. 이처럼 표준화된 규격은 설계자의 의도를 제작자에게 정확하게 전달하고 제품의 품질을 일관되게 유지하는 데 핵심적인 역할을 한다.
5. 1. 국제 표준
기술 도면은 산업계에서 공학의 아이디어를 전달하기 위해 필수적이다. 따라서 도면을 이해하기 쉽게 하기 위해 공통 기호, 원근법, 측정 단위, 표기법 시스템, 시각적 스타일, 페이지 레이아웃을 사용한다. 이러한 관습을 통해 시각적 언어를 구성하여 도면이 명확하고 이해하기 쉽도록 보장하는 데 도움이 된다. 기술 도면의 기호와 원칙의 많은 부분은 국제 표준인 ISO 128로 체계화되어 있다. ISO 128은 기술 도면 작성의 일반 원칙을 규정한다.5. 2. 한국 산업 표준 (KS)
주어진 원본 소스에는 한국 산업 표준(KS)에 대한 내용이 포함되어 있지 않습니다. 따라서 해당 섹션의 내용을 작성할 수 없습니다.5. 3. 도면의 기본 요소
도면을 구성하는 기본적인 요소에는 선, 문자, 치수, 기호 등이 있으며, 이는 한국산업표준 (KS)에 따라 정해진 규칙에 맞춰 사용해야 한다. 특히 KS B 0001 (기계 제도 통칙)은 이러한 기본 요소들의 사용법에 대한 중요한 기준을 제시한다.=== 선 ===
도면에서 선은 물체의 모양이나 치수 등을 나타내는 가장 기본적인 요소로, 용도에 따라 굵기와 종류를 명확히 구분하여 사용해야 한다. (KS B 0001)
==== 선의 굵기 ====
선의 굵기는 0.13mm, 0.18mm, 0.25mm, 0.35mm, 0.5mm, 0.7mm, 1mm, 1.4mm, 2mm 중에서 선택하여 사용한다.[19] 도면에서 사용하는 선은 크게 굵은 선, 보통 선, 가는 선으로 나뉘며, 이들의 굵기 비율은 일반적으로 4:2:1을 따른다.[20] 사용 가능한 선 굵기의 조합은 다음과 같다.
굵은 선 | 보통 선 | 가는 선 |
---|---|---|
0.5mm | 0.25mm | 0.13mm |
0.7mm | 0.35mm | 0.18mm |
1mm | 0.5mm | 0.25mm |
1.4mm | 0.7mm | 0.35mm |
2mm | 1mm | 0.5mm |
==== 선의 종류와 용도 ====
선의 종류는 모양에 따라 실선, 파선, 일점쇄선, 이점쇄선 등으로 나뉘며, 각각의 용도는 다음과 같다.
- 외형선: 굵은 실선을 사용하여 물체의 보이는 외형을 나타낸다.
- 숨은선 (은선): 파선(가는 선 또는 보통 선)을 사용하여 물체의 보이지 않는 부분의 모양을 나타낸다.
- 중심선: 가는 일점쇄선을 사용하여 도형의 중심이나 대칭의 중심을 나타낸다.
- 절단선: 가는 일점쇄선의 양 끝과 꺾이는 부분을 굵게 하여 단면도의 절단 위치를 나타낸다.
- 가상선: 가는 이점쇄선을 사용하여 인접 부분의 참고 형상이나 공구의 이동 범위 등을 나타낸다.
- 파단선: 가는 실선(손으로 그린 자유 곡선) 또는 지그재그선을 사용하여 대상물의 일부를 생략하거나 경계를 나타낸다.
- 치수선: 가는 실선을 사용하여 치수를 기입하는 데 사용하며, 양 끝에는 화살표나 점 등을 붙인다.
- 치수 보조선: 가는 실선을 사용하여 치수를 기입하기 위해 도형에서 끌어내는 선이다.
- 인출선 (지시선): 가는 실선을 사용하여 기호, 문자, 치수 등을 기입할 위치를 지시한다.
- 해칭선: 가는 실선을 사용하여 단면의 절단된 부분을 표시한다.
=== 문자 ===
도면에는 치수, 주석, 표제란 등 다양한 문자가 기입된다. 도면에 사용되는 문자(한글, 영문, 숫자, 기호)는 명확하게 읽을 수 있도록 크기, 글꼴, 자간, 장평 등을 한국산업표준 (KS B 0001 등)에서 규정한 방식에 따라 작성해야 한다. 이는 도면 정보의 오독을 방지하고 정확한 의사소통을 위해 필수적이다.
=== 치수 ===
치수는 물체의 크기(길이, 각도, 반지름 등)와 위치를 정확하게 나타내는 정보다. 치수는 치수선, 치수 보조선, 화살표, 치수 수치 등으로 구성되며, 한국산업표준 (KS B 0001, KS A ISO 129 등)에 규정된 원칙과 방법에 따라 명확하고 중복되지 않게 기입해야 한다. 치수 기입 방식의 통일은 도면 해독의 효율성을 높이고 제작 오류를 줄이는 데 중요하다. 관련 규격으로는 KS B 0401 (치수 공차 및 끼워맞춤 방식) 등이 있다.
=== 기호 ===
도면에는 재료, 가공 방법, 용접, 표면 거칠기 등 다양한 정보를 간결하고 명확하게 전달하기 위해 표준화된 기호가 사용된다. 이러한 기호들은 한국산업표준에 규정되어 있으며, 도면 작성자와 해독자 간의 원활한 소통을 돕는다. 주요 관련 규격은 다음과 같다.
- KS B 0001: 기계 제도 통칙 (기본적인 기호 포함)
- KS Z 3021: 용접 기호 (원본 소스 JIS Z3021 참고)
- KS B 0122: 가공 방법 기호 (원본 소스 JIS B 0122 참고)
- KS B 0031: 표면 성상(표면 거칠기 등)의 도해 방법 (원본 소스 JIS B 0031 참고)
- KS B 0601: 표면 성상 관련 용어 및 파라미터 (원본 소스 JIS B 0601 참고)
- KS C 0617: 전기용 도면 기호 (원본 소스 JIS C 0617 참고)
- KS C 0303: 구내 전기 설비의 배선용 도면 기호 (원본 소스 JIS C 0303 참고)
이 외에도 건축, 토목 등 분야별 제도 통칙(JIS A 0150, JIS A 0101 등 참고)에 따른 특정 기호들이 사용된다.
6. 관련 분야
기술 도면은 다양한 분야에서 널리 활용되며, 각 분야의 특성에 맞는 전문 지식이 요구된다. 대표적인 관련 분야로는 기술 삽화, 특허 도면, 소프트웨어 공학 등이 있다. 또한, 컴퓨터 지원 제조(CAM) 분야에서도 기술 도면이 중요한 역할을 하며, 관련 소프트웨어 목록은 컴퓨터 지원 제조 소프트웨어 목록에서 확인할 수 있다.
6. 1. 기술 일러스트레이션
기술 삽화는 기술적인 정보를 시각적으로 전달하기 위해 삽화를 사용하는 것이다. 기술 삽화는 구성 요소 기술 도면이나 다이어그램 형태일 수 있다. 기술 삽화의 목표는 "시각 채널을 통해 인간 관찰자에게 특정 정보를 효과적으로 전달하는 표현적인 이미지를 생성하는 것"이다.[9]
기술 삽화의 주요 목적은 기술적인 내용을 비전문가에게 설명하는 것이다. 시각적 이미지는 치수와 비율이 정확해야 하며, "객체가 무엇인지 또는 무엇을 하는지에 대한 전반적인 인상을 제공하여 보는 사람의 관심과 이해를 높여야 한다".[10]
비올라(2005)에 따르면 "삽화 기법은 종종 기술적 이해가 없는 사람도 예술 작품을 명확하게 이해할 수 있도록 설계되었다. 질량, 근접성 및 규모를 강조하기 위해 다양한 선 너비를 사용하면 단순한 선 그림을 일반인들이 더 쉽게 이해할 수 있다. 교차 해칭, 점묘법 및 기타 낮은 추상화 기법은 주제에 더 깊이와 차원을 부여했다".[9]
6. 2. 특허 도면

특허 출원인은 발명의 본질상 발명을 이해하는 데 그림이 필요할 경우, 법에 따라 발명에 대한 도면을 제출해야 한다. 이 도면은 출원서와 함께 제출되어야 한다. 이는 물질의 구성 또는 산업 공정을 제외한 거의 모든 발명에 해당하지만, 많은 공정의 경우에도 도면이 유용할 수 있다.[13]
도면은 청구 범위에 명시된 발명의 모든 특징을 보여야 하며, 특허청 규칙에 따라 특정 형식으로 작성되어야 한다. 특허청은 도면을 작성하는 데 필요한 시트의 크기, 용지 종류, 여백 및 기타 세부 사항을 지정한다. 표준을 자세히 지정하는 이유는 특허가 발행될 때 도면이 균일한 스타일로 인쇄 및 공개되어야 하며, 특허 설명을 사용하는 사람들이 쉽게 이해할 수 있어야 하기 때문이다.[13]
6. 3. 소프트웨어 공학
소프트웨어 공학 실무자들은 소프트웨어 설계를 위해 다이어그램을 사용한다. 통합 모델링 언어 (UML)와 같은 공식적인 표준과 모델링 언어가 존재하지만, 대부분의 다이어그램은 개념 모델을 설명하는 비공식적인 임시 다이어그램을 사용하여 이루어진다.[7]실무자들은 다이어그램이 요구 사항 분석,[7] 설계, 리팩토링, 문서화, 온보딩, 이해 관계자와의 의사 소통에 도움이 된다고 보고했다.[8] 다이어그램은 종종 일시적이거나 필요에 따라 다시 그려진다. 다시 그려진 다이어그램은 팀 내에서 공유된 이해의 한 형태로 작용할 수 있다.[8]
참조
[1]
서적
Technical Drawing
Delmar Learning
[2]
서적
Managing as designing
Stanford University Press
[3]
서적
Machine Drawing
Charotar Publication
[4]
서적
Architectural Drafting and Design
Delmar Cengage Learning
[5]
문서
[6]
서적
Visualization, Modeling, and Graphics for Engineering Design
Delmar Cengage Learning
[7]
서적
Proceedings of the 22nd ACM SIGSOFT International Symposium on Foundations of Software Engineering
Association for Computing Machinery
2014-11-11
[8]
간행물
Let's go to the whiteboard: How and why software developers use drawings
https://doi.org/10.1[...]
Association for Computing Machinery
2021-09-08
[9]
간행물
Smart Visibility in Visualization
[10]
웹사이트
The Role of the Technical Illustrator in Industry
http://www.industrie[...]
2009-02-15
[11]
간행물
Interactive Cutaway Illustrations
http://www.vis.uni-s[...]
The Eurographics Association and Blackwell Publishers
2003
[12]
문서
[13]
웹사이트
General Information Concerning Patents § 1.84 Standards for drawings
http://www.uspto.gov[...]
2009-02-13
[14]
서적
Industrial Maintenance
Cengage Learning
[15]
서적
Architectural working drawings
John Wiley and Sons
[16]
문서
[17]
웹사이트
as-built drawings
http://www.businessd[...]
2018-01-01
[18]
서적
製図
デルマー学習
[19]
문서
等比数列
[20]
문서
JIS Z 8312:1999 製図―表示の一般原則―線の基本原則
[21]
문서
Machine Drawing
Charotar出版
[22]
웹사이트
株式会社マービー公式サイト
https://marvy.jp/
2024-12-04
[23]
웹사이트
ウチダドラフトドットコム/設計製図用品情報サイト
http://www.uchida-dr[...]
2024-12-04
[24]
웹사이트
ドラパス株式会社
https://www.drapas.j[...]
2024-12-04
[25]
웹사이트
"{{!}} TTC株式会社 タケダ事業本部"
https://takeda-edu.j[...]
2024-12-04
[26]
웹사이트
【公式】コンサイス CONCISE|旅行用品・文房具のOEM商品の企画・製造・販売
https://www.concise.[...]
2024-12-04
[27]
웹사이트
岡本製図器械 株式会社
http://www1.tcn-catv[...]
2024-09-30
[28]
서적
Technical Drawing
https://archive.org/[...]
Delmar Learning
본 사이트는 AI가 위키백과와 뉴스 기사,정부 간행물,학술 논문등을 바탕으로 정보를 가공하여 제공하는 백과사전형 서비스입니다.
모든 문서는 AI에 의해 자동 생성되며, CC BY-SA 4.0 라이선스에 따라 이용할 수 있습니다.
하지만, 위키백과나 뉴스 기사 자체에 오류, 부정확한 정보, 또는 가짜 뉴스가 포함될 수 있으며, AI는 이러한 내용을 완벽하게 걸러내지 못할 수 있습니다.
따라서 제공되는 정보에 일부 오류나 편향이 있을 수 있으므로, 중요한 정보는 반드시 다른 출처를 통해 교차 검증하시기 바랍니다.
문의하기 : help@durumis.com