노턴의 정리
"오늘의AI위키"의 AI를 통해 더욱 풍부하고 폭넓은 지식 경험을 누리세요.
1. 개요
노턴의 정리는 복잡한 회로망을 이상적인 전류원과 내부 저항의 병렬 연결로 나타내는 등가 회로로 변환할 수 있다는 정리이다. 노턴 등가회로는 출력 단자를 단락시켰을 때 흐르는 전류(INo)와, 출력 단자를 개방했을 때 측정되는 전압을 INo로 나눈 값(RNo)을 이용하여 계산한다. 이 정리는 테브냉의 정리와 쌍대 관계에 있으며, 회로 분석을 단순화하는 데 유용하게 사용된다. 또한 대기 이론의 찬디 헤르조그 우 정리와 관련이 있으며, 둔즈베리 만화에서 언급되기도 했다.
더 읽어볼만한 페이지
- 회로 정리 - 밀만의 정리
밀만의 정리는 회로 내 병렬 연결된 전압원과 저항을 이용하여 회로 양단 전압을 계산하는 방법으로, 각 전압원 전압과 저항을 통해 단락 회로 전류 합계를 전기 컨덕턴스 합계로 나눈 값으로 표현되며, 슈퍼노드 또는 노턴의 정리를 통해 증명될 수 있다. - 회로 정리 - 테브난의 정리
테브난의 정리는 복잡한 회로망을 단일 전압원과 저항의 직렬 연결로 단순화하여 회로 분석을 용이하게 하는 회로 이론으로, 헬름홀츠-테브난의 정리 또는 등가 전압원 표시라고도 불린다. - 회로 이론 - 전압
전압은 두 지점 사이의 전위차로서 단위 전하당 에너지 차이를 나타내며, 정전기학에서는 단위 전하를 이동시키는 데 필요한 일, 회로 이론에서는 노드 간 전위차로 정의되고, 직류 및 교류 전압으로 구분되며, 다양한 방식으로 발생하여 여러 분야에 응용된다. - 회로 이론 - 키르히호프의 전기회로 법칙
키르히호프의 전기회로 법칙은 전기 회로 해석에 사용되는 전류 법칙(KCL)과 전압 법칙(KVL)을 총칭하며, 각각 전하 보존 법칙과 에너지 보존 법칙에 기반하여 회로망 분석에 중요한 역할을 한다. - 전자공학 - 전자전
전자전은 적의 전투 능력을 저하시키기 위해 전자기 에너지를 사용하는 군사 작전이며, 전자 공격, 전자 보호, 전자 지원의 세 가지 영역으로 나뉘어 통신 방해, 레이더 교란, 스텔스 기술 등을 포함한다. - 전자공학 - 옴의 법칙
옴의 법칙은 1827년 게오르크 옴이 발표한, 전압(V)은 전류(I)와 저항(R)의 곱(V=IR)으로 표현되는, 전압, 전류, 저항 간의 관계를 나타내는 기본 법칙이다.
| 노턴의 정리 | |
|---|---|
| 회로 이론 | |
| 종류 | 전기 회로 해석 |
| 고안자 | 에드워드 롤리 노턴 |
| 개발 시기 | 1926년 |
| 유사 정리 | 테브난의 정리 |
| 개요 | |
| 활용 | 회로의 특정 부분을 간소화하여 분석을 용이하게 한다. |
| 정의 | |
| 노턴 전류 (I_no) | 단자 쌍을 단락시켰을 때 흐르는 전류 |
| 노턴 저항 (R_no) | 독립 전원을 제거 (전압원은 단락, 전류원은 개방)한 후 단자 쌍에서 바라본 등가 저항 또는 테브난 저항 (R_th)과 동일 |
| 계산 방법 | |
| 1단계 | 부하 저항을 제거하고, 출력 단자를 단락시킨다. |
| 2단계 | 단락 회로를 통해 흐르는 전류를 측정한다. 이 전류가 노턴 전류(I_no)이다. |
| 3단계 | 모든 독립 전원을 끈다. 즉, 전압원을 단락시키고, 전류원을 개방시킨다. |
| 4단계 | 출력 단자에서 보이는 저항을 계산한다. 이 저항이 노턴 저항(R_no)이다. |
| 5단계 | 노턴 등가 회로는 노턴 전류(I_no)와 노턴 저항(R_no)을 병렬로 연결한 것이다. |
| 참고 사항 | |
| 테브난의 정리와의 관계 | 노턴 등가 회로는 테브난 등가 회로의 쌍대성을 가진다. |
2. 노턴 등가회로
노턴 등가회로는 복잡한 회로망을 이상적인 전류원(''I''No)과 이에 병렬로 연결된 내부 저항(''R''No)으로 구성된 등가 회로로 변환한다.
등가회로를 계산하는 방법은 다음과 같다.
# 로드(부하)가 폐회로일 때 (A와 B 사이의 저항이 0일 때) 계산된 출력전류 ''I''AB는 ''I''No이다.
# 개회로 조건일 때 (로드 저항이 없는 - 즉 저항값이 무한대일 때) 계산된 출력전압 ''V''AB를 ''I''No로 나눈 값이 ''R''No이다.
#* 즉, 등가회로는 ''I''No 전류가 흐르는 전류원에 ''R''No 저항이 병렬연결된 형태이다.
''R''No는 다음 두 가지 방법으로 계산할 수 있다.
주의: 노턴 임피던스를 구하는 일반적인 방법은 1 암페어의 전류가 흐르는 회로의 출력 단자에 전류원을 연결하고 단자에 인가되는 전압을 계산하는 것이다. 이 전압은 회로의 임피던스와 같다. 이 방법은 의존적인 전원을 포함하는 회로에서만 사용해야 한다.




예시로, 전체 전류 ''I''total은 다음과 같이 주어진다.
:}
로드에 흐르는 전류는 전류 분배 법칙을 적용하여 구한다.
:}
:}
그리고 회로쪽으로 바라본 등가저항은 다음과 같다.
:
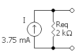
따라서 등가회로는 2kΩ 저항과 병렬연결된 3.75mA 전류원이다.

회로망의 단자 A–B 간의 단락 전류를 ''I''No, 회로망 A–B 간의 컨덕턴스를 ''G''No (=1/''R''No), A–B 사이에 접속하는 부하의 컨덕턴스를 ''GL'', 부하를 접속했을 때의 단자 A–B 간의 전압을 ''VL'', 부하에 흐르는 전류를 ''IL''이라고 하면, 다음 관계가 성립한다.
:{{lang|en|| \begin{align}
V_L &= \frac{I_{\text{No}}}{G_{\text{No}} + G_L} \\
I_L &= \frac{G_L}{G_{\text{No}} + G_L} I_{\text{No}}
\end{align}}}
회로망의 전기 전도를 구할 경우, 전압원은 단락, 전류원은 개방으로 생각한다. (전압·전류원이 이상적인 것이 아니고 내부 저항이 존재하는 경우에는 당연히 고려해야 한다.)
또한, 테브냉의 정리와는 쌍대 관계에 있다. 구체적으로 테브냉의 정리와 쌍대 관계가 되는 것은 전류와 전압, 저항과 컨덕턴스, 개방과 단락이다.
3. 노턴 등가회로 계산
등가회로를 계산하기 위한 단계는 다음과 같다.
1. 출력 단자(A, B)를 단락(쇼트)시켰을 때 흐르는 전류를 계산한다. 이 전류가 INo이다.
2. 출력 단자를 개회로 상태로 만들고, 회로 내 전압원을 단락, 전류원을 개방시킨 후 출력 단자에서 바라본 저항을 계산한다. 또는, 출력 단자에 1A 전류원을 연결하고 단자에 걸리는 전압을 계산하여 등가 저항을 구한다. (이는 의존 전원이 있는 회로에서 유용하다.) 이 저항이 RNo이다.
위 방법으로 구한 INo 전류원과 RNo 저항을 병렬 연결하면 노턴 등가회로가 된다.
회로를 다시 바라본 등가 저항은 다음과 같다.[1]
:{{lang|en|
R_\mathrm{no} = 1\,\mathrm{k}\Omega + (2\,\mathrm{k}\Omega \parallel (1\,\mathrm{k}\Omega + 1\,\mathrm{k}\Omega)) = 2\,\mathrm{k}\Omega.
]]|}}
따라서 등가 회로는 2kΩ 저항과 병렬로 연결된 3.75mA 전류원이다.
3. 1. 등가 전류 (INo) 계산
출력 단자(A, B)를 단락(쇼트)시켰을 때 흐르는 전류를 계산한다. 계산된 출력전류 ''I''AB는 로드가 폐회로일 때(A와 B사이의 저항이 0임을 뜻함) INo이다.
전류 분배 법칙을 적용하면, 부하를 통과하는 전류는 다음과 같다.[1]
:
이 예제에서 총 전류 ''I''total은 다음과 같다.[1]
:
3. 2. 등가 저항 (RNo) 계산
등가 저항 (RNo)은 다음 두 가지 방법 중 하나로 계산할 수 있다.- 출력 단자(A, B)를 개방(오픈)시킨 상태에서, 회로 내부의 모든 전압원을 단락시키고 전류원을 개방시킨 후, 출력 단자에서 바라본 저항을 계산한다.
- 출력 단자에 1A의 전류원을 연결하고 이때 단자에 걸리는 전압을 계산하여 등가 저항을 구한다. (이는 의존 전원이 있는 회로에서 유용하다.)
위의 첫 번째 방법에 대한 단계별 설명은 다음과 같다.
4. 테브난 등가회로로의 변환

노턴 등가 회로는 다음의 관계식을 이용하여 테브냉 등가 회로로 쉽게 변환할 수 있다.
:
:
:
원래 회로와 테브난 및 노턴 등가 회로는 두 개의 개방 회로 단자 사이의 전압이 같고, 그 사이의 단락 회로 전류가 같다.
오른쪽 그림에 나타낸 회로망의 단자 A–B 간의 단락 전류를 ''I''No, 회로망 A–B 간의 컨덕턴스를 ''G''No (''R''No의 역수), A–B 사이에 접속하는 부하의 컨덕턴스를 ''GL'', 부하를 접속했을 때의 단자 A–B 간의 전압을 ''VL'', 부하에 흐르는 전류를 ''IL''이라고 하면, 다음 식에 나타낸 관계가 성립한다.
:
회로망의 전기 전도를 구할 경우, 전압원은 단락, 전류원은 개방으로 생각한다. (전압·전류원이 이상적인 것이 아니고 내부 저항이 존재하는 경우에는 당연히 고려해야 한다.)
테브난 등가회로와 노턴 등가회로는 서로 쌍대 관계에 있다. 즉, 전류와 전압, 저항과 컨덕턴스, 개방과 단락이 서로 대응된다.
5. 노턴 등가회로의 예시
예시로, 전체 전류 ''I''total는 다음과 같이 주어진다.
:} = 15V / ( + || ( + )) = 5.625mA
부하에 흐르는 전류는 전류 분배 법칙을 적용하여 구한다.
:I|I영어 = ( + ) / ( + + ) · }
:= 2/3 · 5.625mA = 3.75mA
그리고 회로 쪽으로 바라본 등가 저항은 다음과 같다.
:R|R영어 = + ( || ( + )) =
따라서 등가 회로는 저항과 병렬 연결된 3.75mA 전류원이다.
6. 대기 이론에서의 응용
대기 이론에서 찬디 헤르조그 우 정리라고 불린다.[5][6][4] 가역 대기 시스템에서는 종종 관련 없는 대기열의 하위 집합을 적절하게 선택된 서비스율을 가진 단일 FCFS 또는 PS 대기열로 대체하는 것이 가능하다.[2]
7. 대중 문화
미국의 연재만화 《둔즈베리》에서 테브난의 정리와 노턴의 정리가 언급된 적이 있다.
참조
[1]
논문
Thevenin's theorem
https://ieeexplore.i[...]
2013-02-01
[2]
논문
Parametric Analysis of Queuing Networks
https://scholar.goog[...]
1975-01
[3]
간행물
Introduction to Electric Circuits
https://web.archive.[...]
John Wiley & Sons
2018-12-08
[4]
서적
Analyzing Computer System Performance with Perl::PDQ
https://books.google[...]
Springer Science+Business Media
2004
[5]
논문
Origins of the equivalent circuit concept: the voltage-source equivalent
http://www.ece.rice.[...]
2003
[6]
논문
Origins of the equivalent circuit concept: the current-source equivalent
http://www.ece.rice.[...]
2003
[7]
논문
Ueber das Ersatzschema der Verstärkerröhre
1926
[8]
논문
Design of finite networks for uniform frequency characteristic
Bell Laboratories
1926
본 사이트는 AI가 위키백과와 뉴스 기사,정부 간행물,학술 논문등을 바탕으로 정보를 가공하여 제공하는 백과사전형 서비스입니다.
모든 문서는 AI에 의해 자동 생성되며, CC BY-SA 4.0 라이선스에 따라 이용할 수 있습니다.
하지만, 위키백과나 뉴스 기사 자체에 오류, 부정확한 정보, 또는 가짜 뉴스가 포함될 수 있으며, AI는 이러한 내용을 완벽하게 걸러내지 못할 수 있습니다.
따라서 제공되는 정보에 일부 오류나 편향이 있을 수 있으므로, 중요한 정보는 반드시 다른 출처를 통해 교차 검증하시기 바랍니다.
문의하기 : help@durumis.com