메리디아니 평원
"오늘의AI위키"의 AI를 통해 더욱 풍부하고 폭넓은 지식 경험을 누리세요.
1. 개요
메리디아니 평원은 화성의 평원으로, 19세기 지도 제작 과정에서 처음 발견되었다. 바이킹 1호와 2호 탐사선, 그리고 NASA의 화성 탐사 로버 오퍼튜니티가 이 지역을 탐사했다. 오퍼튜니티는 2004년 이글 크레이터에 착륙하여 엔데버 크레이터까지 이동하며, 과거 물의 존재를 시사하는 다양한 증거를 발견했다. 이 지역의 지질학적 역사는 노아키안, 헤스페리안, 아마조니안 시대로 구분되며, 강 흐름, 퇴적물 형성, 크레이터 붕괴와 토양 형성 과정을 거쳤다. 메리디아니 평원은 적철석 구체(블루베리)와 같은 독특한 지질학적 특징을 보이며, 여러 운석과 충돌 기원 암석이 발견되기도 했다.
더 읽어볼만한 페이지
- 화성의 평야 - 헬라스 분지
헬라스 분지는 화성에서 가장 크고 뚜렷한 충돌 지형 중 하나로, 독특한 지형적 특징과 물 얼음 빙하의 존재로 화성의 기후 변화와 생명체 존재 가능성 연구에 중요한 자료를 제공한다. - 화성의 평야 - 바스티타스 보레알리스
바스티타스 보레알리스는 피닉스 탐사선이 착륙한 화성의 북극 평원으로, 다각형 지형과 사슬 모양 언덕이 특징이며 염화물, 탄산 칼슘, 과염소산염 등이 검출되어 과거 습하고 따뜻한 기후였을 가능성을 시사하고, 탐사선은 날씨를 관측하여 권운, 적설, 먼지 악마를 확인했다. - 화성탐사로버 - 스피릿 (탐사차)
스피릿은 2004년 화성에 착륙하여 물의 존재 증거를 찾고 지형을 분석하는 임무를 수행했으며, 예상보다 긴 6년 이상 활동하다가 2011년 임무가 종료되었다. - 화성탐사로버 - 구세프 분화구
구세프 분화구는 화성 적도 근처의 지름 166km 분화구로, 스피릿과 오퍼튜니티 로버 탐사 결과 과거 물 존재 증거와 생명체 존재 가능성을 시사하는 암석, 광물, 실리카, 탄산염 등이 발견되어 미래 화성 탐사 대상지이자 대중문화에도 등장하는 곳이다. - 화성 - 2001 마스 오디세이
2001 마스 오디세이는 화성 표면의 원소, 물, 광물 분포 및 방사선 환경을 조사하고 다른 화성 탐사 임무와의 통신을 중계하는 NASA의 화성 궤도 탐사선이다. - 화성 - 포보스 (위성)
포보스는 불규칙한 형태와 낮은 반사율을 가진 화성의 위성으로, 스틱니 크레이터를 포함한 크레이터와 홈이 많은 표면을 가지고 있으며, 화성에 점차 끌려가 파괴될 것으로 예상된다.
2. 역사적 배경
요한 하인리히 폰 메들러와 빌헬름 베어는 1830년경 초기 화성 지도 제작자로, 화성의 작은 망원경 이미지에서 뚜렷한 어두운 점으로 나타나는 더 큰 지역의 일부를 처음 관측하였다. 그들은 이 어두운 지점을 통과하도록 화성 지도의 본초 자오선을 설정했다. 1870년대 후반, 카미유 플라마리옹은 이 어두운 지역을 시누스 메리디아니(자오선 만)라고 불렀다. 메리디아니 평원은 시누스 메리디아니의 서쪽 부분을 덮고 있다.
1990년대 미국 항공우주국(NASA) 관계자들은 "더 빠르고, 더 좋고, 더 저렴한" 화성 탐사를 위한 프레임워크를 제시하고자 했다. 1995/1996년에 구체화된 "물 전략"은[14] "과거 또는 현재의 생명체 증거, 기후(날씨, 과정, 역사), 자원(환경 및 활용)"의 세 가지 영역에서 화성을 탐사하고 연구하는 것이었다. 이 세 영역은 모두 물과 밀접하게 관련되어 있다고 여겨졌다. 1990년대 중반 NASA의 주요 목표는 위성 조사를 통해 표면수의 증거를 찾고, 로봇 탐사선을 착륙시켜 물과 생명체의 징후에 대한 자세한 현장 증거를 수집하는 것이었다.[14]
2. 1. 19세기 지도 제작
요한 하인리히 폰 메들러와 빌헬름 베어는 1830년경 초기 화성 지도 제작자로서, 화성의 작은 망원경 이미지에서 뚜렷한 어두운 (알베도가 낮은) 점으로 나타나는 더 큰 지역의 일부를 처음 관측하였다. 그들은 이 어두운 지점을 통과하도록 화성 지도의 본초 자오선을 설정했다. 1870년대 후반, 카미유 플라마리옹은 이 어두운 지역을 시누스 메리디아니(자오선 만)라고 불렀다. 메리디아니 평원은 시누스 메리디아니의 서쪽 부분을 덮고 있다.2. 2. 바이킹 1, 2호 탐사
바이킹 1호와 바이킹 2호 탐사선은 메리디아니 평원에서 멀리 떨어진 화성에 최초로 착륙하는 데 성공했다. 그러나 두 탐사선에는 바이킹 1호(1976년)과 1982년 사이에 작동한, 궤도에서 화성 표면의 많은 이미지를 촬영한 위성도 포함되어 있었다. 오늘날 메리디아니 평원(및 인접 지역)이라고 불리는 곳의 바이킹 1호와 바이킹 2호 위성 이미지는 1980년대에 3편의 논문[9][10][11]과 화성 탐사 궤도선 임무 발사에서 화성 도착 사이의 몇 달 동안 발표된 2편의 1997년 논문[12][13]에서 다시 연구되었다. Edgett와 Parker[13]는 오늘날 메리디아니 평원이라고 부르는 곳의 매끄러운 지형에 주목했고, 이 평원이 퇴적물로 이루어졌으며 과거에 습하고 물이 많았을 가능성이 있다는 것을 일찍이 깨달았다.2. 3. NASA의 화성 탐사 전략
1990년대 미국 항공우주국(NASA) 관계자들, 특히 다니엘 S. 골딘은 "더 빠르고, 더 좋고, 더 저렴한" 화성 탐사를 위한 프레임워크를 제시하고자 했다. 이러한 맥락에서 1995/1996년에 "물 전략"이 구체화되었다.[14] 이 전략은 "과거 또는 현재의 생명체 증거, 기후(날씨, 과정, 역사), 자원(환경 및 활용)"의 세 가지 영역에서 화성을 탐사하고 연구하는 것이었다. 이 세 영역은 모두 물과 밀접하게 관련되어 있다고 여겨졌다.1990년대 중반 NASA의 주요 목표는 위성 조사를 통해 표면수의 증거를 찾고, 로봇 탐사선을 착륙시켜 물과 생명체의 징후에 대한 자세한 현장 증거를 수집하는 것이었다.[14]
3. 위성 탐사
1997년 중반, NASA의 화성 탐사선과 화성 궤도 탐사선이 화성에 도착했다. 화성 탐사선은 20년 만에 처음으로 화성에 성공적으로 착륙했으며, 소형 탐사 로봇 소저너를 최초로 배치했다. 화성 궤도 탐사선은 화성 표면 대부분을 탐사하여 지형과 일부 광물 분포를 지도로 만들고 다른 측정 작업을 수행했다.[15]
1997년부터 2002년 사이에 ''화성 탐사선''은 위성의 열 방출 분광계(TES)를 사용하여 표면의 적철석 수치를 수집하는 중요한 조사를 수행했다.[15] TES 적철석 조사 데이터는 저해상도 지도(그림 1a)에 반영되었다. 이 지도는 화성 전체를 덮고 있으며, 적철석 수치가 높은 지역을 덮는 하나의 큰 지점이 있다. 이 녹색, 노란색, 빨간색 지점은 적도와 본초 자오선을 가로지르며 지도 중앙에 있다. 고해상도 적철석 지역의 이미지는 그림 1b에 표시되어 있다.
2001 화성 오디세이 궤도선에 탑재된 고에너지 중성자 검출기(HEND)는 2001년부터 현재의 메리디아니 평원에 물이 존재한다는 증거를 수집했다. 이 검출기는 행성 전체에서 "물 등가 수소"(WEH) 신호를 수집하며,[19] 표면 WEH의 전 지구적 지도를 점차적으로 구축했다.[20][21] 이 지도들은 화성의 극지방 및 극지방 인근 지역이 표면 WEH의 가장 높은 수준을 가지고 있음을 보여주지만, 메리디아니 평원은 비극지방 지역임에도 비교적 높은 WEH를 가지고 있다.[21] WEH 지도는 메리디아니 평원의 현재 물 자원을 과소평가할 가능성이 높은데, 그 이유는 (a) HEND의 투과 깊이가 얕고(1m),[22] (b) 평원 표면의 대부분이 탈수 토양과 적철광 구상체로 덮여 있기 때문이다.[7][23][24]
3. 1. 화성 탐사선 (MGS)
1997년 중반, NASA의 탐사선 화성 탐사선과 화성 궤도 탐사선이 화성에 도착했다. 화성 탐사선은 20년 만에 처음으로 화성에 성공적으로 착륙했으며, 소형 탐사 로봇 소저너를 최초로 배치했다. 화성 궤도 탐사선은 화성 표면 대부분을 탐사하여 지형과 일부 광물 분포를 지도로 만들고 다른 측정 작업을 수행했다.[15]1997년부터 2002년 사이에 ''화성 탐사선''은 위성의 열 방출 분광계(TES)를 사용하여 표면의 적철석 수치를 수집하는 중요한 조사를 수행했다.[15] TES 적철석 조사 데이터는 저해상도 지도(그림 1a)에 반영되었다. 이 지도는 화성 전체를 덮고 있으며, 적철석 수치가 높은 지역을 덮는 하나의 큰 지점이 있다. 이 녹색, 노란색, 빨간색 지점은 적도와 본초 자오선을 가로지르며 지도 중앙에 있다. 고해상도 적철석 지역의 이미지는 그림 1b에 표시되어 있다.
3. 2. 2001 화성 오디세이
2001 화성 오디세이 궤도선에 탑재된 고에너지 중성자 검출기(HEND)는 2001년부터 현재의 메리디아니 평원에 물이 존재한다는 증거를 수집했다. 이 검출기는 행성 전체에서 "물 등가 수소"(WEH) 신호를 수집하며,[19] 표면 WEH의 전 지구적 지도를 점차적으로 구축했다.[20][21] 이 지도들은 화성의 극지방 및 극지방 인근 지역이 표면 WEH의 가장 높은 수준을 가지고 있음을 보여주지만, 메리디아니 평원은 비극지방 지역임에도 비교적 높은 WEH를 가지고 있다.[21] WEH 지도는 메리디아니 평원의 현재 물 자원을 과소평가할 가능성이 높은데, 그 이유는 (a) HEND의 투과 깊이가 얕고(1m),[22] (b) 평원 표면의 대부분이 탈수 토양과 적철광 구상체로 덮여 있기 때문이다.[7][23][24]4. 오퍼튜니티 탐사

2004년, NASA는 화성 탐사 로버인 오퍼튜니티를 메리디아니 평원에 착륙시켰다. 이곳은 원래 마스 폴라 랜더와 마스 클라이메이트 오비터의 실패로 중단된 Mars Surveyor 2001 Lander|마스 서베이어 2001 랜더영어의 착륙 예정지였다.
오퍼튜니티는 이 지역이 과거 오랫동안 염분과 산성도가 높은 액체 물로 채워져 있었다는 사실을 밝혀냈다. 이는 사교총리, 콘크리션(구형체), 암석 속 Vug|바그영어, 다량의 황산마그네슘과 jarosite|철명반석영어 같은 황산염 광물로 뒷받침된다.
4. 1. 착륙 및 탐사 개요
다니엘 S. 골딘의 전략과 NASA의 세심한 엔지니어링 기술을 바탕으로, 화성 탐사 로버 ''오퍼튜니티''는 2004년 1월 24일(PST) 메리디아니 평원에 있는 이글 크레이터에 "홀인원" 착륙에 성공했다.[25] NASA는 1986년 비행 중 폭발로 사망한 우주왕복선 ''챌린저''의 마지막 승무원을 기리기 위해 이 착륙 지점을 챌린저 기념 기지로 명명했다.[26]
메리디아니 평원은 ''화성 탐사선 2001'' 착륙선과 ''스키아파렐리'' EDM의 목표 착륙지였으나, 두 착륙선 임무는 모두 성공하지 못했다.[27] ''화성 기후 궤도선''과 ''화성 극지 착륙선'' 임무의 실패 이후 ''화성 탐사선 2001'' 착륙선은 취소되었고, ''스키아파렐리'' EDM (진입, 강하 및 착륙 데몬스트레이터 모듈) 시스템은 하강 단계에서 제어력을 상실하여 2016년 10월 19일에 영구적인 추락 착륙을 했다. (''스키아파렐리'' EDM은 유럽 우주국의 엑소마스 프로그램의 일부였다.)

''오퍼튜니티''는 2004년 1월부터 2018년 6월까지 메리디아니 평원을 가로질러 엔데버 충돌구의 가장자리를 따라 45.16km를 이동했다.[28] 그림 2는 로버의 횡단 경로(노란색 선)를 보여준다. 메리디아니 평원 내의 경로 위치는 그림 1b에서 "OT"로 표시된 파란색 선 횡단 경로로 나타낸다. 여정은 2004년 1월 25일 이글 충돌구에 착륙하면서 시작되었다. 로버는 평원의 퇴적물과 토양을 지나가며 2011년 8월 거대한 엔데버 충돌구의 가장자리에 도달할 때까지 여러 개의 작고 중간 크기의 충돌구를 연구했다. 2011년 8월부터 2018년 6월 10일까지 엔데버의 가장자리(평원과 다른 지질학적 특징을 가지고 있음)를 연구했다. 로버가 NASA와 마지막으로 통신한 날짜는 2018년 6월 10일이었다. ''오퍼튜니티'' 임무는 2019년 2월 13일에 종료되었다고 선언되었다.
2004년, 메리디아니 평원에는 NASA가 투입한 화성 탐사 로버인 오퍼튜니티가 착륙했다. 이 착륙 지점은 당초 마스 폴라 랜더와 마스 클라이메이트 orbiter의 실패로 중단되었던 Mars Surveyor 2001 Lander|마스 서베이어 2001 랜더영어로 예정되었던 곳이었다.
오퍼튜니티는 이 착륙 지점이 긴 기간 동안 고염분, 산성의 액체 물로 채워져 있었다는 것을 밝혀냈다. 사교총리나 콘크리션으로 보이는 구상 역의 존재, 암석에서 발견되는 Vug|바그영어, 다량의 황산 마그네슘과 jarosite|철명반석영어과 같은 황산염 광물의 존재는 이를 뒷받침하는 증거이다.
4. 2. 주요 발견
오퍼튜니티는 판캠을 이용하여 메리디아니 평원의 다양한 모습을 촬영했다. 주요 발견은 다음과 같다.- 지형: 매우 평평하며, 주로 어두운 토양으로 덮여 있지만 밝은 퇴적암 노출도 부분적으로 나타난다.
- 크레이터: 직경 5~30m의 작은 크레이터들이 많으며, 인듀어런스 크레이터나 빅토리아 크레이터처럼 큰 크레이터에서는 퇴적층과 적철광 구형체가 드러난 단면을 볼 수 있다. 멀리서는 엔데버 크레이터 같은 거대한 크레이터의 가장자리도 보인다.
- 적철광 구형체: "블루베리"라고 불리는 작은 청회색 적철광 구형체(직경 1~6mm)가 토양과 퇴적암 위에 흩어져 있다.
- 운석: 드물지만 토양과 퇴적암 위에 큰 운석이 발견되기도 한다.
- 토양: "매끄러운 시트"(평평하고 퇴적암 노출이 거의 없음)와 "평원 잔물결"(경사지고 높이 10~40cm, 너비 1.5~5m) 형태가 나타난다. 매끄러운 시트 위에는 적철광 구형체 조각으로 된 1cm 높이의 "능선 잔물결"이 있다.
- 분출 블록: 운석 충돌로 생긴 퇴적물 덩어리들이 평원 곳곳에 흩어져 있다.
2004년 NASA는 화성 탐사 로버 오퍼튜니티를 메리디아니 평원에 착륙시켰다. 이곳은 원래 마스 폴라 랜더와 마스 클라이메이트 오비터의 실패로 중단된 Mars Surveyor 2001 Lander영어의 착륙 예정지였다.
오퍼튜니티는 이 지역이 과거 오랫동안 염분과 산성도가 높은 액체 물로 채워져 있었다는 사실을 밝혀냈다. 이는 사교총리, 콘크리션(구형체), 암석 속 Vug|바그영어, 다량의 황산마그네슘과 jarosite|철명반석영어 같은 황산염 광물로 뒷받침된다.
메리디아니 평원 토양은 구세프 크레이터나 엘리시움 계곡과 유사하지만, '블루베리'라 불리는 단단한 회색 구형 입자로 덮인 지역이 많다.[88] 블루베리는 대부분 적철광이며, 화성 오디세이의 분광 관측 결과와 일치한다. 이들은 지하 액체 물에 의해 형성된 콘크리션으로,[89] 암석 풍화로 표면에 모였다. 1미터 두께 암석 풍화만으로도 생성 가능하다.[90][91] 그 외 토양은 대부분 감람석 현무암 모래다.[92]
오퍼튜니티는 먼지의 자성 광물이 자철광이 아닌 티탄자철광임을 확인했다. 소량의 감람석은 장기간 건조했음을, 소량의 적철광은 초기 화성에 짧은 기간 물이 있었음을 의미한다.[93] 암석 연마 장치로 암반 굴착이 쉬웠던 점은 이 지역 암석이 구세프 크레이터보다 무르다는 것을 보여준다.
기반암은 크레이터에서 노출되어 조사되었는데,[94] 칼슘과 마그네슘의 황산염을 포함하며, kieserite|황산고토석영어, 무수황산염, 바사나이트, epsomite|사리염영어, 석고 등으로 추정된다. 암염, Bischofite|비쇼프석영어, 남극석, 브레이다이트, 반토파이트, Grauberite|석회망초영어 등도 존재한다.[95][96]
황산염 암석은 색조가 밝고, 화성 탐사선의 Thermal Emission Spectrometer|열 방출 분광계영어 스펙트럼과 유사하며, 넓은 지역에서 발견되어 과거 물의 존재를 시사한다.[97]
알파 양성자 X선 분광계는 암석에서 고농도 인을 검출, 화성 맨틀에 인이 풍부함을 시사한다.[98] 암석 광물은 현무암의 산성수 풍화 기원일 수 있으며, 인 용해도는 우라늄, 토륨, 희토류 원소 용해도와 유사하다.[99]
오퍼튜니티 로버가 Endeavour (crater)|엔데버 크레이터영어 가장자리에 도착했을 때, 순수 석고로 된 흰색 암맥("홈스테이크")을 발견했다.[100][101] 이는 석고 포함 용액이 암석 틈에서 침전된 것이다.

메리디아니 평원 암석은 과거 물 존재 증거를 제공한다. 명반석은 물에서만 생성되는 광물로, 모든 암반에서 발견되어 물 존재를 보여준다.[102] 얇은 층상 조직은 완만히 흐르는 물에 의해서만 형성되며,[103] "더 델스"에서 처음 발견되었다. 사교 성층은 물결로 인한 화환 모양 무늬를 보인다.[96]
일부 암석의 상자 모양 구멍(정동)은 큰 결정 황산염 분해로 생성.[103] 브롬 농도는 변하기 쉬운데, 잘 녹는 성질 때문이며, 물 증발 전 다양한 위치 추정. 얇은 물 막, 밤 침전, 서리 덮임도 브롬 화합물 수집 메커니즘.[88]

"바운스 록"은 충돌 크레이터 방출, 감람석 없고 휘석, 사장석 구성, 셔고타이트 운석 EETA 79001 암상 B와 유사. 에어백 튕김 지점 근처에서 이름.[90]
오퍼튜니티는 "히트 쉴드 록" 등 운석 발견. 히트 쉴드 록은 열 보호막 근처, Mini-TES|소형 열 방사 분광기영어, 뫼스바우어, α선 프로톤 X선 분석 결과 IAB meteorite|IAB 운석영어, 철 93%, 니켈 7%. "피그 트리 바벨톤"은 석질/석철 운석(메소시데라이트), "앨런 힐스", "중산(존산)"은 철 운석 추정.[104][105]
4. 2. 1. 퇴적암과 토양
메리디아니 평원은 매우 평평하며, 어두운 토양으로 덮여 있지만 밝은 색의 퇴적암 노출도 부분적으로 나타난다. 토양과 퇴적암 노출 위에는 작은 청회색 적철광 구형체(직경 1mm ~ 6mm)들이 흩어져 있는데, 퇴적암 노출보다 토양에 더 많이 분포한다. 대부분의 지역에서는 직경 5~30m의 작은 크레이터들이 km2당 65~127개(약 1헥타르당 1개 또는 약 2.5에이커당 1개)의 밀도로 관찰된다.[24] 이보다 더 작은 크레이터들도 많다.인듀어런스 크레이터나 빅토리아 크레이터와 같이 큰 크레이터 벽에서는 층층이 쌓인 퇴적암과 적철광 구형체들을 볼 수 있다. 평원 곳곳에는 운석 충돌로 인해 생긴 퇴적암 덩어리들이 흩어져 있다. 멀리서는 엔데버 크레이터나 보폴루 크레이터와 같은 거대한 크레이터의 가장자리가 보인다. 토양과 최상층 퇴적암 노출에 놓인 큰 운석은 드물지만 눈에 띈다.
토양은 크게 두 가지 형태로 나타난다. 하나는 "매끄러운 시트"로, 매우 평평하며 퇴적암 노출이 거의 보이지 않는다. 다른 하나는 "평원 잔물결"로, 경사져 있으며 높이 10~40cm, 너비 1.5~5m 정도이며, 최상층 퇴적암 노출과 섞여 있는 경우가 많다.[7] 매끄러운 시트 위에는 1cm 높이의 "능선 잔물결"이 많이 있는데, 이들은 적철광 구형체가 부서진 1mm 미만의 조각들로 이루어져 있다.[32]
매의 언덕, 프람, 인듀어런스 크레이터에서 발견된 층상 퇴적암은 오퍼튜니티 로버의 장비들로 조사되었다.[44][45][46][47] 그 결과, 퇴적암(구상체 제외)은 36-37 wt% 수화 황산염, 35 wt% 수화 알루미노규산염, 16 wt% 현무암, 10 wt% 적철광 및 기타 산화물, 2 wt% 염화물, 1-2 wt% 인산염으로 구성되어 있다는 것이 밝혀졌다.[40] 특히 황산염 함량이 매우 높은데, 이는 메리디아니 토양보다 약 5배, 스피릿 로버가 조사한 구세프 크레이터의 현무암보다 약 20배, 지구 암석보다 훨씬 높은 수치이다.[38]
주요 황산염 광물은 수화 마그네슘 황산염(예: 키저라이트, 엡솜염), 수화 칼슘 황산염(예: 바사나이트, 석고), 자로사이트(철, 칼륨, 나트륨을 포함하는 복잡한 수화 황산염)이며, 염화물 염에는 할라이트와 비쇼파이트가 포함된다.[46][40] 자로사이트의 발견은 메리디아니 퇴적물 형성에 대한 지구화학적 경로를 제한한다.[38][45][41][42]
층상 퇴적물에 남아 있는 수분의 양은 오퍼튜니티 로버의 장비로는 직접 측정할 수 없었다. 그러나 2005년, Clark et al.은 간접적인 지구화학적 논거를 바탕으로 6 wt%에서 22 wt% 사이의 범위를 제시했다.[40] 실제 수분 함량은 2001 화성 오디세이 궤도선의 중성자 검출기로 측정한 수소 당량(WEH) 측정치보다 높아야 한다.[40] 2005년 메리디아니에서 측정된 WEH 수준은 7 wt%였지만,[40] 2018년에는 메리디아니 전역에 걸쳐 9-10 wt%의 WEH를 나타내는 지도가 생성되었다.[21]
화성 대기압에서 수화 마그네슘 및 칼슘 황산염의 수화 수준 변화에 대한 연구가 진행되었다.[48][49][50][51] 이 연구들은 50-200°C 온도에서 다양한 수화 수준의 마그네슘 황산염으로부터 물을 쉽게 추출했다. 또한, 2°C에서 엡솜염(MgSO4.7H2O)과 물로 분해되는 과수화 마그네슘 황산염인 메리디아니이트(MgSO4.11H2O)가 지구상에서 관찰되었다.
오퍼튜니티 로버의 알파 입자 X선 분광기(APXS)는 암석에서 높은 수준의 인을 발견했다.[44] 인의 용해도는 우라늄, 토륨, 희토류 원소의 용해도와 관련이 있으므로, 이 금속들도 메리디아니 노두 퇴적물에 농축되어 있을 것으로 추정된다.[44]
메리디아니 평원의 기저 토양은 구세프 크레이터, 아레스 밸리스, 게일 크레이터의 토양과 유사하다.[54] 그러나 메리디아니 토양의 황산염 수치는 다른 지역보다 높다.[38] 메리디아니 평원의 토양은 독특한 조성을 가진 적철석 구상체의 얇은 최상층으로 덮여 있다(구세프 크레이터, 아레스 밸리스, 게일 크레이터에서는 발견되지 않음).
기저 토양은 대부분 현무암질 물질로 구성되어 있지만, 퇴적물에서 나온 황산염이 풍부한 분출물 파편과 먼지가 섞여 있다.[32] 현무암질 메리디아니 토양의 광물 조성은 40 wt% 사장석, 35 wt% 휘석, 15 wt% 무정형 유리, 10 wt% 감람석, 약 5 wt% 황산염 및 산화물이다. 산화물 조성은 44-46 wt% SiO2, 18-19 wt% FeO + Fe2O3, 9-10 wt% Al2O3, 7.4 wt% MgO, 6.9 wt% CaO2, 5.8 wt% SO3, 2.2 wt% Na2O, ~5 wt% 기타 산화물(총)이다.[54][55]
메리디아니 평원 탐사 결과, 토양은 구세프 크레이터나 엘리시움 계곡의 토양과 유사하지만, 많은 지역에서 '블루베리'라고 불리는 단단한 회색 구형 입자로 덮여 있었다.[88] 이 블루베리는 대부분 적철광으로 이루어져 있으며, 화성 오디세이의 분광 관측 결과와 일치한다. 블루베리는 지하에서 액체 물에 의해 형성된 콘크리션이며,[89] 암석 풍화 작용으로 인해 서서히 표면에 모였다. 이 콘크리션은 1미터 정도 두께의 암석 풍화만으로도 생성될 수 있다.[90][91] 그 외 토양 대부분은 감람석 현무암 모래로 이루어져 있다.[92]


4. 2. 2. 광물 조성
메리디아니 평원에서 발견된 주요 물질(퇴적물, 구상체, 토양, 먼지)의 구성을 다룬다. 유성체와 장거리 분출물의 발견 및 구성은 다른 절에서 다룬다.2011년 8월 이후, 엔데버 충돌구 가장자리 주변에서 ''오퍼튜니티''가 발견한 지질학적 물질에 대해서는 후속 절에서 다룬다.
매의 언덕, 프람, 인듀어런스 크레이터에서 노출된 층상 퇴적 노두 암석은 ''오퍼튜니티''에 탑재된 장비로 조사되었다.[44][45][46][47] 데이터 분석 결과, 퇴적물의 광물 조성은 다음과 같았다(내장된 구상체 제외):
이 조성에서 두드러진 특징은 황산염 함량이 매우 높다는 것이다. 이는 덮고 있는 메리디아니 토양보다 약 5배, 스피릿(MER의 자매 탐사선)이 조사한 구세프 크레이터의 현무암보다 약 20배, 전형적인 지구 암석보다 훨씬 더 높다.[38]
주요 황산염은 수화 마그네슘 황산염(예: 키저라이트, 엡솜염), 수화 칼슘 황산염(예: 바사나이트, 석고), 자로사이트(철, 칼륨, 나트륨 등을 포함하는 복잡한 수화 황산염)이다. 염화물 염에는 할라이트와 비쇼파이트가 포함된다.[46][40] 자로사이트 검출은 메리디아니 퇴적물 형성을 이끄는 가능한 지구화학적 경로를 상당히 제한한다는 점에서 주목할 만하다.[38][45][41][42]
'''수분 함량'''
현재 층상 퇴적물에 남아 있는 잔류 수분의 양은 정확히 알 수 없다. ''오퍼튜니티''의 장비는 물이나 수소를 직접 감지할 수 없었기 때문이다. 그러나 2005년, 클라크(Clark) 등은 간접적인 지구화학적 논거를 바탕으로 6~22 중량% 범위를 제시했다.[40] 실제 수분 함량은 ''화성 오디세이'' 궤도선의 중성자 검출기가 측정한 수소 당량(WEH)보다 높아야 한다(중성자 검출기의 얕은(1m) 투과 깊이와 메리디아니 대부분 지역을 덮고 있는 물이 적은 표토층 때문).[40] 2005년 메리디아니에서 측정된 WEH 수준은 7 중량%였지만,[40] 2018년에는 메리디아니 전역에 걸쳐 9-10 중량%의 WEH를 나타내는 WEH 지도가 생성되었다.[21]
화성 대기압에서 수화 마그네슘 및 칼슘 황산염의 수화 수준 변화에 대한 연구가 있다.[48][49][50][51] 화성 압력에서, 이 연구들은 50℃와 200℃ 사이 온도에서 다양한 수화 수준의 마그네슘 황산염으로부터 쉽게 물을 추출했다. 또한, 지구상에서 메리디아니이트(메리디아니 평원 이름을 따서 명명)라는 과수화 마그네슘 황산염(MgSO4·11H2O)을 관찰했는데, 이는 2℃에서 엡솜염(MgSO4·7H2O)과 물로 분해된다.
''오퍼튜니티''의 알파 입자 X선 분광기(APXS)는 암석에서 상당히 높은 수준의 인을 발견했다.[44] 인의 용해도는 우라늄, 토륨, 희토류 원소의 용해도와 관련이 있으므로, 이 금속들도 메리디아니 노두 퇴적물에 농축되어 있을 것으로 추정된다.[44]
메리디아니 평원의 기저 토양은 구세프 크레이터, 아레스 밸리스, 게일 크레이터의 토양과 유사하다.[54] 그러나 메리디아니 토양의 황산염 수치는 다른 지역보다 눈에 띄게 높다.[38] 메리디아니 평원의 토양은 독특한 조성을 가진 적철석 구상체의 얇은 최상층으로 덮여 있다(구세프 크레이터, 아레스 밸리스, 게일 크레이터에서는 발견되지 않음). 그림 12는 위에 구상체(및 구상체 조각)가 층을 이루고 아래에 현무암질 토양이 있는 모습을 보여준다.
기저 토양은 대부분 현무암질 물질로 구성되어 있지만, 다양한 양의 먼지와 퇴적물에서 나온 황산염이 풍부한 분출물 파편과 혼합되어 있다.[32] 현무암질 메리디아니 토양의 전형적인 광물 조성은 다음과 같다.
전형적인 현무암질 토양의 표준 산화물 조성은 다음과 같다.
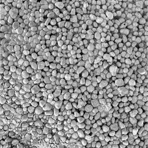
4. 2. 3. 적철광 구체 (블루베리)
1997년부터 2002년 사이, 화성 탐사선의 열 방출 분광계(TES)를 사용하여 메리디아니 평원 표면의 적철석 수치를 조사했다.[15] 이 데이터는 화성 전체 표면의 적철석 수치를 나타내는 저해상도 지도(그림 1a)와 메리디아니 평원의 표면 적철석 수치를 나타내는 고해상도 지도(그림 1b)로 나타났다.2000년대 초, 메리디아니 평원은 높은 적철석 수치와 평평한 지형 덕분에 NASA의 화성 탐사 로버(MER)인 오퍼튜니티와 스피릿의 착륙 지점 중 하나로 선택되었다.[16][17] NASA는 높은 적철석 수치를 과거 이 지역에 다량의 액체 물이 흘렀다는 간접 증거로 사용했으며, 이는 생명체 흔적을 찾기에 적합한 장소라고 판단했기 때문이다.[16][18]
메리디아니 평원은 매우 평평하며, 어두운 토양으로 덮여 있고, 엄청난 수의 청회색 적철광 구형체(직경 1mm ~ 6mm)가 토양과 퇴적물 노출 위에 느슨하게 놓여 있다. 이 구형체는 "블루베리"라고도 불린다.
오퍼튜니티의 뫼스바우어 분광기는 이 구상체의 철 광물 성분이 적철석이 지배적이라는 것을 확인했다.[45][52] "베리 보울" 실험에서 알파 입자 X선 분광기(APXS) 판독 결과, 구상체가 있는 대상에서 철이 더 많다는 것이 나타났다.

2008년 연구에서는 오퍼튜니티의 미니-TES (열 방출 분광계)가 구체 내에서 규산염 광물을 '''감지할 수 없다'''는 결과가 발표되었다.[53] 이는 구체 내 규산염 수준을 10 wt% 미만으로 제한했다.
최근 연구에 따르면, 구체의 산화철 함량은 79.5 wt%에서 99.8 wt% 사이이며, 대부분 85 wt%에서 96 wt% 사이였다. 니켈 함량은 항상 0.3 wt%에 가까웠고, 5개의 표준 산화물(MgO, Na2O, P2O5, SO3 및 Cl) 그룹은 각각 미량 수준 이상 함량을 보였으며, 결합된 그룹 함량은 6.8 +/- 2.4 wt%였다. SiO2 수준은 8 wt%에서 0 wt% 사이였다.[55]
적철석 구체의 크기는 오퍼튜니티가 탐사한 위치에 따라 다양했다.[53] 이글 크레이터에서는 대부분의 구체 직경이 4~6mm였고,[38] 빅토리아 크레이터 북서쪽 500m 지점에서는 1~2mm, 엔데버 크레이터 가장자리 200m 지점에서는 최대 8.3mm 크기의 구체가 발견되었다.




메리디아니 평원 토양에 있는 느슨한 적철광 구체의 수는 엄청나게 많다. 그림 22와 23은 표면 적철광 샘플링 대상을 보여주며, 이 대상은 29%의 조대 적철광 면적을 가지고 있었다.[53]
오퍼튜니티가 탐사한 평원 부분은 메리디아니 평원의 나머지 부분과 비교했을 때 특별히 표면 적철광 수준이 높지 않다.
메리디아니 평원 탐사 결과, 토양은 구세프 크레이터나 엘리시움 계곡의 토양과 유사하지만, 많은 지역에서 '블루베리'라고 불리는 단단한 회색 구립으로 덮여 있었다.[88] 블루베리는 대부분 적철광으로 이루어져 있으며, 지하에서 액체 물에 의해 형성된 콘크리션임이 밝혀졌다.[89]
4. 2. 4. 먼지 성분
메리디아니 평원의 기저 토양은 구세프 크레이터, 아레스 밸리스, 게일 크레이터의 토양과 유사하다.[54] 그러나 메리디아니 토양의 황산염 수치는 다른 지역보다 눈에 띄게 높다.[38] 메리디아니 평원의 토양은 독특한 조성을 가진 적철석 구상체의 얇은 최상층으로 덮여 있다(구세프 크레이터, 아레스 밸리스, 게일 크레이터에서는 발견되지 않음).그림 12는 위에 구상체(및 구상체 조각)가 층을 이루고 아래에 현무암질 토양이 있는 모습을 보여준다.
기저 토양의 대부분은 현무암질 물질로 구성되어 있지만, 다양한 양의 먼지와 퇴적물에서 나온 황산염이 풍부한 분출물 파편과 혼합되어 있다.[32] 현무암질 메리디아니 토양의 전형적인 광물 조성은 다음과 같다.
전형적인 현무암질 토양의 표준 산화물 조성은 다음과 같다.
[54][55]
화성의 모든 표면은 먼지로 덮여 있으며, 이 먼지의 구성은 화성 전역에서 본질적으로 균일하다.[54] 이는 수년마다 발생하는 전 지구적 먼지 폭풍을 포함하여 화성에서 빈번하게 발생하는 먼지 폭풍 때문이다.[56][57]
오퍼튜니티 로버가 MontBlanc_LeHauches를 APXS로 측정한 결과, 먼지는 주로 현무암질을 띠며 표준 산화물의 다음과 같은 중량 백분율을 나타냈다.[58]
오퍼튜니티 로버의 포획 자석에 모인 먼지에 대한 뫼스바우어 스펙트럼 측정 결과, 먼지의 자기 성분은 단순한 자철광이 아닌 티탄자철광으로 밝혀졌다. 소량의 감람석이 검출되었는데, 이는 행성에 건조한 기간이 길었음을 시사한다. 반면에, 소량의 적철석이 존재한다는 것은 행성 초기에 짧은 기간 동안 액체 상태의 물이 있었을 수 있음을 의미한다.[93]
4. 2. 5. 운석 발견
오퍼튜니티는 메리디아니 평원에서 히트 쉴드 록(그림 8 참조), 블록 아일랜드, 쉘터 아일랜드, 매키낵 아일랜드, 오일런 루아드, 아일랜드와 같은 6개의 큰 철-니켈 운석을 발견했다. 이 6개의 운석은 더 적은 수의 충돌에서 기원했을 수도 있다(예: 원래 운석이 조각으로 부서짐).소형 열 방출 분광계(미니-TES), 뫼스바우어 분광기, APXS를 이용한 연구를 통해, 연구자들은 히트 쉴드 록을 약 93 중량%의 철 함량과 7 중량%의 니켈 함량(대부분 금속 형태)을 가진 IAB 운석으로 분류했다. 히트 쉴드 록은 다른 행성에서 처음으로 확인된 운석이었다.
스피릿은 구세프 크레이터에서 "앨런 힐스"와 "중산"이라는 두 개의 암석을 발견했는데, 이것들은 철 운석일 수 있다.
평원의 토양 상층부는 작은 입자와 철-니켈 운석 물질을 상당량(~1 중량%) 포함하고 있다. 많은 철-니켈 운석이 하강 및 충돌 중에 붕괴되며, 이 조각들은 판캠이 식별하기에는 너무 작았다.
석질 운석은 철-니켈 운석보다 식별하기가 더 어렵다. 그러나 "피그 트리 바버턴"이라는 자갈과 "바버턴 그룹"에 있는 3개는 석질 또는 철질 운석(메소시데라이트 규산염)으로 생각된다.
오퍼튜니티는 운석 충돌로 생성된 열로 인해 물질이 용융된 증거를 보여주는 브레시아인 "아칸소 그룹"의 9개의 자갈을 연구했다.
4. 2. 6. 충돌 기원 암석
탐사 로버는 메리디아니 평원의 일반적인 퇴적암과 현저히 다른 광물 조성을 가진 두 개의 특이한 암석을 발견했다."바운스 록(Bounce Rock)"은 주로 휘석과 사장석을 함유하고 있으며 감람석은 전혀 없다. 이 암석은 화성에서 온 것으로 알려진 지구의 운석인 셔고타이트 운석 EETA 79001의 일부인 리솔로지 B와 매우 유사했다.[81] 바운스 록은 ''오퍼튜니티'' 착륙선의 에어백에 의해 튕겨져 나가면서 그 이름을 얻었다. 다른 암석인 "마르케트 아일랜드(Marquette Island)"는 화성 지각 깊숙한 곳에서 기원한 것으로 추정된다. "바운스 록"과 "마르케트 아일랜드"는 모두 탐사 로버가 이 암석을 발견한 곳에서 멀리 떨어진 평원에서 발생한 대형 충돌구에서 날아온 분출물로 여겨진다.[81]
모래 평원에 있던 "바운스 록"이라는 암석은 충돌 크레이터에서 방출된 물질이었다. 이 암석의 화학 조성은 기반암과는 달라서 감람석이 없고, 대부분 휘석과 사장석으로 구성되어 있다. 이것은 화성 운석 중 셔고타이트에 분류되는 EETA 79001이라는 운석의 암상 B와 매우 유사하다. 바운스 록은 에어백이 튕겨진 지점 근처에 있는 것으로부터 명명되었다.[90]
5. 엔데버 크레이터 탐사
엔데버 충돌구에서 오퍼튜니티는 점토 광물인 스멕타이트를 포함하는 호메스테이크 정맥, 마티예비치 형성, 충돌구 가장자리의 각력암으로 구성된 쇼메이커 형성, 쇄설암으로 구성된 그라스버그 형성 등을 조사했다.[15]
'''호메스테이크 정맥:'''
2011년 12월, 오퍼튜니티는 엔데버 충돌구의 가장자리로 이동하여 순수한 석고로 확인된 흰색 정맥을 발견했다.[85][86]
실험을 통해 정맥에 칼슘, 황, 물이 포함되어 있음이 확인되었다. 이는 석고를 용액에 담아 암석의 틈에 광물을 침전시킬 때 형성되었다. 정맥은 "호메스테이크"라고 불린다. 이 정맥은 평원의 황산염이 풍부한 퇴적 기반암이 엔데버의 가장자리에서 노출된 더 오래된 화산 기반암과 만나는 지역에 위치해 있다.[85]
6. 지질학적 역사
메리디아니 평원의 지질 변화 역사는 뚜렷한 과정을 거치는 세 시기로 나뉜다. 이 세 시기는 화성 전체의 세 가지 표준 시대, 즉 노아키안, 헤스페리안, 아마조니안 시대와 대체로 일치한다.
오퍼튜니티 탐사선의 관측에 따르면, 이 지역에서는 여러 차례 홍수가 일어나 증발과 건조가 반복되었다.[90] 이 과정에서 황산염 광물이 퇴적되었고, 황산염은 퇴적물의 Cementation (geology)|교결 작용영어을 일으켰다. 이후 적철광 콘크리션이 지하수 침전으로 성장했다. 일부 황산염은 큰 결정을 이루었지만, 물에 용해되어 암석 내에 정동을 남겼다. 이러한 지질학적 증거는 지난 10억 년 동안 건조한 기후가 지속되었지만, 그 이전에는 물이 존재했을 가능성이 있는 기후 시기도 있었음을 보여준다.[106]
6. 1. 노아키안 시대: 강 흐름
메리디아니 평원을 특징짓는 퇴적층이 형성되기 전, 약 37억 년 전의 습윤한 노아기에는 액체 상태의 물이 풍부하여 현재 메리디아니 지역으로 대량의 현무암질 실트를 운반하고 퇴적시키는 강 채널을 형성했다.[13][2][6] 1970년대 ''바이킹'' 궤도선 사진에서 에지트와 파커는 이러한 강 계곡의 일부를 간신히 식별할 수 있었다.[13] 그러나 ''마스 오디세이''가 궤도에서 촬영한 열 관성 이미지에서는 쉽게 볼 수 있다.[71] 이러한 강 채널은 동남쪽의 고지대에서 서북쪽으로 물을 가져와 현재의 메리디아니 평원에 도달하게 했다. 강 계곡은 메리디아니의 거대한 퇴적층으로 흘러들면서 갑자기 끝난다.현재의 증거는 강 흐름에 필요한 경사진 지형이 수천 킬로미터 떨어진 거대한 타르시스 고원과 광대한 타르시스 화산의 융기에 의해 발생한 화성 테라 메리디아니 표면의 거대한 기울어짐으로 만들어졌음을 시사한다.[72][73]
6. 2. 퇴적물 형성
대략 노아기 후기/헤스페리아기 초기부터 약 35억 년 전까지, 초기 노아기에 퇴적된 층상 퇴적물은 변형되었다.[6] 이 변형에는 화산 기원의 고유황 함유 물질이 상당히 추가 퇴적되었을 가능성이 높다.[40] 이러한 변화에는 산성이면서 염분을 포함한 수성 지구화학적 변화뿐만 아니라 수위 상승 및 하강이 포함되었을 것이다. 이를 증명하는 특징으로는 교차층 퇴적물, 공극, 퇴적층을 가로지르는 내포된 적철광 구형체, 다량의 황산마그네슘, 자로사이트, 염화물 등 기타 황산염이 풍부한 광물의 존재 등이 있다.[38][40][41][42] 자로사이트 형성은 pH 3 미만의 산성 수성 환경이 필요하다.[41][42]

그림 14와 15는 권위 있는 논문에 (부분적으로) 게재된 퇴적암 매트릭스의 현미경 이미지를 보여준다.[38] 그림 14는 퇴적물 노두의 네 가지 물리적 구성 요소를 보여준다: (i) 다량의 현무암질 모래 입자를 포함하는 퇴적층; (ii) 내포된 적철광 구형체; (iii) 미세 입자, 황산염이 풍부한 시멘트 (노두의 대부분); (iv) 공극 공동 (예: 수화 황산염의 결정 형상으로 추정됨).[38] 그림 15는 그림 14와 유사한 퇴적물 노두 표면을 보여준다. 그러나 ''오퍼튜니티''의 암석 마모 도구가 이 표면을 마모시켰다. 이러한 마모는 (a) 퇴적층이 매우 부드럽고 쉽게 절단되며, (b) 적철광 구형체가 균일한 내부 구조를 가지고 있다는 것을 보여주었다.[38][37][53][78]
오늘날의 퇴적물로의 "속성 작용" 변환(물-암석 상호 작용에 의한 변화)은 해당 지역의 물 흐름의 상당한 변화를 포함했다. 강에서 유입되는 물의 양이 점점 줄어들었고, 이 기간 동안 퇴적물 내에서 지배적인 물의 움직임은 지하수면 상승 및 하강과 함께 수직 운동이 되었다.[38][40] 화성의 글로벌 수문학 모델은 메리디아니 평원에서 물 흐름의 역사적 변화를 설명한다.[74] 이 모델은 메리디아니의 물 흐름 변화를 화산 타르시스 지역의 활동과 연결한다. 수직 지하수 흐름을 통해, 지하수면이 상승하고 하강하면서 (플라야) 호수가 반복적으로 형성되고 사라진 것으로 믿어진다.[38][81][41][42] (유타 주의 그레이트 솔트 호 주변의 건조한 지역은 플라야이다.) ''오퍼튜니티'' 팀은 염수가 증발할 때 일반적으로 형성되는 광물 ("증발암")을 발견했으며, 이러한 증발암은 퇴적물의 다른 구성 요소 (현무암 입자 및 구형체 등)를 함께 굳혔다.[38]
맥레넌과 그의 학생들은 메리디아니 퇴적물과 유사한 환경 내에서 적철광을 생성하는 지구화학 모델을 구축했다.[41][42][75][76] 적철광은 결핵에 의해 구형체로 형성되었다.[38][78][77] 적철광이 거의 구형 (구형체)의 공 모양으로 형성되는 결핵 과정은 퇴적암 매트릭스를 통해 적철광의 확산에 의해 발생했을 가능성이 높으며, 이동 가능한 물이 사라졌을 때 여전히 암석 매트릭스에 남아있던 적철광이 제자리에 고정되었을 가능성이 높다.[78]
이러한 변형의 결과는 오늘날에도 대체로 그대로 남아 있다. 그 이후의 주요 변화는 메리디아니 퇴적물의 최상층에만 영향을 미쳤다.
오퍼튜니티 탐사선의 관측은 이 지역에서 여러 차례 홍수가 일어나 증발과 건조가 반복되었음을 시사한다.[90] 이 과정에서 황산염 광물이 퇴적되었으며, 황산염이 퇴적물의 교결 작용을 일으킨 후, 적철광 콘크리션이 지하수로부터 침전되어 성장했다. 또한 일부 황산염은 큰 결정을 이루었지만, 물에 용해되어 암석 내에 정동을 남겼다. 이러한 지질학적 증거는 지난 10억 년 동안 건조한 기후가 지속되었지만, 그 이전에는 적어도 물이 존재할 수 있었던 기후의 시기도 있었음을 나타낸다.[106]
6. 3. 크레이터 붕괴와 토양 형성
메리디아니 평원의 지하수면 상승과 하강 주기가 멈춘 후, 평원에는 더 이상 물이 흐르지 않았다. 이 시기는 정확히 알려져 있지 않지만, 약 35억 년 전[6] 또는 30억 년 전[24]으로 추정된다. 평원에 남은 유일한 물은 암석에 결합된 형태였다.[40]초기 물 흐름에 의한 침식은 현재의 건조한 시기보다 훨씬 빨랐다.[24] 그러나 침식은 멈추지 않고, 운석 충돌, 바람, 중력과 같은 느린 침식 과정이 계속되어 평원의 변화를 주도했다. 약 30억 년 동안 운석 충돌과 바람은 모래질 표토와 느슨한 적철광 구상체를 형성했고, ''오퍼튜니티''의 Pancam이 촬영한 층상 토양 지형으로 정렬되었다.[23][24][7][79]
운석, 중력, 바람에 의해 발생하는 과정은 다음과 같다.

필 크리스텐슨은 2004년에 이러한 과정을 개략적으로 설명했다.[46] 이후, ''오퍼튜니티''의 데이터를 통해 위 과정이 확인되고 세부 사항이 추가되었다.[23][24][7][80]
''오퍼튜니티''는 메리디아니 퇴적물이 부드럽고 부서지기 쉽다는 것을 발견했다.[38][40] 메리디아니 평원의 침식 속도는 매우 느리지만(지구와 초기 화성의 물 관련 침식에 비해), 다른 화성의 건조 지역(예: 구세프 크레이터)과 비교했을 때 매우 빠르다(약 30~300배).[23][24]
그림 17은 적철광 구상체가 내장된 구상체에서 느슨한 구상체로 변하는 모습을 보여준다. 침식되는 퇴적물 튕겨 나간 덩어리 주변에는 느슨한 구상체의 국부적으로 높은 표면 농도에 의해 형성된 고리들이 있다.
7. 물의 증거 요약
메리디아니 평원에서는 현재 또는 과거에 물이 존재했다는 여러 증거가 발견되었다.
일부 암석에서는 완만하게 흐르는 물에 의해서만 만들어지는 작은 층(층상 구조)이 나타났다.[82] 이러한 층상 구조는 "The Dells"라는 암석에서 처음 발견되었다. 지질학자들은 사층리가 수중 잔물결에 의한 퇴적물의 이동으로 인해 페스툰 기하학적 구조를 보인다고 설명한다.[38]
암석 내 브롬 원소의 농도는 매우 다양했는데, 이는 물의 증거가 될 수 있다. 브롬은 물에 잘 녹는 성질이 있어 물의 흐름과 함께 이동했을 가능성이 있다. 얇은 물 막이나 서리가 특정 지점에 브롬을 농축시켰을 수도 있다.
2004년 중반, 화성 탐사선의 TES는 메리디아니 평원 전체와 그 주변(서쪽, 북쪽, 동쪽)의 넓은 지역에서 "밝은 색 노두"(퇴적층이 드러난 곳)의 열 관성 신호를 감지했다.[83] ''오퍼튜니티'' 탐사선의 초기 결과는 노두가 "착륙 지점에서 장기간 물과 상호작용한 증거"를 보여준다고 언급했으며,[83] 이는 밝은 색 노두가 있는 지역 전체가 과거 물의 존재를 나타낸다는 것을 시사한다.
''물의 주요 증거:''
- 궤도 위성 관측 증거:
- (A) TES 스펙트럼 분석 결과 표면에 적철광이 발견되었다. 적철광은 물이 있는 환경에서만 형성되기 때문이다.[2][5]
- (B) 궤도 중성자 감지기가 평원과 주변 지역(서쪽, 북쪽, 동쪽)에서 상당히 높은 수준의 수소 함량(WEH)을 감지했다.[20][21]
- 메리디아니 지역의 퇴적물 퇴적과 마른 강 계곡은 과거 물이 흘렀다는 강력한 증거이다.[13][71]
- 평원 퇴적물의 층서학적 특징(사층리, 공극(공동), 적철광 구체)과 지구화학적 특징(황산 마그네슘, 자르소사이트 등 황산염 광물, 염화물)은 물의 존재를 뒷받침하는 추가적인 증거를 제공한다.[38][82][84][40][41][42]
8. 메리디아니 평원 북부 지역
메리디아니 평원 북쪽의 넓은 지역은 궤도에서 층상 구조를 나타낸다. 화성의 층상 구조에 대한 자세한 내용은 화성의 퇴적 지질학에서 확인할 수 있다.[87]
9. 메리디아니 평원의 크레이터

- 아다 크레이터
- 에어리 크레이터 – 지름 40km이며, 오퍼튜니티에서 서남서쪽으로 약 375km 떨어진 곳에 위치함.
- * 에어리-0 – 에어리 크레이터 내에 위치하며, 화성 본초 자오선을 정의함.
- 아르고 크레이터 – ''오퍼튜니티''가 방문함.
- 비글 크레이터 – ''오퍼튜니티''가 방문함.
- 비어 크레이터
- 보폴루 크레이터
- 콩세프시온 크레이터 - ''오퍼튜니티''가 방문함.
- 크로멜린 크레이터
- 이글 크레이터 – ''오퍼튜니티''의 착륙 지점 (지름 30m)
- 엠마 딘 크레이터 – ''오퍼튜니티''가 방문함.
- 엔데버 크레이터 – ''오퍼튜니티''가 방문함.
- 인듀어런스 크레이터 – ''오퍼튜니티''가 방문함.
- 에레부스 크레이터 – ''오퍼튜니티''가 방문함.
- 피르소프 크레이터 - 2020년 로버 임무의 유력한 착륙 후보지
- 이아주 크레이터
- 매들러 크레이터
- 산타 마리아 크레이터 - ''오퍼튜니티''가 방문함.
- 빅토리아 크레이터 – ''오퍼튜니티''가 방문함 (지름 750m)
- 보스토크 크레이터 – ''오퍼튜니티''가 방문함.
참조
[1]
gpn
[2]
논문
Detection of crystalline hematite mineralization on Mars by the Thermal Emission Spectrometer: Evidence for near‐surface water
American Geophysical Union (AGU)
[3]
논문
Geologic setting and origin of Terra Meridiani hematite deposit on Mars
American Geophysical Union (AGU)
[4]
논문
Mantled and exhumed terrains in Terra Meridiani, Mars
American Geophysical Union (AGU)
2003-10-18
[5]
논문
Formation of the hematite‐bearing unit in Meridiani Planum: Evidence for deposition in standing water
American Geophysical Union (AGU)
[6]
논문
Nature and origin of the hematite‐bearing plains of Terra Meridiani based on analyses of orbital and Mars Exploration rover data sets
American Geophysical Union (AGU)
2006-11-22
[7]
논문
Late Amazonian aeolian features, gradation, wind regimes, and Sediment State in the Vicinity of the Mars Exploration Rover Opportunity, Meridiani Planum, Mars
Elsevier BV
[8]
논문
The sedimentary rocks of Sinus Meridiani: Five key observations from data acquired by the Mars Global Surveyor and Mars Odyssey orbiters
Mars Informatics
2005-11-02
[9]
학위논문
The origin and history of surficial deposits in the central equatorial region of Mars
Washington University in St. Louis
1986-12
[10]
간행물
Geologic map of the western equatorial region of Mars, scale 1:15,000,000
U.S. Geol. Surv. Misc. Inv. Map,I-1802-A
1986
[11]
간행물
Geologic map of the eastern equatorial region of Mars, scale 1:15,000,000
U.S. Geol. Surv. Misc. Inv. Map, I-I802-B
1987
[12]
논문
Martian drainage densities
American Geophysical Union (AGU)
[13]
논문
Water on early Mars: Possible subaqueous sedimentary deposits covering ancient cratered terrain in western Arabia and Sinus Meridiani
American Geophysical Union (AGU)
1997-11-15
[14]
conference
Mars Exploration Program Strategy: 1995-2020
http://trs-new.jpl.n[...]
[15]
서적
Planetary Geoscience
Cambridge University Press
2019
[16]
논문
Mars Exploration Rover candidate landing sites as viewed by THEMIS
Elsevier BV
[17]
웹사이트
ASU/THEMIS choosing the landing site of Opportunity.
https://themis.asu.e[...]
2022-07-30
[18]
논문
Athena Mars rover science investigation
American Geophysical Union (AGU)
[19]
논문
The Mars Odyssey Gamma-Ray Spectrometer Instrument Suite
Springer Science and Business Media LLC
[20]
간행물
The global distribution of near-surface hydrogen on Mars.
Sixth Int. Conf. Mars, Lunar and Planet. Inst.
2003
[21]
논문
Driven by excess? Climatic implications of new global mapping of near-surface water-equivalent hydrogen on Mars
Elsevier BV
[22]
논문
Global distribution of near‐surface hydrogen on Mars
American Geophysical Union (AGU)
[23]
논문
Erosion rates at the Mars Exploration Rover landing sites and long‐term climate change on Mars
American Geophysical Union (AGU)
[24]
논문
Small crater modification on Meridiani Planum and implications for erosion rates and climate change on Mars
American Geophysical Union (AGU)
[25]
웹사이트
Hole-in-one landing of Opportunity.
https://www.nasa.gov[...]
2017-04-21
[26]
웹사이트
Mars honor for Space Shuttle Challenger crew.
https://www.jpl.nasa[...]
2022-07-30
[27]
웹사이트
ESA - Robotic Exploration of Mars - ExoMars 2016 landing site
http://exploration.e[...]
2016-11-04
[28]
웹사이트
Opportunity's Final Traverse Map.
https://mars.nasa.go[...]
2022-07-30
[29]
웹사이트
Pancam Instrument site
http://pancam.sese.a[...]
[30]
논문
Mars Exploration Rover Athena Panoramic Camera (Pancam) investigation
American Geophysical Union (AGU)
2003-11-29
[31]
논문
Aeolian processes at the Mars Exploration Rover Meridiani Planum landing site
Springer Science and Business Media LLC
[32]
논문
[36]
논문
The rate of granule ripple movement on Earth and Mars
Elsevier BV
[37]
논문
Stratigraphy and sedimentology of a dry to wet eolian depositional system, Burns formation, Meridiani Planum, Mars
Elsevier BV
[38]
논문
In Situ Evidence for an Ancient Aqueous Environment at Meridiani Planum, Mars
http://nrs.harvard.e[...]
American Association for the Advancement of Science (AAAS)
2004-12-03
[39]
논문
Sedimentary rocks at Meridiani Planum: Origin, diagenesis, and implications for life on Mars
Elsevier BV
[40]
논문
Chemistry and mineralogy of outcrops at Meridiani Planum
Elsevier BV
[41]
논문
Provenance and diagenesis of the evaporite-bearing Burns formation, Meridiani Planum, Mars
Elsevier BV
[42]
논문
Geochemical modeling of evaporation processes on Mars: Insight from the sedimentary record at Meridiani Planum
Elsevier BV
[43]
웹사이트
Vicinity of the rim of Victoria Crater.
http://pancam.sese.a[...]
2022-07-30
[44]
논문
Chemistry of Rocks and Soils at Meridiani Planum from the Alpha Particle X-ray Spectrometer
American Association for the Advancement of Science (AAAS)
2004-12-03
[45]
논문
Jarosite and Hematite at Meridiani Planum from Opportunity's Mössbauer Spectrometer
American Association for the Advancement of Science (AAAS)
2004-12-03
[46]
논문
Mineralogy at Meridiani Planum from the Mini-TES Experiment on the Opportunity Rover
American Association for the Advancement of Science (AAAS)
2004-12-03
[47]
논문
Pancam Multispectral Imaging Results from the Opportunity Rover at Meridiani Planum
American Association for the Advancement of Science (AAAS)
2004-12-03
[48]
논문
Transformations of Mg- and Ca-sulfate hydrates in Mars regolith
Mineralogical Society of America
2006-10-01
[49]
논문
Meridianiite: A new mineral species observed on Earth and predicted to exist on Mars
Mineralogical Society of America
2007-10-01
[50]
논문
Magnesium and calcium sulfate stabilities and the water budget of Mars
American Geophysical Union (AGU)
[51]
논문
Experimentally Determined Standard Thermodynamic Properties of Synthetic MgSO4·4H2O (Starkeyite) and MgSO4·3H2O: A Revised Internally Consistent Thermodynamic Data Set for Magnesium Sulfate Hydrates
Mary Ann Liebert Inc
[52]
논문
Mössbauer mineralogy of rock, soil, and dust at Meridiani Planum, Mars: Opportunity's journey across sulfate‐rich outcrop, basaltic sand and dust, and hematite lag deposits
American Geophysical Union (AGU)
[53]
논문
Hematite spherules at Meridiani: Results from MI, Mini‐TES, and Pancam
American Geophysical Union (AGU)
[54]
논문
Curiosity at Gale Crater, Mars: Characterization and Analysis of the Rocknest Sand Shadow
American Association for the Advancement of Science (AAAS)
2013-09-27
[55]
논문
Searching Mass-Balance Analysis to Find the Composition of Martian Blueberries
MDPI AG
2022-06-18
[56]
웹사이트
Dust Storms on Mars.
https://mars.nasa.go[...]
2022-07-30
[57]
웹사이트
Study predicts next global dust storm on Mars.
https://www.nasa.gov[...]
2016-10-05
[58]
간행물
MER APXS Derived Oxide Data Bundle
2019
[71]
논문
"High Resolution Thermal Inertia Derived from THEMIS: Thermal Model and Applications"
https://doi.org/10.1[...]
[72]
서적
"Global stratigraphy"
University of Arizona Press
[73]
간행물
"Tectonics of the Tharsis region of Mars: Insights from MGS topography and gravity"
Lunar and Planetary Institute
[74]
논문
"Meridiani Planum and the global hydrology of Mars"
https://doi.org//10.[...]
2022-09-03
[75]
논문
"Fe oxidation processes at Meridiani Planum and implications for secondary Fe mineralogy on Mars"
https://doi.org/10.1[...]
[76]
논문
"Origin of acidic surface waters and the evolution of atmospheric chemistry on early Mars"
https://doi.org/10.1[...]
2022-09-03
[77]
서적
The Martian Surface
Cambridge University Press
[78]
서적
Characteristics of Terrestrial Ferric Oxide Concretions and Implications for Mars
https://.doi.org/10.[...]
Society for Sedimentary Geology
[79]
논문
"Cohesions, friction angles, and other physical properties of Martian regolith from Mars Exploration Rover wheel trenches and wheel scuffs."
https://doi.org//10.[...]
[80]
간행물
"Iron Oxide Harvesting on Mars"
https://doi.org/10.2[...]
2022-09-03
[81]
논문
"The Opportunity Rover's Athena Science Investigation at Meridiani Planum, Mars"
https://doi.org/10.1[...]
[82]
논문
"Evidence from Opportunity's Microscopic Imager for Water on Meridian Planum"
https://www.science.[...]
2022-07-31
[83]
논문
"Implications for hydrologic processes on Mars from extensive bedrock outcrops throughout Terra Meridiani"
[84]
논문
Modeling aqueous perchlorate chemistries with applications to Mars
[85]
웹사이트
NASA - NASA Mars Rover Finds Mineral Vein Deposited by Water
http://www.nasa.gov/[...]
2012-01-26
[86]
웹사이트
Durable NASA rover beginning ninth year of Mars work
https://www.scienced[...]
2018-03-09
[87]
서적
"Sedimentary Geology of Mars"
SEPM
[88]
논문
An integrated view of the chemistry and mineralogy of martian soils
[89]
서적
The Martian Surface
Cambridge University Press
[90]
논문
The Opportunity Rover’s Athena Science Investigation at Meridiani Planum, Mars
[91]
논문
Soils of [[Eagle Crater]] and Meridiani Planum at the Opportunity Rover Landing Site
[92]
논문
Mineralogy at Meridiani Planum from the Mini-TES Experiment on the Opportunity Rover
[93]
논문
Indication of drier periods on Mars from the chemistry and mineralogy of atmospheric dust
[94]
논문
Pancam Multispectral Imaging Results from the Opportunity Rover at Meridiani Planum
[95]
논문
Mineralogy at Meridiani Planum from the Mini-TES Experiment on the Opportunity Rover
[96]
논문
In Situ Evidence for an Ancient Aqueous Environment at Meridian Planum, Mars
[97]
논문
Implications for hydrologic processes on Mars from extensive bedrock outcrops throughout Terra Meridiani
[98]
논문
Volatiles on Earth and Marsw: a comparison
[99]
논문
Chemistry of Rocks and Soils at Meridiani Planum from the Alpha Particle X-ray Spectrometer
[100]
URL
http://www.nasa.gov/[...]
[101]
URL
http://www.scienceda[...]
[102]
논문
Jarosite and Hematite at Meridiani Planum from Opportunity’s Mossbauer Spectrometer
[103]
논문
Evidence from Opportunity’s Microscopic Imager for Water on Meridian Planum
[104]
논문
Exploration of Victoria Crater by the Mars Rover Opportunity
[105]
논문
[106]
논문
Chemistry and mineralogy of outcrops at Meridiani Planum
[107]
저널
Detection of crystalline hematite mineralization on Mars by the Thermal Emission Spectrometer: Evidence for near‐surface water
American Geophysical Union (AGU)
[108]
저널
Geologic setting and origin of Terra Meridiani hematite deposit on Mars
American Geophysical Union (AGU)
[109]
저널
Mantled and exhumed terrains in Terra Meridiani, Mars
American Geophysical Union (AGU)
2003-10-18
[110]
저널
Formation of the hematite‐bearing unit in Meridiani Planum: Evidence for deposition in standing water
American Geophysical Union (AGU)
[111]
저널
Nature and origin of the hematite‐bearing plains of Terra Meridiani based on analyses of orbital and Mars Exploration rover data sets
American Geophysical Union (AGU)
2006-11-22
본 사이트는 AI가 위키백과와 뉴스 기사,정부 간행물,학술 논문등을 바탕으로 정보를 가공하여 제공하는 백과사전형 서비스입니다.
모든 문서는 AI에 의해 자동 생성되며, CC BY-SA 4.0 라이선스에 따라 이용할 수 있습니다.
하지만, 위키백과나 뉴스 기사 자체에 오류, 부정확한 정보, 또는 가짜 뉴스가 포함될 수 있으며, AI는 이러한 내용을 완벽하게 걸러내지 못할 수 있습니다.
따라서 제공되는 정보에 일부 오류나 편향이 있을 수 있으므로, 중요한 정보는 반드시 다른 출처를 통해 교차 검증하시기 바랍니다.
문의하기 : help@durumis.com
