멀티플렉서
"오늘의AI위키"의 AI를 통해 더욱 풍부하고 폭넓은 지식 경험을 누리세요.
1. 개요
멀티플렉서는 디지털 회로에서 선택 신호에 따라 여러 입력 중 하나를 선택하여 출력하는 장치이다. 디지털 회로 설계에서 널리 사용되며, 입력의 수에 따라 선택 핀의 수가 결정된다. 2대 1 멀티플렉서는 두 개의 입력과 하나의 선택 입력, 하나의 출력을 가지며, 부울 대수식과 진리표로 표현될 수 있다. 멀티플렉서는 통신 시스템, 아날로그 회로, 비전형적인 컴퓨팅 등 다양한 분야에서 활용되며, 디멀티플렉서와 함께 사용되어 여러 신호를 하나의 채널로 묶거나 분리하는 데 기여한다. 또한, 프로그래머블 로직 소자 구현에도 사용된다.
더 읽어볼만한 페이지
- 다중화 - 주파수 분할 다중화
주파수 분할 다중화(FDM)는 여러 신호를 각기 다른 주파수 대역에 할당하여 하나의 전송 매체를 통해 동시에 전송하는 기술로, 스테레오 FM 방송, 아날로그 NTSC 텔레비전 등 다양한 분야에서 활용되었으며, 현대에는 시분할 다중화(TDM)에 비해 사용 빈도가 낮지만 특정 응용 분야에서 주파수 자원 활용을 위해 사용된다. - 다중화 - 직교 주파수 분할 다중 접속
직교 주파수 분할 다중 접속(OFDMA)은 여러 사용자가 동시에 데이터 전송이 가능한 다중 접속 방식으로, 낮은 전송 전력, 짧은 지연 시간, 페이딩 및 간섭에 대한 강인함, 유연한 주파수 대역 적용 등의 특징을 가지며 와이맥스, LTE, 5G NR, Wi-Fi 6 등 다양한 무선 통신 표준에 활용된다. - 디지털 회로 - 클럭 신호
클럭 신호는 디지털 회로의 동작을 동기화하는 주기적인 신호로, 수정 발진기나 위상동기회로를 통해 생성되며 마이크로프로세서의 동작 속도를 결정하고 전력 효율을 위한 동적 주파수 변경 기술과 잡음 감소를 위한 사인파 클럭이 사용되기도 하며, 칩 내부 분배 효율성이 중요하다. - 디지털 회로 - 타이머
타이머는 시간 간격을 측정하거나 제어하는 장치 또는 기능으로, 기계식부터 전자식, 디지털, 소프트웨어 방식 등 다양한 형태로 존재하며, 독립적으로 사용되거나 시스템 내부에 내장되어 폭넓게 활용되고, 작동 방식과 구현 방식에 따라 여러 종류로 나뉘며, 최근에는 모바일 기반 타이머와 인공지능 기술을 활용한 효율적인 시간 관리 기능으로 발전하고 있다. - 표시 이름과 문서 제목이 같은 위키공용분류 - 라우토카
라우토카는 피지 비치레부섬 서부에 위치한 피지에서 두 번째로 큰 도시이자 서부 지방의 행정 중심지로, 사탕수수 산업이 발달하여 "설탕 도시"로 알려져 있으며, 인도에서 온 계약 노동자들의 거주와 미 해군 기지 건설의 역사를 가지고 있고, 피지 산업 생산의 상당 부분을 담당하는 주요 기관들이 위치해 있다. - 표시 이름과 문서 제목이 같은 위키공용분류 - 코코넛
코코넛은 코코넛 야자나무의 열매로 식용 및 유지로 사용되며, 조리되지 않은 과육은 100g당 354kcal의 열량을 내는 다양한 영양 성분으로 구성되어 있고, 코코넛 파우더의 식이섬유는 대부분 불용성 식이섬유인 셀룰로오스이며, 태국 일부 지역에서는 코코넛 수확에 훈련된 원숭이를 이용하는 동물 학대 문제가 있다.
| 멀티플렉서 | |
|---|---|
| 기능 | |
| 기능 설명 | 여러 개의 아날로그 또는 디지털 입력 신호 중에서 하나를 선택하여 단일 출력 라인으로 전달하는 장치이다. |
| 종류 | |
| 아날로그 멀티플렉서 | 아날로그 신호를 선택한다. |
| 디지털 멀티플렉서 | 디지털 신호를 선택한다. |
| 활용 | |
| 통신 | 통신 시스템에서 여러 데이터 스트림을 하나의 채널로 결합하여 전송 효율성을 높인다. |
| 컴퓨터 | 컴퓨터 내부에서 여러 장치로부터 데이터를 선택하여 중앙 처리 장치(CPU)로 전달한다. |
| 데이터 변환 | 병렬 데이터를 직렬 데이터로 변환하는 데 사용될 수 있다. |
| 전화 | 전화 네트워크에서 여러 통화 라인을 하나의 전송 라인으로 다중화하는 데 사용된다. |
| 구조 | |
| 입력 라인 | 2^n개의 입력 라인을 가진다. |
| 선택 라인 | n개의 선택 라인을 가진다. |
| 출력 라인 | 1개의 출력 라인을 가진다. |
2. 정의 및 기본 원리

멀티플렉서(Multiplexer, MUX)는 여러 개의 입력 신호 중 하나를 선택하여 단일 출력으로 전달하는 장치이다. 이와 반대로, 디멀티플렉서(Demultiplexer, DEMUX)는 하나의 입력 신호를 여러 출력 신호 중 하나로 전달한다. 멀티플렉서와 디멀티플렉서는 통신 시스템에서 여러 신호를 하나의 채널로 전송하여 비용을 절감하는 데 사용되며, 양방향 통신을 위해 종종 하나의 장치로 결합된다.
아날로그 회로에서 멀티플렉서와 셀렉터는 데이터 입출력 방향성이 없어 양방향 신호 전달이 가능하다. 이들은 원리적으로 멀티플렉서와 셀렉터 기능을 동시에 가지며, 아날로그 스위치라고도 불린다. 4000 시리즈 범용 로직 IC 중 4016, 4066, 4051, 4052, 4053이 아날로그 스위치에 해당한다. (4066은 4016의 개선판이며, 제조사에 따라 4016번은 다른 기능의 IC에 사용될 수 있다.)
이러한 아날로그 스위치는 다양한 분야에 응용된다. 예를 들어, 여러 대의 감시 카메라 영상 신호를 하나의 디스플레이에서 받을 때, 시간을 정하여 자동으로 영상 신호를 전환하는 전자 회로 등에 사용된다.
2. 1. 멀티플렉서 (Multiplexer)
멀티플렉서를 사용하면 멀티플렉서의 신호 출력을 디멀티플렉서의 신호 입력에 연결함으로써 여러 연결을 하나의 신호 채널로 담을 수 있어 절약적이다. 오른쪽 그림은 그 이점을 설명한다. 이 경우 각 데이터 자원에 대해 별도의 채널을 구현하는 비용이 멀티플렉싱/디멀티플렉싱 기능을 제공하는 비용, 불편함의 정도보다 더 높다.
통신 분야에서 멀티플렉서는 여러 개의 데이터 스트림을 결합하여 다중화된 하나의 스트림으로 만든다. 정보 이론에 따르면, 원래의 대역폭을 합산한 대역폭이 송신 측에 필요하다. 이를 사용하면 여러 데이터 스트림을 한 곳에서 다른 곳으로 하나의 링크로 전송할 수 있어 비용을 절감할 수 있다.
수신 측에서는 상응하는 '''디멀티플렉서'''가 필요하다. 다중화된 스트림을 원래의 여러 스트림으로 되돌린다. 수신 측이 단순한 디멀티플렉서가 아닐 수도 있지만, 디멀티플렉서의 기능은 논리적으로 남아있다. 예를 들어, 멀티플렉서가 여러 IP 네트워크 사용자의 데이터를 결합하고, 라우터가 이를 읽어 내부 프로세서가 디멀티플렉서 역할을 하여 개별 IP 패킷으로 분할한다.
멀티플렉서와 디멀티플렉서를 하나의 장치로 통합하여 전체를 멀티플렉서라고 부르는 경우도 많다. 양방향 통신을 위해 두 기능이 모두 필요한 경우가 많기 때문이다. 실제 사례로는 인공위성, 우주선 또는 원격 조종 차량 등을 원격 측정할 때의 장치나 컴퓨터로부터의 통신에 사용된다.

디지털 회로에서 멀티플렉서는 n개의 제어 입력, 2n개의 데이터 입력과 1개의 데이터 출력을 가진 회로이다. 소자로 정리된 것은 회로도에서 직사각형이나 가로로 긴 사다리꼴로 표시하며, 짧은 변에 제어 입력, 사다리꼴의 경우 넓은 쪽에 입력, 좁은 쪽에 출력을 낸다.
선택 제어 입력(selection inputs)에 따라, 여러 입력 신호 중 하나를 선택하여 출력 신호로 한다. 2입력 멀티플렉서를 단순한 논리 게이트의 조합으로 구현한 예시는 다음과 같다. 입력 A 또는 입력 B 중 하나를 선택 제어 입력 S의 값에 따라 출력 Y로 선택한다.
곱의 합 표준형에서는 다음과 같다.
:
진리표는 다음과 같다.
| A | B | S | Y |
|---|---|---|---|
| 0 | 0 | 0 | 0 (B 선택) |
| 0 | 0 | 1 | 0 (A 선택) |
| 0 | 1 | 0 | 1 (B 선택) |
| 0 | 1 | 1 | 0 (A 선택) |
| 1 | 0 | 0 | 0 (B 선택) |
| 1 | 0 | 1 | 1 (A 선택) |
| 1 | 1 | 0 | 1 (B 선택) |
| 1 | 1 | 1 | 1 (A 선택) |
카르노 맵은 다음과 같다.
| style="border-right-width:medium" | | S | ||
|---|---|---|---|
| style="border-bottom-width:medium" | | style="border-bottom-width:medium;border-right-width:medium" | | 0 | 1 |
| AB | 00 | 0 | 0 |
| 01 | 1 | 0 | |
| 11 | 1 | 1 | |
| 10 | 0 | 1 | |
큰 멀티플렉서도 일반적이다. 예를 들어 8입력 멀티플렉서는 8개의 데이터 입력과 3개의 선택 제어 입력이 있다. 데이터 입력을 X0부터 X7까지 명명하고, 선택 제어 입력을 S4, S2, 그리고 S1으로 명명한다. S4와 S1이 참이고 S2가 거짓이면, 출력은 X5와 같아진다.
2. 2. 디멀티플렉서 (Demultiplexer)
'''디멀티플렉서'''는 하나의 입력과 몇 개의 선택 제어 입력, 여러 개의 출력으로 구성된다. 선택 제어 입력 값에 따라 데이터 입력을 임의의 출력으로 보낸다.
예를 들어, 8출력 디멀티플렉서는 하나의 데이터 입력(X), 3개의 선택 제어 입력(S4, S2, S1), 8개의 데이터 출력(A0 ~ A7)을 갖는다. S4와 S1이 High이고 S2가 False이면, 출력 A5는 X와 같아지고, 다른 출력은 모두 Low가 된다.
수신 측에서는 다중화된 스트림을 원래의 여러 스트림으로 되돌리는 '''디멀티플렉서'''가 필요하다. 수신 측이 단순한 디멀티플렉서가 아닐 수도 있지만, 디멀티플렉서의 기능은 논리적으로 유지된다. 예를 들어, 멀티플렉서가 여러 IP 네트워크 사용자의 데이터를 결합하고, 라우터가 이를 읽어 내부 프로세서가 디멀티플렉서 역할을 하여 개별 IP 패킷으로 분할한다.
디멀티플렉서의 입력을 항상 High로 고정하면 디코더가 되며, 선택 제어 입력에 따라 항상 어느 하나의 데이터 출력이 High가 된다.
3. 작동 방식
멀티플렉서는 n개의 제어 입력, 2n개의 데이터 입력, 1개의 데이터 출력을 갖는 회로이다. 회로도에서는 주로 직사각형이나 가로로 긴 사다리꼴 모양으로 표시한다. 사다리꼴 모양의 경우, 짧은 변에는 제어 입력을, 넓은 쪽에는 데이터 입력을, 좁은 쪽에는 데이터 출력을 연결한다.
선택 제어 입력에 따라 여러 개의 입력 신호 중 하나를 선택하여 출력 신호로 내보낸다.
2입력 멀티플렉서는 논리 게이트를 조합하여 간단하게 구현할 수 있다. 입력 A와 B 중 하나를 선택 제어 입력 S의 값에 따라 출력 Y로 선택한다. 이를 곱의 합 표준형으로 표현하면 다음과 같다.
:
이는 진리표를 사용하여 나타낼 수도 있다.
| A | B | S | Y |
|---|---|---|---|
| 0 | 0 | 0 | 0 (B 선택) |
| 0 | 0 | 1 | 0 (A 선택) |
| 0 | 1 | 0 | 1 (B 선택) |
| 0 | 1 | 1 | 0 (A 선택) |
| 1 | 0 | 0 | 0 (B 선택) |
| 1 | 0 | 1 | 1 (A 선택) |
| 1 | 1 | 0 | 1 (B 선택) |
| 1 | 1 | 1 | 1 (A 선택) |
카르노 맵을 사용하면 다음과 같다.
| style="border-right-width:medium"| | S | ||
|---|---|---|---|
| style="border-bottom-width:medium"| | style="border-bottom-width:medium;border-right-width:medium"| | 0 | 1 |
| AB | 00 | 0 | 0 |
| 01 | 1 | 0 | |
| 11 | 1 | 1 | |
| 10 | 0 | 1 | |
8입력 멀티플렉서는 8개의 데이터 입력(X0 ~ X7)과 3개의 선택 제어 입력(S4, S2, S1)을 갖는다. S4와 S1이 참이고 S2가 거짓이면, 출력은 X5와 같아진다.
아날로그 회로에서 멀티플렉서는 아날로그 스위치라고도 불리며, 데이터 입출력에 방향성이 없고 양방향으로 신호를 주고받을 수 있다. 4000 시리즈 범용 로직 IC 중 4016, 4066, 4051, 4052, 4053 등이 아날로그 스위치에 해당한다.
멀티플렉서는 여러 대의 감시 카메라 영상을 하나의 디스플레이에서 전환하여 보여주는 등 다양한 분야에 응용된다.
3. 1. 디지털 멀티플렉서
디지털 회로 설계에서 선택 신호는 디지털 값으로 표현된다. 2대 1 멀티플렉서의 경우, 논리 값 0은 을 출력에 연결하고, 논리 값 1은 을 출력에 연결한다. 더 큰 멀티플렉서에서 선택 핀의 수는 이 입력의 수일 때 과 같다.예를 들어, 9개에서 16개의 입력은 4개 이상의 선택 핀이 필요하고, 17개에서 32개의 입력은 5개 이상의 선택 핀이 필요하다. 이 선택 핀에서 표현되는 이진 값은 선택된 입력 핀을 결정한다.
2대 1 멀티플렉서는 와 가 두 개의 입력이고, 가 선택 입력이며, 가 출력일 때, 다음과 같은 부울 대수식으로 표현된다.
: 또는
:
이는 진리표로 표현할 수 있다.
| 0 | 0 | 0 | 0 |
| 0 | 0 | 1 | 0 |
| 0 | 1 | 0 | 1 |
| 0 | 1 | 1 | 1 |
| 1 | 0 | 0 | 0 |
| 1 | 0 | 1 | 1 |
| 1 | 1 | 0 | 0 |
| 1 | 1 | 1 | 1 |
간단하게는 다음과 같이 표현할 수 있다.
| 0 | A |
| 1 | B |
위 표는 일 때 이고 일 때 임을 보여준다. 이 2대 1 멀티플렉서를 간단하게 구현하려면 2개의 AND 게이트, 1개의 OR 게이트, 1개의 NOT 게이트가 필요하다.
더 큰 멀티플렉서도 흔하며, 개의 입력에 대해 개의 선택 핀이 필요하다. 다른 일반적인 크기는 4대 1, 8대 1, 16대 1이다. 디지털 논리는 이진 값을 사용하므로, 주어진 선택 입력 수에 대해 최대한 많은 입력을 제어하기 위해 2의 거듭제곱(4, 8, 16)을 사용한다.
4대 1 멀티플렉서의 부울 대수식은 다음과 같다.
: 또는
:
진리표로 표현하면 다음과 같다.
| 0 | 0 | A |
| 0 | 1 | B |
| 1 | 0 | C |
| 1 | 1 | D |
다음은 3-상태 버퍼와 AND 게이트를 이용해 구성한 4대 1 멀티플렉서이다. (AND 게이트는 디코더 역할을 한다.)

입력의 아래 첨자는 해당 입력이 통과하는 이진 제어 입력의 십진 값을 나타낸다.
디지털 회로에서 멀티플렉서는 n개의 제어 입력, 2n개의 데이터 입력과 1개의 데이터 출력을 가진 회로이다. 소자로 정리된 것은 회로도에서 직사각형이나 가로로 긴 사다리꼴로 표시하며, 짧은 변에 제어 입력, 사다리꼴의 경우 넓은 쪽에 입력, 좁은 쪽에 출력을 낸다.
선택 제어 입력에 따라, 여러 입력 신호 중 하나를 선택하여 출력 신호로 한다.
2입력 멀티플렉서를 단순한 논리 게이트의 조합으로 구현한 예를 나타낸다. 입력 A 또는 입력 B 중 하나를 선택 제어 입력 S의 값에 따라 출력 Y로 선택한다. 곱의 합 표준형에서는 다음과 같다.
:
진리표에서는 다음과 같다.
| A | B | S | Y |
|---|---|---|---|
| 0 | 0 | 0 | 0 (B 선택) |
| 0 | 0 | 1 | 0 (A 선택) |
| 0 | 1 | 0 | 1 (B 선택) |
| 0 | 1 | 1 | 0 (A 선택) |
| 1 | 0 | 0 | 0 (B 선택) |
| 1 | 0 | 1 | 1 (A 선택) |
| 1 | 1 | 0 | 1 (B 선택) |
| 1 | 1 | 1 | 1 (A 선택) |
또는 카르노 맵으로 나타내면 다음과 같다.
| style="border-right-width:medium"| | S | ||
|---|---|---|---|
| style="border-bottom-width:medium"| | style="border-bottom-width:medium;border-right-width:medium"| | 0 | 1 |
| AB | 00 | 0 | 0 |
| 01 | 1 | 0 | |
| 11 | 1 | 1 | |
| 10 | 0 | 1 | |
8입력 멀티플렉서는 8개의 데이터 입력(X0 ~ X7)과 3개의 선택 제어 입력(S4, S2, S1)을 가진다. 예를 들어 S4와 S1이 참이고 S2가 거짓이면, 출력은 X5와 같아진다.
3. 2. 디지털 디멀티플렉서
디멀티플렉서는 하나의 데이터 입력과 여러 개의 선택 입력을 받아서 여러 개의 출력을 갖는다. 디멀티플렉서는 선택 입력 값에 따라 데이터 입력을 출력 중 하나로 전달한다. 디멀티플렉서의 입력이 항상 참이면, 이진 디코더 역할을 하기 때문에, 범용 로직을 설계하는 데 편리할 때가 있다. 이는 선택 비트의 모든 함수를 올바른 출력 집합을 논리적으로 OR 연산하여 구성할 수 있음을 의미한다.X가 입력이고, S가 선택기이며, A와 B가 출력인 경우 다음과 같다.
:
:
디멀티플렉서는 기능적으로 출력 중 하나를 선택하여 출력하는 "셀렉터"라고 불리기도 한다. 디멀티플렉서는 하나의 입력과 몇 개의 선택 제어 입력, 여러 개의 출력으로 구성된다. 선택 제어 입력의 값에 따라 데이터 입력을 임의의 출력으로 보낸다.
예를 들어, 8출력 디멀티플렉서는 하나의 데이터 입력(X), 3개의 선택 제어 입력(S4, S2, S1), 8개의 데이터 출력(A0 ~ A7)을 갖는다. S4와 S1이 High이고 S2가 False이면, 출력 A5가 X와 같아진다. 다른 출력은 모두 Low가 된다.
디멀티플렉서의 입력을 항상 High로 고정한 것은 디코더이며, 선택 제어 입력에 따라 항상 어느 하나의 데이터 출력이 High가 된다.
다음은 74 시리즈 범용 로직 IC의 디멀티플렉서이다.
| IC형식 | 기능 | 출력 상태 |
|---|---|---|
| 74139 | 4출력 DEMUX×2 | 출력은 입력을 반전시킨 것 |
| 74155 | 4출력 DEMUX×2 | 양쪽 출력이 있다. |
| 74156 | 4출력 DEMUX×2 | 출력은 오픈 컬렉터 |
| 74138 | 8출력 DEMUX | 출력은 입력을 반전시킨 것 |
| 74154 | 16출력 DEMUX | 출력은 입력과 같음 |
| 74159 | 16출력 DEMUX | 출력은 오픈 컬렉터이며, 입력과 같음 |
4. 응용 분야
멀티플렉서는 여러 데이터 스트림을 결합하여 하나의 다중화된 스트림으로 만든다. 정보 이론에 따르면, 송신 측에는 원래의 대역폭을 합산한 대역폭이 필요하다. 이는 여러 데이터 스트림을 하나의 링크로 전송하여 비용을 절감할 수 있게 해준다.[1]
수신 측에서는 상응하는 '''디멀티플렉서'''가 다중화된 스트림을 원래의 여러 스트림으로 되돌린다. 수신 측이 단순한 디멀티플렉서가 아닐 수도 있지만, 디멀티플렉서의 기능은 논리적으로 유지된다.[1] 예를 들어, 멀티플렉서가 여러 IP 네트워크 사용자의 데이터를 결합하고, 라우터가 이를 읽어 내부 프로세서에서 디멀티플렉서 역할을 수행하여 개별 IP 패킷으로 분할하는 경우가 있다.[1]
멀티플렉서와 디멀티플렉서는 하나의 장치로 통합되어 멀티플렉서라고 불리는 경우가 많다. 양방향 통신을 위해 두 기능이 모두 필요한 경우가 많기 때문이다.[1]
확률적 컴퓨팅(SC) 분야에서 멀티플렉서는 산술 덧셈을 쉽게 하는 데 활용된다. 이 패러다임에서 데이터는 '1' 비트의 수가 값의 크기를 나타내는 확률 비트스트림으로 표현된다. 멀티플렉서는 SC 회로 내에서 평균 덧셈, 평균 풀링, 중앙값 필터링 등에 널리 사용된다. 또한, SC 도메인 내에서 임의의 수학적 함수를 생성할 수 있는 번스타인 다항식 함수 생성기도 멀티플렉서의 정교한 응용 분야 중 하나이다.[8] 최근 연구에 따르면 멀티플렉서 조합은 대규모 곱셈-누산 연산을 쉽게 할 수 있으며,[9] 필드 프로그래머블 게이트 어레이에서 컨볼루션 신경망을 가속화하는 데 활용될 가능성이 있다.
4. 1. 컴퓨터 시스템
컴퓨터 시스템에서 멀티플렉서는 메모리 칩 또는 하드웨어 주변 장치와 같이 특정 소스에서 데이터를 선택하는 데 사용된다. 컴퓨터는 멀티플렉서를 사용하여 데이터 및 주소 버스를 제어하여 프로세서가 여러 데이터 소스에서 데이터를 선택할 수 있도록 한다.4. 2. 통신 시스템
디지털 통신에서 멀티플렉서는 시분할 다중화(TDM)를 통해 여러 연결을 단일 채널로 허용한다. 데이터 링크의 수신단에는 단일 데이터 스트림을 원래의 스트림으로 분해하기 위한 보완적인 ''디멀티플렉서''가 필요하다. 원거리 시스템은 단순한 디멀티플렉서보다 더 큰 기능을 가질 수도 있다.
멀티플렉서와 디멀티플렉서는 종종 ''멀티플렉서''라는 단일 장비로 결합된다. 대부분의 통신 시스템이 양방향으로 전송하기 때문에 전송 링크의 양쪽 끝에 두 회로 요소가 모두 필요하다.
실제 사례로는 인공위성, 우주선, 원격 조종 차량 등을 원격 측정할 때의 장치나 컴퓨터 통신에 사용된다.
4. 3. 아날로그 회로
아날로그 회로 설계에서 멀티플렉서는 여러 입력에서 선택된 하나의 신호를 단일 출력에 연결하는 특수한 유형의 아날로그 스위치이다.[1]4000 시리즈 범용 로직 IC에서 4016, 4066, 4051, 4052, 4053이 아날로그 스위치이다. 4066은 4016의 온 저항을 낮춘 개선판이며, 제조사에 따라 4016번은 다른 기능의 IC에 사용되는 경우도 있으므로 주의해야 한다.[1]
응용 분야는 다양하며, 예를 들어 여러 대의 감시 카메라 영상 신호를 하나의 디스플레이에서 받을 때 시간을 정하여 자동으로 영상 신호를 전환하는 등의 전자 회로에 사용된다.[1]
4. 4. 비전형적인 컴퓨팅 (확률적 컴퓨팅)
멀티플렉서는 산술 덧셈을 쉽게 하는 데 있어 확률적 컴퓨팅(SC) 분야에서 응용된다. 이 패러다임에서 데이터는 '1' 비트의 수가 값의 크기를 나타내는 확률 비트스트림으로 표현된다. 따라서 2대 1 멀티플렉서의 기능은 다음과 같이 표시되는 확률 함수로 개념화할 수 있다.:
여기서 a와 b는 입력 비트스트림이고 s는 선택 입력이다. 선택 입력 = 0.5를 사용하면 다음과 같다.
:
이 접근 방식은 정확한 덧셈이 아닌 스케일링된 덧셈을 생성하지만, 대부분의 SC 연구에서 허용 가능한 것으로 간주된다. 멀티플렉서는 SC 회로 내에서 평균 덧셈, 평균 풀링 및 중앙값 필터링과 같은 작업에 광범위하게 활용된다. 또한, 멀티플렉서의 더욱 정교한 응용 분야에는 SC 도메인 내에서 임의의 수학적 함수를 생성할 수 있는 번스타인 다항식 함수 생성기가 있다.[8] 최근 연구에 따르면 멀티플렉서의 조합은 대규모 곱셈-누산 연산을 쉽게 할 수 있으며,[9] 필드 프로그래머블 게이트 어레이에서 컨볼루션 신경망을 가속화하는 데 있어 실행 가능성을 보여준다.
5. 고급 기술 및 구현
멀티플렉서를 사용하면 여러 연결을 하나의 신호 채널로 묶을 수 있어 경제적이다. 멀티플렉서의 신호 출력을 디멀티플렉서의 신호 입력에 연결하면, 각 데이터 자원에 대해 별도의 채널을 구현하는 비용보다 멀티플렉싱/디멀티플렉싱 기능을 제공하는 비용이 더 적게 든다.
5. 1. 멀티플렉서 체이닝 (Chaining multiplexers)
더 큰 멀티플렉서는 더 작은 멀티플렉서를 함께 연결하여 구성할 수 있다. 예를 들어, 8:1 멀티플렉서는 2개의 4:1 멀티플렉서와 1개의 2:1 멀티플렉서를 사용하여 만들 수 있다. 두 개의 4:1 멀티플렉서의 출력은 2:1 멀티플렉서에 공급되며, 4:1 멀티플렉서의 선택 핀은 병렬로 연결되어 총 3개의 선택 입력이 제공되는데, 이는 8:1과 동일하다.작은 멀티플렉서를 여러 개 연결하여 더 큰 멀티플렉서를 구성할 수 있는 방식은 동일하다. 예를 들어, 8입력 멀티플렉서는 2개의 4입력 멀티플렉서의 출력을 1개의 2입력 멀티플렉서의 입력에 연결하여 구성할 수 있다. 2개의 4입력 멀티플렉서의 선택 제어 입력(2개)에는 같은 신호를 연결하므로, 전체적으로 선택 제어 입력은 3개가 되어 8입력 멀티플렉서와 등가된다.
5. 2. 양방향 멀티플렉서 (Bi-directional multiplexers)
양방향 멀티플렉서는 선택 핀으로 제어되는 아날로그 스위치 또는 전송 게이트를 사용하여 구성된다.[6] 이를 통해 입력과 출력의 역할을 바꿔 양방향 멀티플렉서가 디멀티플렉서와 멀티플렉서 모두로 기능할 수 있다.[6]아날로그 회로에서는 멀티플렉서 및 셀렉터의 데이터 입출력에 방향성이 없고, 마치 와이어로 직결된 것처럼 양방향으로 신호를 주고받을 수 있는 회로가 있다. 이는 원리적으로 멀티플렉서와 셀렉터의 기능을 동시에 가지며, 아날로그 스위치 등으로 불린다.
4000 시리즈 범용 로직 IC에서 4016, 4066, 4051, 4052, 4053이 아날로그 스위치이다. 4066은 4016의 온 저항을 낮춘 개선판이며, 제조사에 따라 4016번은 다른 기능의 IC에 사용되는 경우도 있으므로 주의해야 한다.
응용 분야는 다양하며, 예를 들어 여러 대의 감시 카메라 영상 신호를 하나의 디스플레이에서 받을 때 시간을 정하여 자동으로 영상 신호를 전환하는 등의 전자 회로에 사용된다.
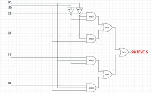
5. 3. 멀티플렉서를 이용한 프로그래머블 로직 소자 (PLD) 구현
멀티플렉서는 프로그래머블 로직 소자로 사용되어 부울 함수를 구현할 수 있다. n개의 변수와 하나의 결과를 가진 모든 부울 함수는 n개의 선택 입력이 있는 멀티플렉서로 구현할 수 있다. 변수는 선택 입력에 연결되고, 각 선택 입력의 가능한 조합에 대한 함수 결과인 0 또는 1은 해당 데이터 입력에 연결된다. 변수 중 하나(예: D)가 반전된 형태로도 사용 가능한 경우, n-1개의 선택 입력이 있는 멀티플렉서로도 충분하다. 데이터 입력은 선택 입력의 각 조합에 대한 원하는 출력에 따라 0, 1, D 또는 ~D에 연결된다.6. 관련 IC 목록
다음은 멀티플렉서 및 디멀티플렉서 기능을 제공하는 주요 IC 목록이다.
아래 표는 74 시리즈 범용 로직 IC의 디멀티플렉서이다.
| IC형식 | 기능 | 출력 상태 |
|---|---|---|
| 74139 | 4출력 DEMUX×2 | 출력은 입력을 반전 |
| 74155 | 4출력 DEMUX×2 | 양쪽 출력 |
| 74156 | 4출력 DEMUX×2 | 출력은 오픈 컬렉터 |
| 74138 | 8출력 DEMUX | 출력은 입력을 반전 |
| 74154 | 16출력 DEMUX | 출력은 입력과 같음 |
| 74159 | 16출력 DEMUX | 출력은 오픈 컬렉터이며, 입력과 같음 |
6. 1. 7400 시리즈
| IC 번호 | 기능 | 출력 상태 |
|---|---|---|
| 74x157 | 쿼드 2:1 멀티플렉서 | 입력과 동일 |
| 74x158 | 쿼드 2:1 멀티플렉서 | 입력 반전 |
| 74x153 | 듀얼 4:1 멀티플렉서 | 입력과 동일 |
| 74x352 | 듀얼 4:1 멀티플렉서 | 입력 반전 |
| 74x151A | 8:1 멀티플렉서 | 상보적인 출력 (양쪽 모두 사용 가능) |
| 74x151 | 8:1 멀티플렉서 | 입력 반전 |
| 74x150 | 16:1 멀티플렉서 | 입력 반전 |
6. 2. 4000 시리즈
4000 시리즈 범용 로직 IC에는 4016, 4066, 4051, 4052, 4053이 아날로그 스위치이다. 4066은 4016의 온 저항을 낮춘 개선판이며, 제조사에 따라 4016번은 다른 기능의 IC에 사용되는 경우도 있으므로 주의해야 한다.7. 추가 정보
- '''다중화(Multiplexing)'''는 통신에서 여러 데이터 스트림을 결합하여 하나의 다중화된 스트림으로 만드는 것이다. 정보 이론에 따르면, 원래 대역폭을 합한 대역폭이 송신 측에 필요하다. 이를 통해 여러 데이터 스트림을 하나의 링크로 전송하여 비용을 절감할 수 있다.
- '''디멀티플렉서(Demultiplexer)'''는 수신 측에서 다중화된 스트림을 원래의 여러 스트림으로 되돌리는 장치이다. 수신 측이 단순한 디멀티플렉서가 아닐 수도 있지만, 디멀티플렉서 기능은 논리적으로 항상 존재한다. 예를 들어, 라우터는 IP 네트워크 사용자들의 데이터를 결합한 신호를 받아 내부 프로세서가 디멀티플렉서 역할을 하여 개별 IP 패킷으로 분할한다.
- '''멀티플렉서'''는 멀티플렉서와 디멀티플렉서를 하나로 통합한 장치를 가리키기도 한다. 양방향 통신을 위해 두 기능이 모두 필요한 경우가 많기 때문이다.
- '''아날로그 스위치'''는 아날로그 회로에서 멀티플렉서 및 셀렉터의 데이터 입출력에 방향성이 없고, 양방향으로 신호를 주고받을 수 있는 회로이다. 원리적으로 멀티플렉서와 셀렉터 기능을 동시에 가진다. 4000 시리즈 범용 로직 IC에서 4016, 4066, 4051, 4052, 4053이 아날로그 스위치이다. (4066은 4016의 온 저항을 낮춘 개선판이다.) 여러 대의 감시 카메라 영상 신호를 하나의 디스플레이에서 받을 때 시간을 정하여 자동으로 영상 신호를 전환하는 등의 전자 회로에 사용된다.
7. 1. 관련 용어
- '''다중화'''(Multiplexing)는 통신에서 여러 데이터 스트림을 결합하여 하나의 다중화된 스트림으로 만드는 것이다. 정보 이론에 따르면, 원래 대역폭을 합한 대역폭이 송신 측에 필요하다. 이를 통해 여러 데이터 스트림을 하나의 링크로 전송하여 비용을 절감할 수 있다.
- '''디멀티플렉서'''(Demultiplexer)는 수신 측에서 다중화된 스트림을 원래의 여러 스트림으로 되돌리는 장치이다. 수신 측이 단순한 디멀티플렉서가 아닐 수도 있지만, 디멀티플렉서 기능은 논리적으로 항상 존재한다. 예를 들어, 라우터는 IP 네트워크 사용자들의 데이터를 결합한 신호를 받아 내부 프로세서가 디멀티플렉서 역할을 하여 개별 IP 패킷으로 분할한다.
- '''멀티플렉서'''는 멀티플렉서와 디멀티플렉서를 하나로 통합한 장치를 가리키기도 한다. 양방향 통신을 위해 두 기능이 모두 필요한 경우가 많기 때문이다.
- '''아날로그 스위치'''는 아날로그 회로에서 멀티플렉서 및 셀렉터의 데이터 입출력에 방향성이 없고, 양방향으로 신호를 주고받을 수 있는 회로이다. 원리적으로 멀티플렉서와 셀렉터 기능을 동시에 가진다. 4000 시리즈 범용 로직 IC에서 4016, 4066, 4051, 4052, 4053이 아날로그 스위치이다. (4066은 4016의 온 저항을 낮춘 개선판이다.) 여러 대의 감시 카메라 영상 신호를 하나의 디스플레이에서 받을 때 시간을 정하여 자동으로 영상 신호를 전환하는 등의 전자 회로에 사용된다.
7. 2. 참고 문헌
M. 모리스 마노, 찰스 R. 킴 공저, 《Logic and Computer Design Fundamentals》, 프렌티스 홀, 2008참조
[1]
서적
Network+ Guide to Networks
https://books.google[...]
Delmar
[2]
서적
Basic Electronics
https://books.google[...]
Dorling Kindersley
[3]
서적
Instrument engineers' handbook: Process software and digital networks
https://books.google[...]
CRC Press
[4]
서적
Digital Design and Computer Architecture
https://books.google[...]
Penrose
[5]
서적
Introduction to Digital Electronics
Elsevier
1998
[6]
웹사이트
Are switches & multiplexers bidirectional? {{!}} Video {{!}} TI.com
https://www.ti.com/v[...]
2023-08-03
[7]
서적
The TTL Cookbook
H.W. Sams
1974
[8]
간행물
A Reconfigurable Architecture with Sequential Logic-Based Stochastic Computing
https://dl.acm.org/d[...]
2017-06-29
[9]
간행물
Stochastic Computing Convolutional Neural Network Architecture Reinvented for Highly Efficient Artificial Intelligence Workload on Field-Programmable Gate Array
2024-03-04
[10]
서적
Network+ Guide to Networks
https://books.google[...]
Delmar
본 사이트는 AI가 위키백과와 뉴스 기사,정부 간행물,학술 논문등을 바탕으로 정보를 가공하여 제공하는 백과사전형 서비스입니다.
모든 문서는 AI에 의해 자동 생성되며, CC BY-SA 4.0 라이선스에 따라 이용할 수 있습니다.
하지만, 위키백과나 뉴스 기사 자체에 오류, 부정확한 정보, 또는 가짜 뉴스가 포함될 수 있으며, AI는 이러한 내용을 완벽하게 걸러내지 못할 수 있습니다.
따라서 제공되는 정보에 일부 오류나 편향이 있을 수 있으므로, 중요한 정보는 반드시 다른 출처를 통해 교차 검증하시기 바랍니다.
문의하기 : help@durumis.com