빈트케셀 효과
"오늘의AI위키"의 AI를 통해 더욱 풍부하고 폭넓은 지식 경험을 누리세요.
1. 개요
빈트케셀 효과는 혈관의 탄성(compliance)을 설명하는 혈역학 모델로, 18세기 소방 펌프의 공기실 유추를 통해 처음 제시되었고, 오토 프랑크에 의해 수학적으로 공식화되었다. 2요소, 3요소, 4요소 모델이 있으며, 혈관의 탄성, 말초 혈관 저항, 특성 임피던스, 혈류 관성 등을 고려한다. 빈트케셀 효과 감소는 맥압 증가를 유발하여 고혈압, 심혈관 질환 위험을 높일 수 있으며, 혈압 및 혈류 측정을 통해 혈관의 생리학적 특성을 파악하는 데 활용된다. 하지만 동맥압과 혈류 파형을 파동 전파 관점에서 해석하는 현대적 접근 방식에 의해 대체되었다.
더 읽어볼만한 페이지
- 심장학 - 혈압
혈압은 심장이 수축 및 이완할 때 혈관벽에 가해지는 압력으로, 수축기/이완기 혈압으로 표기되며, 심박출량, 혈관 저항 등에 영향을 받고, 고혈압, 저혈압은 심혈관 질환의 위험 인자로 작용한다. - 심장학 - 고지혈증
고지혈증은 혈액 내 지질 수치가 높아져 발생하는 질환으로, 콜레스테롤, 중성지방 등의 상승 유형에 따라 분류되며, 동맥경화증을 유발하여 심혈관 질환 등의 합병증을 일으킬 수 있어 생활 습관 개선과 약물 치료를 통해 관리한다. - 심장혈관생리학 - 심박수
심박수는 1분 동안 심장이 뛰는 횟수를 나타내는 지표로, 신체의 산소 요구량, 자율신경계, 호르몬 등의 영향을 받아 변하며 건강 상태를 파악하는 데 활용된다. - 심장혈관생리학 - 정맥
정맥은 폐정맥을 통해 산소가 풍부한 혈액을 심장으로 운반하고, 전신 정맥을 통해 산소가 고갈된 혈액을 심장으로 되돌리는 혈관계이며, 정맥판을 가지고 혈액 역류를 방지하고, 심장 수축, 골격근 펌프, 호흡 펌프 작용으로 심장으로 혈액을 귀환시키며, 정맥 혈전증, 문맥 고혈압, 정맥염 등의 질환이 발생할 수 있다.
| 빈트케셀 효과 | |
|---|---|
| 빈트케셀 모형 | |
| 유형 | 혈액역학 모형 |
| 사용 목적 | 동맥 시스템의 압력 및 흐름 특성 설명 |
| 구성 요소 | 저항 용량 |
| 개요 | |
| 설명 | 빈트케셀 모형은 심장이 박동하는 동안 혈액을 저장하고 이완기 동안 혈액을 방출하는 동맥의 능력을 설명하는 데 사용되는 혈액역학적 개념이다. |
| 역사 | |
| 기원 | 19세기 |
| 개발자 | 오토 프랑크 |
| 응용 분야 | |
| 적용 분야 | 혈압 연구 심혈관 질환 진단 의료 기기 설계 |
| 장점 | |
| 장점 | 개념적 단순성 계산적 효율성 |
| 한계 | |
| 한계 | 동맥 시스템의 복잡성 단순화 파동 전파 효과 무시 |
| 변형 | |
| 확장된 빈트케셀 모형 | 3요소 빈트케셀 모형 4요소 빈트케셀 모형 |
| 참고 문헌 | |
| 추가 정보 | 혈액역학 동맥 경화 심부전 |
2. 역사
빈트케셀 개념은 원래 조반니 보렐리에 의해 제시되었지만, 스티븐 헤일스에 의해 개념이 정리 및 명료화되었다. 18세기 당시 소방 펌프에 사용되던 공기실과의 유추를 사용하여 설명되었다.[20] 이후 독일 생리학자 오토 프랑크에 의해 엄밀한 수학적 기초 하에 공식화되었다.[17] 프랑크의 모델은 "2요소 빈트케셀 모델"에 해당하며, 후에 확장된 보다 복잡한 모델(3요소・4요소 빈트케셀)과는 구별될 때가 있다.[21]
3. 모델 유형



빈트케셀 모델에서 굵은 탄성 혈관의 신장성은 전기 회로와의 대비에서 캐패시터에 해당한다고 할 수 있다. 전기 회로로 모방한 모델 중 2요소, 3요소, 4요소의 등가 회로를 오른쪽 그림에 나타낸다.[22]
2요소 모델은 가장 단순한 혈역학 모델로, 동맥 순응도(compliance)와 전말초혈관 저항의 영향을 고려한다.[7]
오른쪽 그림의 등가 회로에서 동맥 순응도는 전하를 축적하는 캐패시터의 용량 ''C''에, 체순환의 말초 혈관 저항은 저항기의 저항 ''R''에 대응된다. 심장에서 박출되는 혈액량은 전류 ''I(t)''로, 대동맥의 혈압은 전위 ''P(t)''로 나타내며, 이들은 각각 시간의 함수이다.
전류(심박출량)와 전위(대동맥압)의 관계는 다음 미분 방정식으로 표현된다.[7]
:I(t) = P(t)/R + C dP(t)/dt
여기서 ''I(t)''는 펌프(심장)로 인한 부피 유입량(단위 시간당 부피), ''P(t)''는 시간에 따른 압력(면적당 힘), ''C''는 빈트케셀의 부피 대 압력의 비율, ''R''은 유출과 유체 압력을 관련시키는 저항이다. 이 모델은 전류 ''I(t)''와 2-요소 빈트케셀 모델의 전기 회로와 동일한 전기적 전위 ''P(t)'' 사이의 관계와 동일하다.
혈액 순환에서 회로의 수동 요소는 심혈관 시스템의 요소를 나타낸다. 저항기 ''R''은 전체 말초 저항을, 커패시터 ''C''는 전체 동맥 순응도를 나타낸다.[7]
이완기 동안에는 대동맥(또는 폐동맥) 판막이 닫혀 혈액 유입이 없으므로(''I(t) = 0''), 빈트케셀은 ''P(t)''에 대해 다음과 같이 풀 수 있다.
:P(t)=P(td)e-(t-td)/(RC)
여기서 ''td''는 이완기 시작 시간이고, ''P(td)''는 이완기 시작 시 혈압이다. 이 모델은 동맥 순환의 대략적인 근사치일 뿐이며, 보다 현실적인 모델은 더 많은 요소를 통합하고, 혈압 파형에 대한 더 현실적인 추정치를 제공한다.
2요소 모델을 해석적으로 풀기 위해, 심실에서 대동맥으로 유출되는 혈류를 정현파로 시뮬레이션한다. 단순화를 위해, 등용 수축 시간과 등용 이완 시간을 무시하고, 수축기 시작과 동시에 대동맥판이 열리고, 대동맥판 폐쇄와 동시에 확장기에 들어간다고 가정한다.
진폭을 ''I0'', 심 주기 시간을 ''Tc'', 수축기 시간을 ''Ts''로 나타내면, 수축기의 혈류는 다음과 같다.
:I(t) = I0 sin(π * (t mod Tc)/Ts)
여기서 mod는 mod 연산자(mod operator)이다. ''I0'' 와 1회 박출량(Stroke Volume)은 비례하며, 다음 관계를 갖는다.
:Stroke Volume = ∫0Ts I(t) dt = 2I0Ts/π
확장기에는 대동맥판 폐쇄 부전증 등이 없는 이상적인 상황을 가정하면, 박출되는 혈류는 다음과 같다.
:I(t) = 0
이러한 조건에서 2요소 모델을 해석하고, 수축기와 확장기에서의 동맥압 파형을 구할 수 있다. 수축기, 확장기 모두에서 1회 박출량과 관련된 ''I0'', 동맥 순응도 ''C'', 말초 혈관 저항 ''R''이 동맥압 파형에 영향을 미친다는 것을 알 수 있다.
3요소 빈트케셀은 대동맥(또는 폐동맥)의 특성 임피던스로 인한 혈류 저항을 시뮬레이션하기 위해 또 다른 저항 요소를 통합하여 2요소 모델을 개선한다.[5] 3요소 모델의 미분 방정식은 다음과 같다.
:(1+R1/R2)I(t)+CR1dI(t)/dt= P(t)/R2+CdP(t)/dt
여기서 ''R1''는 특성 저항(이는 특성 임피던스와 동일하다고 가정)이고,[7] ''R2''는 말초 저항을 나타낸다. 이 모델은 순환계의 허용 가능한 모델로 널리 사용된다.[5] 예를 들어, 병아리 배아[8]의 대동맥과 돼지[8]의 폐동맥의 혈압과 혈류를 평가하는 데 사용되었으며, 분리된 심장의 실험 연구를 위한 현실적인 부하를 제공하는 순환계의 물리적 모델을 구성하는 기반을 제공한다.[9]
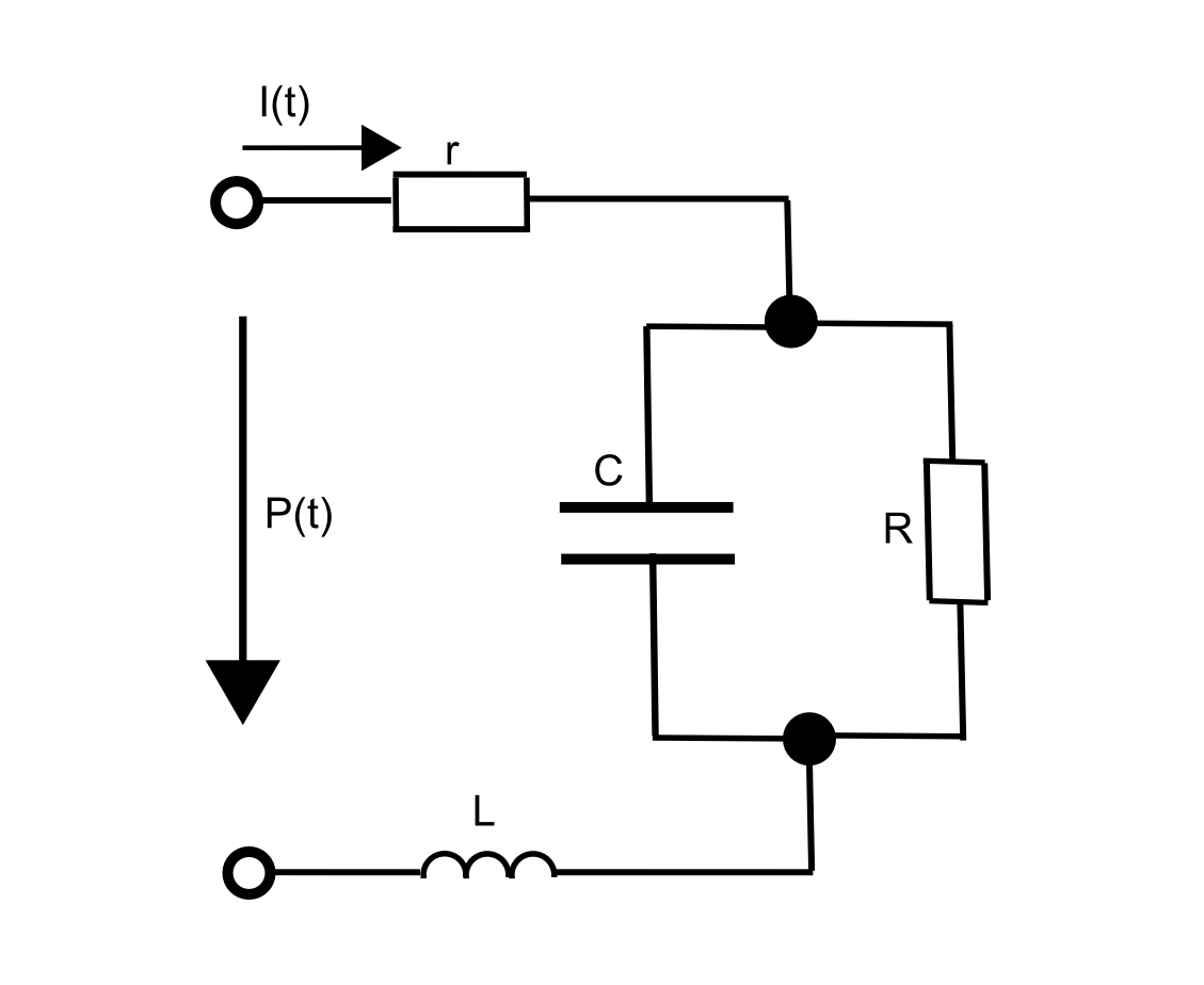
3요소 모델에서는 대동맥 기저부의 특성 임피던스를 고려한다. 대동맥판막에 의한 저항을 설명하기 위해 2요소 모델에 저항 ''r''을 추가한다. 심장에서 박출되는 혈류에 대한 저항은 대동맥판막의 개폐에 따라 변동한다. 이 모델은 다음의 미분 방정식으로 나타낸다.
:(1 + r/R)I(t) + rCdI(t)/dt = P(t)/R + CdP(t)/dt
3요소 모델은 혈액 순환의 탄성(compliance)을 과대평가하고 특성 임피던스(characteristic impedance)를 과소평가한다.[7] 4요소 모델은 인덕터 ''L''을 포함하는데, 이는 길이당 질량(M/l4)의 단위를 가지며, 회로의 근위 구성 요소에 포함되어 혈류의 관성을 설명한다. 이는 2요소 및 3요소 모델에서는 무시된다. 관련 방정식은 다음과 같다.
:(1+R1/R2)I(t)+(R1C+L/R2)dI(t)/dt+LCd2I(t)/dt2=P(t)/R2+CdP(t)/dt
4요소 모델에서는 혈류의 관성을 표현하기 위해 인덕터를 도입한다. 인덕터에서의 전위 강하는 ''L(dI(t)/dt)''로 나타낸다. 4요소 모델은 심주기에 따른 혈역학을 2요소·3요소 모델보다 더 정확하게 모델링할 수 있다.
:(1 + r/R)I(t) + (rC + L/R)dI(t)/dt + LCd2I(t)/dt2 = P(t)/R + CdP(t)/dt
3. 1. 2요소 모델
2요소 모델은 가장 단순한 혈역학 모델로, 동맥 순응도(compliance)와 전말초혈관 저항의 영향을 고려한다.[7]
오른쪽 그림의 등가 회로에서 동맥 순응도는 전하를 축적하는 캐패시터의 용량 ''C''에, 체순환의 말초 혈관 저항은 저항기의 저항 ''R''에 대응된다. 심장에서 박출되는 혈액량은 전류 ''I(t)''로, 대동맥의 혈압은 전위 ''P(t)''로 나타내며, 이들은 각각 시간의 함수이다.
전류(심박출량)와 전위(대동맥압)의 관계는 다음 미분 방정식으로 표현된다.[7]
:
여기서 ''I(t)''는 펌프(심장)로 인한 부피 유입량(단위 시간당 부피), ''P(t)''는 시간에 따른 압력(면적당 힘), ''C''는 빈트케셀의 부피 대 압력의 비율, ''R''은 유출과 유체 압력을 관련시키는 저항이다. 이 모델은 전류 ''I(t)''와 2-요소 빈트케셀 모델의 전기 회로와 동일한 전기적 전위 ''P(t)'' 사이의 관계와 동일하다.
혈액 순환에서 회로의 수동 요소는 심혈관 시스템의 요소를 나타낸다. 저항기 ''R''은 전체 말초 저항을, 커패시터 ''C''는 전체 동맥 순응도를 나타낸다.[7]
이완기 동안에는 대동맥(또는 폐동맥) 판막이 닫혀 혈액 유입이 없으므로(''I(t) = 0''), 빈트케셀은 ''P(t)''에 대해 다음과 같이 풀 수 있다.
:
여기서 ''td''는 이완기 시작 시간이고, ''P(td)''는 이완기 시작 시 혈압이다. 이 모델은 동맥 순환의 대략적인 근사치일 뿐이며, 보다 현실적인 모델은 더 많은 요소를 통합하고, 혈압 파형에 대한 더 현실적인 추정치를 제공한다.
2요소 모델을 해석적으로 풀기 위해, 심실에서 대동맥으로 유출되는 혈류를 정현파로 시뮬레이션한다. 단순화를 위해, 등용 수축 시간과 등용 이완 시간을 무시하고, 수축기 시작과 동시에 대동맥판이 열리고, 대동맥판 폐쇄와 동시에 확장기에 들어간다고 가정한다.
진폭을 ''I0'', 심 주기 시간을 ''Tc'', 수축기 시간을 ''Ts''로 나타내면, 수축기의 혈류는 다음과 같다.
:
여기서 mod는 mod 연산자(mod operator)이다. ''I0'' 와 1회 박출량(Stroke Volume)은 비례하며, 다음 관계를 갖는다.
:
확장기에는 대동맥판 폐쇄 부전증 등이 없는 이상적인 상황을 가정하면, 박출되는 혈류는 다음과 같다.
:
이러한 조건에서 2요소 모델을 해석하고, 수축기와 확장기에서의 동맥압 파형을 구할 수 있다. 수축기, 확장기 모두에서 1회 박출량과 관련된 ''I0'', 동맥 순응도 ''C'', 말초 혈관 저항 ''R''이 동맥압 파형에 영향을 미친다는 것을 알 수 있다.
3. 2. 3요소 모델
3요소 빈트케셀은 대동맥(또는 폐동맥)의 특성 임피던스로 인한 혈류 저항을 시뮬레이션하기 위해 또 다른 저항 요소를 통합하여 2요소 모델을 개선한다.[5] 3요소 모델의 미분 방정식은 다음과 같다.
여기서 ''R1''는 특성 저항(이는 특성 임피던스와 동일하다고 가정)이고,[7] ''R2''는 말초 저항을 나타낸다. 이 모델은 순환계의 허용 가능한 모델로 널리 사용된다.[5] 예를 들어, 병아리 배아[8]의 대동맥과 돼지[8]의 폐동맥의 혈압과 혈류를 평가하는 데 사용되었으며, 분리된 심장의 실험 연구를 위한 현실적인 부하를 제공하는 순환계의 물리적 모델을 구성하는 기반을 제공한다.[9]
3요소 모델에서는 대동맥 기저부의 특성 임피던스를 고려한다. 대동맥판막에 의한 저항을 설명하기 위해 2요소 모델에 저항 ''r''을 추가한다. 심장에서 박출되는 혈류에 대한 저항은 대동맥판막의 개폐에 따라 변동한다. 이 모델은 다음의 미분 방정식으로 나타낸다.
:
3. 3. 4요소 모델
3요소 모델은 혈액 순환의 탄성(compliance)을 과대평가하고 특성 임피던스(characteristic impedance)를 과소평가한다.[7] 4요소 모델은 인덕터 ''L''을 포함하는데, 이는 길이당 질량()의 단위를 가지며, 회로의 근위 구성 요소에 포함되어 혈류의 관성을 설명한다. 이는 2요소 및 3요소 모델에서는 무시된다. 관련 방정식은 다음과 같다.
:
4요소 모델에서는 혈류의 관성을 표현하기 위해 인덕터를 도입한다. 인덕터에서의 전위 강하는 ''L(dI(t)/dt)''로 나타낸다. 4요소 모델은 심주기에 따른 혈역학을 2요소·3요소 모델보다 더 정확하게 모델링할 수 있다.
:
4. 각 모델의 수식
4. 1. 2요소 모델
2요소 모델은 가장 단순한 혈역학 모델로, 동맥 순응도(compliance)와 전말초혈관 저항의 영향을 고려한다.[7] 오른쪽 그림의 등가 회로에서 동맥 순응도는 전하를 축적하는 캐패시터의 용량 ''C''에, 체순환의 말초 혈관 저항은 저항기의 저항 ''R''에 대응시킨다. 심장에서 박출되는 혈액량은 전류에 대응하고 ''I(t)''로, 대동맥의 혈압은 전위 ''P(t)''로 각각 시간의 함수로 표시된다.[7]
압력과 부피의 비율은 일정하며, 빈트케셀에서 유출되는 양은 유체 압력에 비례한다고 가정한다. 부피 유입량은 용량성 요소에 저장된 부피의 합과 저항성 요소를 통한 부피 유출량과 같아야 한다. 이 관계는 미분 방정식으로 설명된다.
:
''I(t)''는 펌프(심장)로 인한 부피 유입량이며 단위 시간당 부피로 측정되고, ''P(t)''는 시간에 따른 압력이며 면적당 힘으로 측정되고, ''C''는 빈트케셀의 부피 대 압력의 비율이며, ''R''은 유출과 유체 압력을 관련시키는 저항이다. 이 모델은 전류, ''I(t)'', 와 2-요소 빈트케셀 모델의 전기 회로와 동일한 전기적 전위, ''P(t)'' 사이의 관계와 동일하다.
혈액 순환에서 회로의 수동 요소는 심혈관 시스템의 요소를 나타내는 것으로 가정한다. 저항기, ''R''은 전체 말초 저항을 나타내고, 커패시터, ''C''는 전체 동맥 순응도를 나타낸다.[7]
이완기 동안에는 대동맥(또는 폐동맥) 판막이 닫혀 있기 때문에 혈액 유입이 없으므로 ''I(t) = 0''이므로 빈트케셀은 ''P(t)''에 대해 풀 수 있다.
:
여기서 ''td''는 이완기 시작 시간이고, ''P(td)''는 이완기 시작 시 혈압이다. 이 모델은 동맥 순환의 대략적인 근사치일 뿐이며, 보다 현실적인 모델은 더 많은 요소를 통합하고, 혈압 파형에 대한 더 현실적인 추정치를 제공한다.
2요소 모델의 해석에서, 심실에서 대동맥으로 유출되는 혈류를 정현파로 시뮬레이트한다. 단순화를 위해, 등용 수축 시간과 등용 이완 시간을 무시한다. 즉, 수축기 시작과 동시에 대동맥판의 개방이 일어나고, 대동맥판의 폐쇄와 동시에 확장기에 들어간다고 가정한다.
진폭을 ''I0'', 심 주기 시간을 ''Tc'', 수축기 시간을 ''Ts''로 나타내면, 수축기의 혈류, 1회 박출량(Stroke Volume), 확장기에 박출되는 혈류 등을 구할 수 있다.
실제로 이 모델을 해석적으로 풀면, 수축기와 확장기에서 1회 박출량과 관련된 ''I0''와 동맥 순응도 ''C'', 말초 혈관 저항을 나타내는 ''R''이 동맥압 파형에 관여한다는 것을 알 수 있다.
4. 2. 3요소 모델
3요소 빈트케셀은 대동맥(또는 폐동맥)의 특성 임피던스로 인한 혈류 저항을 시뮬레이션하기 위해 또 다른 저항 요소를 통합하여 2요소 모델을 개선한다.[5] 3요소 모델의 미분 방정식은 다음과 같다.여기서 ''R1''는 특성 저항(이는 특성 임피던스와 동일하다고 가정)이고,[7] ''R2''는 말초 저항을 나타낸다. 이 모델은 순환계의 허용 가능한 모델로 널리 사용된다.[5] 예를 들어, 병아리 배아[8]의 대동맥과 돼지[8]의 폐동맥의 혈압과 혈류를 평가하는 데 사용되었으며, 분리된 심장의 실험 연구를 위한 현실적인 부하를 제공하는 순환계의 물리적 모델을 구성하는 기반을 제공한다.[9]
3요소 모델에서는 대동맥 기저부의 특성 임피던스를 고려한다. 대동맥판막에 의한 저항을 설명하기 위해, 상술한 2요소 모델에 저항 ''r''을 추가한다. 심장에서 박출되는 혈류에 대한 저항은 대동맥판막의 개폐에 따라 변동한다. 이 모델은 다음의 미분 방정식으로 나타낸다.
:
4. 3. 4요소 모델
3요소 모델은 혈액 순환의 탄성을 과대평가하고 특성 임피던스를 과소평가한다.[7] 4요소 모델은 인덕터 ''L''을 포함하는데, 이는 길이당 질량()의 단위를 가지며, 회로의 근위 구성 요소에 포함되어 혈류의 관성을 설명한다. 이는 2요소 및 3요소 모델에서는 무시된다. 관련 방정식은 다음과 같다.
4요소 모델에서는 혈류의 관성을 표현하기 위해 인덕터를 도입한다. 인덕터에서의 전위 강하는 ''L(dI(t)/dt)''로 나타낸다. 4요소 모델은 심주기에 따른 혈역학을 2요소·3요소 모델보다 더 정확하게 모델링할 수 있다.
:
5. 노화 및 질병과의 관계
나이가 들면서 탄력 동맥이 유연성을 잃어 '빈트케셀 효과'가 감소하는데, 이는 아마도 엘라스틴의 파편화와 손실에 이차적으로 발생하는 동맥 경화라고 불린다.[10] 빈트케셀 효과의 감소는 주어진 1회 박출량에 대해 맥압을 증가시킨다. 증가된 맥압은 수축기 혈압을 상승시키고(고혈압), 이는 심근 경색, 뇌졸중, 심부전 및 다양한 다른 심혈관 질환의 위험을 증가시킨다.[11][23] 노화가 진행되면 동맥벽 경화로 인해 탄성 혈관의 컴플라이언스가 저하된다.[23]
6. 응용
빈트케셀 모델은 혈류를 저항(R), 탄성(C), 유도성(L) 매개변수를 통해 혈압과 관련시킨다. 이러한 방정식들은 MATLAB과 SIMULINK 등을 사용하여 혈류와 R, C, L 매개변수가 주어졌을 때 압력 값을 찾거나, 혈류와 압력이 주어졌을 때 R, C, L 값을 찾는 데 활용될 수 있다.[24] 2-요소 모델에서 I(t)는 수축기와 이완기 동안 입력 신호로 묘사되며, 수축기는 sin 함수로, 이완기 동안의 혈류는 0으로 나타낸다. s는 심장 주기의 지속 시간, Ts는 수축기의 지속 시간, Td는 이완기의 지속 시간을 나타낸다(예: 초).[24]
:
:
이러한 모델을 응용하여 압력 파형을 해석하고, 요소별 매개변수를 구해 혈관의 생리학적 특성을 밝히는 연구가 진행되고 있다.[24]
예를 들어, 좌우 션트를 동반하는 선천성 심장 질환에서 폐고혈압 위기를 일으킬 가능성이 있을 때, 폐혈관 상태를 평가하는 데 빈트케셀 모델이 활용될 수 있다. 폐동맥 압력 파형 해석을 통해 얻어지는 폐동맥 컴플라이언스 등의 지표가 유용하게 사용된다.[24]
2-요소 모델을 폐동맥에 응용하면, 확장기 폐동맥 압력 파형이 지수 함수적 감쇠 곡선이 된다고 가정할 수 있다. 확장기 특정 시각 ''t''1, ''t''2 (''t''1<''t''2)에서의 폐동맥 압력을 각각 ''P''1, ''P''2라고 하면, 확장기 시정수(diastolic time constant) ''T''d는 다음과 같이 계산된다.[24]
:
평균 폐동맥압을 ''mPAP'', 평균 좌심방압(또는 폐동맥 쐐기압)을 ''mLAP'', 폐 혈류량을 ''Q''p라고 하면, 폐 혈관 저항 ''R''p는 다음과 같다.[24]
:
폐동맥 카테터를 사용하여 이러한 값들을 실제로 측정하고, 폐동맥의 확장기 컴플라이언스 ''C''d를 다음과 같이 구할 수 있다.[24]
:
또한 좌심방압을 기준으로 한 수축기·확장기·평균 폐동맥압과 ''C''d로부터, 폐 혈관 상태를 나타내는 위너케셀 용적(Windkessel size)을 계산할 수 있다.[24]
:
:
:
''WS''s, ''WS''d, ''WS''m은 각각 수축기, 확장기, 평균 위너케셀 용적을 의미한다.[24]
7. 한계
빈트케셀은 단순하고 편리한 개념이지만, 동맥압과 혈류 파형을 파동 전파 및 반사의 관점에서 해석하는 보다 현대적인 접근 방식으로 대체되었다.[12] 최근 파동 전파와 빈트케셀 접근 방식을 저장소 개념을 통해 통합하려는 시도는 비판을 받았으며,[14][15] 최근 합의 문서에서는 저장소의 파동과 같은 특성을 강조했다.[16]
참조
[1]
논문
Translation of Otto Frank's paper "Die Grundform des Arteriellen Pulses" Zeitschrift für Biologie 37: 483-526 (1899)
1990-03
[2]
논문
The basic shape of the arterial pulse. First treatise: mathematical analysis. 1899
1990-03
[3]
서적
Review of Medical Physiology
The McGraw-Hill Companies, Inc.
2005
[4]
서적
Statical Essays: Haemastaticks
1733
[5]
논문
The arterial Windkessel
2009-02
[6]
논문
Identification of the three-element windkessel model incorporating a pressure-dependent compliance
1995-03
[7]
서적
Snapshots of hemodynamics : an aid for clinical research and graduate education
Springer
2010
[8]
웹사이트
Solving Windkessel Models with MLAB
http://www.civilized[...]
Civilized Software, Inc.
2018-11-14
[9]
논문
An artificial arterial system for pumping hearts
1971-11
[10]
논문
Ageing of the conduit arteries
2007-01
[11]
논문
Age-specific relevance of usual blood pressure to vascular mortality: a meta-analysis of individual data for one million adults in 61 prospective studies
2002-12
[12]
서적
McDonald's Blood Flow in Arteries: Theoretical, Experimental and Clinical Principles
Hodder Arnold Publication
2005
[13]
논문
Wave intensity analysis and the development of the reservoir-wave approach
2009-02
[14]
논문
Reservations on the reservoir
2012-04
[15]
논문
Wave Separation, Wave Intensity, the Reservoir-Wave Concept, and the Instantaneous Wave-Free Ratio: Presumptions and Principles
2015-07
[16]
논문
Towards a consensus on the understanding and analysis of the pulse waveform: Results from the 2016 Workshop on Arterial Hemodynamics: Past, present and future
2017-06
[17]
논문
Translation of Otto Frank's paper "Die Grundform des Arteriellen Pulses" Zeitschrift für Biologie 37: 483-526 (1899)
null
1990-03
[18]
논문
The basic shape of the arterial pulse. First treatise: mathematical analysis. 1899
null
1990-03
[19]
서적
Review of Medical Physiology
The McGraw-Hill Companies, Inc.
2005
[20]
서적
Statical Essays: Haemastaticks
1733
[21]
논문
The arterial Windkessel
2009-02
[22]
간행물
Model of Aortic Blood Flow Using the Windkessel Effect.
http://www.isn.ucsd.[...]
BENG 221 Mathematical Methods in Bioengineering
2012
[23]
논문
Age-specific relevance of usual blood pressure to vascular mortality: a meta-analysis of individual data for one million adults in 61 prospective studies
null
2002-12
[24]
논문
Analysis of Abnormal Pulmonary Hemodynamics of Left to Right Shunt Congenital Heart Defects Under No With the Use of Windkessel Model
2007
[25]
서적
Blood Flow in Arteries
Williams and Wilkins Company
1960
[26]
서적
McDonald's Blood Flow in Arteries: Theoretical, Experimental and Clinical Principles
Hodder Arnold Publication
2005
[27]
논문
Wave intensity analysis and the development of the reservoir-wave approach
null
2009-02
[28]
논문
Translation of Otto Frank's paper "Die Grundform des Arteriellen Pulses" Zeitschrift für Biologie 37: 483-526 (1899)
1990-03
[29]
논문
The basic shape of the arterial pulse. First treatise: mathematical analysis. 1899
1990-03
[30]
서적
Review of Medical Physiology
The McGraw-Hill Companies, Inc.
2005
[31]
서적
Statical Essays: Haemastaticks
1733
[32]
논문
The arterial Windkessel
2009-02
[33]
논문
Identification of the three-element windkessel model incorporating a pressure-dependent compliance
1995-03
본 사이트는 AI가 위키백과와 뉴스 기사,정부 간행물,학술 논문등을 바탕으로 정보를 가공하여 제공하는 백과사전형 서비스입니다.
모든 문서는 AI에 의해 자동 생성되며, CC BY-SA 4.0 라이선스에 따라 이용할 수 있습니다.
하지만, 위키백과나 뉴스 기사 자체에 오류, 부정확한 정보, 또는 가짜 뉴스가 포함될 수 있으며, AI는 이러한 내용을 완벽하게 걸러내지 못할 수 있습니다.
따라서 제공되는 정보에 일부 오류나 편향이 있을 수 있으므로, 중요한 정보는 반드시 다른 출처를 통해 교차 검증하시기 바랍니다.
문의하기 : help@durumis.com