어드미턴스
"오늘의AI위키"의 AI를 통해 더욱 풍부하고 폭넓은 지식 경험을 누리세요.
1. 개요
어드미턴스(Admittance)는 임피던스의 역수로, 교류 회로에서 전류의 흐름을 나타내는 척도이다. 임피던스가 저항과 리액턴스로 구성되는 것과 같이, 어드미턴스는 컨덕턴스(전기 전도)와 서셉턴스로 구성되며, 지멘스(Siemens) 단위를 사용한다. 어드미턴스는 RLC 병렬 회로의 분석에 활용되며, 회로 내 각 소자의 어드미턴스 값을 통해 전체 회로의 특성을 파악할 수 있다. 변압기 및 송전선로의 전기적 모델링에서도 션트 어드미턴스 개념을 활용하여 자화 전류, 철손, 선로의 커패시턴스 등을 모델링한다.
더 읽어볼만한 페이지
- 전기저항 - 절연체
절연체는 전기 전도성을 막아 전기의 흐름을 제어하고 안전을 확보하며, 밴드 이론에 따라 큰 띠틈을 가져 외부 전압이 띠틈을 넘어서면 절연 파괴가 발생하며, 유리에서 세라믹, 고분자 복합 재료 등으로 제작되어 전선, 케이블 등 다양한 분야에 사용된다. - 전기저항 - 옴의 법칙
옴의 법칙은 1827년 게오르크 옴이 발표한, 전압(V)은 전류(I)와 저항(R)의 곱(V=IR)으로 표현되는, 전압, 전류, 저항 간의 관계를 나타내는 기본 법칙이다. - 전자기학 - 전력
전력은 전압과 전류의 곱으로 계산되며, 발전소에서 생산되어 송전 및 배전을 통해 소비자에게 공급되고, 에너지 저장 기술을 통해 안정적으로 공급될 수 있으며, 산업, 상업, 가정 등 다양한 분야에서 소비된다. - 전자기학 - 절연체
절연체는 전기 전도성을 막아 전기의 흐름을 제어하고 안전을 확보하며, 밴드 이론에 따라 큰 띠틈을 가져 외부 전압이 띠틈을 넘어서면 절연 파괴가 발생하며, 유리에서 세라믹, 고분자 복합 재료 등으로 제작되어 전선, 케이블 등 다양한 분야에 사용된다.
| 어드미턴스 | |
|---|---|
| 개요 | |
| 정의 | 전기 회로에서 교류 전류의 흐름을 얼마나 쉽게 허용하는지를 나타내는 척도 |
| 기호 | Y |
| 단위 | 지멘스 (S) |
| 관계 | 어드미턴스 = 1 / 임피던스 |
| 공식 | Y = 1 / Z = G + jB |
| 상세 정보 | |
| 구성 요소 | 컨덕턴스 (G): 실수 성분, 에너지 소모와 관련됨 서셉턴스 (B): 허수 성분, 에너지 저장과 관련됨 |
| 페이저 | 교류 회로에서 전압과 전류의 관계를 나타내는 복소수 |
| 임피던스와의 관계 | 어드미턴스는 임피던스의 역수 |
| 계산 | 어드미턴스는 컨덕턴스와 서셉턴스의 합으로 계산 |
| 응용 | |
| 전력 시스템 분석 | 전력 시스템의 안정성 및 효율성 분석 |
| 통신 시스템 설계 | 통신 시스템의 신호 전달 특성 최적화 |
| 회로 설계 | 특정 주파수에서 원하는 임피던스 매칭을 달성하기 위해 사용 |
2. 임피던스와 어드미턴스
임피던스(Impedance영어, ''Z'')는 저항(''R'')과 리액턴스(''X'')로 구성된 복소수이며, 어드미턴스(Admittance영어, ''Y'')는 컨덕턴스(''G'')와 서셉턴스(''B'')로 구성된 복소수이다. 어드미턴스는 임피던스의 역수이다.
2. 1. 임피던스로부터 어드미턴스 변환
임피던스 ''Z''는 실수부와 허수부로 구성되며, 다음과 같이 표현된다.: ''Z'' = ''R'' + ''jX''
여기서
- ''R''은 저항 (옴)
- ''X''는 리액턴스 (옴)이다.
어드미턴스 ''Y''는 임피던스 ''Z''의 역수이므로 다음과 같이 계산된다.
: ''Y'' = ''Z''-1 = 1 / (''R'' + ''jX'') = (1 / (''R''2 + ''X''2))(''R'' - ''jX'')
어드미턴스는 임피던스와 마찬가지로 실수부(컨덕턴스, ''G'')와 허수부(서셉턴스, ''B'')로 구성된 복소수이며, 다음과 같다.
: ''Y'' = ''G'' + ''jB''
여기서 컨덕턴스 ''G''와 서셉턴스 ''B''는 다음과 같다.
: ''G'' = Re(''Y'') = ''R'' / (''R''2 + ''X''2)
: ''B'' = Im(''Y'') = -''X'' / (''R''2 + ''X''2)
어드미턴스의 크기와 위상은 다음과 같다.
: |''Y''| = √(''G''2 + ''B''2) = 1 / √(''R''2 + ''X''2)
: ∠''Y'' = arctan(''B'' / ''G'') = arctan(-''X'' / ''R'')
여기서
리액턴스의 부호는 어드미턴스 영역에서 반전된다. 즉, 용량성 서셉턴스는 양수이고 유도성 서셉턴스는 음수이다.
3. 어드미턴스의 구성 요소
어드미턴스는 임피던스의 역수이며, 실수부인 컨덕턴스(G)와 허수부인 서셉턴스(B)로 구성된 복소수이다. 어드미턴스는 다음과 같이 표현된다.
:
여기서 컨덕턴스(G)와 서셉턴스(B)는 다음과 같다.
:
어드미턴스의 크기와 위상은 다음과 같다.
:
여기서
리액턴스의 부호는 어드미턴스에서 반전된다. 즉, 용량성 서셉턴스는 양수이고 유도성 서셉턴스는 음수이다.
3. 1. 저항에 의한 어드미턴스
컨덕턴스 성분으로 불리며, 전기 전도를 G, 전기 전도에 의한 어드미턴스를 YG로 놓으면 다음과 같은 식이 성립한다.:''YG = G''
3. 2. 인덕턴스에 의한 어드미턴스
인덕턴스에 의한 어드미턴스는 유도성 서셉턴스 성분으로 불리며, 다음과 같이 표현된다.:
여기서
- 은 인덕턴스에 의한 어드미턴스이다.
- 는 각주파수이다.
- 은 인덕턴스이다.
3. 3. 전기 용량에 의한 어드미턴스
전기용량을 C, 전기용량에 의한 어드미턴스를 YC라고 하면 다음과 같은 식이 성립한다.:'''YC = j ω C'''
용량성 서셉턴스는 양수이다.[1]
4. RLC 병렬 회로의 어드미턴스
RLC 병렬 회로는 전기 회로에서 저항(R), 인덕터(L), 커패시터(C)가 병렬로 연결된 회로이다. RLC 병렬 회로의 어드미턴스는 각 소자의 특성과 전압, 전류의 관계를 나타내는 중요한 개념이며, 임피던스의 RLC 직렬 회로와 다음과 같은 상관관계를 갖는다.[1]
| RLC 직렬 회로 | RLC 병렬 회로 |
|---|---|
| 단위: 옴(Ω) | 단위: 지멘스(S) |
| Z: 임피던스 R: 레지스턴스(저항) X: 리액턴스 | Y: 어드미턴스 G: 컨덕턴스(전기 전도) B: 서셉턴스 |
| L: 인덕턴스, C: 캐패시턴스 | |
4. 1. RLC 병렬 회로의 총 어드미턴스
RLC 병렬 회로에서 총 어드미턴스(''Y'')는 각 요소의 어드미턴스를 합하여 구하며, 서셉턴스(B)는 다음과 같이 계산된다.[1]:''B'' = ''ωC'' − 1/(''ωL'')
RLC 병렬 회로에서 총 어드미턴스를 ''Y'', 서셉턴스 성분을 ''B'', 가해지는 전압의 복소수 표시를 ''V'', 실효값을 ''V''e, 흐르는 전류의 복소수 표시를 ''I'', 실효값을 ''I''e라고 하면 다음과 같은 식이 성립한다.[1]
:''Y'' = ''G'' + 1 /(''jωL'') + ''jωC'' = ''G'' + ''jB''
:''I'' = ''VY''
:''I''e = |''I''| = ''V''e|''Y''|
:
또한 전류와 전압의 위상차 ''φ''는 다음 식으로 나타낸다.[1]
:
임피던스의 RLC 직렬 회로와 RLC 병렬 회로는 다음 표와 같은 상관 관계를 갖는다.
| RLC 직렬 회로 | RLC 병렬 회로 |
|---|---|
| 단위:[Ω](옴) | 단위:[S](지멘스) |
| Z: 임피던스 R: 레지스턴스(저항) X: 리액턴스 | Y: 어드미턴스 G: 컨덕턴스(전기 전도) B: 서셉턴스 |
| L: 인덕턴스, C: 캐패시턴스 | |
4. 2. RLC 병렬 회로의 전류와 전압
RLC 병렬회로에서 총 어드미턴스를 ''Y'', 서셉턴스 성분을 ''B'', 가해주는 전압의 복소수 표시를 ''V'', 실효값을 ''V''e, 흐르는 전류의 복소수 표시를 ''I'', 실효치를 ''I''e라고 하면 다음과 같은 식이 성립한다.:''Y'' = ''G'' + 1 /(''jωL'') + ''jωC'' = ''G'' + ''jB''
:''B'' = ''ωC'' - 1/(''ωL'')
:''I'' = ''VY''
:''I''e = |''I''| = ''V''e|''Y''|
:
또한 전류와 전압의 위상차는 다음과 같은 식으로 나타낸다.
:
4. 3. 전류와 전압의 위상차
전류와 전압의 위상차()는 다음 식으로 나타낸다.[1]:
여기서 B는 서셉턴스, G는 컨덕턴스이다.
임피던스의 RLC 직렬 회로와 RLC 병렬 회로는 다음 표와 같은 상관 관계를 갖는다.
| RLC 직렬 회로 | RLC 병렬 회로 |
|---|---|
| 단위: 옴(Ω) | 단위: 지멘스(S) |
| Z: 임피던스 R: 레지스턴스(저항) X: 리액턴스 | Y: 어드미턴스 G: 컨덕턴스(전기 전도) B: 서셉턴스 |
| L: 인덕턴스, C: 캐패시턴스 | |
5. 전력 시스템 모델링에서의 션트 어드미턴스
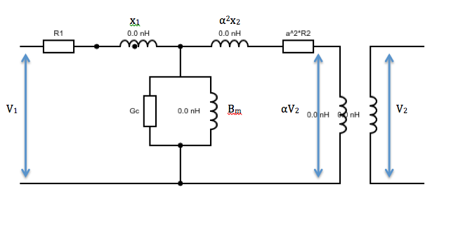
변압기 및 송전선로의 전기적 모델링에서, 가장 낮은 저항 경로를 제공하는 션트(병렬) 구성 요소는 일반적으로 어드미턴스로 지정된다. 대부분의 변압기 모델 각 측면에는 자화 전류 및 철손을 모델링하는 션트 구성 요소가 포함되어 있으며, 이에 대한 간략한 내용은 변압기 모델링에서 다룬다. 송전선로의 경우, 선로의 커패시턴스가 전압 레벨에 영향을 미칠 수 있는데, 이에 대한 자세한 내용은 송전선로 모델링에서 확인할 수 있다.[3]
5. 1. 변압기 모델링
변압기 모델에서 자화 전류 및 철손을 모델링하기 위해 션트 어드미턴스가 사용된다. 이러한 션트 구성 요소는 1차 또는 2차 측면을 참조할 수 있다. 단순화된 변압기 분석을 위해 션트 요소의 어드미턴스는 무시할 수 있다.[3] 션트 구성 요소가 시스템 작동에 무시할 수 없는 영향을 미칠 때는 션트 어드미턴스를 고려해야 한다.
션트 어드미턴스의 실수 및 허수 성분인 컨덕턴스 및 서셉턴스는 각각 '''G'''c 및 '''B'''로 표시된다.[3]
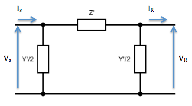
5. 2. 송전선로 모델링
송전선로는 수백 킬로미터에 걸쳐 뻗어 있을 수 있으며, 그 위에서 선로의 커패시턴스가 전압 레벨에 영향을 미칠 수 있다. 80km 미만의 선로에 적용되는 단거리 송전선로 분석의 경우, 이 커패시턴스를 무시할 수 있으며 모델에서 션트 구성 요소가 필요하지 않다. 80km에서 250km 사이의 선로, 일반적으로 중간 선로 범주로 간주되는 선로는 션트 어드미턴스를 포함한다.[4][5]:
여기서
- ''Y''는 총 션트 어드미턴스이다.
- ''y''는 단위 길이당 션트 어드미턴스이다.
- ''l''은 송전선로의 길이이다.
- ''C''는 선로의 커패시턴스이다.

6. 직렬 회로와 병렬 회로의 비교
R, L, C 병렬 회로에서 종합 어드미턴스를 ''Y'', 서셉턴스 성분을 ''B'', 가해지는 전압의 복소수 표시를 ''V'', 실효값을 ''V''e, 흐르는 전류의 복소수 표시를 ''I'', 실효값을 ''I''e라고 하면 다음과 같다.
:''Y'' = ''G'' + 1 /(''jωL'') + ''jωC'' = ''G'' + ''jB'',
:''B'' = ''ωC'' − 1/(''ωL''),
:''I'' = ''VY'',
:''I''e = ''V''e,
:
또한, 전류에 대한 전압의 위상차 ''φ''는 다음 식으로 나타낸다.
:
임피던스의 RLC 직렬 회로와 RLC 병렬 회로의 상관관계는 다음 표와 같다.
| RLC 직렬 회로 | RLC 병렬 회로 |
|---|---|
| 단위:[Ω](옴) | 단위:[S](지멘스) |
| Z: 임피던스 R: 레지스턴스(저항) X: 리액턴스 | Y: 어드미턴스 G: 컨덕턴스(전기 전도) B: 서셉턴스 |
| L: 인덕턴스, C: 캐패시턴스 | |
참조
[1]
논문
Immittance matching for multidimensional open-system photonic crystals
[2]
서적
Steinmetz: Engineer and Socialist
Johns Hopkins University Press
[3]
서적
Power System Analysis
McGraw-Hill
[4]
서적
Power System Analysis and Design, Fifth Edition
Cengage Learning
[5]
웹사이트
Equivalent- π Representation of a Long Line
http://nptel.ac.in/c[...]
2018-04-30
본 사이트는 AI가 위키백과와 뉴스 기사,정부 간행물,학술 논문등을 바탕으로 정보를 가공하여 제공하는 백과사전형 서비스입니다.
모든 문서는 AI에 의해 자동 생성되며, CC BY-SA 4.0 라이선스에 따라 이용할 수 있습니다.
하지만, 위키백과나 뉴스 기사 자체에 오류, 부정확한 정보, 또는 가짜 뉴스가 포함될 수 있으며, AI는 이러한 내용을 완벽하게 걸러내지 못할 수 있습니다.
따라서 제공되는 정보에 일부 오류나 편향이 있을 수 있으므로, 중요한 정보는 반드시 다른 출처를 통해 교차 검증하시기 바랍니다.
문의하기 : help@durumis.com