맨위로가기

나노봇

"오늘의AI위키"는 AI 기술로 일관성 있고 체계적인 최신 지식을 제공하는 혁신 플랫폼입니다.
"오늘의AI위키"의 AI를 통해 더욱 풍부하고 폭넓은 지식 경험을 누리세요.

1. 개요

나노봇은 나노미터 크기의 구성 요소로 만들어진 기계 또는 로봇을 의미하며, 나노 기술 공학 분야에서 연구되고 있다. 나노로봇 공학은 나노봇을 설계하고 구축하는 기술로, 나노 크기의 장치를 사용하여 거시적인 작업을 수행하기 위해 많은 수의 나노봇이 함께 작동해야 한다. 나노봇의 개발은 윤리적, 법적 문제와 기술 경쟁을 야기하며, 바이오칩, 핵산 로봇, 3D 프린팅 등 다양한 제조 방법이 연구되고 있다. 나노봇은 나노의학 분야에서 암 진단 및 치료, 약물 전달, 생체 계측, 수술 등에 활용될 수 있으며, 대중문화에서도 다양한 형태로 등장한다.

더 읽어볼만한 페이지

  • 나노기술 - 나노 기술
    나노 기술은 분자 수준에서 물질을 다루는 과학 및 공학 기술로, 다양한 접근 방식을 통해 여러 분야에 응용되며 독특한 특성을 나타내지만, 독성, 환경 문제 등 윤리적 고려 사항이 존재한다.
  • 나노기술 - 그레이 구
    그레이 구는 분자 나노기술의 자기 복제 기계가 통제 불능 상태로 증식하여 지구를 파괴할 수 있다는 가설이며, 기술 윤리, 특히 나노기술의 잠재적 위험성을 논의하는 데 중요한 개념으로 활용된다.
나노봇
개요
나노로봇 컨셉 이미지
상상 속 나노로봇의 모습
정의나노미터 크기의 로봇
응용 분야나노 의학
산업
군사
나노로봇의 개념
특징크기가 1~100 나노미터 수준
특정 작업을 수행하도록 설계됨
개별 작업 또는 집단 작업 가능
역사개념은 1959년 리처드 파인만의 강연에서 처음 제시됨
1986년 에릭 드렉슬러의 "창조 엔진"에서 구체화됨
현재는 다양한 분야에서 연구 및 개발 진행 중
나노로봇의 유형
분류 기준구조
전원 공급 방식
제어 메커니즘
예시스위밍 나노봇 (화학 반응, 자기력으로 구동)
DNA 나노로봇 (DNA 구조 기반)
박테리아 기반 나노로봇 (박테리아 활용)
나노로봇의 응용 분야
나노 의학약물 전달
질병 진단
수술
유전자 치료
산업재료 과학
전자 공학
환경 공학
군사감시
무기
나노로봇의 과제 및 윤리적 고려 사항
기술적 과제전원 공급
제어
생체 적합성
대량 생산
윤리적 고려 사항잠재적 위험 (자기 복제, 의도치 않은 결과)
규제 필요성
참고 문헌
학술 자료Vaughn JR, "Over the Horizon: Potential Impact of Emerging Trends in Information and Communication Technology on Disability Policy and Practice"
Ghosh, A., Fischer, P., "Controlled Propulsion of Artificial Magnetic Nanostructured Propellers"
Sierra, D. P., Weir, N. A., Jones, J. F., "A review of research in the field of nanorobotics"
Tarakanov, A. O., Goncharova, L. B., Tarakanov Y. A., "Carbon nanotubes towards medicinal biochips"
Ignatyev, M. B., "Necessary and sufficient conditions of nanorobot synthesis"
Cerofolini, G., Amato, P., Asserini, M., Mauri, G., "A Surveillance System for Early-Stage Diagnosis of Endogenous Diseases by Swarms of Nanobots"
Yarin, A. L., "Nanofibers, nanofluidics, nanoparticles and nanobots for drug and protein delivery systems"
Wang, J., "Can Man-Made Nanomachines Compete with Nature Biomotors?"
Amrute-Nayak, M., et al., "Targeted Optimization of a Protein Nanomachine for Operation in Biohybrid Devices"
Patel, G. M., et al., "Nanorobot: A versatile tool in nanomedicine"
Balasubramanian, S., et al., "Micromachine-Enabled Capture and Isolation of Cancer Cells in Complex Media"
추가 정보
관련 분야나노기술
나노의학
분자 기계

2. 나노로봇 기술

나노로봇은 나노미터(10-9 미터) 규모의 구성 요소를 가진 기계 또는 로봇을 만드는 새로운 기술 분야이다.[103][104][105] 더 구체적으로, 나노 로봇 공학은 0.1~10마이크로미터 크기의 장치를 사용하여 나노 로봇을 설계하고 구축하는 나노 기술 공학 분야이며, 분자 구성 요소로 구성된다.[106][107] 나노봇, 나노이드, 나노나이트, 나노머신, 나노마이트라는 용어도 현재 연구 개발 중인 이러한 장치를 설명하는 데 사용된다.[108][109]

3. 나노로봇 공학 이론

리처드 파인만은 1959년 강연 "아래에는 풍부한 공간이 있다"에서 분자 기계의 가능성을 제시했으며, 그의 대학원생 앨버트 힉스는 분자 기계의 의학적 활용 아이디어를 제안했다.[12] 나노로봇은 크기가 매우 작기 때문에, 거시적인 작업을 수행하기 위해서는 수많은 나노로봇이 협력해야 한다. 그레이 구 시나리오와 같이 나노로봇이 통제 불능 상태로 자가 복제될 수 있다는 우려가 있지만, 현재 분자 제조 기술 개발 계획에는 자유 복제 기능이 포함되어 있지 않다.[13][14] 로버트 프레이타스는 나노의학의 관점에서 나노로봇의 설계, 센싱, 통신, 조작, 계산 등 다양한 이론적 논의를 제시했다.[15][16]

4. 법적, 윤리적 문제

오픈 디자인을 활용한 나노 바이오 기술 개발 제안서가 국제 연합 총회에 제출되었다.[17] 이와 같이 나노로봇 개발이 가속화되면서, 기술 경쟁에 따른 윤리적, 법적 문제 또한 제기되고 있다. 특히, 특허 출원과 독점 문제 등이 발생하고 있다.[33][34][35]

4. 1. 오픈 테크놀로지

오픈 디자인 기술 방식을 활용한 나노 바이오 기술 개발 제안서가 국제 연합 총회(UN 총회)에 전달되었다.[17] 이 문서는 오픈 소스컴퓨터 시스템 개발을 가속화한 것처럼, 나노로봇 공학 개발에도 유사한 접근 방식을 취하여 사회 전체에 이익을 가져다줄 것을 제안한다. 나노 바이오 기술은 미래 세대를 위한 인류 유산으로 확립되어야 하며, 윤리적 실천을 바탕으로 평화로운 목적을 위한 오픈 기술로 개발되어야 한다고 명시하고 있다. 오픈 기술은 이러한 목표 달성을 위한 핵심적인 수단으로 강조된다.

4. 2. 나노로봇 경쟁

기술 연구 및 개발이 우주 경쟁과 핵무기 경쟁을 이끌었던 것처럼, 나노로봇을 위한 경쟁이 벌어지고 있다.[18][19][20][21][22] 나노로봇이 신기술에 포함될 수 있는 충분한 근거가 있다.[23] 제너럴 일렉트릭, 휴렛 팩커드, 시놉시스, 노스롭 그러먼, 지멘스와 같은 대기업들이 최근 나노로봇 개발 및 연구에 참여하고 있으며,[24][25][26][27][28] 외과의사들도 나노로봇을 일반적인 의료 절차에 적용하는 방법을 제안하고 있다.[29] 대학 및 연구소는 의학용 나노 장치 개발 연구에 20억달러가 넘는 정부 기금을 지원받았고,[30][31] 은행들도 미래 나노로봇 상용화에 대한 권리와 로열티를 미리 확보하기 위해 전략적으로 투자하고 있다.[32] 나노로봇 소송 및 독점과 관련된 일부 문제가 이미 발생했다.[33][34][35] 최근 나노로봇에 대한 다수의 특허가 주로 특허 대리인, 특허 포트폴리오 구축을 전문으로 하는 회사 및 변호사에 의해 부여되었다. 라디오 발명 또는 전류 전쟁과 같이, 신기술 분야는 대기업 중심의 독점 현상이 나타나는 경향이 있다.[36]

5. 제조 방법

나노봇 제조는 분자 구성 요소를 조립하는 매우 어려운 과제이다. 많은 엔지니어와 과학자들이 여러 분야의 접근 방식을 통해 협력하며 획기적인 발전을 이루기 위해 노력하고 있다.


  • '''DNA 기계''': 핵산 로봇(nubot)은 나노 규모의 유기 분자 기계이다.[43] DNA 구조는 2차원 및 3차원 나노 기계 장치를 조립하는 수단을 제공한다. DNA 기반 기계는 작은 분자, 단백질 및 기타 DNA 분자를 사용하여 활성화할 수 있다.[44][45][46] DNA 물질을 기반으로 하는 생물학적 회로 게이트는 표적 건강 문제를 위한 시험관 내 약물 전달을 허용하는 분자 기계로 설계되었다.[47] 이러한 물질 기반 시스템은 스마트 생체 재료 약물 시스템 전달에 가장 가깝게 작동하지만, 이러한 엔지니어링된 프로토타입의 정밀한 생체 내 원격 조작은 허용하지 않는다.[48]

5. 1. 바이오칩

나노전자공학, 광 리소그래피, 새로운 생체 재료의 결합은 수술 기구, 진단 및 약물 전달과 같은 일반적인 의료 용도로 나노로봇을 제조하는 데 사용될 수 있다.[37][38][39] 이러한 나노기술 규모의 제조 방법은 2008년부터 전자 산업에서 사용되고 있다.[40] 따라서 실용적인 나노로봇은 원격 조작과 의료 기기 기능을 위해 나노전자 장치와 통합되어야 한다.[41][42]

5. 2. 표면 부착 시스템

합성 분자 모터를 거시적 물질 표면에 부착하는 연구 결과가 여러 건 보고되었다.[49][50] 이러한 초보적인 나노 기계는 거시적 물질 표면에 고정되었을 때 기계와 같은 움직임을 보이는 것으로 나타났다. 표면에 고정된 모터는 컨베이어 벨트처럼 표면에서 나노 크기의 물질을 이동시키고 배치하는 데 사용될 수 있다.

5. 3. 위치 나노조립

로버트 프레이타스와 랄프 머클이 2000년에 설립한 나노팩토리 협업[51]은 4개국 10개 기관의 23명 연구원이 참여하는 연구 협력체이다. 이들은 위치 제어된 다이아몬드 기계적 합성 및 다이아몬드이드 의료 나노로봇을 제작할 수 있는 다이아몬드이드 나노팩토리 개발을 위한 실용적인 연구 과제를 개발하는 데 주력하고 있다.

5. 4. 바이오하이브리드

바이오하이브리드 시스템은 생물학적 요소와 합성 구조 요소를 결합하여 생의학 또는 로봇 공학에 응용하는 분야이다. 생체-나노전기기계 시스템(BioNEMS)을 구성하는 요소는 DNA, 단백질 또는 나노 구조 기계 부품과 같이 나노 규모이다. 티올-엔(Thiol-ene) 전자빔 레지스트는 나노 규모의 특징을 직접 작성할 수 있으며, 그 후 반응성이 있는 레지스트 표면에 생체 분자를 기능화할 수 있다.[53] 다른 접근 방식으로는 자기 입자에 부착된 생분해성 물질을 사용하여 신체 주변을 안내할 수 있다.[54]

5. 5. 박테리아 기반

이 방식은 대장균[55] 및 살모넬라 타이피뮤리움[56]과 같은 생물학적 미생물의 편모를 추진력으로 사용하는 것을 제안한다. 전자기장은 일반적으로 이러한 생물학적 통합 장치의 운동을 제어하는 데 사용된다.[57] 네브래스카 대학교의 화학자들은 세균을 실리콘 컴퓨터 칩에 융합하여 습도계를 만들었다.[58]

5. 6. 바이러스 기반

레트로바이러스는 세포에 부착하여 DNA를 대체하도록 재훈련될 수 있다. 이들은 역전사라는 과정을 거쳐 벡터 내에 유전자 패키징을 전달한다.[59] 일반적으로 이러한 장치는 바이러스의 캡시드 및 전달 시스템을 위한 Pol – Gag 유전자이다. 이 과정을 레트로바이러스 유전자 치료라고 하며, 바이러스성 벡터를 사용하여 세포 DNA를 재설계하는 능력을 가지고 있다.[60] 이 접근 방식은 레트로바이러스, 아데노바이러스렌티바이러스 유전자 전달 시스템의 형태로 나타났다.[61][62] 이러한 유전자 치료 벡터는 고양이에 사용되어 유전자를 유전자 변형 생물체 (GMO)로 보내 해당 형질을 나타내도록 했다.[63]

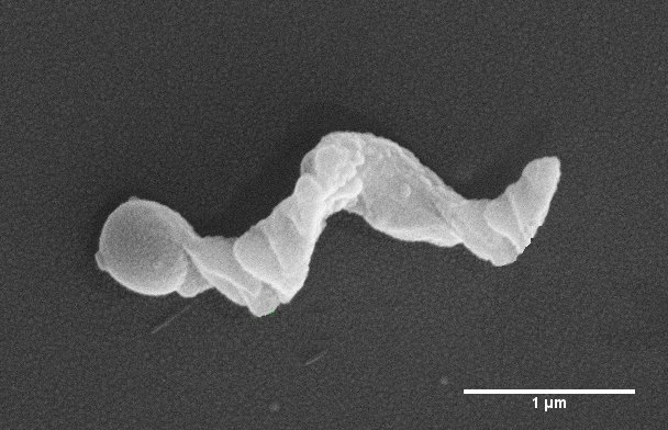
5. 7. 자기 나선형 나노로봇

연구를 통해 회전하는 자기장을 사용하여 조작할 수 있는 자기 물질로 코팅된 나선형 실리카 입자가 개발되었다.[64] 이러한 나노로봇은 추진력을 얻기 위해 화학 반응에 의존하지 않는다. 삼축 헬름홀츠 코일은 공간에서 지향성 회전장을 제공하여 나노로봇을 제어할 수 있다.

나선형 나노모터의 주사 전자 현미경 이미지


이러한 나노모터는 비뉴턴 유체의 점도를 측정하는 데 사용될 수 있으며,[65] 세포 내부와 세포외 환경의 점도 맵을 생성할 수 있다. 또한, 혈액 내에서 이동하는 것이 시연되었으며,[66] 암세포 내부에서 제어하여 움직이게 함으로써 세포 내부의 패턴을 추적할 수 있었다.[65] 종양 미세 환경을 통과하는 나노로봇은 암에서 분비된 세포외 기질에서 시알산을 검출했다.[67]

자기 나선형 나노로봇은 최소 두 가지 구성 요소, 즉 나선형 몸체와 자기 물질로 구성된다. 나선형 몸체는 나노로봇 구조를 제공하고, 자기 물질은 외부에서 가해지는 회전 자기장에 따라 구조가 회전하도록 한다. 자기 나선형 나노로봇은 자기 구동 방식뿐만 아니라 나선형 추진 방식도 활용한다.

자기 나선형 나노로봇은 회전 운동을 낮은 레이놀즈 수 환경의 유체 내에서 병진 운동으로 변환한다. 이 나노로봇은 나선형 파동으로 회전하는 편모, 섬모, 그리고 에스케리키아 콜라이(E. coli)와 같은 자연 발생 미생물에서 영감을 받았다.[68]

무선 방식으로 나선형 수영 로봇을 조작하는 한 가지 방법은 외부에서 가해지는 기울기 회전 자기장을 이용하는 것이다. 이는 헬름홀츠 코일을 통해 수행할 수 있으며, 나선형 수영 로봇은 회전 자기장에 의해 작동된다. 외부 자기장 내의 모든 자화된 물체는 힘과 토크를 받게 된다. 나선형 수영 로봇은 자기 헤드가 받는 자기장과 이에 작용하는 힘에 의해 회전할 수 있다. 전체 구조가 자기장을 느끼면, 몸체의 나선형 모양이 이러한 회전 운동을 추진력으로 변환한다. 자기력(\boldsymbol{F})은 자화된 물체에 가해지는 자기장의 기울기(∇B)에 비례하며, 물체를 국소적인 극대점으로 이동시킨다. 또한 자기 토크(\boldsymbol{\tau})는 자기장(B)에 비례하며, 물체의 내부 자화(M)를 자기장과 정렬시킨다. 이러한 상호 작용을 나타내는 방정식은 다음과 같으며, 여기서 V는 자화된 물체의 부피이다.[69]

:\boldsymbol{F} = V \cdot (\boldsymbol{M} \cdot \nabla \boldsymbol{B}) (방정식 1)

:\boldsymbol{\tau} = V \cdot (\boldsymbol{M} \boldsymbol{\times} \boldsymbol{B}) (방정식 2)

방정식 1은 자기 재료의 부피를 증가시키면 재료가 받는 힘도 비례적으로 증가한다는 것을 나타낸다. 부피가 두 배가 되면, 자화(M)와 자기장의 기울기(∇B)가 일정하다고 가정할 때, 힘도 두 배가 된다. 이는 부피에 비례하기 때문에 자기 재료의 토크에도 동일하게 적용된다.

회전 자기장을 사용하기 위해, 영구 자석을 나선형 수영 로봇의 머리에 심을 수 있는데, 이때 자화 방향은 수영 로봇의 몸체와 수직을 이룬다. 회전 자기장이 가해지면 수영 로봇의 머리는 자기 토크를 경험하며 회전을 일으킨다. 나선형 모양은 이러한 회전 운동을 추진력으로 변환한다. 수영 로봇의 머리가 회전함에 따라, 나선형 꼬리는 주변 유체에 대한 힘을 생성하여 앞으로 나아가게 한다.[70]

나노봇의 작은 크기와 추진력을 제공하는 나선형 모양으로 인해, 나선형 수영자는 표적 약물 전달 및 표적 세포 전달과 같은 일부 생의학 응용 분야에 사용될 수 있다. 2018년에는 흔한 항암제인 독소루비신(DOX)이 탑재된 생체 적합성이 높고 생분해성인 키토산 기반의 나선형 마이크로/나노 수영자가 제안되었으며, 이는 원하는 위치에 페이로드를 전달하도록 설계되었다. 강도의 자외선(UV)을 조사하여 수영자가 표적 위치에 접근했을 때 총 DOX의 60%가 5분 이내에 방출되었다.[72] 다른 연구팀의 스피루리나 기반 나선형 마이크로/나노 수영자는 DOX를 운반하며, 조절된 약물 방출을 위한 다른 방법을 사용했다. 수영자가 목적지에 도달하면 근적외선(NIR) 레이저 조사를 사용하여 해당 위치를 가열하여 수영자를 개별 입자로 용해시켜 그 과정에서 약물을 방출했다. 여러 테스트를 통해 약한 산성 외부 환경이 투약 방출 속도를 증가시키는 것으로 밝혀졌다.[73]

세포 수송을 위해 자기 나선형 마이크로/나노로봇을 사용하는 것은 남성 불임 문제를 해결하고, 손상된 조직을 복구하며, 세포 조립에 기회를 제공할 수도 있다. 2015년에는 머리에 홀딩 링이 있는 나선형 마이크로/나노모터를 사용하여 운동 장애가 있는 정자를 성공적으로 포획하고 수송했다.[74]

5. 8. 3D 프린팅

3차원 인쇄(3D 프린팅)는 여러 층을 쌓아 올려 3차원 구조물을 만드는 기술이다. 나노 크기의 3D 프린팅은 훨씬 작은 규모에서 같은 공정을 활용한다. 5-400μm 크기의 구조물을 인쇄하려면 3D 프린팅 장비의 정밀도를 크게 향상시켜야 한다. 3D 프린팅과 레이저 에칭 판을 결합한 두 단계 공정이 이러한 개선 기술로 사용된다.[75] 나노 크기에서 더욱 정밀하게 만들기 위해 3D 프린팅 공정은 레이저 에칭 기계를 사용한다. 이 기계는 나노로봇의 각 부분에 필요한 세부 사항을 각 판에 새긴다. 그 후 판을 3D 프린터로 옮겨 에칭된 부분을 원하는 나노입자로 채운다. 이 공정은 나노로봇이 아래에서 위로 만들어질 때까지 반복된다.

이러한 3D 프린팅 공정에는 여러 장점이 있다. 첫째, 인쇄 공정의 전반적인 정확도를 높인다. 둘째, 나노로봇의 기능적인 부분을 만들 수 있다.[75] 3D 프린터는 액체 수지를 사용하며, 이는 집중된 레이저 빔에 의해 정밀한 지점에서 굳어진다. 레이저 빔의 초점은 움직이는 거울을 통해 수지를 통과하며, 폭이 수백 나노미터에 불과한 굳어진 고체 폴리머 선을 남긴다. 이러한 미세한 해상도는 모래알처럼 작은 복잡한 구조물을 만들 수 있게 한다. 이 공정은 빛에 반응하는 수지를 사용하여 매우 작은 규모에서 레이저로 굳혀 구조물을 만든다. 이 공정은 나노 크기 3D 프린팅 기준으로 속도가 빠르다. 다중 광자 광중합에 사용되는 3D 마이크로 제조 기술을 이용하면 매우 작은 기능을 만들 수 있다. 이 방법은 초점이 맞춰진 레이저를 사용하여 젤 블록에 원하는 3차원 물체를 그린다. 빛을 쬐었을 때 나타나는 비선형적인 특성 때문에, 젤은 레이저가 초점을 맞춘 부분에서만 고체로 굳어지고, 나머지 젤은 씻겨 나간다. 100nm 미만의 특징 크기뿐만 아니라 움직이고 서로 맞물리는 부품을 가진 복잡한 구조를 쉽게 만들 수 있다.[76]

6. 나노로봇 설계의 과제

나노 크기의 기계, 특히 가동 부품을 가진 기계를 설계하고 제작할 때 해결해야 할 여러 가지 과제와 문제점이 있다. 가장 명백한 과제는 작동 가능한 장치로 고정밀도로 개별 나노 구조를 조립할 수 있는 매우 정밀한 도구와 조작 기술을 개발해야 한다는 것이다. 덜 명확한 과제는 나노 규모에서의 점착력과 마찰의 특성과 관련이 있다. 가동 부품이 있는 기존의 거시적 장치 설계를 단순히 나노 규모로 축소하는 것은 불가능하다. 이러한 접근 방식은 나노 구조의 높은 표면 에너지로 인해 작동하지 않을 것이다. 즉, 모든 접촉 부품이 에너지 최소화 원리에 따라 함께 달라붙게 된다는 의미이다. 부품 간의 점착력과 정적 마찰은 재료의 강도를 쉽게 초과할 수 있으므로, 부품이 서로 상대적으로 움직이기 시작하기 전에 파손될 것이다. 이는 접촉 면적을 최소화하여 움직이는 구조를 설계해야 한다는 필요성으로 이어진다.[77]

7. 잠재적 응용

나노로봇공학은 의학 분야에서 의 조기 진단 및 표적 약물 전달, 생체 의학 계측, 수술, 약동학, 당뇨병 모니터링 등에 잠재적으로 사용될 수 있다.[80][81][82] 미래에는 세포 수준에서 작동하는 나노로봇이 환자에게 주입될 것으로 예상된다.

나노기술은 제약 약물 전달을 최적화하는 맞춤형 수단을 개발하기 위한 새로운 기술을 제공한다. 하버드 대학교매사추세츠 공과대학교(MIT) 연구원들은 특수 RNA 가닥을 나노입자에 부착하고 화학요법 약물을 채워 암세포에 효과적으로 전달하는 방법을 연구했다.[89] 이는 암 환자 치료에 큰 잠재력을 가진다.[90][91]

나노로봇은 백혈구와 함께 조직 세포 복구를 돕거나, 전자기장으로 원격 제어되어 생물학적 세포와 상호작용하며 치료에 사용될 수 있다.[94][97][98][99][67][100] 자기 나노로봇은 항생제 내성 박테리아 예방 및 치료 능력을 입증했다.[101][102]

7. 1. 나노의학

의학에서 나노로봇공학의 잠재적 사용에는 의 조기 진단과 표적 약물 전달,[80][81][82] 생체 의학 계측,[83] 수술,[84][85] 약동학,[10] 당뇨병 모니터링,[86][87][88] 및 의료 서비스가 포함된다.

미래의 의료 나노기술은 세포 수준에서 작업을 수행하기 위해 환자에게 주입되는 나노로봇을 사용할 것으로 예상된다. 의학에 사용될 나노로봇은 복제하지 않아야 하는데, 이는 불필요하게 장치의 복잡성을 증가시키고, 신뢰성을 감소시키며, 의료 임무를 방해하기 때문이다.

나노기술은 제약 약물의 전달을 최적화하기 위한 맞춤형 수단을 개발하기 위한 광범위한 새로운 기술을 제공한다. 오늘날, 화학요법과 같은 치료법의 유해한 부작용은 종종 의도한 표적 세포를 정확하게 지적하지 못하는 약물 전달 방법의 결과이다.[90] 하버드 대학교매사추세츠 공과대학교(MIT)의 연구원들은 직경이 거의 10nm인 특수 RNA 가닥을 나노입자에 부착하여 화학요법 약물로 채울 수 있었다. 이 RNA 가닥은 암세포에 끌린다. 나노입자가 암세포를 만나면 부착되어 암세포에 약물을 방출한다.[89] 이러한 지향적 약물 전달 방법은 잘못된 약물 전달과 관련된 부정적인 영향을 피하면서 암 환자를 치료할 수 있는 큰 잠재력을 가지고 있다.[90][91] 2014년 캘리포니아 대학교 샌디에이고에서 살아있는 유기체에서 작동하는 나노모터의 첫 번째 시연이 수행되었다.[92] MRI 유도 나노캡슐은 나노로봇의 잠재적 전구체 중 하나이다.[93]

나노로봇의 또 다른 유용한 응용 분야는 백혈구와 함께 조직 세포의 복구를 돕는 것이다.[94] 호중구, 림프구, 단핵구, 비만 세포를 포함하는 염증 세포 또는 백혈구를 영향을 받은 부위로 모집하는 것은 조직 부상에 대한 첫 번째 반응이다.[95] 나노로봇은 작은 크기 때문에 모집된 백혈구 표면에 부착하여 혈관 벽을 통해 빠져나가 부상 부위에 도착하여 조직 복구 과정을 도울 수 있다. 특정 물질을 사용하여 회복을 가속화할 수 있다.

전자기장에 의해 원격으로 제어되는 나노복합 입자도 개발되었다.[97] 이 나노로봇은[97] 생물학적 세포와 상호 작용하는 데 사용할 수 있다.[98] 과학자들은 이 기술을 치료에 사용할 수 있다고 제안한다.[99][67][100]

자기 나노로봇은 항생제 내성 박테리아를 예방하고 치료하는 능력을 입증했다. 상아질의 철저한 소독을 달성하기 위해 나노모터 임플란트의 적용이 제안되었다.[101][102]

7. 2. 대중문화

나노머신은 TV 쇼 '''미스터리 사이언스 시어터 3000'''에 등장하는 캐릭터로, 자가 복제하는 생체 공학 유기체이다. 이들은 우주선에서 작동하며 SOL의 컴퓨터 시스템에 거주하며, 시즌 8에서 처음 등장했다.

TV 시리즈 '''트래블러스'''의 여러 에피소드에서 나노머신이 사용된다. 이들은 손상된 사람들에게 프로그래밍되어 주입되어 수리를 수행하며, 시즌 1에서 처음 등장한다.[1]

비디오 게임 '''데스티니'''의 2016년 확장팩 '''아이언의 부상'''에도 나노머신이 등장하며, 자가 복제 나노기술인 SIVA가 무기로 사용된다.[2]

코나미의 '''메탈 기어''' 시리즈에서 나노머신(나노머신이라고 더 자주 언급됨)은 종종 언급되며, 능력과 신체 기능을 향상시키고 조절하는 데 사용된다.[3]

'''스타 트렉''' 프랜차이즈 TV 쇼에서 나노머신은 중요한 플롯 장치로 작용한다. '''더 넥스트 제너레이션'''의 세 번째 시즌인 "진화"를 시작으로, 보그 나노프로브는 보그 사이버네틱 시스템을 유지하고 보그의 유기적 부분의 손상을 복구하는 기능을 수행한다. 필요할 때 보그 내부에 새로운 기술을 생성할 뿐만 아니라 다양한 형태의 질병으로부터 그들을 보호한다.[4]

나노머신은 '''데이어스 엑스''' 비디오 게임 시리즈에서 역할을 하며, 강화된 사람들에게 초인적인 능력을 부여하는 나노 증강 기술의 기반이 된다.[5]

닐 슈스터먼의 아크 오브 어 사이스 소설 시리즈에서도 나노머신이 언급되며, 모든 치명적이지 않은 부상을 치료하고, 신체 기능을 조절하며, 고통을 상당히 줄이는 데 사용된다.[6]

나노머신은 '''스타게이트 SG-1'''과 '''스타게이트 아틀란티스'''의 필수적인 부분이며, 여기에서는 그레이 구 시나리오가 묘사된다.[7]

'''사일로''' 소설 시리즈에서 나노머신은 플롯의 중심이며, 공기를 통해 전파되는 대량 살상 무기로 사용된다. 감지되지 않은 채 인체에 침투하여 신호를 받으면 수신자를 죽이며, 인류의 대다수를 제거하는 데 사용된다.[8]

참조

[1] 논문 Over the Horizon: Potential Impact of Emerging Trends in Information and Communication Technology on Disability Policy and Practice 2006
[2] 논문 Controlled Propulsion of Artificial Magnetic Nanostructured Propellers 2009
[3] 논문 A review of research in the field of nanorobotics https://digital.libr[...] 2005
[4] 논문 Carbon nanotubes towards medicinal biochips 2009
[5] 논문 Necessary and sufficient conditions of nanorobot synthesis 2010
[6] 논문 A Surveillance System for Early-Stage Diagnosis of Endogenous Diseases by Swarms of Nanobots 2010
[7] 논문 Nanofibers, nanofluidics, nanoparticles and nanobots for drug and protein delivery systems 2010
[8] 논문 Can Man-Made Nanomachines Compete with Nature Biomotors? 2009
[9] 논문 Targeted Optimization of a Protein Nanomachine for Operation in Biohybrid Devices 2010
[10] 논문 Nanorobot: A versatile tool in nanomedicine 2006
[11] 논문 Micromachine-Enabled Capture and Isolation of Cancer Cells in Complex Media 2011
[12] 웹사이트 There's Plenty of Room at the Bottom http://www.its.calte[...] 1959-12-01
[13] 웹사이트 Zyvex: "Self replication and nanotechnology" http://www.zyvex.com[...]
[14] 웹사이트 Foresight Guidelines for Responsible Nanotechnology Development http://www.foresight[...] 2019-06-06
[15] 서적 Nanomedicine, Vol. I: Basic Capabilities http://www.nanomedic[...] Landes Bioscience, Georgetown TX 1999
[16] 서적 Nanomedicine, Vol. IIA: Biocompatibility http://www.nanomedic[...] Landes Bioscience, Georgetown TX 2003
[17] 논문 Nanorobot Invention and Linux: The Open Technology Factor – An Open Letter to UNO General Secretary http://www.cannxs.or[...] 2009
[18] 논문 "Nano": The new nemesis of cancer 2006
[19] 논문 Designs for Ultra-Tiny, Special-Purpose Nanoelectronic Circuits 2007
[20] 특허 Nanorobotics System https://archive.toda[...] WIPO Patent WO/2008/063473 2008
[21] 특허 Systems and Methods for Generating Biological Material http://www.wipo.int/[...] WIPO Patent WO/2007/001962 2007
[22] 서적 Biotechnology in Surgery 2011
[23] 서적 New Technologies in Urology 2010
[24] 논문 Translational nanomedicine: Status assessment and opportunities 2009
[25] 논문 Coordinating Microscopic Robots in Viscous Fluids 2007
[26] 특허 Method and apparatus for using entropy in ant colony optimization circuit design from high level synthesis https://patents.goog[...] US Patent US8296711 B2 2010
[27] 특허 Method for providing secure and trusted ASICs using 3D integration 2010
[28] 특허 Method for forming an interventional aid with the aid of self-organizing nanorobots consisting of catoms and associated system unit 2011
[29] 논문 Laparoscopic surgery: current status, issues and future developments 2005
[30] 논문 Nanotechnology: convergence with modern biology and medicine https://zenodo.org/r[...] 2003
[31] 논문 The Public and Nanotechnology: How Citizens Make Sense of Emerging Technologies 2005
[32] 논문 Reverse Mergers and Nanotechnology 2007
[33] 논문 The Unmanned Voyage: An Examination of Nanorobotic Liability http://www.albanylaw[...] 2008
[34] 뉴스 Patent Pirates Search For Texas Treasure http://www.wsgr.com/[...] Texas Lawyer 2004-09-20
[35] 서적 Innovation and Its Discontents: How Our Broken Patent System is Endangering Innovation and Progress, and What to Do About It https://archive.org/[...] Princeton University Press 2004
[36] 논문 Preemptive Patenting and the Persistence of Monopoly 1982-06
[37] 논문 Biological Research in the Evolution of Cancer Surgery: A Personal Perspective 2008
[38] 논문 Nanorobot Hardware Architecture for Medical Defense
[39] 논문 Nano- and microrobotics: How far is the reality?
[40] 논문 Three-Dimensional Integration in Microelectronics: Motivation, Processing, and Thermomechanical Modeling
[41] 논문 Nanotechnology: Intelligent Design to Treat Complex Disease 2006
[42] 논문 The Future of Cerebral Surgery
[43] 논문 Organic data memory using the DNA approach
[44] 논문 From genes to machines: DNA nanomechanical devices 2005
[45] 논문 Constructing nanomechanical devices powered by biomolecular motors 1999
[46] 논문 Programming biomolecular self-assembly pathways https://resolver.cal[...]
[47] 논문 A logic-gated nanorobot for targeted transport of molecular payloads 2012-02-17
[48] 논문 Nanoparticle-Mediated Drug Delivery and Gene Therapy 2007
[49] 논문 Powering Nanodevices with Biomolecular Motors
[50] 논문 Adhesion of Photon-Driven Molecular Motors to Surfacesvia1,3-Dipolar Cycloadditions: Effect of Interfacial Interactions on Molecular Motion https://pure.rug.nl/[...]
[51] 웹사이트 Nanofactory Collaboration http://www.Molecular[...]
[52] 웹사이트 Nanofactory Technical Challenges http://www.Molecular[...]
[53] 논문 E-Beam Nanostructuring and Direct Click Biofunctionalization of Thiol–Ene Resist http://urn.kb.se/res[...]
[54] 논문 Multifunctional biohybrid magnetite microrobots for imaging-guided therapy American Association for the Advancement of Science (AAAS) 2017-11-22
[55] 논문 Flagellated Magnetotactic Bacteria as Controlled MRI-trackable Propulsion and Steering Systems for Medical Nanorobots Operating in the Human Microvasculature
[56] 논문 New paradigm for tumor theranostic methodology using bacteria-based microrobot
[57] 학위논문 MicroBioRobots for Single Cell Manipulation https://repository.u[...] University of Pennsylvania 2010-11-22
[58] 논문 Self-assembly of nanoparticles on live bacterium: An avenue to fabricate electronic devices https://digitalcommo[...] 2005
[59] 웹사이트 RCSB PDB-101 http://www.rcsb.org/[...]
[60] 간행물 Viral Mediated Gene Delivery http://www.sciencema[...]
[61] 논문 Overview of the Retrovirus Transduction System 2001
[62] 논문 Overview of the Retrovirus Transduction System
[63] 뉴스 Glow cat: fluorescent green felines could help study of HIV https://www.theguard[...] 2011-09-11
[64] 논문 Controlled Propulsion of Artificial Magnetic Nanostructured Propellers
[65] 논문 Helical Nanomachines as Mobile Viscometers
[66] 논문 Conformal cytocompatible ferrite coatings facilitate the realization of a nanovoyager in human blood
[67] 논문 Nanomotors Sense Local Physicochemical Heterogeneities in Tumor Microenvironments
[68] 논문 Magnetic Helical Micro- and Nanorobots: Toward Their Biomedical Applications https://linkinghub.e[...] 2015-03-16
[69] 논문 Bio-Inspired Micro- and Nanorobotics Driven by Magnetic Field 2022-11-04
[70] 논문 3-D Path Following of Helical Microswimmers With an Adaptive Orientation Compensation Model http://dx.doi.org/10[...] 2019-11-07
[71] 서적 2013 IEEE/ASME International Conference on Advanced Intelligent Mechatronics https://hal.archives[...] IEEE 2013-08-23
[72] 논문 Light-Triggered Drug Release from 3D-Printed Magnetic Chitosan Microswimmers https://pubs.acs.org[...] 2018-09-25
[73] 논문 Facile Fabrication of Magnetic Microrobots Based on Spirulina Templates for Targeted Delivery and Synergistic Chemo-Photothermal Therapy https://pubs.acs.org[...] 2019-02-06
[74] 논문 Cellular Cargo Delivery: Toward Assisted Fertilization by Sperm-Carrying Micromotors https://pubs.acs.org[...] 2016-01-13
[75] Youtube Nano Robot by 3D Printing (Seoul National University, Korea).wmv https://www.youtube.[...] 2015-12-04
[76] 웹사이트 Nanotechnology and 3D-printing http://www.nanowerk.[...] 2015-12-04
[77] 논문 Low-friction nanojoint prototype https://doi.org/10.1[...] 2018-03-16
[78] 웹사이트 Overview about intelligent drug delivery by Biohybrid Micro- and Nanorobots https://www.miragene[...] 2022-06-22
[79] 논문 Biohybrid Micro- and Nanorobots for Intelligent Drug Delivery 2022-02-10
[80] 웹사이트 Nanotechnology in Cancer https://web.archive.[...]
[81] 뉴스 Virtual 3D nanorobots could lead to real cancer-fighting technology http://www.physorg.c[...] physorg.com 2007-12-05
[82] 논문 Small-scale systems for in vivo drug delivery 2003
[83] 웹사이트 (Emerging Technologies) Software Provides Peek into the Body—and the Future (MPMN archive, March 08) https://www.nanorobo[...]
[84] 논문 Toward the Emergence of Nanoneurosurgery: Part III???Nanomedicine: Targeted Nanotherapy, Nanosurgery, and Progress Toward the Realization of Nanoneurosurgery 2006
[85] 웹사이트 Tiny robot useful for surgery http://fr.jpost.com/[...]
[86] 논문 Prospects for Medical Robots 2007-11-13
[87] 웹사이트 Nanorobotics for Diabetes https://web.archive.[...] nanovip.com 2007-01-31
[88] 논문 Wellness engineering and health management: A video interview with Harold H. Szu 2007
[89] 웹사이트 Nano RNA Delivery http://www.technolog[...] 2008-04-29
[90] 논문 Role of Nanotechnology in novel Drug Delivery system http://www.onlinepha[...] 2015-03-08
[91] 논문 Synthetic micro/nanomotors in drug delivery https://resolver.cal[...] 2014
[92] 논문 Artificial Micromotors in the Mouse's Stomach: A Step towardin Vivo ''Use'' of Synthetic Motors 2015
[93] 논문 MRI-Guided Nanorobotic Systems for Therapeutic and Diagnostic Applications https://hal.archives[...] 2011
[94] 웹사이트 Nanorobots As Cellular Assistants in Inflammatory Responses http://www.nanorobot[...] nanorobotdesign.com 2004
[95] 서적 ImmunoBiology, the Immune System in Health and Disease Garland Pub 2001
[96] 간행물 Considering Whether an FDA-Regulated Product Involves the Application of Nanotechnology, Guidance for Industry, Draft Guidance https://www.fda.gov/[...] FDA 2011
[97] 뉴스 Smallest medical robot for the Guinness World Records: Nanorobots to tackle drug delivery for cancer treatment https://www.scienced[...] 2018-08-29
[98] 뉴스 You can't even see the world's smallest medical robot, but your body's cells know it's there https://www.fastcomp[...] 2018-08-29
[99] 뉴스 Smallest medical robot to help treat cancer https://timesofindia[...] 2018-08-29
[100] 뉴스 Nanomotors as probes to sense cancer environment https://phys.org/new[...] 2020-09-30
[101] 논문 Mobile Nanobots for Prevention of Root Canal Treatment Failure 2022-05-04
[102] 뉴스 Tiny bots that can deep clean teeth https://medicalxpres[...] 2022-05-18
[103] 논문 Over the Horizon: Potential Impact of Emerging Trends in Information and Communication Technology on Disability Policy and Practice 2006
[104] 논문 Controlled Propulsion of Artificial Magnetic Nanostructured Propellers 2009
[105] 논문 A review of research in the field of nanorobotics https://digital.libr[...] 2005
[106] 논문 Carbon nanotubes towards medicinal biochips 2009
[107] 논문 Necessary and sufficient conditions of nanorobot synthesis 2010
[108] 논문 A Surveillance System for Early-Stage Diagnosis of Endogenous Diseases by Swarms of Nanobots 2010
[109] 논문 Nanofibers, nanofluidics, nanoparticles and nanobots for drug and protein delivery systems 2010



본 사이트는 AI가 위키백과와 뉴스 기사,정부 간행물,학술 논문등을 바탕으로 정보를 가공하여 제공하는 백과사전형 서비스입니다.
모든 문서는 AI에 의해 자동 생성되며, CC BY-SA 4.0 라이선스에 따라 이용할 수 있습니다.
하지만, 위키백과나 뉴스 기사 자체에 오류, 부정확한 정보, 또는 가짜 뉴스가 포함될 수 있으며, AI는 이러한 내용을 완벽하게 걸러내지 못할 수 있습니다.
따라서 제공되는 정보에 일부 오류나 편향이 있을 수 있으므로, 중요한 정보는 반드시 다른 출처를 통해 교차 검증하시기 바랍니다.

문의하기 : help@durumis.com