맨위로가기

정류기

"오늘의AI위키"는 AI 기술로 일관성 있고 체계적인 최신 지식을 제공하는 혁신 플랫폼입니다.
"오늘의AI위키"의 AI를 통해 더욱 풍부하고 폭넓은 지식 경험을 누리세요.

1. 개요

정류기는 외부 전압의 방향에 따라 정류 특성을 갖는 소자로, 교류(AC)를 직류(DC)로 변환하는 데 사용된다. 정류기는 반도체 다이오드, 진공관, 사이리스터 등 다양한 소자를 사용하여 구현되며, 전원 공급 장치, 라디오 수신기, 용접, 전기 기관차 등 다양한 분야에 활용된다. 정류기는 사용되는 소자에 따라 기계식, 전해, 진공관, 반도체 정류기로 분류되며, 제어 방식에 따라 비제어 및 제어 정류기로 구분된다. 정류기의 성능을 평가하기 위해 변환 비율, 변압기 이용률, 리플 계수, 형태 계수, 피크 계수 등의 지표가 사용된다. 정류기의 출력에는 리플이 발생하므로, 평활 커패시터, 초크 입력 필터, 전압 조정기 등을 사용하여 리플을 감소시키고 안정적인 직류 전압을 얻는다.

더 읽어볼만한 페이지

  • 전력장치 - 저항기
    저항기는 전류의 흐름을 제한하는 전자 부품이며, 옴의 법칙을 따르고, 다양한 용도로 사용되며, 온도, 습도 등에 따라 저항값이 변하는 관련 부품들도 존재한다.
  • 전력장치 - 인버터
    인버터는 직류 전원을 교류 전원으로 변환하는 장치로, 반도체 소자와 펄스폭 변조 기술을 사용하여 전력 변환을 수행하며 전력용, 전동기 제어용, 조명용 등 다양한 종류와 구형파, 사인파, 수정 사인파 등의 출력 파형을 가지며 태양광 발전, 무정전 전원 장치, 전기 모터 속도 제어 등 다양한 분야에 활용된다.
  • 전자 - CMOS
    CMOS는 상보적 금속 산화막 반도체의 약자로, 저전력 소비를 특징으로 하며, P형과 N형 MOSFET을 결합하여 논리 게이트를 구현하는 디지털 회로 설계 방식 및 공정 계열이다.
  • 전자 - 서미스터
    서미스터는 온도에 따라 저항이 변하는 반도체 소자로, 온도-저항 특성에 따라 NTC, PTC, CTR 서미스터로 나뉘며 온도 센서, 과전류 방지 등 다양한 용도로 사용되고, 저항-온도 관계는 B 상수 방정식이나 슈타인하르트-하트 방정식으로 표현되어 여러 분야에 적용된다.
  • 전기공학 - 전기 전도체
    전기 전도체는 전기를 잘 통하는 물질로, 금속, 전해질, 초전도체, 반도체 등이 있으며, 구리, 은, 알루미늄 등 다양한 재료가 전선 등에 사용된다.
  • 전기공학 - 옴의 법칙
    옴의 법칙은 1827년 게오르크 옴이 발표한, 전압(V)은 전류(I)와 저항(R)의 곱(V=IR)으로 표현되는, 전압, 전류, 저항 간의 관계를 나타내는 기본 법칙이다.
정류기
지도
개요
유형전기 장치
기능교류를 직류로 변환
주요 구성 요소다이오드, 사이리스터, 진공관, 수은 정류관
용도전원 공급 장치, 고압 직류 송전, 전기 철도, 전기 도금, 용접 장치
다른 용어교류-직류 변환기
작동 원리
기본 원리전류의 일방향 흐름 제어
이상적인 다이오드순방향에서 무저항, 역방향에서 무한 저항
실제 다이오드순방향에서 작은 저항, 역방향에서 누설 전류 발생
정류 회로
반파 정류교류의 반 파형만 사용
전파 정류교류의 전체 파형 사용
브리지 정류기다이오드 4개로 구성된 전파 정류 회로
3상 정류기3상 교류를 정류하는 회로
배전압 정류기입력 전압의 두 배 또는 그 이상의 직류 전압 생성
정류기 종류
다이오드 정류기다이오드를 이용한 가장 일반적인 형태
사이리스터 정류기제어가 가능한 정류
진공관 정류기고전적인 정류 방식 (현재는 거의 사용되지 않음)
수은 정류기대전류 정류에 사용 (현재는 거의 사용되지 않음)
능동 정류기능동 소자를 사용하여 효율을 높인 정류
동기 정류기효율을 높이기 위해 MOSFET를 스위칭하는 방식
정류기의 응용 분야
전원 공급 장치전자 기기에 필요한 직류 전원 공급
고압 직류 송전장거리 송전 효율 향상
전기 철도직류 전철 급전 시스템
전기 도금금속 표면에 도금
용접 장치용접에 필요한 직류 전류 공급
모터 제어직류 모터 구동
성능 지표
정류 효율교류 입력 전력 대비 직류 출력 전력 비율
리플직류 출력에 남아있는 교류 성분
전압 강하정류 과정에서 발생하는 전압 손실
역전류다이오드에서 발생하는 역방향 전류
역사
초기 정류기전해 정류기, 기계식 정류기
진공관 정류기 시대진공관 다이오드의 등장
반도체 정류기 시대다이오드, 사이리스터 등의 등장
현재전력 반도체 기술 발달로 더욱 발전
참고 자료
관련 항목교류-교류 변환기, 직류-직류 변환기, 인버터
각주

2. 정류기의 종류

PN 접합은 외부에서 가하는 전압의 방향에 따라 정류 특성을 가진다. 실리콘 반도체 정류기가 개발되기 전에는 진공관 열전자 다이오드와 산화구리 또는 셀레늄 기반의 금속 정류기 스택이 사용되었다.[1] 1915년 4월 제너럴 일렉트릭의 솔 더시먼은 전원 공급 회로에서 정류기로 사용하기 위한 최초의 진공관 다이오드를 소개했다.[2][3] 반도체 전자공학의 도입과 함께 진공관 정류기는 일부 진공관 오디오 장비 애호가들을 제외하고는 구식이 되었다.

가변 출력 전압과 같이 단순한 정류 이상의 기능이 필요한 경우에는, 단방향 전류 밸브 역할을 하는 제어 전극이 있는 다른 장치가 사용된다. 고압 직류 송전에 사용되는 것과 같은 고출력 정류기는 다양한 유형의 실리콘 반도체 장치를 사용한다. 이러한 장치는 사이리스터 또는 기타 제어 가능한 스위칭 고체 스위치이며, 한 방향으로만 전류를 통과시키는 다이오드 역할을 한다.

정류기를 사용하는 회로는 저전압 저전류에서 고전압 고전류까지 다양하므로, 사용하는 회로에 적합한 소자를 선택해야 한다.

2. 1. 소자별 분류

정류기는 사용되는 소자에 따라 여러 종류로 나뉜다.

  • 기계식 정류기: 1905년경 이전에 전력 변환 장치는 순전히 전기 기계식 설계였다. 기계식 정류기는 전자석으로 구동되는 일종의 회전 또는 공진 진동을 사용하여 스위치나 정류기를 작동시켜 전류의 방향을 바꾸었다.[1] 이러한 기계식 정류기는 소음이 심했고, 마모로 인한 윤활 및 이동 부품 교체 등 높은 유지 보수가 필요했다. 부하 상태에서 기계 접점을 열면 전기 아크와 스파크가 발생하여 접점이 가열되고 부식되었다. 또한 초당 수천 사이클 이상의 AC 주파수를 처리할 수 없었다.[1]

  • 전해 정류기: 전해 정류기[16]는 20세기 초에 사용되었던 장치로, 현재는 사용되지 않는다. 1913년 출판된 책 ''소년 기계공(The Boy Mechanic)''[17]에 수제 버전이 설명되어 있지만, 낮은 항복 전압감전 위험 때문에 매우 낮은 전압에서만 사용하기에 적합하다. 두 개의 서로 다른 금속을 전해액 용액에 담그면, 용액을 통과하는 직류는 한 방향으로 흐를 때 다른 방향으로 흐를 때보다 저항이 작다. 전해 정류기는 일반적으로 삼염기성 인산염 용액에 알루미늄 양극과 납 또는 강철 음극을 매달아 사용했다.[16]

  • 진공관 정류기: 20세기 초 진공관 기술의 발전으로 다양한 진공관 정류기가 발명되었으며, 이는 대부분 소음이 많고 비효율적인 기계식 정류기를 대체하게 되었다.[1] 열전자 진공관 다이오드는 원래 플레밍 밸브라고 불렸으며, 1904년 존 앰브로즈 플레밍이 라디오 수신기에서 라디오파 검출기로 발명되었고, 일반적인 정류기로 발전했다.[1]

  • 반도체 정류기: 실리콘 반도체 정류기가 개발되기 전에는 진공관 열전자 다이오드와 산화구리 또는 셀레늄 기반의 금속 정류기 스택이 사용되었다.[1] 실리콘 다이오드는 저전압 및 저전력 정류기에 가장 널리 사용되며 다른 정류기를 대체해 왔다.

2. 2. 제어 방식에 따른 분류

정류기는 제어 방식에 따라 다음과 같이 분류할 수 있다.

  • 비제어 정류기: 다이오드만을 사용하여 구성된 정류기로, 출력 전압을 제어할 수 없다.
  • 제어 정류기: 사이리스터와 같은 제어 가능한 소자를 사용하여 출력 전압을 조절할 수 있다.


제어 가능한 삼상 브리지 정류기는 다이오드 대신 사이리스터를 사용한다. 출력 전압은 cos(α) 계수만큼 감소한다.[7]

:V_\mathrm{dc}=V_\mathrm {av}=\frac{3 V_\mathrm {LLpeak}}{\pi} \cdot \cos \alpha

여기서,[7]

:''V''LLpeak는 선간 입력 전압의 피크 값,

:''α''는 사이리스터의 발화각(정류에 다이오드를 사용하는 경우 0)이다.

실제로는 공급 인덕턴스 때문에 정류기 출력 전압이 부하 증가에 따라 감소하며, 일반적으로 만부하에서는 10~20% 정도 감소한다. 공급 인덕턴스를 고려하면 정류기의 출력 전압은 다음과 같이 감소한다.[7]

:V_\mathrm{dc} = V_\mathrm {av}=\frac{3 V_\mathrm {LLpeak}}{\pi} \cdot \cos (\alpha + \mu).

여기서 중첩각 ''μ''는 직류 전류와 직접적인 관계가 있으며, 위 식은 다음과 같이 다시 표현할 수 있다.[7]

: V_\mathrm{dc}=V_\mathrm {av}=\frac{3 V_\mathrm {LLpeak}}{\pi} \cdot \cos(\alpha) - 6 f L_\mathrm {c} I_\mathrm {d}

여기서,[7]

:''L''c는 상당 인덕턴스,

:''I''d는 직류 전류이다.

300px


300px


300px


300px


정류기에는 다음과 같은 종류가 있다.

  • 수은 정류기(엑사이토론)
  • 열음극 수은 정류관
  • 아산화구리 정류기
  • 셀렌 정류기
  • 다이오드 (실리콘 정류기·저마늄 정류기)
  • 이극 진공관


또한, 제어 단자를 가진 정류기로 사용되는 소자는 다음과 같다.

  • 수은 정류기(이그나이트론) (단자 대응 - 양극:양극/음극:수은 음극/제어 단자:점호자)[29]
  • 열음극 격자 제어 방전관(사이라트론) (단자 대응 - 양극:양극/음극:음극/제어 단자:제어 격자)[29]
  • 사이리스터 (단자 대응 - 양극:애노드/음극:캐소드/제어 단자:게이트)[30]
  • MOSFET (단자 대응 - 양극:드레인/음극:소스/제어 단자:게이트)[31]

3. 정류 회로

정류 회로는 정류 소자를 어떻게 연결하느냐에 따라 다양한 형태로 구성된다. 출력측의 등가 상수가 많을수록 직류측의 맥동을 줄이기 쉬워지므로, 대전력 용도일수록 등가 상수를 많이 한다.

다이오드 모듈(삼상 전파 정류)

3. 1. 단상 정류

반도체의 PN접합은 외부에서 가하는 전압의 방향에 따라 정류 특성을 가지며, 이를 활용하여 정류 작용을 한다. 정류 회로는 단상 또는 다상일 수 있으며, 가정용 장비에 사용되는 대부분의 저전력 정류기는 단상이다.

반파 정류기. 'U'는 전압, 'D'는 다이오드, 'R'은 저항을 나타낸다.


단상 반파 정류는 교류의 정현파 중 양(+) 또는 음(-)의 부분만 추출하고, 나머지 절반은 정류 소자에 의해 차단된다. 입력 파형의 절반만 사용하기 때문에 평균 전압이 낮고, 리플이 전파 정류기보다 훨씬 많아 출력에서 AC 주파수의 고조파를 제거하기 위해 더 많은 필터링이 필요하다.[4]

가장 간단한 정류 방식으로, 정류 소자 하나로 순전압 기간에만 정류한다. 전류를 얻는 용도로는 주기의 절반이 통전되지 않아 펄스 형태의 출력을 얻게 되며, 평활화(맥류 참조)를 하더라도 낮은 전압밖에 얻을 수 없다. 또한 전원 측에 많은 고조파를 발생시켜 전원 용도로는 부적합하다. 하지만 회로계의 교류 전압 측정 회로나 고주파 프로브 용도로는 구조가 단순하고 에너지 손실을 최소화할 수 있어 주로 사용된다. 소용량 DC-DC 컨버터에서는 절연형에서도 양(+) 펄스의 직사각형파이므로 반파 정류로 충분하다.

이상적인 반파 정류기의 무부하 출력 DC 전압은 다음과 같다.[32]

:\begin{align}

V_\mathrm {rms} &= \frac{V_\mathrm {peak}}{2}\\

V_\mathrm {dc} &= \frac{V_\mathrm {peak}}{\pi}

\end{align}

  • ''V''dc, ''V''av: DC 또는 평균 출력 전압
  • ''V''peak: 위상 입력 전압의 피크 값
  • ''V''rms: 평균제곱근(RMS) 출력 전압 값


진공관 두 개의 양극을 가진 전파 정류기


브리지 정류기: 네 개의 다이오드를 사용하는 전파 정류


중앙 탭 변압기와 2개의 다이오드를 사용하는 전파 정류기


전파 정류는 입력 파형 전체를 출력에서 일정한 극성(양극 또는 음극)으로 변환하여, 입력 파형의 두 극성 모두를 맥동 DC(직류)로 변환한다. 따라서 더 높은 평균 출력 전압을 생성한다. 전파 정류에는 두 개의 다이오드와 중앙 탭 변압기, 또는 브리지 구성의 네 개의 다이오드와 모든 AC 소스(중앙 탭이 없는 변압기를 포함)가 필요하다.[5]

단상 AC의 경우, 변압기에 중앙 탭이 있으면 두 개의 다이오드를 백투백(back-to-back, 필요한 출력 극성에 따라 음극-음극 또는 양극-양극)으로 연결하여 전파 정류기를 구성할 수 있다. 브리지 정류기보다 동일한 출력 전압을 얻으려면 변압기 2차측에 두 배의 권수가 필요하지만, 정격 전력은 변하지 않는다.

정류 소자를 조합하여 각각의 순방향 전압 기간에 정류하며, 정류 소자 4개로 단상 교류를 전파 정류할 수 있다. 비스위칭 전원의 AC 어댑터는 대부분 이 구성을 취한다. 정류 소자 2개로, 양극성이 반대인 이상 교류를 정류할 수 있다. 같은 출력 전압을 얻으려면 트랜스의 2차 권선을 같은 권선 수의 2조로 하여 각각 반파 정류로 사용하는 관계상, 같은 용량의 단상 브리지 정류보다 변압기가 커진다.

일반적인 이중 다이오드 정류 진공관에는 단일 공통 음극과 두 개의 양극이 단일 외장 내에 포함되어 양의 출력으로 전파 정류를 달성했다.

이상적인 단상 전파 정류기의 평균 및 RMS 무부하 출력 전압은 다음과 같다.

:\begin{align}

V_\mathrm{dc}=V_\mathrm {av}&=\frac{2 \cdot V_\mathrm{peak}}{\pi}\\[8pt]

V_\mathrm {rms}&=\frac {V_\mathrm{peak}}{\sqrt 2}

\end{align}

3. 2. 3상 정류

3상 정류는 산업용 및 고전력 응용 분야에 주로 사용된다. 3상 정류 회로는 단상 정류 회로보다 더 높은 전력 효율과 낮은 리플(전압 변동)을 제공한다.
3상 반파 정류:

  • 3개의 다이오드를 사용하여 각 상의 양의 반주기만 통과시킨다.
  • 가장 간단한 3상 정류 방식이지만, 고조파 왜곡이 크다는 단점이 있다.
  • 출력 전압은 그리드 주파수의 사이클당 3개의 펄스를 포함하므로 3펄스 정류라고도 한다.
  • 스위칭 소자로 타이리스터를 사용하는 제어형 삼상 반파 정류기 회로(전원 인덕턴스 무시)
  • 삼상반파정류, 삼상전파정류


정류소자 3개로 삼상 전원의 모든 상을 반파 정류하여 3상 정류를 한다. 수은정류기는 구조상 음극을 공유하는 구조이기 때문에 반파 정류 회로가 주류였다.[6]
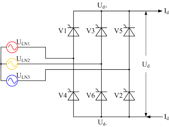
3상 전파 정류:

  • 6개의 다이오드를 사용하여 각 상의 양과 음의 반주기를 모두 사용한다.
  • 3상 반파 정류보다 효율이 높고 고조파 왜곡이 적다.
  • 6펄스 정류라고도 하며, 두 개의 3펄스 회로를 직렬로 연결한 것으로 볼 수 있다.
  • 스위칭 요소로 싸이리스터를 사용하는 제어형 3상 완전파 브리지 정류기 회로(B6C), 공급 인덕턴스 무시. 싸이리스터는 V1–V6 순서대로 펄스를 발생함.
  • 사이리스터를 이용한 삼상 전파 정류 회로
    정류 소자 6개로 삼상 전원의 모든 상을 전파 정류하여 6상 정류를 한다.
  • 자동차 발전기와 같이 직류를 사용하는 많은 장치에서 3상 전파 정류 방식을 사용한다.
  • 분해된 자동차 발전기, 완전파 3상 브리지 정류기를 구성하는 6개의 다이오드를 보여줌.

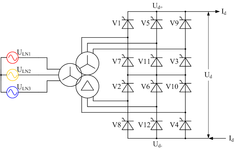
12상 정류:

  • 12개의 다이오드 또는 사이리스터를 사용하여 더욱 높은 효율과 낮은 리플을 얻는다.
  • 두 개의 6펄스 브리지를 직렬로 연결하고, 30° 위상차를 갖는 전원을 공급하여 구현한다.
  • 고전력 응용 분야에 사용된다.
  • 스위칭 소자로 타이리스터를 사용한 12펄스 브리지 정류기. 하나의 6펄스 브리지는 짝수 번호의 타이리스터로 구성되고, 다른 하나는 홀수 번호의 타이리스터로 구성됩니다.
  • YΔ・YY 또는 ΔΔ・ΔY 결선의 변압기를 2대 1조로 사용하여 30도 위상차의 삼상 교류를 생성하고, 각각을 삼상 전파 정류함으로써 12펄스 정류를 실현한다.

제어 가능한 3상 정류기:다이오드 대신 사이리스터를 사용하면 출력 전압을 조절할 수 있다. 사이리스터의 점호각(α)을 조절하여 출력 전압을 제어한다.

  • 출력 전압: V_\mathrm{dc}=V_\mathrm {av}=\frac{3\sqrt 3 \cdot V_\mathrm{peak}}{\pi} \cdot \cos \alpha 또는 V_\mathrm{dc}=V_\mathrm {av}=\frac{3 V_\mathrm {LLpeak}}{\pi} \cdot \cos \alpha[7]

4. 정류기의 응용

정류기는 전원 공급 장치, 진폭 변조 라디오 신호의 검파, 용접, 철도 철도 차량 시스템의 견인 전동기 미세 제어 등 다양한 분야에서 활용된다.


  • 컨버터: 교류(AC)를 직류(DC)로 변환한다.
  • 인버터: 직류(DC)를 교류(AC)로 변환한다.
  • 싸이클로컨버터: 교류(AC)를 교류(AC)로 변환한다.
  • 초퍼: 직류(DC)를 직류(DC)로 변환한다.
  • 반도체에서 PN 접합은 외부 전압에 따라 정류 특성을 가진다.


직류 전원을 다른 전압으로 변환하는 방법에는 인버터를 사용하여 전원을 교류로 변환하고, 변압기로 전압을 변경한 후, 다시 직류로 정류하는 방법과 차지 펌프를 사용하여 빠른 스위칭으로 캐패시터의 연결을 변경하는 방법이 있다.

4. 1. 전원 공급 장치

대부분의 전자 기기는 직류 전원으로 작동하므로, 교류 전원을 직류로 변환하는 데 정류기가 필수적이다.[1] 정류기는 거의 모든 전자 장비의 전원 공급 장치 내부에 사용된다. 교류-직류 전원 공급 장치는 선형 전원 공급 장치와 스위칭 모드 전원 공급 장치로 크게 나눌 수 있다. 이러한 전원 공급 장치에서 정류기는 변압기 다음에 직렬로 배치되고, 그 뒤에 평활 필터와 전압 조정기가 있을 수 있다.

PC, 텔레비전 수상기, 오디오 기기 등 다양한 전자 기기 내부의 전자 회로는 대부분 직류 전원으로 구동되도록 설계되어 있다. 상용 전원과 같은 교류 전원으로 이러한 회로를 작동시키기 위해, 정류기를 사용하여 교류 전원에서 직류 전원을 얻는다. 노트북 컴퓨터의 AC 어댑터가 대표적인 예이다.

4. 2. 고주파 검파

정류기는 진폭 변조된 라디오 신호의 검파에 사용된다.[15] 신호는 검파 전에 증폭될 수 있다. 그렇지 않은 경우, 매우 낮은 전압 강하 다이오드 또는 고정 전압으로 바이어스된 다이오드를 사용해야 한다. 복조에 정류기를 사용할 때 커패시터와 부하 저항은 주의 깊게 정합되어야 한다. 용량이 너무 낮으면 고주파 캐리어가 출력으로 전달되고, 너무 높으면 커패시터가 충전되고 충전된 상태로 유지된다.

고주파 또는 무선 주파수의 전압을 측정할 때, 일반적인 교류 전압계는 주파수가 너무 높아 측정할 수 없다. 저마늄 다이오드 등을 이용한 정류기로 직류로 변환하여 직류 전압계로 측정하는 방법이 사용된다.

수신기의 AGC회로에서는 저주파 증폭기나 중간주파 증폭기의 출력 전압을 정류기로 직류에 가까운 전압으로 변환하여, 그 전압을 기준으로 각 증폭기의 바이어스량(증폭률)을 변화시켜 AGC 회로를 구성한다.

4. 3. 용접

정류기는 용접에 사용되는 분극 전압을 공급한다. 이러한 회로에서는 출력 전류 제어가 필요하다. 이는 때때로 브리지 정류기의 다이오드 중 일부를 사이리스터로 교체하여 달성할 수 있다. 사이리스터는 위상 제어기로 켜고 끌 수 있는, 전압 출력을 조절할 수 있는 다이오드와 같다.[15]

4. 4. 철도 차량

전기 기관차에서 교류를 직류로 변환하기 위해 정류기가 사용된다. 사이리스터는 다양한 종류의 철도 철도 차량 시스템에서 견인 모터의 미세 제어를 위해 사용된다. 예를 들어, 유로스타 열차에서는 게이트 턴 오프 사이리스터를 사용하여 직류 전원에서 교류를 생성하여 3상 견인 전동기에 전력을 공급한다.[15] 과거에는 동기 모터가 고출력 전기 접점 세트를 구동하는 동기 정류기가 사용되기도 했다. 이 모터는 AC 주파수에 맞춰 회전하며, 사인파 전류가 영점을 통과하는 순간에 부하 연결을 주기적으로 반전시켜 기관차의 DC 견인 전동기에 전력을 공급했다.

5. 정류기 출력 평활

정류기의 출력은 맥동하는 직류이므로, 리플을 줄이기 위해 평활 회로를 사용해야 한다. 정류 회로는 단방향 전류를 제공하지만, 전압이 일정하지 않고 맥동하기 때문에, 안정적인 DC 전압을 생성하려면 평활 회로 또는 필터가 필요하다.[33]

가장 간단한 형태는 정류기 출력에 커패시터(평활 커패시터, 저수조,[11][12] 버퍼 또는 대용량 커패시터)를 배치하는 것이다. 이 커패시터는 AC 전원이 공급되지 않는 동안 저장된 에너지를 방출하여 리플 전압을 줄인다. 실제로 대부분의 평활 필터는 여러 구성 요소를 사용하여 리플 전압을 회로에서 허용 가능한 수준으로 효율적으로 줄인다.

5. 1. 평활 커패시터

평활 커패시터는 정류 회로에서 맥동하는 직류 전압의 리플(전압 변동)을 줄이기 위해 사용되는 콘덴서(커패시터)이다. 정류 회로의 출력 단자와 부하 단자 사이에 평활 커패시터를 삽입하면 리플 전압을 줄일 수 있다.[33]

평활 커패시터가 있는 반파 정류기의 AC 입력(노란색)과 DC 출력(녹색). DC 신호의 리플에 유의


반파 정류 및 전파 정류는 단방향 전류를 제공하지만, 전압이 일정하지 않고 맥동한다. 평활 회로 또는 필터는 정류된 AC 전원에서 안정적인 DC 전압을 생성하는 데 필요하다. 가장 간단한 형태는 정류기 출력에 배치된 커패시터(평활 커패시터, 저수조,[11][12] 버퍼 또는 대용량 커패시터)이다. 이 커패시터는 AC 전원이 공급되지 않는 동안 저장된 에너지를 방출하여 리플 전압을 줄인다.

병렬 RC 션트 필터가 있는 전파 다이오드 브리지 정류기


평활 커패시터의 크기는 허용되는 리플의 양에 따라 결정된다. 리플(r)은 (Vp-Vmin)/Vp 로 정의되는데,[13] 여기서 Vp는 피크 전압, Vmin은 최소 전압이다. 정전 용량이 클수록, 저항 부하 전류가 작을수록 콘덴서의 방전 속도가 느려져 맥동 성분이 작아진다.[33]

그러나 평활 커패시터의 크기를 무한정 늘릴 수는 없다. 리플 전압을 줄이는 대신 리플 전류가 증가하기 때문이다. 높은 리플 전류는 커패시터, 정류기, 변압기 권선에서 열 손실을 증가시켜 부품의 정격을 초과할 수 있다. 따라서 평활 커패시터는 낮은 등가 직렬 저항(ESR)을 가져야 한다. 일반적으로 고전류 응용 분야에서는 단일 커패시터 대신 커패시터 뱅크를 사용한다.

5. 2. 초크 입력 필터

정류된 파형을 초크 입력 필터에 적용하는 것도 가능하다. 이 회로의 장점은 전류 파형이 더 부드럽다는 것이다. 축전기 입력 필터처럼 AC 전압의 피크에서 반주기마다 펄스 형태로 전류가 흐르는 것이 아니라, 전체 주기 동안 전류가 흐른다. 단점은 출력 전압이 훨씬 낮다는 것이다. 축전기 입력 필터의 경우 무부하 상태에서 RMS 전압의 √2영어배인 반면, 초크 입력 필터는 AC 반주기의 평균값, 즉 RMS 전압의 약 90%에 해당하는 전압이 출력된다. 하지만 이를 상쇄하는 장점으로 우수한 전압 조정 및 더 높은 이용 가능 전류를 제공하여, 전원 공급 장치 부품의 피크 전압 및 리플 전류 요구량을 줄인다. 인덕터는 코어에 철 또는 기타 자성체를 사용하며, 무게와 크기가 증가한다. 따라서 전자 장비의 전원 공급 장치에서 인덕터의 사용은 전압 조정기와 같은 반도체 회로로 대체되면서 점차 줄어들고 있다.[14]

5. 3. 저항 입력 필터

저항 입력 필터는 회로에 필요한 출력 전압을 조정하기 위해 단일 직렬 저항으로 구성될 수 있다. 저항은 출력 전압과 리플 전압을 비례적으로 감소시킨다.[11][12] 저항 입력 필터의 단점은 부하에 사용할 수 없는 폐열 형태로 전력을 소모한다는 점이므로, 저전류 회로에서만 사용된다.

5. 4. 고차 필터 및 캐스케이드 필터

잔물결을 더 줄이기 위해 초기 필터 요소 뒤에 추가적인 직렬 및 병렬 필터 구성 요소를 교대로 배치하거나, 전압 조정기를 사용할 수 있다. 직렬 필터 구성 요소는 저항 또는 초크일 수 있으며, 병렬 요소는 저항 또는 커패시터일 수 있다. 필터는 잔물결을 줄이는 것뿐만 아니라 DC 전압을 높일 수도 있다. 필터는 종종 RC(직렬 저항, 병렬 커패시터) 또는 LC(직렬 초크, 병렬 커패시터) 섹션이라고 하는 직렬/병렬 구성 요소 쌍으로 구성된다. 두 가지 일반적인 필터 형상은 Π형(커패시터, 초크, 커패시터) 및 T형(초크, 커패시터, 초크) 필터로 알려져 있다.[11] 때로는 DC 출력이 낮아도 되거나 허용되는 경우 저항이 더 작고 저렴하기 때문에 직렬 요소를 저항으로 사용한다. 또 다른 특수한 필터 형상은 직렬 공진 초크 또는 동조 초크 필터이다. 저역 통과 필터인 다른 필터 형상과 달리, 공진 초크 필터는 대역 제거 필터이다. 이것은 초크와 커패시터의 병렬 조합으로 잔물결 전압의 주파수에서 공진하여 잔물결에 매우 높은 임피던스를 제공한다. 필터를 완성하기 위해 병렬 커패시터를 추가할 수 있다.[12]

5. 5. 전압 조정기

전압 조정기는 입력 전압 변동에 관계없이 일정한 출력 전압을 유지하는 장치이다. 전압 조정기는 필터와는 다른 원리로 작동한다. 필터가 리플 주파수에서 전압을 부하에서 멀리 분로시키는 전압 분배기 역할을 하는 반면, 조정기는 부하에 공급되는 전류를 조절하여 출력 전압을 일정하게 유지한다.[11][12]

단순한 수동 분로 전압 조정기는 직렬 저항과 제너 다이오드 분로로 구성될 수 있다. 입력 전압이 상승하면 제너 다이오드가 전류를 방출하여 설정된 출력 전압을 유지한다. 그러나 이러한 방식은 제너 다이오드의 전압 및 전류 제한 때문에 저전압, 저전류 회로에서만 사용되며, 과도한 전류를 방출하여 비효율적이다.

보다 효율적인 방식은 능동형 전압 조정기 회로를 사용하는 것이다. 능동형 조정기는 반응형 부품을 사용하여 에너지를 저장하고 방전하며, 정류기에서 공급되는 대부분의 전류를 부하로 전달한다. 또한 음의 피드백과 양의 피드백을 사용하여 입력 전압이 변동하더라도 출력 전압을 안정적으로 유지할 수 있다. 입력 필터는 리플의 최저점이 조정기가 필요로 하는 최소 전압 이하로 떨어지지 않도록 하는 역할을 한다.

6. 정류기의 성능 지표

정류기의 기능과 성능을 정량화하기 위해 변압기 이용률(TUF), 변환 비율(conversion ratio영어), 리플 계수, 형태 계수, 피크 계수 등을 사용한다. 출력 전압의 주요 구성 요소는 직류 전압(또는 오프셋)과 피크-피크 리플 전압이다.

6. 1. 변환 비율 (효율)

변환 비율(정류 비율 또는 "효율")conversion ratio영어은 교류(AC) 입력 전력 대비 직류(DC) 출력 전력의 비율로 정의된다. 이상적인 정류기라도 출력 전력의 일부는 직류가 아닌 교류 전력이기 때문에 이 비율은 100% 미만이다. 이는 직류 파형에 중첩된 리플로 나타난다. 리플을 줄이고 출력의 교류 성분을 줄이는 평활 회로를 사용하면 변환 비율을 향상시킬 수 있다. 변환 비율은 변압기 권선의 손실과 정류기 소자 자체의 전력 소비로 인해 감소한다.[8]

반파 정류기의 경우 변환 비율은 매우 낮다.

:P_\mathrm {AC} = {V_\mathrm{peak} \over 2} \cdot {I_\mathrm {peak} \over 2} (음의 반주기에는 전력이 전달되지 않으므로 나누는 수는 가 아닌 2이다)

:P_\mathrm {DC} = {V_\mathrm{peak} \over \pi} \cdot {I_\mathrm {peak} \over \pi}

따라서 반파 정류기의 최대 변환 비율은 다음과 같다.

:\eta = {P_\mathrm {DC} \over P_\mathrm {AC}} \approx 40.5\%

마찬가지로 전파 정류기의 경우,

:P_\mathrm {AC} = {V_\mathrm{peak} \over \sqrt 2} \cdot {I_\mathrm {peak} \over \sqrt 2}

:P_\mathrm {DC} = {2 \cdot V_\mathrm{peak} \over \pi} \cdot {2 \cdot I_\mathrm {peak} \over \pi}

:\eta = {P_\mathrm {DC} \over P_\mathrm {AC}} \approx 81.0\%

삼상 정류기, 특히 삼상 전파 정류기는 리플이 본질적으로 더 작기 때문에 변환 비율이 훨씬 더 높다.

삼상 반파 정류기의 경우,

:P_\mathrm {AC} = 3 \cdot {V_\mathrm{peak} \over 2} \cdot {I_\mathrm {peak} \over 2}

:P_\mathrm {DC} = \frac{3\sqrt{3} \cdot V_\mathrm{peak}}{2 \pi} \cdot \frac{3\sqrt3 \cdot I_\mathrm{peak}}{2 \pi}

삼상 전파 정류기의 경우,

:P_\mathrm {AC} = 3 \cdot {V_\mathrm{peak} \over \sqrt 2} \cdot {I_\mathrm {peak} \over \sqrt 2}

:P_\mathrm {DC} = \frac{3\sqrt3 \cdot V_\mathrm{peak}} \pi \cdot \frac{3\sqrt3 \cdot I_\mathrm{peak}} \pi

6. 2. 변압기 이용률 (TUF)

변압기 이용률(Transformer Utilization Factor, TUF)은 입력 저항에서 사용 가능한 직류 전력과 변압기 출력 코일의 AC 정격 용량의 비율로 정의된다.[9][10]

:

\text{TUF} = \frac{P_\text{odc}}{\text{변압기 VA 정격}}



변압기의 VA 정격은 다음과 같이 정의할 수 있다.

:

VA = V_{\mathrm{rms}} \dot I_{\mathrm{rms}} (\text{2차 코일 기준.})


참조

[1] 서적 A History of the World Semiconductor Industry https://books.google[...]
[2] 간행물 A New Device for Rectifying High Tension Alternating Currents - The Kenotron https://archive.org/[...] General Electric Review 2021-11
[3] 특허 Electrical Discharge Device https://patentimages[...] 2021-11
[4] 서적 Power electronics McGraw-Hill
[5] 서적 Power electronics : devices, drivers and applications Macmillan
[6] 서적 Mercury-arc current convertors [sic] : an introduction to the theory and practice of vapour-arc discharge devices and to the study of rectification phenomena https://books.google[...] Sir I. Pitman & sons, ltd.
[7] 서적 Direct current transmission. https://archive.org/[...] Wiley-Interscience
[8] 서적 Reference Data for Engineers: Radio, Electronics, Computer, and Communications Newnes
[9] 서적 POWER ELECTRONICS HANDBOOK https://books.google[...] Elsevier 2011-01-13
[10] 서적 Elements of Electronics Engineering https://books.google[...] Technical Publications 2008-01-01
[11] 서적 Electronics for Electricians and Engineers Industrial Press Inc. 2022-06-23
[12] 서적 Mechanical Engineer's Reference Book https://books.google[...] Butterworth-Heinemann 2022-06-23
[13] 학술지 New equations for capacitance vs ripple in power supplies http://www.lajpe.org[...] 2017
[14] 서적 Reference Data for Radio Engineers Fifth Edition Howard W. Sams 1968
[15] 학술지 Pulse converters in traction applications 1994-01-01
[16] 서적 Hawkins Electrical Guide: Principles of electricity, magnetism, induction, experiments, dynamo T. Audel
[17] 웹사이트 How To Make An Electrolytic Rectifier http://chestofbooks.[...] Chestofbooks.com 2012-03-15
[18] 특허 Liquid Rectifier
[19] 서적 Cyclopedia of applied electricity https://books.google[...] American technical society
[20] 웹사이트 Pictures of a mercury-arc rectifier in operation http://www.subbrit.o[...]
[21] 서적 HVDC and FACTS Controllers: Applications of Static Converters in Power Systems https://www.amazon.c[...] Springer-Verlag 2004-05-31
[22] 간행물 Reference Data for Radio Engineers, Fifth Edition http://lccn.loc.gov/[...] Howard W. Sams and Co. 1968
[23] 서적 Self-Commutating Converters for High Power Applications John Wiley & Sons 2010-01-12
[24] 서적 Standard polyphase apparatus and systems https://archive.org/[...] Van Nostrand 1907
[25] 웹사이트 Harvesting the sun's energy with antennas https://inlportal.in[...] 2008-10-03
[26] 서적 Integrated power electronic converters and digital control https://books.google[...] CRC Press
[27] 서적 新版 電気用語辞典 コロナ社 1982
[28] 서적 IEEE電気・電子用語辞典 丸善 1989
[29] 서적 電気機器概論 コロナ社 1963-08-30
[30] 서적 大学講義 パワーエレクトロニクス 丸善 1974
[31] 간행물 第3章 ソフト同期整流型スイッチング電源…16.5V3A CQ出版社 1997
[32] 서적 Power electronics McGraw-Hill 1993
[33] 시험문제 電気主任技術者国家試験問題平成16年度第3種 2004 # 추정 날짜 (平成16년 = 2004년)



본 사이트는 AI가 위키백과와 뉴스 기사,정부 간행물,학술 논문등을 바탕으로 정보를 가공하여 제공하는 백과사전형 서비스입니다.
모든 문서는 AI에 의해 자동 생성되며, CC BY-SA 4.0 라이선스에 따라 이용할 수 있습니다.
하지만, 위키백과나 뉴스 기사 자체에 오류, 부정확한 정보, 또는 가짜 뉴스가 포함될 수 있으며, AI는 이러한 내용을 완벽하게 걸러내지 못할 수 있습니다.
따라서 제공되는 정보에 일부 오류나 편향이 있을 수 있으므로, 중요한 정보는 반드시 다른 출처를 통해 교차 검증하시기 바랍니다.

문의하기 : help@durumis.com