.30-06 스프링필드
"오늘의AI위키"의 AI를 통해 더욱 풍부하고 폭넓은 지식 경험을 누리세요.
1. 개요
.30-06 스프링필드는 1906년 미국에서 개발된 소총 탄약으로, 20세기 초 미국의 주력 군용 탄약으로 사용되었다. M1903 스프링필드 소총에 사용하기 위해 개발되었으며, 제1차 세계 대전, 제2차 세계 대전, 한국 전쟁, 베트남 전쟁 등 여러 전쟁에서 미군과 동맹군의 주요 탄약으로 사용되었다. 다양한 탄두 무게와 종류가 개발되어 인원, 비장갑 표적, 경장갑 차량 등 다양한 목표물에 대응할 수 있었으며, 민간 사냥용으로도 널리 사용되었다. 7.62×51mm NATO탄으로 대체되었지만, 현재까지도 예비군과 민간에서 사용되고 있으며, 다양한 화기에서 사용되었다.
더 읽어볼만한 페이지
- 권총과 소총 탄약통 - .22 롱 라이플
.22 롱 라이플은 1887년 스티븐스 암스 & 툴 컴퍼니에 의해 개발된 5.6×15mmR 규격의 림파이어 탄약으로, 가격이 저렴하고 반동이 적어 스포츠 사격, 훈련 등에 널리 사용되지만 위력이 약해 군 및 경찰에서는 제한적으로 사용된다. - 권총과 소총 탄약통 - .45 ACP
.45 ACP탄은 필리핀-미국 전쟁의 문제점을 해결하기 위해 개발되어 높은 저지력으로 오랫동안 미군 제식 탄약으로 사용되었으나, 현재는 9mm탄에 비해 휴대성과 탄창 용량의 제약으로 주요 제식 탄약의 지위를 잃었지만 일부에서 여전히 사용되며 대중문화에도 널리 알려진 권총용 탄약이다.
2. 역사
1890년대 초, 미군은 무연화약을 사용하는 .30-40 크래그 림드 탄약을 채택했다. 1901년경, 미국은 박스 탄창을 가진 마우저 작동 방식을 위한 실험적인 림리스 탄약을 개발하기 시작했고, 이는 1903년형 .30-03 스프링필드 림리스 실탄으로 이어졌다.[6]
20세기 초, 많은 유럽 군대는 더 가볍고 빠른 속도의 첨탄(스피처) 탄두를 사용하는 실탄을 채택했다. 프랑스는 1898년에 (8×50mmR 르벨 ''Balle D''), 독일은 1903년에 (7.92×57mm 마우저 ''S 파트로네''), 러시아는 1908년에 (7.62×54mmR ''Lyokhkaya pulya''[경탄]), 영국은 1910년에 (.303 브리티시 Mark VII) 각각 채택했다.[7] 결과적으로, 둥근 탄두를 사용하는 미국의 .30-03 스프링필드 실탄은 뒤처지게 되었다.[8]
이러한 배경에서 미국은 탄두가 스피처 형상이고 탄저가 평평하며(플랫 베이스), 탄환 중량 9.7g, 발사를 위해 약실 목 부분이 약간 짧게 된 신형 탄약통을 개발했다. 이 탄약이 .30-06 스프링필드이며 탄도계수(G1 BC)는 약 0.405, 총구 초속 820m/s, 초기 운동 에너지는 3,292줄이었다. 스프링필드 M1903 소총은 .30-06 스프링필드탄에 맞도록 신속하게 개조되어 미국 육군에 의해 "M1906"으로 명명되었다.
제1차 세계 대전의 경험은 미국의 기관총이 최대 유효 사거리 면에서 다른 국가들보다 뒤떨어진다는 것을 보여주었다. 1926년, 미국군 무기과는 신형 개량형 군용 소총 추진제를 충전한 '''.30 M1 보통탄''' 카트리지를 개발했다. 이 탄환은 비행 중 항력(공기 저항)을 줄여 최대 유효 사거리와 초음속 비행 영역을 크게 늘렸다. 최대 사거리는 약 5,030m였다.[57]
1936년, .30 M1 보통탄의 최대 사거리가 많은 범위에서 안전 제한을 초과하는 것으로 밝혀졌다. 이에 1938년, '''.30 M2 보통탄'''이 개발되었는데, 이 탄환은 초속 855m/s, 초기 운동 에너지 3,600줄, 최대 사거리는 약 3,150m였다.[57]
2. 1. 개발 배경
20세기 초, 여러 유럽 국가들은 탄도가 더 평탄하고 사거리가 긴 첨두탄(Spitzer)을 사용하는 신형 소총탄을 채택하기 시작했다. 1898년 프랑스(8×50mmR 르벨), 1903년 독일(7.92×57mm 마우저), 1908년 러시아(7.62×54mmR), 1910년 영국(.303 브리티시)이 각각 첨두탄 소총탄을 채택했다.[7] 반면, 당시 미군이 사용하던 .30-03탄은 구식 원두탄을 사용하여 시대에 뒤떨어졌다.[8]이에 미군은 .30-03탄을 대체할 신형 소총탄 개발에 착수했다. 1906년, 더 가벼운 .30-06 스프링필드탄이 개발되었는데, "탄약, 포탄, 구경 .30, 1906년형" 또는 간단히 M1906으로 불렸다.[9] M1906은 150그레인(약 9.7g)의 첨두형 평저탄을 사용했고, M1903 스프링필드 소총은 새로운 탄약에 맞게 개조되었다.[9]
2. 2. M1906 탄약 개발
1906년, 미군은 기존의 .30-03 탄을 개량하여 .30-06 스프링필드 탄(M1906)을 개발했다. M1906은 탄두를 뾰족한 형태(스피처, Spitzer)로 바꾸고 탄피 길이를 약간 줄인 것이 특징이다.[55] 새로운 탄약은 9.7g의 탄두를 사용했으며, 탄도계수는 약 0.405, 총구 초속은 2700ft/s, 초기 운동 에너지는 였다.[9]M1903 스프링필드 소총은 M1906 탄약에 맞게 개조되었는데, 약실에서 총열을 짧게 하고 약실 크기를 조정하여 탄두가 라이플링에 더 잘 맞물리도록 했다. 또한, 문제가 많았던 이전의 "로드 바요넷"은 제거되었다.[9]
M1906 탄약의 최대 사거리는 처음에는 로 알려졌으나, 이는 과장된 수치였다.[9] 실제 사거리 시험은 까지만 이루어졌고, 그 이상은 추정치였다.[10] 제1차 세계 대전을 거치면서 M1906 탄약의 실제 최대 사거리는 임이 밝혀졌다.[13]
2. 3. M1 탄약 개발
제1차 세계 대전의 경험을 통해 미군은 장거리 사격 능력이 뛰어난 기관총의 필요성을 느꼈다.[56] 1926년, 미군은 탄두 무게를 늘리고 탄미(탄약 꼬리 부분)를 보트테일 형태로 개선한 .30 M1 탄약을 개발했다. 이 탄약은 개량형 군용 소총(IMR) 1185 추진제와 9° 보트테일 및 7구경(caliber) 탄두를 가진 약 174그레인(약 11.28g)의 탄환을 사용했다.[15][16].30 M1 탄약은 공기 저항을 줄여 유효 사거리와 정확도를 크게 향상시켰다.[18] 이전의 M1906 탄약에서 발생했던 금속 부식 문제도 도금 금속 재킷을 사용하여 거의 해결했다.[18] M1 탄환은 약 0.494(G1 BC)의 탄도 계수를 가졌으며,[15][16] 초기 속도는 2647ft/s, 초기 에너지는 였다.[17] 최대 사거리는 약 였다.[18]
하지만 미군의 전시 잉여 탄약이 20억 발에 달했고, 오래된 탄약을 먼저 사용해야 했기 때문에 .30 M1 탄약의 보급은 더디게 진행되었다.[57]
2. 4. M2 탄약 개발
1936년에 미군은 .30 M1 실탄의 최대 사거리가 많은 사격장의 안전 제한을 초과한다는 것을 발견했다.[17] 이에 긴급히 이전 M1906 탄약의 탄도 특성과 일치하는 탄약을 생산하라는 명령이 내려졌다. 1938년, 미군은 기존 M1906 탄약과 탄도를 유사하게 맞추면서도 생산성을 높인 .30 M2 탄약을 개발했다. M2 탄약은 기본적으로 이전 M1906 탄약과 동일했지만, IMR 4895 추진제를 사용하고 금속 도금 재킷과 다른 납 합금을 가진 새로운 평저탄을 사용했다. 무게는 152gr였다.[17].30 M2 탄약은 2805ft/s의 초속과 의 초기 운동 에너지를 가졌다.[17] 장전된 탄약의 무게는 이었고 최대 사거리는 약 였다.[18] 최대 압력(MAP)은 였다.[19]
M2 탄약은 제2차 세계 대전, 한국 전쟁, 베트남 전쟁 초기까지 미군의 주력 소총탄으로 사용되었다. M2 탄약은 이후 7.62×51mm NATO탄으로 대체되었다.
2. 5. 한국전쟁과 .30-06
한국 전쟁 당시 미군과 대한민국 국군은 M1 개런드, M1918 브라우닝 자동소총 등 .30-06 스프링필드탄을 사용하는 다양한 화기를 사용했다.[74][75] 특히, M1 개런드는 높은 신뢰성과 화력으로 한국전쟁에서 중요한 역할을 수행했다.조선인민군과 중국인민지원군은 노획한 M1 개런드와 .30-06탄을 사용하여 국군과 유엔군에게 큰 피해를 입혔다.
벨기에군 또한 FN-49 소총과 함께 .30-06 스프링필드탄을 한국전쟁에서 사용하여 우수한 성능을 입증했다.
3. 종류
.30-06 스프링필드탄은 군용과 민간용으로 매우 다양한 종류가 생산되었다.
- 군용: 7.62×51mm NATO탄으로 대체되기 전까지 미군에서 사용되었던 탄약이다. M1906, M1, M2, M2 철갑탄, M14 철갑소이탄, M1909 소총 공포탄, M40 모의탄, M1/M2/M3/E1 소총 수류탄 공포탄 등이 있다.
- 민간용: 군용으로 개발되었지만, 곧 미국 사냥꾼들에게 인기를 얻었다. 110gr(7.1g)에서 220gr(14.3g)에 이르는 다양한 무게의 탄두를 사용할 수 있어, 작은 동물부터 무스나 불곰까지 다양한 크기의 동물을 사냥하는 데 사용 가능하다. 잭 오코너와 같은 사냥꾼들에게 만능 탄약으로 평가받았다.
3. 1. 군용 탄약
.30-06 스프링필드영어 군용 탄약은 1954년에 7.62×51mm NATO탄으로 대체되었지만, 예비군과 주방위군에서 상당 기간 제한적으로 사용되었다. 프랭크퍼드 조병창은 1961년에 생산을 중단했고, 레이크시티 육군탄약공장은 1970년대 후반까지 생산했으며, 1993년과 2002년에도 새로운 생산 배치가 이루어졌다.
- M1906: 평저형 탄환을 가진 초기형 탄약으로, 인원 및 비장갑 표적에 사용되었다. 은색 구리니켈 합금 탄환 피복으로 식별되었으나, 이 피복은 포신을 빠르게 더럽히는 문제가 있었다.[45]
- M1: 9도 보트테일 탄환을 사용하여 공기역학적 효율을 높인 탄약이다. 초기 속도는 낮았지만, 장거리에서 속도와 에너지를 더 잘 유지했다. 탄환은 납 7부분과 안티몬 1부분으로 만들어졌고, 피복 재질은 금도금 금속(95% 구리와 5% 아연의 합금)으로 변경하여 포신 오염을 줄였다.
- M2: M1906 탄약을 기반으로 탄환을 사용하고, M1 탄약의 금도금 금속 피복과 약간 더 무거운 순수 납 코어를 결합했다. 이전 탄약보다 더 높은 총구 속도를 가졌다. 제2차 세계 대전부터 한국 전쟁까지 미군의 주력 소총탄이었다.
- M2 철갑탄: 경장갑 차량, 방호 시설 및 인원에 사용되는 철갑탄으로, 검은색 탄환 끝으로 식별할 수 있다. 탄환은 평평한 바닥이고, 무게는 163~168 그레인이다. M2 발사체에 대한 방어는 IV형 방탄복의 성능 기준 중 하나이다.[44]
- M14 철갑소이탄: M2 철갑탄을 대체할 수 있으며, 가연성 표적에 주로 사용되었다. M14 탄환의 끝은 검은색 고리 위에 파란색 끝으로, M14A1은 은색 알루미늄 페인트로 칠해져 있었다. M14A1은 개선된 코어 설계와 소이탄을 특징으로 한다.
- M1909 소총 공포탄: 소총 사격 연습 및 훈련에 사용되는 공포탄이다. 탄환이 없고, 탄피 목에 홈이 있으며, 클림프는 빨간색 래커로 밀봉되어 있다. 의식용 M1 개런드 소총에 여전히 사용되고 있다.[45]
- M40 모의탄: 훈련용으로 사용되는 모의탄이다. 탄피에는 6개의 세로 골이 있으며, 점화제가 없다.
- M1, M2, M3/E1 소총 수류탄 공포탄: M7 계열의 소총 수류탄 발사기와 함께 소총 수류탄을 발사하는 데 사용되는 공포탄이다. M1, M2, M3 공포탄은 빨간색 솜뭉치로 탄피 입구가 밀봉되어 있고, M3E1은 크림프되어 있다.[48]
3. 2. 민간용 탄약
.30-06 스프링필드는 군용으로 개발되었지만, 곧 미국 사냥꾼들에게 인기를 얻었다. 이 탄약은 .30-30 윈체스터보다 탄도가 평탄하고 강력했으며, 스피처 탄두를 사용하여 사거리가 길어져 사슴 사냥에 유리했다.[39]110gr(7.1g)에서 220gr(14.3g)에 이르는 다양한 무게의 탄두를 사용할 수 있어, 작은 동물부터 무스나 불곰까지 다양한 크기의 동물을 사냥하는 데 사용 가능하다.[39] 이러한 다재다능함 덕분에 잭 오코너와 같은 사냥꾼들에게 만능 탄약으로 평가받았다.[40][41]
시어도어 루스벨트 대통령은 아프리카 사파리에서 아들 커밋과 함께 .30-06을 사용했는데, 이는 .30-06이 다양한 크기의 사냥감을 사냥할 수 있음을 보여준다.[42]
150gr 탄두는 사슴이나 양과 같은 중간 크기 사냥감에 적합하며, 최대 명중거리는 약 300야드이다. 165gr과 168gr 탄두는 측풍 영향을 줄이고 사거리에서 에너지를 유지하는 데 효과적이다. 180gr~220gr 탄두는 엘크, 무스, 불곰과 같은 더 큰 사냥감을 사냥하는 데 적합하다.
.30-06은 .270 윈체스터, .25-06 레밍턴, .280 레밍턴 등 다른 사냥 탄약의 모체 탄피이기도 하다. 이 탄약들은 균형 잡힌 탄도로 전 세계적으로 중형 동물 사냥용으로 인기가 높다.
최근 짧은 액션에 적합한 고탄도 계수 탄약이 등장했음에도 불구하고, .30-06은 여전히 대형 사냥감 사냥 탄약으로 인기가 높으며, 전 세계 주요 총기 제조사들이 이 탄약을 사용하는 소총을 생산하고 있다.[43]
4. 성능
.30-06 스프링필드탄은 다양한 탄두 무게와 장약량을 조합하여 다양한 성능을 낼 수 있다. 1906년에 처음 등장한 M1906 .30-06 탄약은 150gr 무게의 평저탄(쿠프로니켈 탄피를 사용)을 사용했다.[22] 이후 제1차 세계 대전을 거치면서 미군은 장거리 기관총의 필요성을 느껴 173gr 무게의 보트테일형 금속도금 탄두를 사용하는 M1 볼(Ball)탄을 개발했다. M1 볼 탄약은 일본군의 6.5×50mm 아리스카탄보다 강력했고, 7.7×58mm 아리스카탄과 비슷한 수준이었다.[22]
1938년에는 150gr 무게의 평저탄두와 .30-06 탄피를 조합한 M2 볼 탄약이 등장했다. M2 볼 탄약은 7.62×51mm NATO탄으로 대체되기 전까지 미군의 표준 탄약으로 사용되었다. 그러나 M2 볼 탄약은 M1 볼 탄약보다 정확도가 떨어지는 것으로 평가되었다.[22] 미국 해병대는 솔로몬 제도 전투에서 저격수와 숙련된 사수들이 M1 볼 탄약을 사용하기도 했다.[24]
정확도를 높이기 위해 일부 저격수들은 .30-06 M2 철갑탄을 사용하기도 했다. 한국 전쟁 중에는 덴버 병기창에서 생산된 M2 탄약이 다른 탄약보다 정확하다는 것이 알려져 저격수들이 사용하기도 했다.[25]
오늘날 .30-06 탄약은 상업적으로도 생산되어 사냥용으로 인기가 높다. 공장에서 생산되는 .30-06 탄약은 고형 탄두의 경우 110gr~220gr, 사보트를 사용하는 소구경 탄두의 경우 55gr까지 다양한 탄두 무게를 가진다.[28] 많은 사냥용 탄약은 3000ftlb가 넘는 에너지를 가지며, 확장형 탄두를 사용하여 표적에 큰 피해를 입힐 수 있다.
다음은 다양한 탄두 무게에 따른 .30-06 탄약의 총구 속도를 나타낸 표이다.
.30-06은 .308 윈체스터탄과 비교했을 때 탄피 용적이 더 커서, 필요에 따라 더 강력한 성능을 낼 수 있다.
4. 1. 반동
.30-06 스프링필드탄은 강력한 탄약으로, 반동 역시 비교적 강한 편이다. 150 그레인(9.7 g) 탄두를 사용하는 일반적인 .30-06 스프링필드 소총의 반동 에너지는 약 20.3ft⋅lbf (27.5 J)이다. 이는 대부분의 사수가 감당할 수 있는 수준이지만, 반동에 민감한 사수라면 더 가벼운 탄두를 선택하여 반동을 줄일 수 있다. 예를 들어, 110 그레인(7.1 g) 탄두는 반동 에너지를 약 10ft⋅lbf (14 J)까지 낮출 수 있다.5. 사용 화기
.30-06 스프링필드탄을 사용하는 주요 화기는 다음과 같다:
1895 윈체스터 레버액션 소총은 .30-06 스프링필드 탄약을 사용하는 최초의 상업용 사냥 소총이었다. 이 탄약은 여전히 사냥에 매우 일반적으로 사용되며, 사슴과 같은 대형 사냥감에 적합하다.
5. 1. 미군
.30-06 스프링필드탄은 제1차 세계 대전, 제2차 세계 대전, 한국 전쟁 등에서 미군의 주력 소총탄으로 사용되었으며, 베트남 전쟁에서도 일부 사용되었다.'''소총:'''
- M1903 스프링필드: 볼트액션 소총
- M1917 엔필드: 볼트액션 소총
- M1 개런드: 반자동 소총
- M1941 존슨 소총: 반자동 소총
'''기관총:'''
- M1917 브라우닝 기관총: 수냉식 기관총
- M1919 브라우닝 기관총: 공랭식 기관총
- M1918 브라우닝 자동소총 (BAR): 자동소총 겸 경기관총
- M1895 콜트-브라우닝 기관총: 초기 기관총 (일명 '감자 캐는 기계')
- M1918 쇼샤 기관총: 미국은 .30-06 구경과 8mm 르벨 탄약을 사용하는 쇼샤 기관총을 혼용
한국 전쟁에서 벨기에군은 .30-06 구경 FN 모델 1949 소총을 사용했는데, 미국의 M1 개런드보다 우수한 성능을 보였다고 평가받았다.
5. 2. 대한민국 국군

대한민국 국군은 창군 초기에 M1 개런드 소총을 주력 소총으로 사용했으며, .30-06 스프링필드 탄약을 사용했다.[21] M1 개런드는 반자동 소총으로, 빠른 연사 속도와 높은 명중률을 제공했다. M1919 브라우닝 기관총도 .30-06 탄약을 사용했으며, 현재는 예비군용으로 사용되고 있다.
5. 3. 기타 국가
벨기에군은 FN 모델 1949 소총을 .30-06 구경으로 구매하여 한국 전쟁에서 사용하였다. 이 총은 정확성과 신뢰성 면에서 미국의 M1 개런드 소총보다 우수한 무기로 평가받았다.[21] 룩셈부르크, 인도네시아, 콜롬비아 군도 이 소총을 사용했으며, 브라질 해군도 사용하였다.[21]영국은 제2차 세계 대전 중 랜드리스 프로그램을 통해 .30-06탄을 도입하여 자국의 .303 브리티시탄과 혼동을 피하기 위해 'cartridge S.A, .30'으로 명명했다. 이 탄약은 브렌 경기관총 등에서 사용되었으며, 1993년까지 영국 왕립 기갑 부대에서 사용되었다.
프랑스는 제2차 세계 대전 이후 미국의 군사 원조를 통해 M1 개런드 소총, M1919 브라우닝 기관총 등을 .30-06 구경으로 도입하여 사용하였다.
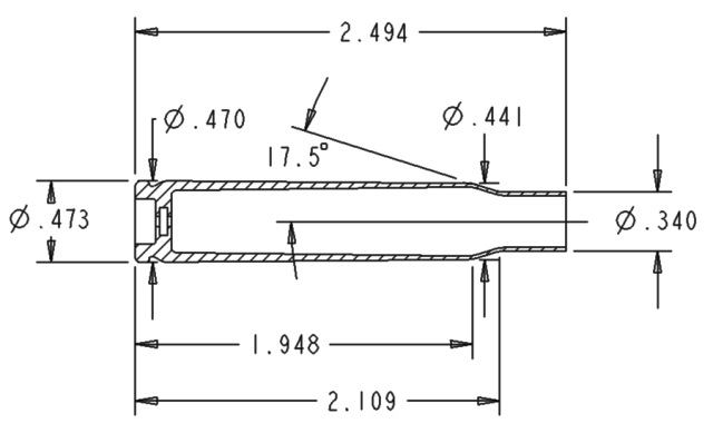
6. 탄약 치수

.30-06 스프링필드 탄약 탄피는 4.42ml (68.2 그레인)을 담을 수 있다. 탄피의 외형은 극한 조건에서도 볼트액션 소총과 기관총 모두에서 안정적인 탄피 공급과 배출을 촉진하도록 설계되었다.
미국에서는 견착각을 α/2 = 17.5도로 정의한다. 국제소화기시험위원회(C.I.P.)에 따르면 이 탄약의 일반적인 강선 강선 회전율은 254mm (1 in 10 in)이고, 강선은 4개이다. 지름(강선) = 7.62mm (.30 in), 지름(강선홈) = 7.82mm (.308 in), 강선 폭 = 4.49mm (.1768 in)이며, 뇌관 유형은 대형 소총용이다.[38]
공식 C.I.P. 지침에 따르면, .30-06 스프링필드 탄피는 최대 405MPa (58,740 psi)의 압전 압력을 견딜 수 있다. C.I.P. 규정 국가에서는 모든 소총 탄약 조합이 이 최대 C.I.P. 압력의 125%로 시험을 거쳐야 소비자에게 판매될 수 있다. 8×64mm S는 .30-06 스프링필드와 가장 가까운 유럽식 탄도 쌍둥이 탄약이다.
참조
[1]
간행물
SAAMI Reference
https://saami.org/wp[...]
[2]
웹사이트
SAAMI pressure specs
http://www.handloads[...]
2023-02-11
[3]
웹사이트
Federal Cartridge Co. ballistics page
http://www.federalca[...]
2007-09-21
[4]
웹사이트
Accurate Powder reload data table
http://www.accuratep[...]
2009-02-09
[5]
서적
Gun Digest Shooter's Guide to Rifles
[6]
서적
The Rifle in America
William Morrow
1938
[7]
웹사이트
Cartridge Specifications and Chronology
http://www.303britis[...]
2014-10-26
[8]
웹사이트
The .30-06 Springfield Cartridge
http://www.m1-garand[...]
2014-10-26
[9]
서적
Hatcher's Notebook
Stackpole Company
1962
[10]
서적
Hatcher's Notebook
1962
[11]
서적
Shots Fired in Anger
NRA Press
1981
[12]
서적
Hatcher's Notebook
1962
[13]
서적
Hatcher's Notebook
1962
[14]
웹사이트
FN Mauser Model 98 rifle and carbine operator's manual
http://pdf.textfiles[...]
[15]
웹사이트
M118 History - Sniper Central
https://www.sniperce[...]
2014-10-26
[16]
웹사이트
Firearm Technical Trivia, July 1999
http://www.cruffler.[...]
[17]
서적
Hatcher's Notebook
1962
[18]
웹사이트
Basic Field Manual: U.S. Rifle Caliber .30, M1903
http://www.cgsc.edu/[...]
1943-09-20
[19]
웹사이트
Technical Manual Small-Arms Ammunition, TM9-1990, U.S. War Department
https://books.google[...]
2020-02-20
[20]
웹사이트
The CMP Mann Accuracy Devices
http://www.odcmp.org[...]
2023-02-11
[21]
서적
The Gatling Gun
Arco Publishing
1971
[22]
서적
Ordnance Went Up Front
Samworth Press
1948
[23]
간행물
Army Ammunition Data Sheets: Small Caliber Ammunition
https://web.archive.[...]
1994-04
[24]
서적
Shots Fired in Anger
NRA Press
1981
[25]
서적
Shots Fired in Anger
NRA Press
1981
[26]
웹사이트
.30 Caliber (.30-06 Springfield) Ammunition
https://www.inetres.[...]
[27]
비디오
Armor Plate Shootout - 0.5" thick MIL-A-12560 armor plate
https://www.youtube.[...]
2013-01-31
[28]
웹사이트
The .30-06 Can Do It All
https://www.outdoorh[...]
2018-08
[29]
웹사이트
Federal Premium Ammunition - Rifle
http://www.federalpr[...]
2017-12-18
[30]
간행물
Cartridge Load Recipe Report
data.hodgdon.com
Hodgdon Powder Company
2010-03-27
[31]
서적
Speer Reloading Manual Number 12
Blount, Inc.
1994
[32]
서적
Hornady Handbook of Cartridge Reloading
Hornady Manufacturing Company
1991
[33]
서적
Nosler Reloading Guide Number Four
Nosler, Inc.
1996
[34]
서적
Barnes Reloading Manual Number 2-Rifle Data
Barnes Bullets, Inc.
1997
[35]
서적
Cartridges of the World
Frank C. Barnes and Krause Publications
2009
[36]
웹사이트
30-06 Springfield
http://www.gunnersde[...]
2014-10-26
[37]
웹사이트
Rifle Recoil Table
http://www.chuckhawk[...]
2014-10-26
[38]
웹사이트
C.I.P. TDCC datasheet .30-06 Spring.
http://www.cip-bobp.[...]
[39]
웹사이트
Why You Can't Go Wrong with the .30/06
https://www.fieldand[...]
2021-06-21
[40]
웹사이트
.30-06 Springfield: Is it Still the Best All-Around Big-Game Hunting Cartridge?
https://www.american[...]
2021-01-11
[41]
웹사이트
THE .270 VS. THE .30-06
https://sportsafield[...]
[42]
웹사이트
.30-06 Springfield -- Still America's Best?
https://www.boone-cr[...]
2021-08-13
[43]
웹사이트
DON'T OVERLOOK THE .30-06
https://sportsafield[...]
[44]
웹사이트
Ballistic Resistance of Body Armor NIJ Standard-0101.06
http://www.ncjrs.gov[...]
United States Department of Justice
2008-11-13
[45]
웹사이트
Instructional Guidance on the Operation and Maintenance of M1 Garand Rifle Firing the M1909 Blank Cartridge
http://www.ialegion.[...]
2019-02-08
[46]
웹사이트
An Introduction to Collecting .30-06 Cartridges
http://cartridgecoll[...]
International Ammunition Association, Inc.
2018-03-03
[47]
웹사이트
US T24 machine gun (MG42)
https://www.forgotte[...]
2023-02-11
[48]
웹사이트
An Introduction To Collecting .30-06 Cartridges - International Ammunition Association
http://cartridgecoll[...]
2023-02-11
[49]
웹사이트
Gary's U.S. Infantry Weapons Reference Guide - .30 Caliber (.30-06 Springfield) Ammunition
http://www.inetres.c[...]
2007-09-21
[50]
웹사이트
An Introduction to Collecting .30-06
http://cartridgecoll[...]
2007-09-21
[51]
웹사이트
Federal Cartridge Co. ballistics page
http://www.federalca[...]
2007-09-21
[52]
웹사이트
Accurate Powder reload data table
http://www.accuratep[...]
2009-02-09
[53]
서적
Gun Digest Shooter's Guide to Rifles
[54]
웹사이트
http://www.303britis[...]
[55]
웹사이트
The .30-06 Springfield Cartridge
http://www.m1-garand[...]
[56]
서적
Shots Fired In Anger
NRA Press
1981
[57]
웹사이트
FM 23-10 Basic Field Manual: U.S. Rifle Caliber .30, M1903
http://www.cgsc.edu/[...]
1943-09-20
[58]
서적
Ordnance Went Up Front
Samworth Press
1948
[59]
문서
Army Ammunition Data Sheets: Small Caliber Ammunition
http://www.dtic.mil/[...]
1994-04
[60]
서적
Shots Fired In Anger
NRA Press
1981
[61]
웹사이트
William S. Brophy
http://clubs.odcmp.c[...]
Civilian Marksmanship Program
[62]
서적
Shots Fired In Anger
NRA Press
1981
[63]
웹사이트
http://www.federalpr[...]
2010-05-15
[64]
문서
Cartridge Load Recipe Report
data.hodgdon.com
Hodgdon Powder Company
2010-03-27
[65]
서적
Speer Reloading Manual Number 12
Blount, Inc.
1994
[66]
서적
Hornady Handbook of Cartridge Reloading, Fourth Edition
Hornady Manufacturing Company
1991
[67]
서적
Nosler Reloading Guide Number Four
Nosler, Inc.
1996
[68]
서적
Barnes Reloading Manual Number 2-Rifle Data
Barnes Bullets, Inc.
1997
[69]
서적
Cartridges of the World (Kindle Edition)
Frank C. Barnes and Krause Publications
2009
[70]
웹사이트
http://www.gunnersde[...]
[71]
웹사이트
http://www.chuckhawk[...]
[72]
웹사이트
Ballistic Resistance of Body Armor NIJ Standard-0101.06
http://www.ncjrs.gov[...]
United States Department of Justice
2008-11-13
[73]
웹사이트
Use of M1909 blanks in M1 rifles
http://www.ialegion.[...]
[74]
웹사이트
Gary's U.S. Infantry Weapons Reference Guide - .30 Caliber (.30-06 Springfield) Ammunition
http://www.inetres.c[...]
2007-09-21
[75]
웹사이트
An Introduction to Collecting .30-06
http://cartridgecoll[...]
2007-09-21
본 사이트는 AI가 위키백과와 뉴스 기사,정부 간행물,학술 논문등을 바탕으로 정보를 가공하여 제공하는 백과사전형 서비스입니다.
모든 문서는 AI에 의해 자동 생성되며, CC BY-SA 4.0 라이선스에 따라 이용할 수 있습니다.
하지만, 위키백과나 뉴스 기사 자체에 오류, 부정확한 정보, 또는 가짜 뉴스가 포함될 수 있으며, AI는 이러한 내용을 완벽하게 걸러내지 못할 수 있습니다.
따라서 제공되는 정보에 일부 오류나 편향이 있을 수 있으므로, 중요한 정보는 반드시 다른 출처를 통해 교차 검증하시기 바랍니다.
문의하기 : help@durumis.com
