프로그래머블 어레이 논리
"오늘의AI위키"의 AI를 통해 더욱 풍부하고 폭넓은 지식 경험을 누리세요.
1. 개요
프로그래머블 어레이 논리(PAL)는 1970년대에 개발된 프로그래머블 논리 소자의 한 종류로, 디지털 논리 회로 설계를 위해 사용되었다. PAL은 소규모 집적 회로를 대체하여 회로 설계를 간소화하고 유연성을 높이는 데 기여했다. PAL은 프로그래머블 AND 게이트와 고정된 OR 게이트 구조를 가지며, 출력 논리 매크로셀(OLMC)을 통해 다양한 출력 구성을 제공한다. PAL은 PALASM, ABEL, CUPL과 같은 프로그래밍 언어를 사용하여 프로그래밍되었으며, 소자 프로그래머를 통해 이진 패턴을 입력하여 기능을 구현했다. PAL의 발전은 GAL, CPLD, FPGA로 이어졌으며, 한국 전자 산업에서도 널리 활용되었다.
더 읽어볼만한 페이지
- 게이트 어레이 - FPGA
FPGA(Field-Programmable Gate Array)는 사용자가 하드웨어 설계를 변경할 수 있는 집적 회로이며, CPLD에서 파생되어 다양한 제조 기술을 사용하고 디지털 신호 처리, 통신 등 여러 분야에 활용된다. - 게이트 어레이 - 하드웨어 가속
하드웨어 가속은 성능 향상을 위해 특정 연산을 전용 하드웨어로 처리하는 기술이며, 병렬 처리를 통해 연산 속도를 높이지만 유연성이 감소하고 비용이 증가하는 특징을 갖는다. - 전자 설계 자동화 - FPGA
FPGA(Field-Programmable Gate Array)는 사용자가 하드웨어 설계를 변경할 수 있는 집적 회로이며, CPLD에서 파생되어 다양한 제조 기술을 사용하고 디지털 신호 처리, 통신 등 여러 분야에 활용된다. - 전자 설계 자동화 - 래더 로직
래더 로직은 PLC 프로그래밍에 사용되는 그래픽 기반 언어로, 릴레이 회로를 연상시키는 접점과 코일을 사용하여 AND, OR, NOT 등의 논리 연산을 구현, 자동화 시스템을 제어한다.
2. 이전의 역사
PAL이 등장하기 전, 디지털 논리 회로 설계자들은 주로 7400 시리즈 트랜지스터-트랜지스터 논리 (TTL) 계열과 같은 소규모 집적회로 (SSI) 소자를 사용했다. 7400 시리즈는 NOT, NAND, NOR, AND, OR 게이트, 멀티플렉서 (먹스), 디멀티플렉서 (디먹스), 플립플롭 (D, JK 등)과 같은 다양한 논리 블록을 포함했다. 하나의 PAL 소자는 일반적으로 이러한 "개별" 논리 패키지 여러 개를 대체할 수 있었으므로, PAL 산업이 성장하면서 SSI 사업은 쇠퇴했다. PAL은 트레이시 키더의 베스트셀러 "새로운 기계의 영혼"에 기록된 것처럼 미니컴퓨터 등 여러 제품에 유리하게 사용되었다.
PAL은 논리 평판과 출력 논리 매크로셀(OLMC)이라는 두 가지 주요 구성 요소로 이루어져 있다.[1]
PAL은 최초의 상업용 프로그래머블 논리 소자가 아니었다. 시그네틱스는 1975년부터 현장 프로그래머블 논리 어레이 (FPLA)를 판매했다. 그러나 이 소자들은 대부분의 회로 설계자들에게 익숙하지 않았고, 사용하기 어렵다고 여겨졌다. FPLA는 (프로그램되는 AND와 프로그램되는 OR 어레이를 모두 가졌기 때문에) 상대적으로 최대 동작 속도가 느렸고, 비쌌으며, 시험성이 낮다는 평판을 받았다. FPLA의 수용을 제한하는 또 다른 요인은 600 mil (15.24 mm, 0.6 inch)의 넓은 28핀 이중 직렬 패키지 (DIP)라는 큰 패키지였다.
PAL 설계 사업은 존 버크너가 관리했고, 실제 PAL 회로는 H. T. Chua가 설계했다.[3] 버크너는 이전 직장에서 80개의 표준 논리 소자를 사용하여 16비트 프로세서를 개발한 경험이 있었다. 그는 표준 논리를 대체할 수 있는 사용자 프로그래머블 소자가 설계자들에게 더 매력적일 것이라고 믿었다. 이는 패키지 크기가 좀 더 일반적이고 속도가 향상되어야 함을 의미했다. MMI는 PAL을 저렴한 부품으로 만들려고 했으나, 초기 제조 수율 문제로 인해 제품 라인을 내셔널 세미컨덕터에 라이선스해야 했다. PAL은 이후 텍사스 인스트루먼트와 AMD에 의해 2차 공급되었다.
초기 PAL은 실리콘을 사용하여 한 번만 프로그램되는 (OTP) 니크롬 프로그램 퓨즈를 갖는 접합형 트랜지스터 기술로 제조된 20핀 딥 소자였다.[4] 이후 소자는 CMOS 기술을 사용하여 사이프러스, 래티스, AMD에서 제조되었다. 1980년대 초, 지택스는 저온 공정 시모스 기술을 사용한 PAL을 제조했으며, 이는 초기 애플 매킨토시에 사용되어 조용한 동작을 가능하게 했다.
원래 20핀 및 24핀 PAL은 MMI에서 MSI 장치로 표시되었다.
3. PAL 구조

3. 1. 프로그래머블 논리 평판
PAL 구조는 논리 평판과 출력 논리 매크로셀의 두 가지 주요 구성 요소로 구성된다. 프로그래머블 논리 평판은 소자 핀에 존재하는 신호나 해당 신호의 논리적 보수를 출력 논리 매크로셀로 라우팅할 수 있게 해주는 프로그래머블 읽기 전용 메모리(PROM) 배열이다.[1]
PAL 소자는 입력과 출력의 동기 또는 비동기 피드백 측면에서 각 출력에 대한 "곱의 합" 이진 논리 방정식을 구현하는 데 사용되는 "고정-OR, 프로그래머블-AND" 평면에 배열된 트랜지스터 셀 어레이를 가지고 있다.[1]
3. 2. 출력 논리
초기 20핀 PAL은 10개의 입력과 8개의 출력을 가졌다. 출력은 액티브 로우이고 레지스터나 조합이 가능했다. PAL 계열의 소자들은 "출력 논리 매크로셀(OLMC)"이라고 불리는 다양한 출력 구조가 가능했다. "V" (다양한) 시리즈가 소개되기 이전에는 제조할 때 각 PAL에서 가능한 OLMC의 형태가 고정되었다.
각 출력은 (효과적인 논리곱 소자) 8개의 논리곱 조건을 가질 수 있지만 조합출력은 양방향성 출력 버퍼를 제어하는 조건의 하나만 사용된다. 출력당 더 많은 논리곱 조건이 되고 액티브 하이출력이 가능한 몇 개의 출력을 가지는 다른 조합이 있다. 16X8 계열이나 레지스터 소자는 레지스터 앞에 배타적 논리합 소자가 있다. 비슷하게 이런 PAL의 24핀 버전도 있다.
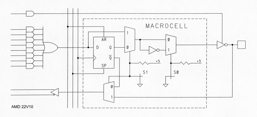
고정된 출력 구조는 다른 종류의 출력 구조가 필요한 응용제품에서 PAL 소자의 도구를 최적화하려는 설계자를 좌절시키곤 했다. (예를 들어 3개의 액티브 하이 조합 출력을 가지는 5개의 레지스터 출력을 얻을 수 없다.) 그래서 1983년에 AMD는 10개의 출력 논리 매크로셀이 있는 24핀 소자 22V10을 소개하였다.[6] 각 매크로셀은 사용자가 조합이나 레지스터, 액티브 하이나 액티브 로우로 설정할 수 있다. 논리곱 조건수는 8 ~ 16으로 다양하게 출력을 할당된다. 이 하나의 소자는 24핀 고정된 기능 PAL 소자의 전부를 대체할 수 있다. PAL "V" (다양한) 시리즈에는 PAL16V8, PAL20V8, PAL22V10이 포함된다.
4. PAL 프로그래밍
PAL은 JEDEC ASCII/16진법 파일과 같은 이진 패턴을 사용하여 전기적으로 프로그래밍되었고, 데이터 I/O와 같은 제3의 공급사나 제조사가 제공하는 특별한 전자 프로그래밍 시스템이 사용되었다. 소량 생산에는 단일칩 소자 프로그래머가 사용되었고, 대량 생산에는 소자 피더와 갱 프로그래머가 사용되었다.
4. 1. 프로그래밍 언어
PAL 프로그래밍에는 PALASM, ABEL, CUPL과 같은 하드웨어 기술 언어(HDL)가 사용되었다. 이러한 언어는 설계자의 논리식을 이진 퓨즈 맵 파일로 변환("컴파일")하는 데 사용되었다.[3] 엔지니어들은 이진 퓨즈 패턴 데이터를 포함하는 파일을 수동으로 수정하여 PAL 소자를 프로그래밍하기도 했지만, 대부분은 HDL을 사용하여 논리를 설계했다. 대표적인 HDL로는 MMI의 PALASM, 데이터 I/O의 ABEL, 로지컬 디바이스의 CUPL 등이 있다.
이 HDL들은 컴퓨터 이용 설계(CAD) (현재는 "전자 설계 자동화"라고 함) 프로그램으로, 설계자의 논리 방정식을 각 소자를 프로그래밍(및 테스트)하는 데 사용되는 이진 퓨즈 맵 파일로 변환("컴파일")하는 역할을 했다.
4. 1. 1. PALASM
PALASM영어은 1980년대 초 존 버크너가 개발한 초기 PAL 프로그래밍 언어이다. MMI는 PALASM 컴파일러를 FORTRAN IV로 작성하여 IBM 370/168에서 실행했다. MMI는 소스 코드를 사용자에게 무료로 제공했으며, 1983년에는 DEC PDP-11, 데이터 제너럴 NOVA, 휴렛 팩커드 HP 2100, MDS800 등에서도 실행 가능한 버전을 제공했다.[3]PALASM은 텍스트 파일에 출력 핀에 대한 불 방정식을 표현하는 방식으로 사용되었으며, 벤더가 제공하는 프로그램을 통해 프로그래밍 시스템에서 사용 가능한 '퓨즈 맵' 파일로 변환되었다. 이후 회로도에서 변환하는 방식이 일반화되었고, 더 나아가 Verilog와 같은 HDL을 통해 '퓨즈 맵'을 합성하는 것도 가능해졌다.
4. 1. 2. ABEL
데이터 I/O에서 개발한 ABEL은 PAL 프로그래밍에 사용되는 하드웨어 기술 언어 (HDL)이다.[3]4. 1. 3. CUPL
로지컬 디바이스가 개발한 CUPL은 범용 프로그래머블 논리 컴파일러로, IBM 개인용 컴퓨터의 MS-DOS에서 실행되었다.[3]4. 2. 소자 프로그래머
데이터 I/O의 모델 60A와 모델 2900 같은 소자 프로그래머가 PAL 프로그래밍에 사용되었다.[3]5. PAL의 계승 및 발전
MMI가 20핀 PAL 소자로 성공을 거둔 후, AMD는 더 많은 기능을 가진 24핀 22V10 PAL을 출시했다.[12] AMD는 MMI를 인수한 후(1987년경) 합병된 회사를 밴티스(Vantis)로 분사시켰고, 밴티스는 1999년 래티스 세미컨덕터에 인수되었다.[12]
래티스 세미컨덕터는 1985년에 EEPROM(전기적으로 지울 수 있는 프로그래밍 가능 읽기 전용 메모리) 기술을 기반으로 재프로그래밍 가능한 논리 평면을 사용한 "V" 시리즈 PAL과 기능적으로 동일한 일반 어레이 로직(GAL) 제품군을 출시했다. 내셔널 세미컨덕터는 GAL 소자의 세컨드 소스였다. AMD는 PALCE라는 비슷한 제품군을 출시했다. 일반적으로 하나의 GAL 부품은 유사한 PAL 장치 제품군 중 어떤 것이든 작동할 수 있다. 예를 들어, 16V8 GAL은 16L8, 16H8, 16H6, 16H4, 16H2 및 16R8 PAL 등을 대체할 수 있다.
ICT(International CMOS Technology)는 1986년에 PEEL 18CV8을 출시했다. 이 20핀 CMOS EEPROM 부품은 등록된 출력 바이폴라 PAL을 대신하여 사용할 수 있으며, 훨씬 적은 전력을 소비했다.
아트멜, 래티스 세미컨덕터 등은 더 큰 규모의 프로그래머블 논리 소자를 출시했다. 이 소자들은 여러 로직 평면을 포함하거나 로직 매크로셀을 로직 평면 내에 내장하여 PAL 구조를 확장했다. 이러한 장치를 이전의 PAL 및 GAL과 구분하기 위해 복합 프로그래머블 논리 소자(CPLD)라는 용어가 도입되었으며, 이전에 PAL 및 GAL은 때때로 단순 프로그래머블 논리 소자(SPLD)라고 불렸다.
또 다른 대규모 프로그래머블 논리 장치는 현장 프로그래밍 가능 게이트 어레이(FPGA)이다. 이러한 장치는 현재 인텔(알테라를 인수)과 자일링스(AMD에 인수) 및 기타 반도체 제조업체에서 제작한다.
참조
[1]
간행물
Monolithic Memories announces: a revolution in logic design
Hayden Publishing
1978-03-18
[2]
문서
[3]
간행물
Reduce random-logic complexity
Hayden Publishing
1978-08-16
[4]
서적
TIBPAL 16R8-15C Data Sheet
http://focus.ti.com/[...]
Texas Instruments
2000-04
[5]
서적
PAL Programmable Array Logic Handbook
Monolithic Memories, Inc.
[6]
서적
AmPAL 22V10 Advanced Information
Advanced Micro Devices
1983-06
[7]
서적
Programmable Logic Designer's Guide
Howard W. Sams
1989
[8]
간행물
CUPL - The Universal Language For Programmable Logic
http://www.swtpc.com[...]
Assisted Technology, Inc.
2013-08-10
[9]
간행물
Personal CAD Systems
https://books.google[...]
CW Communications
1985-07-22
[10]
문서
[11]
웹사이트
CUBEL ChipDesigner 5.0
http://www.logicalde[...]
Logical Devices
2013-08
[12]
웹사이트
Lattice Semiconductor Acquires Vantis Corp. from AMD
http://www.eetimes.c[...]
2015-05-13
본 사이트는 AI가 위키백과와 뉴스 기사,정부 간행물,학술 논문등을 바탕으로 정보를 가공하여 제공하는 백과사전형 서비스입니다.
모든 문서는 AI에 의해 자동 생성되며, CC BY-SA 4.0 라이선스에 따라 이용할 수 있습니다.
하지만, 위키백과나 뉴스 기사 자체에 오류, 부정확한 정보, 또는 가짜 뉴스가 포함될 수 있으며, AI는 이러한 내용을 완벽하게 걸러내지 못할 수 있습니다.
따라서 제공되는 정보에 일부 오류나 편향이 있을 수 있으므로, 중요한 정보는 반드시 다른 출처를 통해 교차 검증하시기 바랍니다.
문의하기 : help@durumis.com