임피던스 매칭
"오늘의AI위키"의 AI를 통해 더욱 풍부하고 폭넓은 지식 경험을 누리세요.
1. 개요
임피던스 매칭은 교류 회로에서 신호원과 부하 간의 임피던스를 일치시켜 에너지 전달 효율을 높이는 기술이다. 이는 전기 저항과 리액턴스로 구성된 임피던스를 조정하여 최대 전력 전달, 반사 최소화, 또는 특정 시스템의 요구 사항을 충족하기 위해 사용된다. 임피던스 매칭은 고주파 회로, 디지털 회로, 통신 시스템, 음향 기기, 전력 시스템 등 다양한 분야에서 활용되며, 변압기, LC 정합 회로, 저항 정합 회로, 전송 선로, 음향 혼, 중이와 같은 다양한 장치와 원리를 통해 구현된다.
임피던스는 교류 회로에서 전압과 전류의 비율을 나타내는 복소수 값으로, 저항과 리액턴스로 구성된다. 임피던스 정합은 신호원과 부하의 임피던스를 같게 하거나, 복소 공액 관계로 만들어 에너지 전달 효율을 높이는 것을 목표로 한다.
전기 회로에서 임피던스 정합은 변압기, 코일과 콘덴서를 조합한 LC 정합 회로, 저항기, 전송선 등 다양한 방법으로 수행된다.
2. 임피던스 정합의 원리
일반적으로 에너지 (전력량 등)의 전송을 원활하게 수행하려면 임피던스 정합과 관련된 여러 가지 고려가 필요하다. 단순히 장치들을 전기적으로 연결하는 것만으로는 에너지 반사나 손실 등으로 인해 문제가 발생할 수 있다.
임피던스 불일치를 개선하는 데는 세 가지 방법이 있으며, 모두 "임피던스 매칭"이라고 불린다.
"임피던스 매칭"을 수행하기 위해 에너지원과 부하 사이에는 변압기, 저항기, 인덕터, 커패시터 및 전송선 등의 조합을 사용한 다양한 장치가 사용된다.
음향 혼은 일종의 임피던스 변환 장치이며, 임피던스 정합을 수행하여 효율적으로 음향/진동을 전달하는 장치이다.
전기 회로에서 부하 임피던스를 변화시킬 때, 그 값이 신호원 임피던스의 복소 공액이 되는 경우에 전달되는 전력이 최대가 된다[8]。이는 특히 고주파 회로나 상승 속도가 빠른 펄스를 취급하는 디지털 회로에서 중요하며, 전송 선로의 특성 임피던스를 포함하여 일치시키게 된다. 임피던스가 정합되지 않으면 원하는 출력이 나오지 않거나, 전송 선로에 반사파나 정재파가 생겨 파형이 흐트러지거나, 감전이나 전파 장애 등이 일어나는 경우도 있다.
전력 조류 제어와는 달리, 전기 회로에서의 음성 주파수 등의 저주파 회로에서는, 같은 '''임피던스 정합'''이라는 용어가 전혀 다른 의미로 사용된다. 저주파 회로에서는 임피던스를 맞추지 않고, 비교적 낮은 신호원 임피던스로 내보내고, 높은 부하 임피던스로 받는 경우가 많다. 그러나 잡음 지수를 최소화하거나 진공관 앰프에서 정격 출력을 최대로 하는 등, 어떤 이유로 임피던스를 최적화하는 경우도 있으며, 그것을 '''임피던스 정합'''이라고 부른다. 이 의미로 최적화된 임피던스의 값은, 대부분의 경우, 신호원 임피던스의 복소 공액과는 일치하지 않는다[9]。
2. 1. 최대 전력 전달
최대 전력 전달 정리에 따르면, 신호원의 임피던스와 부하의 임피던스가 복소 공액 관계일 때 부하로 전달되는 전력이 최대가 된다.[8] 이는 다음 식으로 표현된다.
:
여기서 위첨자 *는 복소 공액을 나타낸다. 즉, 두 임피던스의 저항 성분은 같아야 하고, 리액턴스 성분은 크기가 같고 부호가 반대여야 한다.
저주파 또는 DC 시스템(또는 순수 저항 소스 및 부하가 있는 시스템)에서는 리액턴스가 0이거나 무시할 수 있을 정도로 작으므로, 부하의 저항이 소스의 저항과 같을 때 최대 전력 전달이 발생한다.
하지만 소스에 리액턴스 성분이 있고 부하가 순수 저항성인 경우에는, 부하에 크기는 같고 부호가 반대인 리액턴스를 추가하여 매칭을 달성할 수 있다. 그러나 이러한 단순한 매칭 회로는 일반적으로 단일 주파수에서만 완벽한 매칭을 달성할 수 있다. 넓은 대역폭이 필요한 경우에는 더 복잡한 회로망을 설계해야 한다.
임피던스 매칭이 항상 필요한 것은 아니다. 예를 들어, 전압 브리징은 전력 전달을 최대화하는 것보다 고전압을 전달하는 것이 더 중요할 때 사용된다.
과거 오디오 시스템에서는 전력 전달을 최대화하고 하이브리드 변압기의 정확한 작동을 보장하기 위해 소스 및 부하 저항을 600옴으로 매칭했다. 그러나 현대 오디오 회로는 능동 증폭 및 필터링을 사용하므로 전압 브리징 연결을 사용하는 경우가 많다.
임피던스 불일치를 개선하기 위해 변압기, 저항기, 인덕터, 커패시터 및 전송선 등의 조합을 사용한 다양한 장치가 사용된다.
고주파 회로나 디지털 회로에서는 임피던스가 정합되지 않으면 반사파나 정재파가 발생하여 문제가 발생할 수 있다. 따라서 종단 저항을 연결하여 무한장 선로가 연결된 것과 같이 만들어 문제를 해결한다.[9]
2. 2. 반사 최소화
전송선과 관련된 전기 시스템(예: 라디오 및 광섬유)에서 선의 각 끝단의 임피던스는 전송선의 특성 임피던스()와 일치해야 한다. 이는 선의 끝단에서 신호 반사를 방지하기 위함이다. 무선 주파수(RF) 시스템에서 소스 및 부하 임피던스의 일반적인 값은 50 옴이다. 일반적인 RF 부하는 1/4 파장 접지면 안테나(이상적인 접지면에서 37옴)이다.[4][5][6]
매질 1에서 매질 2로 이동하는 파동에 대한 전압 반사 계수는 다음과 같다.
:
매질 2에서 매질 1로 이동하는 파동에 대한 전압 반사 계수는 다음과 같다.
:
위 식에서 알 수 있듯, 반사 계수는 파동이 경계에 접근하는 방향에 관계없이 동일하다(부호 제외).[4][5][6]
전송선에서 파동은 전원으로부터 선로를 따라 이동하며, 임피던스가 급격하게 변하는 경계에 도달하면 파동의 일부는 반사되어 되돌아가고 일부는 계속해서 앞으로 이동한다. 이때, 전송선에서 부하로 가는 반사 계수()는 다음과 같이 나타낼 수 있다.[4][5][6]
:
전송선로의 소스단에는 소스와 선로 모두에서 입사파가 있을 수 있다. 각 방향에 대한 반사 계수는 다음과 같이 계산할 수 있다.
:
여기서 ''Zs''는 소스 임피던스이다. 선로에서 입사하는 파동의 소스는 부하 단에서 반사된 것이다. 소스 임피던스가 선로와 일치하면 부하 단에서 반사된 신호는 소스 단에서 흡수된다. 전송선로가 양쪽 끝에서 정합되지 않으면 부하에서 반사된 신호는 소스에서 다시 반사되고 부하 단에서 다시 반사되어 무한히 반복되며, 전송선로를 통과할 때마다 에너지를 잃는다. 이는 공진 조건을 유발하고 주파수에 크게 의존하는 동작을 야기할 수 있다. 협대역 시스템에서는 이를 정합에 활용할 수 있지만, 일반적으로 광대역 시스템에서는 바람직하지 않다.
전기 회로에서 부하 임피던스를 변화시킬 때, 그 값이 신호원 임피던스의 복소 공액이 되는 경우에 전달되는 전력이 최대가 된다.[8]
3. 전기 회로에서의 임피던스 정합
3. 1. 변압기 (Transformer)
변압기는 회로의 임피던스 매칭에 사용되기도 한다. 변압기는 한 전압의 교류를 다른 전압의 동일한 파형으로 변환한다. 변압기로의 전력 입력과 변압기에서 출력되는 전력은 동일하다(변환 손실 제외). 낮은 전압 쪽은 낮은 임피던스(권선 수가 적기 때문에)를 가지며, 높은 전압 쪽은 더 높은 임피던스(코일에 더 많은 권선이 있기 때문에)를 갖는다.
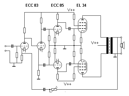
진공관 증폭기의 경우, 임피던스 변화 변압기를 사용하여 낮은 출력 임피던스를 얻고 증폭기의 성능을 부하 임피던스에 더 잘 맞추는 경우가 많다. 일부 진공관 증폭기에는 증폭기 출력을 일반적인 스피커 임피던스에 맞게 조정하기 위한 출력 변압기 탭이 있다.
진공관 기반 증폭기의 출력 변압기는 두 가지 기본 기능을 수행한다.
변압기의 2차 코일에 있는 스피커의 임피던스는 권선비의 제곱에 의해 전력 펜토드의 회로에서 1차 코일의 더 높은 임피던스로 변환되며, 이는 ''임피던스 스케일링 팩터''를 형성한다.
트랜스(변압기)는 '''임피던스 매칭'''을 위해 사용된다(이 경우, '''변성기'''라고 부르기도 한다).
한 가지 예는 진공관앰프의 출력에 스피커를 연결하는 경우에 사용되는 출력 트랜스이다. 진공관 출력 회로에 적합한 부하 임피던스는 수 kΩ 정도로 높고, 스피커의 임피던스는 4 - 16 Ω 정도로 낮기 때문에, 출력 트랜스에 의한 매칭이 사용된다. 출력 트랜스의 1차측 권수를 ''N''1, 2차측 권수를 ''N''2 라고 하면, 1차측에서는 스피커의 임피던스가 (''N''1/''N''2)2 배로 보인다. 예를 들어 ''N''1/''N''2 가 10 이라면, 앰프로부터는 스피커의 임피던스가 1000배로 보이므로, 8 Ω의 스피커는 8 kΩ으로 보이게 되어, 진공관 출력 회로로 구동하기에 적합하게 된다.[10]
3. 2. LC 정합 회로
코일과 콘덴서를 조합하여 특정 주파수 대역에서 임피던스 정합을 수행하는 회로이다. 고주파 회로에서 협대역 정합이 필요한 경우에 주로 사용된다.[2]
기본적인 LC 정합 회로는 커패시터 1개와 인덕터 1개로 구성된다. 오른쪽 그림에서 R1 > R2 이지만, R1 또는 R2 가 소스, 다른 쪽이 부하가 될 수 있다. X1 또는 X2 중 하나는 인덕터이고, 다른 하나는 커패시터이다. 하나의 리액턴스는 소스(또는 부하)와 병렬로 연결되고, 다른 하나는 부하(또는 소스)와 직렬로 연결된다. 리액턴스가 소스와 병렬로 연결되면, 높은 임피던스에서 낮은 임피던스로 매칭된다.[3]
병렬 리액턴스 은 일반적으로 커패시터이므로 음의 리액턴스를 갖는다. 이는 L-네트워크에 저역 통과 필터 기능도 제공하여 고조파 억제 기능을 추가한다.
임피던스 승압은 역으로, 소스와 직렬로 연결된 리액턴스이다. 임피던스 비율의 크기는 인덕터의 Q 팩터와 같은 리액턴스 손실에 의해 제한된다. 더 높은 임피던스 비율이나 더 넓은 대역폭을 얻기 위해 여러 L-섹션을 직렬로 연결할 수 있다.
고주파 회로에서는 용량 성분이나 유도 성분 등의 리액턴스 성분을 콘덴서나 코일로 상쇄하는 과정 또한 임피던스 정합이라고 부른다.
접속하는 회로 또는 부품의 임피던스가 복소 공액 관계가 되도록 정합 회로를 설계한다. 설계 방법으로는 이론 계산, 스미스 차트, 회로 시뮬레이터, 네트워크 분석기를 사용하는 방법이 있다.
값을 조정할 수 있는 코일 또는 콘덴서를 T형 또는 π형으로 접속하고, 전용 케이스에 넣은 것을 '''안테나 커플러''' 또는 '''안테나 튜너'''라고 부르기도 한다.
3. 3. 저항 정합 회로
저항성 임피던스 정합은 설계가 가장 간단하며, 두 개의 저항으로 구성된 간단한 L 패드로 구현할 수 있다. 저항성 네트워크를 사용하면 전력 손실이 불가피하게 발생하며, 일반적으로 라인 레벨 신호 전송에만 사용된다.[8]
저항기를 사용하면 간단하게 광대역으로 임피던스 정합을 할 수 있다. 예를 들어 부귀환을 건 연산 증폭기의 출력 임피던스는 0Ω으로 간주할 수 있지만, 특성 임피던스 75Ω의 동축 케이블을 연결하면 불일치가 발생한다. 이 경우 75Ω의 저항기를 직렬로 연결함으로써 동축 케이블과의 정합을 할 수 있다. 마찬가지로 수신 측의 비반전형 연산 증폭기의 입력 임피던스는 ∞로 간주할 수 있지만, 75Ω의 저항기를 병렬로 연결하여 동축 케이블과의 정합을 할 수 있다.
LC만으로 정합을 하면 정합 회로 자체가 필터 회로로 동작해 버리기 때문에 특정 주파수에서만 정합이 이루어지는 문제가 발생한다. 또한 LC를 사용하여 정합을 함으로써 필요 이상으로 게인이 높아지거나, 임피던스가 주파수 특성을 가지게 되어 회로가 불안정해지는 경우도 있다. 이러한 경우 저항으로 정합을 하는 것이 수행된다. 저주파와 마찬가지로 직렬 저항을 삽입하는 것 외에도, 저항으로 구성된 감쇠기를 사용할 수도 있다. 이 목적으로 추가된 감쇠기는 패드라고 불리며, 일반적으로 3 - 6 dB 정도의 감쇠량을 사용한다. LPF 등 주파수 특성을 갖는 필터나, 믹서와 같이 비선형적인 임피던스를 갖는 회로에 대한 정합 수법으로도 사용된다.[9]
3. 4. 전송 선로
전송선과 관련된 전기 시스템(예: 라디오 및 광섬유)에서 선의 길이가 신호의 파장에 비해 길 때(신호가 소스에서 부하로 이동하는 데 걸리는 시간에 비해 빠르게 변함), 선의 각 끝단의 임피던스는 전송선의 특성 임피던스()와 일치시켜 선의 끝단에서 신호의 반사를 방지할 수 있다.[1] 무선 주파수(RF) 시스템에서 소스 및 부하 임피던스의 일반적인 값은 50 옴이다. 일반적인 RF 부하는 1/4 파장 접지면 안테나 (이상적인 접지면에서 37옴)이다.
매질 1에서 매질 2로 이동하는 파동에 대한 전압 반사 계수는 다음과 같다.
:
매질 2에서 매질 1로 이동하는 파동에 대한 전압 반사 계수는 다음과 같다.
:
위 식에서 이므로, 반사 계수는 파동이 경계에 접근하는 방향에 관계없이 동일하다(부호 제외).
전류 반사 계수는 전압 반사 계수의 음수이다. 파동이 부하 단에서 개방 회로를 만나면 양의 전압 및 음의 전류 펄스가 소스 쪽으로 다시 전송된다(음의 전류는 전류가 반대 방향으로 흐른다는 의미). 각 경계에는 4개의 반사 계수(한쪽의 전압과 전류, 다른 쪽의 전압과 전류)가 있으며, 부호를 제외하고 모두 동일하다.
전송선에서 부하로 가는 반사 계수 ()는 다음과 같이 나타낼 수 있다.
:[4][5][6]
전송선로의 소스단에는 소스와 선로 모두에서 입사파가 있을 수 있으며, 각 방향에 대한 반사 계수는 다음과 같이 계산할 수 있다.
:
여기서 ''Zs''는 소스 임피던스이다.
소스 임피던스가 선로와 일치하면 부하 단에서 반사된 신호는 소스 단에서 흡수된다. 전송선로가 양쪽 끝에서 정합되지 않으면 부하에서 반사된 신호는 소스에서 다시 반사되고 부하 단에서 다시 반사되어 무한히 반복되며, 전송선로를 통과할 때마다 에너지를 잃는다. 이는 공진 조건을 유발하고 주파수에 크게 의존하는 동작을 야기할 수 있다.
4. 음향 임피던스 정합
음향 임피던스는 음압을 체적 유속으로 나눈 값으로, 음파가 매질을 통과할 때 겪는 저항을 나타낸다. 서로 다른 매질 사이에서 음향 임피던스가 크게 다르면, 음파는 경계면에서 대부분 반사되거나 흡수된다.[11] 예를 들어, 공기 중의 음파는 수면에서 거의 반사되어 물속으로 잘 전달되지 않는다. 이는 물의 음향 임피던스가 공기보다 훨씬 크기 때문이다.[11]
의료 초음파 검사에서는 젤을 사용하여 변환기와 신체 사이의 음향 임피던스 차이를 줄여 음파가 효율적으로 신체 내부로 전달되도록 한다. 젤이 없으면 변환기와 공기, 공기와 신체 사이의 임피던스 불일치로 인해 대부분의 음향 에너지가 반사되어 신체 내부로 들어가는 에너지가 거의 없게 된다.[11]
음파는 튜브의 개방단이나 폐쇄단에서도 특성 임피던스 차이 때문에 반사된다. 개방단은 임피던스가 낮고, 폐쇄단은 임피던스가 높다.[11]
일반적으로 에너지 (전력량 등)의 전송을 원활하게 수행하려면 임피던스 정합에 대한 연구가 필요하다. 단순히 장치들을 전기적으로 연결하는 것만으로는 에너지 반사나 손실 등의 문제가 발생할 수 있다.[11]
4. 1. 음향 혼 (Horn)
혼은 스피커 시스템에서 전기 회로의 변압기처럼 사용되어 변환기의 임피던스를 공기의 임피던스와 일치시킨다. 이 원리는 혼 스피커와 악기 모두에 사용된다.[11] 금관 악기에서 나팔 모양의 개구부는 컷오프 주파수 이상의 음파에 대해 혼으로 작용하여 효율적으로 음파를 방사한다.[11]음향 임피던스는 매질 내 음속과 매질의 밀도의 곱으로 나타낸다. 대표적인 매질의 음향 임피던스는 다음과 같다.[11]
| 매질 | 밀도 (kg/m3) | 음속 (m/s) | 음향 임피던스 (kg/m2s) | 비고 |
|---|---|---|---|---|
| 공기 | 1.29 | 331 | 428 | 1℃, 1기압 |
| 물 | 1×103 | 1452 | 25℃ | |
| 유리 | 2.42×103 | 5440 | ||
| 천연 고무 | 0.97×103 | 1500 | 1MHz | |
| 얼음 | 0.917×103 | 3980 | ||
| 철 | 7.86×103 | 5950 | ||
| 구리 | 8.96×103 | 5010 | ||
| 알루미늄 | 2.69×103 | 6420 | ||
| 납 | 11.3×103 | 1960 | ||
| 폴리에틸렌 | 0.9×103 | 1950 |
4. 2. 중이 (Middle ear)
중이의 뼈는 고막(공기의 진동에 의해 작용)과 액체로 채워진 내이 사이의 기계적 임피던스를 일치시키는 일련의 지렛대 역할을 한다.[11] 이소골은 공기 중의 음파를 내이의 림프액으로 효율적으로 전달하는데, 이는 물과 공기의 특성 임피던스 차이에 맞춰 소리를 전달하는 것과 유사한 원리이다.[11]5. 기계 임피던스 정합

질량 ''m''인 물체가 다른 물체와 탄성 충돌할 때, 두 번째 물체로 에너지가 최대로 전달되는 경우는 두 번째 물체의 질량이 ''m''으로 동일할 때이다. 동일한 질량의 두 물체가 정면 충돌하면, 첫 번째 물체의 에너지는 두 번째 물체로 완전히 전달된다. (예: 뉴턴의 진자) 이 경우, 질량은 에너지 전달을 최대화하기 위해 일치해야 하는 "기계적 임피던스"로 작용한다.[1]
만약 과 가 각각 움직이는 물체와 정지해 있는 물체의 질량이고, ''P''가 시스템의 운동량(충돌 과정 전체에서 일정하게 유지됨)이라면, 충돌 후 두 번째 물체의 에너지는 ''E''2는 다음과 같다.
:
이는 전력 전달 방정식과 유사하다.
물체의 질량을 변경할 수 없는 경우에는 지렛대를 사용하여 임피던스를 일치시킬 수 있다. 큰 공이 땅에 떨어지고, 작은 공이 땅 위에 놓여 있다고 가정해 보자. 큰 공은 지렛대의 짧은 쪽에 부딪히고, 작은 공은 지렛대의 긴 쪽에서 발사될 것이다. 지렛대 팔의 길이가 를 만족하고, 충돌이 탄성 충돌이라면 모든 에너지가 작은 공으로 전달될 것이다. 이것이 중이가 작동하는 방식이다.
기계적인 동작과 전기 회로의 동작은 아래 표와 같이 대응시켜 같은 식으로 나타낼 수 있다.
| 기계 | 전기 |
|---|---|
| 병렬적인 지지 | 직렬 연결 |
| 힘 | 전압 |
| 속도 | 전류 |
| 질량 | 인덕턴스 |
| 컴플라이언스 (스프링 상수의 역수) | 캐패시턴스 |
| 기계 저항 | 저항 |
전기적인 임피던스는 전압/전류이므로, 기계 임피던스는 힘/평균 입자 속도(SI 단위는 N⋅s/m)이다. 또한 기계적인 일률은 전압과 전류의 곱, 즉 전력에 대응한다.
6. 임피던스 정합의 응용 분야 (한국의 관점)
임피던스 정합은 통신, 음향 기기, 전력 시스템, 의료 기기 등 다양한 분야에서 활용되며, 한국 산업 발전에도 중요한 역할을 한다.
- 통신: 전화 시스템은 장거리 회선에서 에코를 최소화하고 하이브리드 코일(2선-4선 변환)이 제대로 작동하도록 임피던스 정합을 사용한다. 고주파 회로나 디지털 회로에서는 종단 저항을 연결하여 반사파나 정재파를 방지한다.[9] 안테나와 무선기 임피던스 정합에는 '안테나 커플러' 또는 '안테나 튜너'를 사용하며, 라디오나 휴대 전화 등 전파 사용 기기 내부 고주파 회로 및 IC에 필수적이다.
- 음향 기기: 오디오 증폭기는 스피커 댐핑 팩터 개선을 위해 낮은 출력 임피던스를 사용하며, 진공관 증폭기는 임피던스 변환 변압기를 사용하기도 한다.[9] 트랜스(변압기)는 진공관앰프 출력에 스피커를 연결하는 경우처럼 임피던스 정합에 사용된다. 음파 전파에도 임피던스를 도입하며, '음향 임피던스'는 음압을 체적 유속으로 나눈 값이다.[11] 물의 음향 특성 임피던스는 약 , 공기는 약 410 N·s/m3이다.
| 매질 | 밀도 (kg/m3) | 음속 (m/s) | 음향 임피던스 (kg/m2s) | 비고 |
|---|---|---|---|---|
| 공기 | 1.29 | 331 | 428 | 1℃, 1기압 |
| 물 | 1×103 | 1452 | 25℃ | |
| 유리 | 2.42×103 | 5440 | ||
| 천연 고무 | 0.97×103 | 1500 | 1MHz | |
| 얼음 | 0.917×103 | 3980 | ||
| 철 | 7.86×103 | 5950 | ||
| 구리 | 8.96×103 | 5010 | ||
| 알루미늄 | 2.69×103 | 6420 | ||
| 납 | 11.3×103 | 1960 | ||
| 폴리에틸렌 | 0.9×103 | 1950 |
- 전력 시스템: 역률 보정 장치는 전력선 끝단 부하의 무효 및 비선형 특성을 상쇄하여 전력선에서 보이는 부하가 순수 저항성을 가지도록 한다. 최대 전력점 추적기는 태양광 패널에서 최대 전력을 추출한다.[8] 전력망에서는 축전기 뱅크로 역률 보정을 한다.
- 의료 기기: 초음파 진단 장비에서 초음파 변환기와 인체 사이 음향 임피던스 정합으로 진단 영상 품질을 높인다.[11]
6. 1. 통신
전화 시스템은 장거리 회선에서 에코를 최소화하고, 하이브리드 코일(2선식-4선식 변환)이 제대로 작동하도록 임피던스 매칭을 사용한다. 전화 신호는 중앙 사무소(또는 교환국)로 가는 동일한 2선 회로에서 송수신되므로, 과도한 사이드톤이 들리지 않도록 전화 수화기에서 상쇄가 필요하다. 전화 신호 경로에 사용되는 모든 장치는 일반적으로 일치하는 케이블, 소스 및 부하 임피던스에 의존하며, 지역 루프에서 선택된 임피던스는 600옴(공칭)이다.[8]고주파 회로나 빠른 펄스를 다루는 디지털 회로에서는 임피던스가 정합되지 않으면 원하는 출력이 나오지 않거나, 전송 선로에 반사파나 정재파가 생겨 파형이 흐트러지거나, 감전이나 전파 장애 등이 일어날 수 있다. 따라서 고주파 회로에서는 종단에 종단 저항을 연결하여 무한장 선로가 연결되어 있는 것과 동일하게 한다.[9]
고주파 회로에서 협대역에서만 정합이 이루어지면 충분한 경우, 코일과 콘덴서의 조합에 의한 정합 회로가 사용되는 경우가 많다. 콘덴서나 코일의 비율을 조정하여 전원 측과 부하 측의 정합을 도모한다. 접속하는 회로 또는 부품의 임피던스가 복소 공액 관계가 되도록 정합 회로를 설계하며, 설계 방법으로는 이론 계산, 스미스 차트, 회로 시뮬레이터, 네트워크 분석기를 사용하는 방법 등이 있다.
안테나와 무선기의 임피던스 정합을 위해 값을 조정할 수 있는 코일 또는 콘덴서를 T형 또는 π형으로 접속하고, 전용 케이스에 넣은 것을 '''안테나 커플러''' 또는 '''안테나 튜너'''라고 부른다. 라디오나 휴대 전화 등 전파를 사용하는 기기 내부의 고주파 회로 및 고주파 IC는 임피던스 정합 회로가 필수적이다.
6. 2. 음향 기기
오디오 증폭기는 스피커의 댐핑 팩터를 개선하기 위해 부하 임피던스보다 낮은 출력 임피던스(일반적인 반도체 증폭기에서 0.1Ω 미만)를 제공한다. 진공관 증폭기의 경우, 낮은 출력 임피던스를 얻고 증폭기의 성능을 부하 임피던스에 더 잘 맞추기 위해 임피던스 변환 변압기를 사용하기도 한다. 일부 진공관 증폭기에는 증폭기 출력을 일반적인 스피커 임피던스에 맞게 조정하기 위한 출력 변압기 탭이 있다.[9]진공관 기반 증폭기의 출력 변압기는 두 가지 기본 기능을 수행한다.[10]
- 진공관 기반 전력단의 애노드 회로에서 교류 전류 성분(오디오 신호 포함)과 직류 전류 성분(전원 공급 장치에서 공급)을 분리한다. 스피커는 직류 전류에 노출되지 않아야 한다.
- 공통 캐소드 구성에서 전력 펜토드(예: EL34)의 출력 임피던스를 감소시킨다.
변압기의 2차 코일에 있는 스피커의 임피던스는 권선비의 제곱에 의해 전력 펜토드의 회로에서 1차 코일의 더 높은 임피던스로 변환되며, 이를 '임피던스 스케일링 팩터'라고 한다.
MOSFET 또는 전력 트랜지스터가 있는 공통 드레인 또는 공통 컬렉터 반도체 기반 엔드 스테이지의 출력단은 매우 낮은 출력 임피던스를 갖는다. 제대로 균형을 이루면 AC를 DC 전류와 분리하기 위해 변압기 또는 큰 전해 콘덴서가 필요하지 않다.
트랜스(변압기)는 임피던스 매칭을 위해 사용된다(이 경우, '변성기'라고 부르기도 한다). 한 가지 예는 진공관앰프의 출력에 스피커를 연결하는 경우에 사용되는 출력 트랜스이다. 진공관 출력 회로에 적합한 부하 임피던스는 수 kΩ 정도로 높고, 스피커의 임피던스는 4 - 16 Ω 정도로 낮기 때문에, 출력 트랜스에 의한 매칭이 사용된다. 출력 트랜스의 1차측 권수를 ''N''1, 2차측 권수를 ''N''2 라고 하면, 1차측에서는 스피커의 임피던스가 (''N''1/''N''2)2 배로 보인다. 예를 들어 ''N''1/''N''2 가 10 이라면, 앰프로부터는 스피커의 임피던스가 1000배로 보이므로, 8 Ω의 스피커는 8 kΩ으로 보이게 되어, 진공관 출력 회로로 구동하기에 적합하게 된다.
입력 측에서도 입력 트랜스를 사용하는 경우가 있으며, 음성 회로에서는 임피던스 매칭과 함께, 동상 잡음 제거를 위한 평형 회로를 불평형 회로로 변환하는 목적을 겸하는 경우가 많다. 다만 레코드 플레이어의 무빙 코일(MC)형 카트리지용 트랜스는 임피던스 매칭이나 평형-불평형 변환이 아니라, 주로 승압(MM형과의 레벨 맞춤)의 목적으로 사용되고 있다.
음파의 전파에도 임피던스를 도입할 수 있다. '음향 임피던스'는 한 면에서의 (복소 표시에 의한) 음압(SI 단위는 Pa)을 (복소 표시에 의한) 체적 유속(SI 단위는 m3/s)으로 나눈 것으로, SI 단위는 Pa·s/m3이다. 또한, 평면 진행파에 대해 음압을 입자 속도로 나눈 것은, 그 매질의 특성 임피던스(SI 단위는 Pa·s/m)라고 한다. 이는 전기에서의 전류에 대한 전압의 비에 대응하는 것이다. 특히 평면파의 경우에는 매질의 밀도와 매질 내 음속의 곱으로 나타낸다. 음향 임피던스의 단위는 Pa·s/m3 또는 N·s/m5 (결국 같다)이다. 이처럼 음향 임피던스와 음파에 대한 특성 임피던스는 다른 개념의 물리량이다.[11]
물의 (음향) 특성 임피던스는 약 이며, 공기의 특성 임피던스는 약 410 N·s/m3이다.
음향 임피던스는 매질 내 음속과 매질의 밀도의 곱으로 나타낸다. 대표적인 매질의 음향 임피던스는 다음과 같다.
| 매질 | 밀도 (kg/m3) | 음속 (m/s) | 음향 임피던스 (kg/m2s) | 비고 |
|---|---|---|---|---|
| 공기 | 1.29 | 331 | 428 | 1℃, 1기압 |
| 물 | 1×103 | 1452 | 25℃ | |
| 유리 | 2.42×103 | 5440 | ||
| 천연 고무 | 0.97×103 | 1500 | 1MHz | |
| 얼음 | 0.917×103 | 3980 | ||
| 철 | 7.86×103 | 5950 | ||
| 구리 | 8.96×103 | 5010 | ||
| 알루미늄 | 2.69×103 | 6420 | ||
| 납 | 11.3×103 | 1960 | ||
| 폴리에틸렌 | 0.9×103 | 1950 |
6. 3. 전력 시스템
역률 보정 장치는 전력선 끝단의 부하가 가진 무효 및 비선형 특성을 상쇄하여 전력선에서 보이는 부하가 순수 저항성을 가지도록 한다. 이는 전력선을 통해 공급되는 실제 전류를 최소화하고, 전력선의 저항에서 낭비되는 전력을 최소화한다. 예를 들어, 최대 전력점 추적기는 태양광 패널에서 최대 전력을 추출하여 배터리, 전력망 또는 기타 부하로 효율적으로 전달하는 데 사용된다.[8]태양광 패널의 "상류" 연결에는 최대 전력 정리가 적용되어 태양광 패널 소스 저항과 동일한 부하 저항을 에뮬레이션한다. 반면 "하류" 연결에는 임피던스 브릿징 연결이 적용되어 효율성을 극대화하기 위해 고전압, 저저항 소스를 에뮬레이션한다.[9]
전력망에서 전체 부하는 일반적으로 유도성이므로, 축전기 뱅크를 통해 역률 보정을 달성한다. 공급 주파수와 같이 단일 주파수에서만 보정이 이루어지면 되기 때문에, 복잡한 네트워크는 주파수 대역을 일치시켜야 할 때만 필요하며, 이것이 단순한 축전기가 일반적으로 역률 보정에 필요한 전부인 이유이다.
6. 4. 의료 기기
초음파 진단 장비에서 초음파 변환기와 인체 사이의 음향 임피던스 정합을 통해 진단 영상의 품질을 향상시킨다.[11]참조
[1]
논문
Impedance matching with an adjustable segmented transmission line
2009-07
[2]
서적
Microwave Engineering
[3]
서적
Introduction to Radio Frequency Design
https://archive.org/[...]
ARRL
[4]
문서
[5]
문서
[6]
문서
[7]
문서
[8]
문서
[9]
문서
[10]
문서
[11]
서적
超音波技術 基礎のきそ
日刊工業新聞社
2007-11-29
본 사이트는 AI가 위키백과와 뉴스 기사,정부 간행물,학술 논문등을 바탕으로 정보를 가공하여 제공하는 백과사전형 서비스입니다.
모든 문서는 AI에 의해 자동 생성되며, CC BY-SA 4.0 라이선스에 따라 이용할 수 있습니다.
하지만, 위키백과나 뉴스 기사 자체에 오류, 부정확한 정보, 또는 가짜 뉴스가 포함될 수 있으며, AI는 이러한 내용을 완벽하게 걸러내지 못할 수 있습니다.
따라서 제공되는 정보에 일부 오류나 편향이 있을 수 있으므로, 중요한 정보는 반드시 다른 출처를 통해 교차 검증하시기 바랍니다.
문의하기 : help@durumis.com