교류
"오늘의AI위키"의 AI를 통해 더욱 풍부하고 폭넓은 지식 경험을 누리세요.
1. 개요
교류는 시간의 흐름에 따라 전압과 전류의 방향이 주기적으로 바뀌는 전기 현상이다. 교류 전원 주파수는 국가별로 다르며, 대한민국은 60Hz를 사용한다. 교류는 변압이 용이하여 장거리 송전에 유리하며, 발전소에서 생산된 전력을 가정 및 산업 현장에 공급하는 데 사용된다. 교류는 주파수, 최대 진폭, 파형, 위상으로 구성되며, 실효값, 평균값, 파고율, 파형률 등의 개념을 통해 크기를 나타낸다. 교류 회로에서는 저항, 코일, 콘덴서가 전류를 방해하며, 임피던스를 통해 이를 표현한다. 교류 전력은 유효 전력, 피상 전력, 역률, 무효 전력, 무효율 등으로 구분되며, 비정현파 교류는 기본파와 고조파를 포함한다. 교류는 전지에는 직접 사용할 수 없으며, 충전 시 정류가 필요하다.
더 읽어볼만한 페이지
- 교류 전력 - 단상 전력
단상 전력은 소규모 지역이나 건물에서 사용되는 교류 전력 전송 방식으로, 초기 AC 전력 시스템 구축 이후 3상 전력 공급이 어려운 곳에서 상 변환기를 사용하거나 철도 전철 시스템, 일본의 저압 배전 계통 등에서 활용된다. - 교류 전력 - 역률
역률은 교류 회로에서 전압과 전류의 위상차를 나타내는 지표로, 유효 전력과 피상 전력의 비율이며, 전력 효율을 높이기 위해 역률 개선 장치와 자동 역률 제어 장치를 사용한다. - 전류 - 드루드 모형
드루드 모형은 금속을 양이온과 자유전자로 구성되어 있으며 전자-이온 충돌로 운동량이 변한다는 가정하에 금속의 전기적, 열적 성질을 설명하는 고전적 물리 모델이지만, 전자의 열용량 과대평가 등 한계로 개선된 모델이 필요하며 금속의 전기적 성질 이해에 기여했다. - 전류 - 직류
직류(DC)는 전압이나 전류의 크기와 방향이 시간에 따라 변하지 않고 일정한 전력 시스템으로, 전지나 정전기에 의해 발생하며, 초기에는 발전 사업에 사용되었으나 교류에 밀려났다가 고압 직류 송전 기술 개발로 장거리 송전 분야에서 다시 활용된다. - 전력 - 직류
직류(DC)는 전압이나 전류의 크기와 방향이 시간에 따라 변하지 않고 일정한 전력 시스템으로, 전지나 정전기에 의해 발생하며, 초기에는 발전 사업에 사용되었으나 교류에 밀려났다가 고압 직류 송전 기술 개발로 장거리 송전 분야에서 다시 활용된다. - 전력 - 애자
애자는 전기 절연성, 내후성, 기계적 강도가 요구되는 장치로, 고압 전선을 지지하고 장력을 유지하며, 도자기, 유리, 폴리머 등 다양한 재질로 만들어진다.
| 교류 | |
|---|---|
| 교류 | |
| 정의 | 주기적으로 방향이 바뀌는 전류 |
| 종류 | 정현파 교류 비정현파 교류 |
| 특징 | |
| 응용 | |
2. 교류 전원 주파수
전력계통의 주파수는 국가마다, 때로는 국가 내에서도 다르다. 대부분의 전력은 50 또는 60 헤르츠(Hz)로 발전된다. 일본에서는 50Hz와 60Hz를 혼용한다.
2. 1. 낮은 주파수
저주파는 전동기 설계, 특히 호이스트, 파쇄 및 압연 응용 분야와 철도와 같은 응용 분야의 정류자형 궤도 전동기 설계에 유리하다. 그러나 저주파는 아크등과 백열전구에서 눈에 띄는 깜빡임을 유발한다. 또한 저주파를 사용하면 주파수에 비례하는 송전 손실을 줄일 수 있다는 장점이 있다.최초의 나이아가라 폭포 발전기는 궤도 및 대형 유도 전동기를 위한 저주파와 백열등 작동(눈에 띄는 깜빡임은 있지만)을 모두 허용하는 절충안으로 25Hz 전력을 생산하도록 만들어졌다. 나이아가라 폭포 전력의 25Hz 주택 및 상업 고객 대부분은 1950년대 후반까지 60Hz로 전환되었지만, 21세기 초까지도 일부 25Hz 산업 고객이 여전히 존재했다. 16.7Hz 전력(이전에는 16 2/3Hz)은 오스트리아, 독일, 노르웨이, 스웨덴 및 스위스와 같은 일부 유럽 철도 시스템에서 여전히 사용되고 있다.
2. 2. 높은 주파수
해양, 군사, 섬유 산업, 해상, 항공, 우주 응용 분야에서는 장비 무게 감소 또는 모터 속도 향상을 위해 때때로 400Hz를 사용한다. 컴퓨터 메인프레임 시스템은 더 작은 내부 AC-DC 변환 장치를 사용하면서 리플 감소의 이점을 얻기 위해 종종 400Hz 또는 415Hz로 구동된다.3. 높은 주파수에서 효과
직류는 균질한 전기 전도성을 가진 전선의 단면 전체에 균일하게 흐른다. 하지만 교류는 주파수가 높아질수록 전선의 중심에서 멀어져 바깥 표면으로 향하게 되는데, 이를 표피 효과라고 한다. 이는 교류가 전자기파를 생성하고, 전기 도체가 전자기파를 잘 통과시키지 않아 전선 중심에서 교류가 밀려나기 때문이다.
매우 높은 주파수에서는 전류가 전선 내부가 아닌 표면에서 흐르며, 표피 깊이는 전류 밀도가 63% 감소하는 두께를 의미한다. 송전에 사용되는 비교적 낮은 주파수(50 Hz – 60 Hz)에서도 충분히 두꺼운 도체에서는 전류의 불균일 분포가 발생한다. 예를 들어 구리 도체의 표피 깊이는 60 Hz에서 약 8.57 mm이다. 도체 주변부에서 교류가 흐르면 도체의 유효 단면적이 감소하고, 저항은 단면적에 반비례하기 때문에 도체의 유효 교류 저항이 증가한다. 따라서 교류 저항은 직류 저항보다 높아져 줄 열로 인한 에너지 손실이 더 커진다.[1]
3. 1. 교류 저항 감소 기술
직류는 전선의 단면 전체에 균일하게 흐르지만, 교류는 전선 중심에서 멀어져 바깥 표면으로 향하게 된다. 이는 교류가 전자기파를 생성하기 때문인데, 전기 도체는 전자기파를 잘 통과시키지 않으므로 전선 중심에서 교류가 밀려나는 표피 효과가 발생한다.매우 높은 주파수에서는 전류가 전선 내부가 아닌 표면에서 흐르며, 표피 깊이는 전류 밀도가 63% 감소하는 두께이다. 송전에 사용되는 낮은 주파수(50 Hz – 60 Hz)에서도 굵은 도체에서는 전류의 불균일 분포가 발생한다. 예를 들어 구리 도체의 표피 깊이는 60 Hz에서 약 8.57 mm이므로, 고전류 도체는 무게와 비용을 줄이기 위해 속이 빈 형태로 만들어진다. 도체 주변부에서 교류가 흐르는 경향은 도체의 유효 단면적을 감소시켜 교류 저항을 증가시키고, 이는 줄 열로 인한 에너지 손실을 초래한다.
저주파에서 중주파 영역에서는 도체를 여러 가닥의 절연된 가는 전선으로 구성하고 각 가닥의 위치를 특별히 배치하여 리츠선을 만들 수 있다. 이 방법은 표피 효과를 부분적으로 완화하여 전류 분포를 균등하게 한다. 리츠선은 고Q 인덕터 제작, 저주파에서 매우 높은 전류를 전달하는 유연한 도체의 손실 감소, 스위칭 모드 전원 공급 장치 및 고주파 변압기와 같이 더 높은 고주파 전류(수십 kHz까지)를 전달하는 장치의 권선에 사용된다.
4. 교류 발전
발전소에서는 통상 삼상 교류발전기를 이용한다.[38] 발전된 전력은 변압기를 통해 특고압으로 변전되어 교류 송전된다. 해저 송전 등에는 정류기와 인버터를 사용한 직류 송전도 이용된다.
배전에 이용되는 전기 방식은 삼상 4선식, 삼상 3선식, 단상 3선식 등이 있다.
5. 송전, 배전 및 가정용 전원 공급


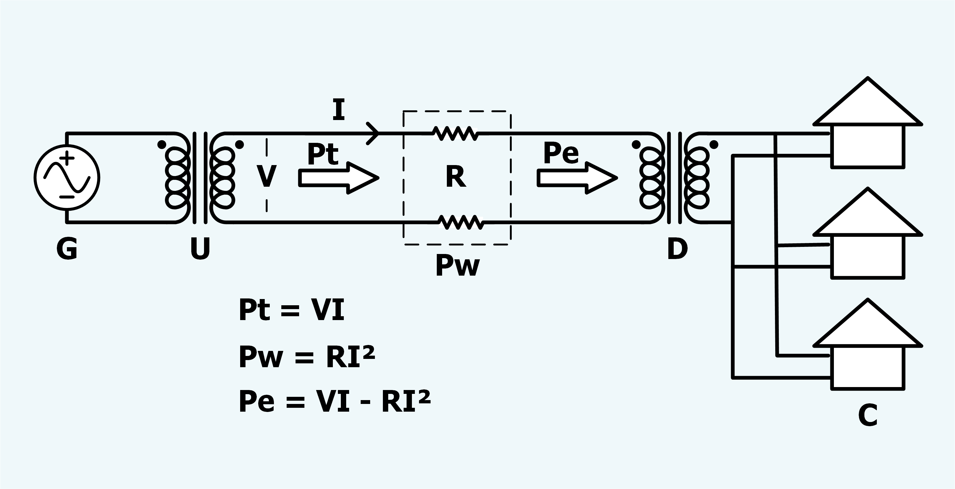
교류(AC) 전기는 변압기를 사용하여 전압을 쉽게 올리거나 낮출 수 있어 송전선을 통해 효율적으로 전력을 전송할 수 있다. 고전압으로 송전하면 전선의 저항 때문에 열로 손실되는 에너지를 줄일 수 있다. 전력 손실()은 전류(I)의 제곱과 전선 저항(R)의 곱으로, 공식으로 나타낸다. 송전되는 전력은 전류와 전압의 곱이므로(), 고전압 송전은 저전압 송전에 비해 동일한 전력을 전달할 때 손실을 유발하는 전류가 적게 필요하다. 전력은 종종 수십만 볼트로 송전된 후, 수만 볼트로 낮춰져 저 레벨 송전선으로 보내지고, 가정용으로는 100V – 240V로 최종 강압된다.
발전소에서는 발전기 설계에 적합한 전압으로 에너지를 생성한 후 송전을 위해 고전압으로 승압한다. 부하 근처에서는 송전 전압을 장비 사용 전압으로 강압한다. 소비자 전압은 국가와 부하 크기에 따라 다르지만, 일반적으로 모터와 조명은 상 간에 수백 볼트까지 사용하도록 제작된다.
3상 발전은 매우 일반적이다. 발전기 고정자에 120° 간격으로 배치된 세 개의 분리된 코일을 사용하면, 크기가 같고 120° 위상차를 갖는 세 개의 전류 파형이 생성된다. 3상 시스템의 부하가 균등하게 분산되면 중성점을 통해 전류가 흐르지 않는다.
3상 강압 시에는 델타(3선) 1차 및 스타(4선, 중성점 접지) 2차 변압기가 주로 사용되어 공급측에 중성선이 필요하지 않다. 소규모 고객에게는 단상 및 중성선 또는 두 상 및 중성선만 공급되고, 대규모 설비는 3상과 중성선이 모두 주 배전반으로 공급된다.
전력회사가 공급하는 교류 상용 전원의 주파수는 국가마다 다르며, 60Hz 또는 50Hz이다. 대한민국은 현재 60Hz를 사용한다.
5. 1. 역사
마이클 패러데이의 원리를 기반으로 1832년 이폴리트 픽시가 최초의 교류 발전기를 제작했다.[3] 1855년 기욤 뒤센은 전기 치료법에서 교류가 직류보다 우수하다고 발표했다.[4]1876년 파벨 야블로치코프는 고전압 교류 회선을 따라 여러 개의 유도 코일이 설치된 조명 시스템을 발명했다. 이 시스템은 1차 권선이 여러 개의 전기 캔들(아크 램프)에 연결된 2차 권선으로 전력을 전달하여 하나의 램프 고장 시 전체 회로가 작동하지 않도록 했다.[31][5]
1878년 헝가리 강츠 공장(Ganz Works)은 전기 조명 장비를 생산하기 시작했고, 1883년까지 오스트리아-헝가리 제국에 50개가 넘는 시스템을 설치했다.[6]
1881년 뤼시앵 갤러드와 존 딕슨 기브스가 개발한 2극 개방 코어 변압기가 런던에서 시연되었다.[7]
1884년 가을, 카로이 지페르노프스키, 오토 블라티, 믹사 데리는 개방 코어 장치는 전압을 안정적으로 조절할 수 없다는 것을 알아냈다. 블라티는 폐쇄 코어를, 지페르노프스키는 병렬 분기 연결을 제안했고, 데리는 실험을 수행했다.[9] 1885년 공동 특허 출원한 새로운 변압기(ZBD 변압기)는 구리 권선이 철선 링 코어에 감겨 있거나 철선 코어로 둘러싸인 폐쇄 자기 회로를 가졌다.[32] 이 변압기는 갤러드와 기브스의 개방 코어 2극 장치보다 3.4배 더 효율적이었다.[10] 간츠 공장은 1884년 세계 최초의 고효율 교류 변압기 5대를 출하했다.[33] ZBD 특허에는 병렬 연결된 이용 부하 사용과, 공급망 전압이 이용 부하의 전압보다 훨씬 높을 수 있도록 높은 권선비 변압기를 갖는 기능이 포함되었다.[11][12]
1885년, 세 엔지니어는 전자기 코어의 적층 발명으로 와전류 손실 문제를 해결했다.[16] 오토 블라티는 최초의 교류 전력량계도 발명했다.[17][18][19][20]
6. 교류 이론
플레밍의 오른손 법칙에 따라 균일한 자기장 속에서 코일을 일정한 속도로 회전시키면 기전력이 발생한다. 이때 발생하는 기전력은 코일의 회전각에 따라 양(+)과 음(-)의 방향을 번갈아 가지는 정현파(사인파) 형태를 띠며, 이를 교류 기전력이라고 한다. 즉, 코일이 반 바퀴 회전할 때마다 기전력의 방향이 바뀌면서 교류가 생성된다.[1]
6. 1. 교류의 3요소
교류 신호는 다음 세 가지 요소로 구성되며, 이 요소들을 특정함으로써 임의의 교류 파형을 얻을 수 있다.# '''주파수'''
#* 주기적인 패턴이 1초 동안 반복되는 횟수. 기호는 ''f'', 단위는 헤르츠(Hz)이다. 코일의 회전각에 따라 결정된다. 주기 ''T''(단위 s)는 주파수의 역수가 된다.
#*:
# '''최대 진폭'''
#* 순시값의 절대값 중 최댓값.
# '''파형'''
#* 가로축을 시간, 세로축을 순시값을 하는 직교좌표에 나타낸 형태.
위의 세 요소에 '''위상'''(1주기 중의 위치)을 추가하여 네 가지 요소로 하기도 한다. 위상의 차이를 위상차라고 하며, 두 파의 위상각 중 한 파가 커질 때를 위상의 진행, 반대로 작아질 때를 위상의 지연, 같아질 때를 동상(동위상)이라고 한다.
6. 2. 순시값
자속밀도 ''B'' (T), 코일의 길이 ''l'' (m), 코일의 속도 ''v'' (m/s), 코일의 수직면에 대한 각도를 θ라고 할 때, 시간에 따라 변화하는 코일에서 발생하는 기전력 ''e''는 다음과 같다.:e영어 = 2Blvsinθ = Em영어sinθ
이 식을 순시식이라고 하며, 어떤 시간에서의 기전력을 순시값(instantaneous value)이라고 한다. 순시값은 코일의 회전각 변화에 따라 순간순간 변한다. 또한, 순시값이 최대가 되는 값을 최댓값(maximum value) 또는 파고값(peak value)이라고 하며 ''E''m으로 나타낸다. 이상을 각속도 ω (rad/s), 시간 ''t'' (s)로 하여 라디안으로 표현하면 다음과 같다.
:Em영어sinθ = Em영어sinωt
또한 음의 최댓값을 최솟값이라고 하며, 최댓값과 최솟값의 차를 피크투피크값(peak-to-peak value)이라고 한다.
6. 3. 실효값
아래에서는 직류 성분이 없는 교류 파형을 가정한다.
실효값 전압은 한 주기 동안 순시 전압의 제곱의 평균의 제곱근이다.
- 임의의 주기적 파형 의 주기 에 대해:
:
- 사인파 전압의 경우:
:
여기서 삼각 항등식 가 사용되었으며, 계수 는 파형에 따라 다르게 나타나는 피크 계수이다.
- 0을 중심으로 하는 삼각파형의 경우:
:
- 0을 중심으로 하는 구형파형의 경우:
:
이러한 개념을 설명하기 위해, 전 세계 여러 국가에서 사용되는 230V AC 주전원 공급을 생각해 보자. 이는 많은 국가에서 사용된다. 이는 실효값이 230V이기 때문에 그렇게 불린다. 즉, 시간 평균 전력 는 230V의 DC 전압에 의해 전달되는 전력과 같다. 피크 전압(진폭)을 결정하기 위해 위의 방정식을 다음과 같이 다시 정리할 수 있다.
:
:
230V AC의 경우, 피크 전압 는 따라서 이며, 약 325V이고, 피크 전력 는 즉, 460RW이다. 한 주기 동안(전력으로서 두 주기) 전압은 0에서 325V로 상승하고, 전력은 0에서 460RW로 상승하며, 둘 다 0을 통과하여 감소한다. 다음으로, 전압은 반대 방향으로 -325V로 하강하지만, 전력은 다시 460RW로 상승하고, 둘 다 0으로 돌아온다.
'''실효값'''(effective value)은 교류에서 전류·전압의 크기를 직류에서 전류·전압으로 환산했을 때 상당하는 값을 말한다.
- 정현파 교류 전압의 실효값 ''E''는 다음 식으로 표현된다.
:
- 정현파 교류 전류의 실효값은 다음 식이 된다.
:
교류 신호의 크기를 나타낼 때 가장 많이 사용되는 지표로, 예를 들어 일본 일반 가정용 상용 전원의 전압이 100V인 것은 잘 알려져 있는데, 이것은 실효값으로서의 값이다.
6. 4. 평균값
순시값의 양의 범위를 1/2주기에 걸쳐 적분하고, 주기로 나눈 것을 '''평균값'''이라고 한다. 1/2주기를 취하기 때문에 반파 평균값이라고도 하지만, 일반적인 정현파 교류의 경우 1주기의 순시값의 산술 평균이 0이므로, 단순히 "평균값"이라고 할 때에는 반파 평균값을 가리킨다.정현파 교류의 평균값은 다음 식과 같다.
:E = π|파이한국어분의 2E (교류 전압의 평균값), I = π|파이한국어분의 2I (교류 전류의 평균값)
6. 5. 파고율과 파형률
파형의 표현에 파고율(peak factor) 또는 파형률(form factor) 값이 사용되는 경우가 있으며, 각각 파고율 = 최댓값 / 실효값, 파형률 = 실효값 / 평균값이다.[1]6. 6. 교류 회로
교류 회로에서는 저항 외에도 코일과 콘덴서도 전류를 방해하는 역할을 한다. 정현파 교류의 경우, 저항 R에서는 전압과 동상이며, 코일에서는 자체 유도 작용에 의한 역방향 기전력이 발생하므로 전압은 전류보다 π/2(rad) 위상이 늦고, 콘덴서는 전하를 축적·방출하는 성질을 가지므로 전류는 전압보다 π/2(rad) 위상이 늦게 작용한다.교류 회로에서 전류를 방해하는 역할을 하는 '''임피던스'''(impedance)는 기호 Z, 단위 옴(Ω)으로 표시된다. 저항을 R, 코일의 유도성 리액턴스를 XL, 콘덴서의 용량성 리액턴스를 XC라고 하면, "임피던스의 크기"는 다음 식과 같다.
:
위상 관계도 표현할 수 있는 "복소 임피던스"에 대해서는 임피던스 항목을 참조한다.
6. 7. 교류 전력
전압과 전력의 관계는 다음과 같다.:
여기서 은 부하 저항을 나타낸다.
순간 전력 을 사용하는 대신, 시간 평균 전력(정수 개의 주기 동안 평균을 구함)을 사용하는 것이 더 실용적이다. 따라서 교류 전압은 종종 제곱 평균 제곱근(RMS) 값으로 표현되는데, 로 표기하며, 이는 다음과 같다.
:
;전력 진동:
이러한 이유로 교류 전력의 파형은 전파 정류된 사인파가 되며, 기본 주파수는 전압의 주파수의 두 배가 된다.
단상 교류 회로에서 전압 ''V'' (V), 전류 실효값 ''I'' (A), 전압과 전류의 위상차 θ (rad)일 때, 전력 ''P'' (W)는 다음 식으로 나타낼 수 있다.
:
| 용어 | 설명 | 기호 | 단위 |
|---|---|---|---|
| 유효 전력 | 부하 회로의 임피던스 중 저항 성분에 걸리는 전력 (소비 전력) | P | W |
| 피상 전력 | 교류의 순시값 전류의 절댓값과 순시값 전압의 절댓값의 곱을 1주기에 걸쳐 적분한 값 | S 또는 Ps | 볼트암페어(V A)[37] |
| 역률 | 유효 전력을 피상 전력으로 나눈 값 (또는 저항 성분을 임피던스 전체로 나눈 값), 퍼센트(%)로 나타내는 경우가 많다. | cosθ | |
| 무효 전력 | 부하 회로의 임피던스 중 리액턴스 성분에 걸리는 전력 | Q 또는 Pq | 바르(var) |
| 무효율 | 무효 전력을 피상 전력으로 나눈 값, 퍼센트(%)로 나타내는 경우가 많다. | sinθ |
무효 전력은 다음 식으로 나타낼 수 있다.
:
전류를 필요로 하지만 회로에서는 소비되지 않는 부분이 무효전력이다. 역률이 작을수록 무효 전력이 커지며 불필요한 전류가 흐르고 있음을 의미한다.
삼상 교류 회로의 경우, 삼상 전력 ''P''는 각 상의 전력의 합계로 나타낼 수 있다. 상전압 ''E''p, 상전류 ''I''p, 역률 cosθ일 때 다음 식이 성립한다.
:
6. 8. 비정현파 교류
7. 교류의 이용
교류(AC) 모터에는 일반적으로 정류기가 필요하지 않다. 그러나 단상 교류 유도 모터에는 콘덴서가 필요하다.[38]
7. 1. 교류 기기
교류 모터에는 일반적으로 정류기가 필요하지 않다. 그러나 단상 교류 유도 모터에는 콘덴서가 필요하다.[38]8. 축전
교류는 극성이 항상 바뀌기 때문에, 화학 변화를 이용하여 한 방향으로 전기를 보내는 전지에는 사용할 수 없으며, 교류 상태로 전기를 저장할 수 없다. 모든 전지의 출력이 직류인 것은 물론, 이차 전지의 충전에도 교류 전원을 그대로 사용할 수 없고, 정류가 필요하다.
정류하지 않고 교류 기기만으로 전력의 출입을 하려면, 양수 발전이나 플라이휠 배터리 등, 일단 위치 에너지나 운동 에너지로 변환해야 한다.
참조
[1]
서적
Basic Electronics & Linear Circuits
https://books.google[...]
Tata McGraw-Hill Education
1983
[2]
서적
Electrical meterman's handbook
https://books.google[...]
Trow Press
1915
[3]
웹사이트
Pixii Machine invented by Hippolyte Pixii, National High Magnetic Field Laboratory
http://www.magnet.fs[...]
2012-03-23
[4]
서적
Therapeutic Electricity and Ultraviolet Radiation
[5]
학술지
Gas and Electricity in Paris
https://books.google[...]
2009-01-09
[6]
서적
Networks of Power: Electrification in Western Society, 1880–1930
https://books.google[...]
The Johns Hopkins University Press
2009-09-09
[7]
학술지
Early AC Power: The First Long-Distance Lines [History]
https://ieeexplore.i[...]
2019
[8]
웹사이트
Ferranti Timeline
http://www.mosi.org.[...]
2012-02-22
[9]
서적
Creating the Twentieth Century: Technical Innovations of 1867–1914 and Their Lasting Impact
https://archive.org/[...]
Oxford University Press
[10]
웹사이트
Electrostatics and Electrodynamics at Pest University in the Mid-19th Century
http://ppp.unipv.it/[...]
University of Pavia
2012-03-03
[11]
웹사이트
Hungarian Inventors and Their Inventions
http://www.instituto[...]
Institute for Developing Alternative Energy in Latin America
2012-03-03
[12]
웹사이트
Bláthy, Ottó Titusz
http://www.omikk.bme[...]
Budapest University of Technology and Economics, National Technical Information Centre and Library
2012-02-29
[13]
웹사이트
Bláthy, Ottó Titusz (1860–1939)
http://www.hpo.hu/En[...]
Hungarian Patent Office
2004-01-29
[14]
웹사이트
Induction Coil
http://www.freepaten[...]
U.S. Patent 352 105, issued Nov. 2, 1886
2009-07-08
[15]
간행물
Conference – 1995: Annual Conference Proceedings, Volume 2
American Society for Engineering Education
[16]
서적
Proceedings of the Electrical Society of Cornell University
Andrus & Church
[17]
웹사이트
Blathy
http://people.clarks[...]
People.clarkson.edu
2009-08-04
[18]
학술지
Electricity Supply Meters
https://archive.org/[...]
1896-03
[19]
간행물
The Electrician
[20]
간행물
Official gazette of the United States Patent Office
[21]
서적
George Westinghouse: Gentle Genius
https://books.google[...]
Algora Publishing
[22]
학술지
A Contrarian History of Early Electric Power Distribution
https://ieeexplore.i[...]
IEEE.org
2023-01-01
[23]
서적
The Smart Grid Enabling Energy Efficiency and Demand Response
https://books.google[...]
River Publishers
[24]
서적
History of Tinicum Township (PA) 1643–1993
http://tthsdelco.org[...]
Tinicum Township Historical Society
[25]
서적
Evolving Technology and Market Structure: Studies in Schumpeterian Economics
University of Michigan Press
[26]
학술지
Electric Transmission of Power
1915
[27]
학술지
Electric Transmission of Power
1915
[28]
서적
Elektrifieringens utveckling i Sverige, en ekonomisk-geografisk översikt
https://www.antikvar[...]
[29]
서적
Companion Encyclopedia of the History and Philosophy of the Mathematical Sciences
https://books.google[...]
JHU Press
2003-09-19
[30]
서적
Mathematics in Historical Context
https://books.google[...]
MAA
2009-08-27
[31]
웹사이트
Stanley Transformer
http://www.magnet.fs[...]
Los Alamos National Laboratory; University of Florida
2009-01-09
[32]
서적
History of the Transformer
https://archive.org/[...]
E. & F. N. Spon
1889
[33]
학술지
Transformer Invented 75 Years Ago
1961-04
[34]
웹사이트
Ottó Bláthy, Miksa Déri, Károly Zipernowsky
http://www.iec.ch/cg[...]
IEC Techline
2010-04-16
[35]
학술지
Prvi cjeloviti višefazni elektroenergetski sustav na svijetu – Krka Šibenik
https://hrcak.srce.h[...]
2019
[36]
웹사이트
交流とは
https://kotobank.jp/[...]
2021-03-16
[37]
위키
[38]
위키
[39]
위키
[40]
웹사이트
定速駆動制御装置
http://www.jal.com/j[...]
2017-03-08
본 사이트는 AI가 위키백과와 뉴스 기사,정부 간행물,학술 논문등을 바탕으로 정보를 가공하여 제공하는 백과사전형 서비스입니다.
모든 문서는 AI에 의해 자동 생성되며, CC BY-SA 4.0 라이선스에 따라 이용할 수 있습니다.
하지만, 위키백과나 뉴스 기사 자체에 오류, 부정확한 정보, 또는 가짜 뉴스가 포함될 수 있으며, AI는 이러한 내용을 완벽하게 걸러내지 못할 수 있습니다.
따라서 제공되는 정보에 일부 오류나 편향이 있을 수 있으므로, 중요한 정보는 반드시 다른 출처를 통해 교차 검증하시기 바랍니다.
문의하기 : help@durumis.com