해상시계
"오늘의AI위키"의 AI를 통해 더욱 풍부하고 폭넓은 지식 경험을 누리세요.
1. 개요
해상시계는 선박의 정확한 위치를 파악하기 위한 도구로, 특히 경도 측정에 필수적이었다. 고대부터 위도 측정은 가능했으나, 경도 측정은 18세기 중반까지 해결되지 않은 문제였다. 18세기 초, 영국 정부는 경도 측정법에 대한 현상금을 내걸었고, 존 해리슨은 정밀한 해상시계를 개발하여 이 문제를 해결했다. 해상시계는 태엽을 동력으로 사용하며, 밸런스 휠과 스프링을 통해 정확한 시간을 유지했다. 이후 피에르 르로이, 페르디낭 베르투 등 여러 기술자들이 해상시계의 정확도를 높이는 데 기여했다. 20세기 중반 이후 전자 시계가 등장하면서 해상시계의 중요성은 줄었지만, GPS 등 현대 항법 시스템의 고장 시를 대비하여 여전히 사용되고 있다.
더 읽어볼만한 페이지
- 시계 - 실시간 시계
실시간 시계(RTC)는 CPU 개입 없이 독립적으로 시간을 유지하며, 저전력 소비와 시간 민감 작업의 부담 감소, 절전 모드 유지를 위해 디지털 카운터 회로, 결정 진동자, 배터리 등으로 구성되어 PC 메인보드에 부착되거나 사우스브리지 칩 또는 마이크로컨트롤러에 내장된다. - 시계 - 쿼츠 시계
쿼츠 시계는 수정 조각의 진동을 이용해 시간을 측정하며, 정확하고 저렴하지만 배터리 교체가 필요하고, 시계 산업의 변화를 가져왔다. - 항법 장치 - 레이더
레이더는 전자기파를 발사하여 반사 신호를 분석하여 물체의 거리, 속도, 방향 정보를 얻는 기술이며, 송신기, 수신기, 안테나 등으로 구성되어 다양한 신호 방식을 사용하고, 기상, 항공, 해상, 군사 등 여러 분야에서 활용된다. - 항법 장치 - 나침반
나침반은 지구 자기장을 이용하여 방향을 지시하는 도구로, 자기 나침반 외에도 다양한 종류가 있으며, 항해, 탐험 등 여러 분야에서 사용되어 왔고 현대에도 널리 활용된다.
2. 역사


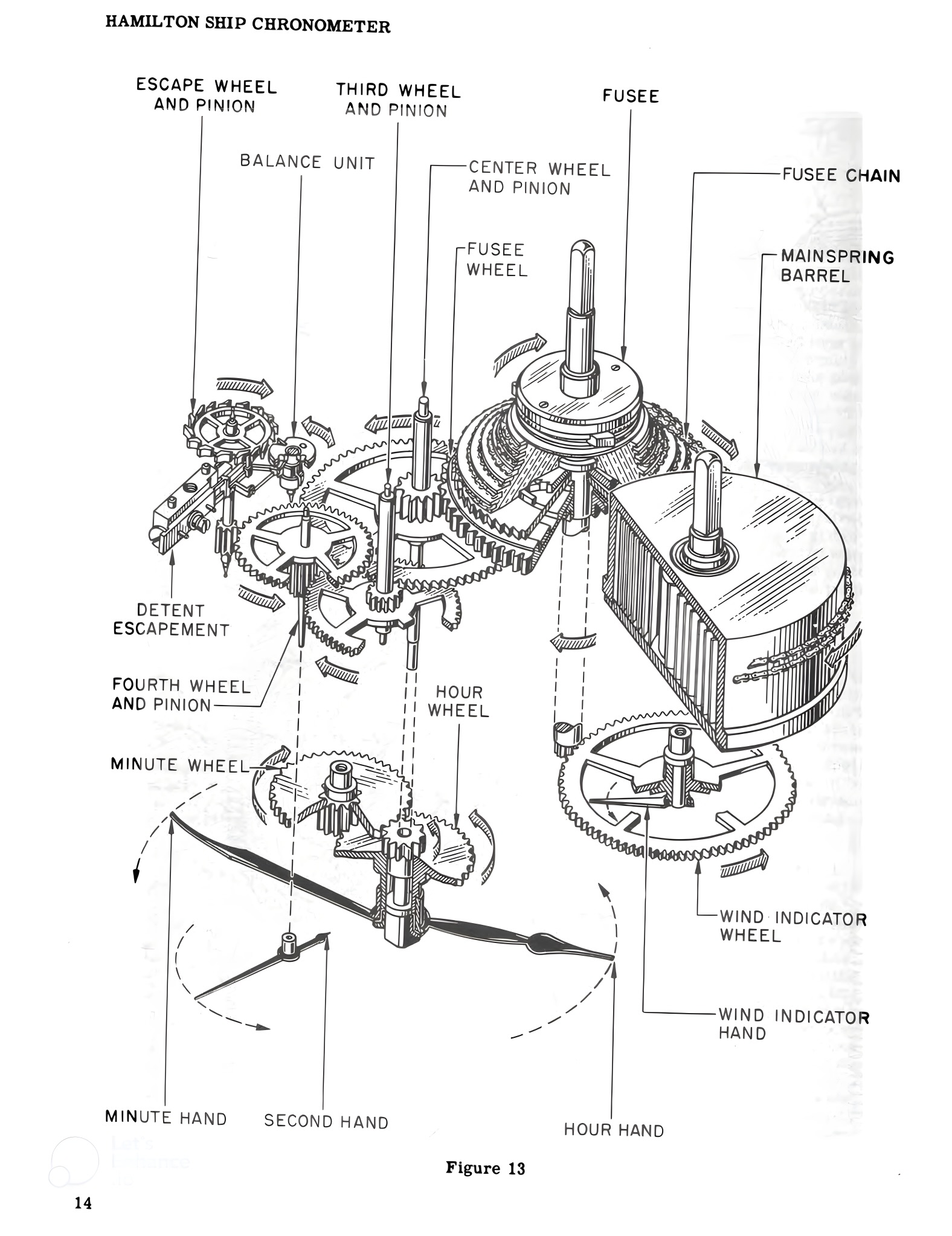
19세기 중반, 산업 생산 방식이 시계 제조에 혁명을 일으켰지만, 크로노미터 제조는 오랫동안 수공예 기반으로 남아 영국과 스위스 제조업체가 지배했다. 20세기 초, 율리스 나르덴과 같은 스위스 제작업체는 현대적인 생산 방식을 통합하고 완전히 호환 가능한 부품을 사용했다. 제2차 세계 대전이 시작되면서 미국의 해밀턴 시계 회사는 대량 생산 프로세스를 완성, 1942년부터 해밀턴 모델 21 및 모델 22 크로노미터 수천 개를 미국 군대와 상선, 연합국에 생산했다. 해밀턴 21 해양 크로노미터는 체인 드라이브 퓨즈를 가졌고, 초침은 60초 표시 하위 다이얼 위에서 초 단위로 움직였다.
독일은 해양 크로노미터를 수입하거나 외국 부품을 사용했기에, 효율적 생산을 위해 벰페 크로노미터베르케(Wempe Chronometerwerke)와 A. 랑에 운트 죄네 회사 협력으로 Drei-Pfeiler Werk Einheitschronometerde(3개의 기둥 무브먼트 통합 크로노미터)가 개발되었다. 정밀하고 저렴한 Einheitschronometerde는 1939년 독일 해군 사령부와 항공부 주도로 개발, 1942년에 양산되었다. 모든 부품은 독일에서 만들어졌으며 호환 가능했다.[28] 제2차 세계 대전 동안 원자재 부족으로 수정이 필요했고, 생산 속도를 높이기 위해 여러 독일 제조업체 간 작업이 공유되었다. 독일의 통일된 디자인 크로노미터는 호환 부품을 사용하여 제2차 세계 대전 후 독일과 소련에서 오랫동안 생산되었다. 소련은 Einheitschronometerde 기술 도면을 압수, 1949년 모스크바에 생산 라인을 설립하여 독일제 무브먼트가 포함된 최초의 소련 MX6 크로노미터를 생산했다.[29] 1952년부터 1997년까지 НИИ ЧАСПРОМru(NII Chasprom — 소련 시대 시계 연구소)에서 고안한 변경 사항이 적용된 MX6 크로노미터가 소련에서 생산되었다.[30] 독일 Einheitschronometerde는 약 58,000개 생산으로 가장 많은 수량으로 생산된 기계식 해양 시계 설계가 되었다. 제2차 세계 대전 중 3,000개 미만, 전쟁 후 서독과 동독에서 약 5,000개, 소련과 탈소련 러시아에서 약 50,000개가 생산되었다.[31] 제2차 세계 대전 중 및 이후 해밀턴 21 해양 크로노미터는 약 13,000대 생산되었다.
Einheitschronometerde와 해밀턴의 성공에도, 구식 크로노미터는 기계식 시계 시대에 시장에서 사라지지 않았다. 토마스 머서 크로노미터는 계속해서 이를 제작한 회사 중 하나였다.
선박용 해상 시계는 가장 정확한 휴대용 기계식 시계이며, 정적인 환경에서는 관측소용 비휴대형 정밀 진자 시계에만 뒤쳐졌다. 이 시계는 육분의와 함께 선박의 해상 위치 결정에 사용되었다. 해상 위치 정확성 확보는 결정적인 해군적 이점을 제공, 항해 국가들은 정밀 기기 개발에 막대한 투자를 했다. 해상 시계 정확성과 항해 기술 정확성이 없었다면, 영국 해군 우위, 대영 제국 형성은 어려웠을 것이다. 해외 식민지를 전쟁과 정복으로 형성한 제국 형성은 영국 선박이 시계로 신뢰할 수 있는 항해를 할 수 있었던 시기에 이루어졌지만, 포르투갈, 네덜란드, 프랑스 상대국들은 그렇지 못했다.[32] 프랑스는 영국보다 먼저 인도 및 다른 지역에 자리를 잡았지만, 7년 전쟁에서 해군력에 패배했다.
해상 시계 등급 및 유지는 20세기에도 중요했다. 제1차 세계 대전 이후 영국 왕립 천문대 시계 부서 작업은 주로 해군성 소유 시계 및 손목시계 등급, 수용 테스트 제공에 국한되었다.[33][34] 1937년, 영국군 지급 시계 및 손목시계 수리, 조정을 위해 시간 부서에서 처음으로 작업장이 설치되었다. 유지 관리 활동은 이전에는 상업 작업장에 외주를 주었다.[35]
1960년대부터 기계식 스프링 디텐트 해상 시계는 전기 공학 기술 기반 시계로 대체되었다.[36] 1985년 영국 국방부는 기계식 해밀턴 모델 21 해상 시계 처분 입찰을 요청했다. 미국 해군은 로란-C 쌍곡선 무선 항법 시스템 백업으로 해밀턴 모델 21 해상 시계를 1988년까지 사용, 이때 GPS 위성 항법 시스템이 승인되었다. 20세기 말, 기계식 해상 시계 생산 감소로 러시아 제1 모스크바 시계 공장 '키로프'(폴로트), 독일 벰페(Wempe), 영국 머서에서 특수 주문으로 소수만 제작했다.[37]
해리슨의 H1부터 H4까지를 포함한 가장 완벽한 국제 해상 시계 컬렉션은 영국 런던 그리니치 천문대에 있다.

2. 1. 초기 발전
지구 표면에서 자신의 위치를 확인하려면 위도, 경도, 고도를 알아야 한다. 선박의 경우 해수면을 운항하기 때문에 위도와 경도만 측정하면 된다. 고대부터 선박은 해안선을 따라 항해하며 위치를 확인했지만, 원양 항해 시에는 별도의 측정이 필요했다. 위도는 태양이나 북극성, 남십자성 등을 육분의로 관측하여 계산할 수 있었다. 그러나 경도를 확인할 방법이 없어 대항해시대 항해자들은 같은 위도를 유지하며 동서로 이동하는 항해법을 사용했다. 1750년대 중반까지 해상에서 경도 측정은 어려운 문제였다. 경도를 측정하려면 본초 자오선의 표준시와 선박 위치의 지역 시간 차이를 알아야 했다. 지구는 24시간에 한 번 자전하므로, 표준시가 정오일 때 지역 시간이 오전 9시라면 서경 45도에 위치한다. 그러나 당시에는 정확한 표준 시간을 측정할 방법이 없었다. 목성 위성이나 달의 거리를 이용하는 방법이 제안되었으나 성공하지 못했다. 1714년 아이작 뉴턴은 영국 의회에서 기존 방법들이 이론적으로는 가능하나 실제 적용은 어렵다고 설명했다.[50]경도 측정에 시계를 사용하자는 의견은 1530년 네덜란드의 젬마 프리지어스가 제안했지만, 당시 기계식 시계는 오차가 커서 부적합했다.
정밀한 시계가 개발된 후, 본초자오선을 정해야 했다. 각 국가마다 다른 자오선을 사용하다가 현재의 협정 세계시가 사용하는 그리니치 자오선이 본초자오선으로 자리잡았다. 정밀한 시계로 본초자오선의 표준시를 유지하고, 해와 천체 움직임으로 지역 시간을 구한다. 육분의로 위도를 구하면 구면 삼각법으로 선박의 위치를 파악한다. 항해사는 천체 좌표 연감 등을 이용했다.[51] 사물 크기에 따른 거리 측정표, 방위각 계산용 항해도판 등을 이용하면 단기 교육으로도 정확한 위치 파악이 가능했다.[52] 지구의 자전에 따른 각운동 오차로 저위도 지역에서는 1 해리까지 오차가 발생할 수 있다.[53]
바다에서 안정적인 시계를 만드는 것은 어려웠다. 20세기 이전에는 진자시계가 가장 정밀했지만, 배 안에서는 쓸 수 없어 태엽이 동력원으로 채택되었다.
크리스티안 하위헌스는 1656년 진자시계를 발명한 후 1673년 프랑스에서 장바티스트 콜베르의 후원으로 해상시계 제작을 시도했다.[55][56] 루이 14세에게서 연금을 받던 하위헌스는 1675년 밸런스 휠과 나선형 스프링을 사용하는 시계를 발명하여 회중시계와 손목시계 발명의 계기를 만들었다. 특허를 등록했지만 정확성은 부족했다.[57] 1675년 하위헌스가 찰스 2세에게 특허를 얻으려 하자 로버트 훅도 시계를 고안했다며 특허를 신청했다. 둘 다 작동하지 않아 특허를 받지 못했지만, 훅은 훅의 법칙을 정립했다.[58]
해상시계라는 용어는 1684년 마티어스 워스머스가 《항해의 비밀》에서 처음 사용했다. 1713년 윌리엄 더햄이 정밀시계 제작 이론을 제시하며 진공 밀봉을 제안했다.[59] 1714년 제레미 세커, 1716년 앙리 셜리가 해상시계를 만들었으나 바다에서 작동하지 않았다.[60]
1707년 클로디슬리 셔블 함대가 실리 제도 인근에서 좌초하여 2천여 명이 사망했다.[61] 1714년 영국 의회는 경도위원회를 구성하고 현상금을 걸었다. 정확도에 따라 1만~2만 파운드(3.3억원~6.6억원)를 지급하는 조건이었다.[61] 존 해리슨은 1730년 기획서를 제출, 1735년 중력 등에 영향받지 않는 시계를 개발했다. 1741년 제작한 H1, H2는 스프링 연결된 역진동 빔을 이용했다. 해리슨은 1759년 원형 균형자, 이중 금속 스트립, 회전 베어링이 사용된 H3를 제작했다. 이 기술은 오늘날에도 쓰이지만, 시간 측정에 오차가 컸다.[62]
1761년 해리슨은 H4를 제작하여 정밀도 문제를 해결했다. H4는 영국 정부 요구 오차를 만족, 해리슨은 1등 상금 2만 파운드를 받았다. H4는 태엽으로 작동하며 30시간 작동한다. 현재 국립해양박물관에 보관 중이며 작동은 하지 않는다.[63] H4 시험 항해는 1761년 11월 18일 런던 출발, 1762년 1월 19일 자메이카 포트로열 도착, 3월 27일 런던 귀환으로 진행되었다. H4는 81일간 5초 차이를 보여 경도 측정에 문제없었다.[63] 이는 전자 발진기 도입 전까지 가장 정확했다. 1767년 경도 위원회는 보고서를 발표했다.[64] 프랑스도 1767년부터 시계로 경도를 측정했다.[65]
2. 2. 해상시계의 등장

위도, 경도, 고도를 알면 지구 표면에서 자신의 위치를 정할 수 있는데, 해수면에서 운항하는 선박은 위도와 경도만으로도 위치 확인이 충분하다. 고대부터 선박은 해안선을 따라 항해하며 위치를 확인했지만, 해안선이 보이지 않는 원양 항해에서는 별도의 측정이 필요했다. 낮에는 태양, 밤에는 북극성이나 남십자성을 기준으로 육분의를 사용하여 위도를 계산할 수 있었지만, 경도를 확인할 방법은 없었다. 대항해시대의 항해자들은 같은 위도를 유지하며 동서로 움직이는 항해법을 사용했다. 1750년대 중반까지 해상에서 경도 측정은 미해결 문제였다.[50] 경도를 측정하려면 본초 자오선의 표준시와 선박 위치의 지역 시간 차이를 확인해야 했다. 지구는 24시간에 한 번 자전하므로 표준시가 정오일 때 지역 시간이 오전 9시라면 서경 45도에 위치한다. 그러나 당시에는 정확한 표준 시간을 측정할 방법이 없었다. 목성의 위성 운동이나 달의 거리를 측정하는 등 천체를 이용하는 방법이 고안되었으나 성공하지 못했다. 1714년 아이작 뉴턴은 영국 의회에서 기존 방법들이 이론상으로는 그럴듯해도 실제 적용은 어렵다고 설명했다.[50]
1530년 네덜란드의 젬마 프리지어스는 정밀한 시계를 이용하여 경도를 측정하자고 제안했지만, 당시 기계적 시계들은 오차가 커서 부적합했다.
항해용 정밀 시계가 개발된 후, 본초자오선을 정의해야 했다. 각 국가마다 수도를 지나는 자오선을 기준으로 사용하기도 했지만, 환산이 복잡하여 현재 협정 세계시가 사용하는 그리니치 자오선이 본초자오선으로 자리잡았다. 정밀 시계로 본초자오선의 표준시를 유지하고, 해와 천체 움직임을 측정하여 지역 시간을 구한다. 육분의로 위도를 구하면 구면 삼각법을 이용하여 선박의 현위치를 파악한다. 항해사는 천체 좌표 연감 등을 이용하여 실용적으로 지역 시간을 구했다.[51] 사물 크기에 따른 거리 가늠을 위한 시력 감소표, 방위각 계산용 항해도판 등이 더해져 단기간 교육으로도 정확한 위치 파악이 가능해졌다.[52] 지구의 자전에 따른 각운동은 매일 4초 정도의 자연적 오차를 보여, 해상시계를 사용해도 경도 계산에 오차가 있을 수 있으며, 저위도 지역에서는 1 해리까지 오차를 보일 수 있다.[53]
바다에서 안정적으로 작동하는 시계를 만드는 것은 어려웠다. 20세기 이전에는 진자시계가 가장 정밀했지만, 흔들리는 배 안에서 중력을 이용하는 진자시계는 쓸 수 없었다. 따라서 태엽이 해상시계의 동력원으로 채택되었다.


크리스티안 하위헌스는 1656년 진자시계를 발명한 후, 1673년 프랑스에서 장바티스트 콜베르의 후원으로 해상시계 제작을 시도했다.[55][56] 1675년 추 대신 밸런스 휠과 나선형 스프링을 사용하는 시계를 발명하여 회중시계와 손목시계 발명의 계기를 만들었다. 특허를 등록했지만 정확성은 부족했다.[57] 1675년 하위헌스가 찰스 2세에게 시계 특허를 얻으려 하자, 로버트 훅도 시계를 고안했다며 특허를 신청했다. 그러나 둘 다 작동하지 않아 특허를 받지 못했다. 훅은 이 과정에서 탄성체에 대한 훅의 법칙을 정립했다.[58]
1684년 마티어스 워스머스가 《항해의 비밀》(Arcanum Navarchicum)에서 경도 측정의 이론적 개요를 설명하며 '해상시계'라는 용어를 처음 사용했다. 1713년 윌리엄 더햄이 《물리-신학, 신의 창조물이 보이는 특성의 사례》에서 정밀시계 제작 이론과 진공 밀봉 방법을 제안했다.[59] 1714년 제레미 세커, 1716년 앙리 셜리가 해상시계를 만들었으나, 바다에서 제대로 작동하지 않았다.[60]
1707년 클로디슬리 셔블 함대가 실리 제도 인근에서 좌초되어 2천여 명이 사망했다.[61] 1714년 영국 의회는 경도위원회를 구성하고 정확한 경도 산출 방법에 현상금을 걸었다. 상금은 정확도에 따라 1만-2만 파운드로, 3.3억원에서 6.6억원에 해당한다.[61] 요크셔 목수 존 해리슨은 1730년 기획서를 제출, 1735년 중력이나 항해 상황에 영향받지 않는 시계를 개발했다. 1741년 제작한 H1, H2는 스프링 연결된 역진동 가중 빔을 이용했다. 해리슨은 원심력에 민감함을 느껴 1759년 원형 균형자, 이중 금속 스트립트, 회전 베어링이 사용된 H3를 제작했다. 이 기술은 오늘날 태엽시계에도 사용되지만, 시간 측정에는 여전히 오차가 컸다.[62]
1761년 해리슨은 5인치(12 cm) 크기 회중시계 모양의 해상시계 H4를 제작하여 정밀도 문제를 해결했다. H4는 영국 정부 요구 오차를 만족하여 해리슨은 1등 상금 2만 파운드를 받았다. H4는 태엽으로 작동하며 30시간 작동한다. 현재 런던 국립해양박물관에 보관 중이며, 기계적 마모 방지를 위해 작동시키지 않는다.[63] H4 검증 항해는 1761년 11월 18일 런던 출발, 1762년 1월 19일 자메이카 포트로열 도착, 3월 27일 런던 귀환으로 이루어졌다. H4는 81일간 5초 차이를 보여 경도 측정에 문제없이 사용 가능했다.[63] 이는 현대 전자 발진기 도입 전까지 가장 정확한 수준이었다. 1767년 경도 위원회는 보고서를 발표했다.[64] 프랑스도 1767년부터 시계 이용 경도 측정을 시작했다.[65]
1748년 프랑스 피에르 르로이는 멈춤쇠 탈진기를 발명했다.[66] 1766년 르로이는 탈진기와 온도 보정 균형 스프링을 장착한 혁신적 해상시계를 개발했다.[67] 르로이의 시계는 이전보다 정확했고, 현대 해양정밀시계 구조의 기반이 되었다.[68]
프랑스 페르디낭 베르투와 영국 토머스 머지는 독자적 해상시계를 개발하여[69] 해리슨 디자인이 유일하지 않음을 증명했다. 1780년 토머스 언쇼와 존 아놀드는 단순화된 스프링 멈춤쇠 탈진기, 온도 보상 밸런스 구조를 갖춘 새 해상시계를 특허 등록했다.[70][71] 개선된 해상시계는 전자 시계 이전까지 항해에 사용되었다.
해상시계는 비싸서 모든 배가 사용하지 못했다. 1815년 동인도회사 아니스턴호는 남아프리카에서 좌초되어 372명이 사망했는데, 해상시계 없이 추측 항해로 암초 위치를 잘못 계산했기 때문이다.[72] 이후 영국 해군은 1825년까지 원양 항해 선박에 해상시계를 정기 공급했다.[73]
영국은 정밀도 높은 해상시계 시험을 계속했다. 1820년 그리니치 왕립 천문대 경쟁 시험 시작 후 1914년 1차 세계 대전까지 계속되었다. 이후 공식 경쟁 시험은 없지만 시험은 계속되었다.[74][75]
해상시계 시험은 정확한 시간 측정 기관에서 오차를 측정하는 방식이었다. 19세기 정확한 시간 측정은 천문대에서 이루어져, 서유럽 천문대들은 해상시계 인증기관도 겸했다. 뇌샤텔, 제네바, 브장송, 큐, 함부르크 독일 해군 천문대 등이 대표적이며, 이들 천문대의 정밀도 인증은 "크로노미터 경연"으로 불렸다. 심사 기준 일부는 오늘날 스위스 크로노미터 인증 사무소(COSC) 규격보다 엄격했다.
해상시계가 경도 측정에 일반적으로 사용된 후, 선박들은 항해 전 그리니치 천문대 타임볼로 시간 확인을 했다. 그리니치 천문대는 매일 오후 1시 타임볼을 떨어뜨려 시각을 알렸고, 선박은 템스강에 정박하여 타임볼을 기다려 해상시계와 비교했다.[76] 이 관행은 그리니치 표준시가 국제 표준으로 채택되는 데 기여했다.[77] 타임볼은 1920년경까지 사용되다 전파 시보로 대체되었다. 항해 중에는 달[78]이나 태양을 관측하여 지역 시간을 확인하고 경도를 측정했다.[79] 해상시계는 손상을 방지하기 위해 안전한 곳에 보관했고, 선원은 별도 "해킹 시계"를 맞춰 실제 측정에 사용했다. 해킹 시계는 정밀도가 떨어졌지만 저렴하여 매일 해상시계와 비교해 시간을 맞추면 충분했다.
2. 3. 추가 개발과 대량 생산
1748년 프랑스의 피에르 르로이는 멈춤쇠 탈진기를 발명하였다.[66] 1766년 르로이는 탈진기와 온도에 따른 금속의 변화를 보정하여 등시성을 보장하는 균형 스프링을 장착한 혁신적인 해상시계를 개발하였다.[67] 르로이의 해상시계는 이전의 것보다 더 정확한 정밀도를 보였고 이후 현대까지 이르는 해양정밀시계 구조의 기반이 되었다.[68]프랑스의 페르디낭 베르투와 영국의 토머스 머지는 해리슨과는 다른 메커니즘을 가진 독자적인 해상시계를 개발하여[69] 해리슨의 디자인이 유일한 것이 아니란 점을 증명하였다. 1780년 토머스 언쇼와 존 아놀드는 보다 단순화된 스프링 멈춤쇠를 지닌 탈진기를 장착하고 온도에 따른 보상을 밸런스 구조로 대체한 새 해상시계를 특허 등록하였다.[70][71] 이렇게 점차 개선된 해상시계는 전자 시계 이전까지 항해에 사용되었다.
해상시계는 제작 비용이 커서 매우 비쌌기 때문에 모든 배가 사용할 수는 없었다. 1815년 5월 30일 동인도회사의 아니스턴호는 남아프리카를 돌다 좌초되어 372명이 사망하였는데 해상시계 없이 추측 항해를 하였기 때문에 암초의 위치를 잘못 계산한 탓이었다.[72] 이후 영국 해군은 1825년까지 원양을 항해하는 선박에 정기적으로 해상시계를 공급하기 시작하였다.[73]
영국은 계속해서 보다 높은 정밀도를 보이는 해상시계 시험을 계속하였다. 1820년 그리니치의 왕립 천문대가 경쟁 시험을 시작한 이후 1914년 1차 세계 대전이 일어날 때까지 시험은 계속되었다. 그 이후 공식적인 경쟁 시험은 없어졌지만 해상시계 시험은 여전히 계속되었다.[74][75]
해상시계의 시험은 정확한 시간을 측정할 수 있는 기관에서 오차를 측정하는 방식으로 이루어졌다. 19세기의 경우 정확한 시간의 측정은 천문대에서 이루어졌기 때문에 서유럽의 여러 천문대들은 해상시계의 인증기관도 겸하게 되었다. 뇌샤텔 천문대, 제네바 천문대, 브장송 천문대, 큐 천문대, 함부르크 독일 해군 천문대 등이 대표적으로 이들 천문대가 여러 해상시계를 놓고 벌인 정밀도 인증은 "크로노미터 경연"으로 불렸다. 이들 천문대의 심사 기준 가운데 몇몇 항목은 오늘날 크로노미터 인증기관인 스위스 크로노미터 인증 사무소(COSC)의 규격보다 더 엄격한 것들도 포함되어 있었다.
해상시계가 경도 측정에 일반적으로 사용된 이후 선박들은 긴 항해를 떠나기 전에 정확한 시간의 확인을 위해 그리니치 천문대의 타임볼을 지켜보았다. 그리니치 천문대는 매일 오후 1시 정각에 타임볼을 떨어트려 시각을 알렸고 선박은 템스강에 정박한 채 타임볼이 떨어지기를 기다려 해상시계와 비교하였다.[76] 이 관행은 이후 그리니치 표준시가 국제 표준으로 채택되는 데 작은 기여를 하였다.[77] 타임볼은 1920년 경까지 사용되다가 전파 시보로 대체되어 더 이상 사용하지 않게 되었다. 항해 중에는 달이나[78] 태양을 관측하여 지역 시간을 확인하고 경도를 측정할 수 있었다.[79] 해상시계는 손상을 방지하기 위해 선박의 안전한 곳에 보관하였고 선원은 별도의 "해킹 시계"를 이것에 맞추어 실제 측정에 사용했다. 해킹 시계는 정밀도가 떨어졌지만 훨씬 저렴했기 때문에 매일 해상시계와 비교하여 시간을 다시 맞추어 사용하면 충분하였기 때문이다.
일반적인 시계의 제작은 19세기 중반 이후 대량 생산 방식이 도입되었지만 크로노미터의 생산은 여전히 영국과 스위스를 중심으로 수공예에 의존하고 있었다. 대량 생산 방식으로는 정밀도를 맞추기 어려웠기 때문이다. 20세기 초 스위스의 시계 제작사 율리스 나르딘은 교체 가능한 표준 부품을 도입하여 시계 제작에 큰 혁신을 가져왔고, 미국의 헤밀턴 와치 컴퍼니가 제2차 세계 대전 중 연합군 해군을 위한 해상시계의 대량 생산을 시도하여 수 천개의 헤밀턴 모델 21과 모델 22를 공급하였다. 해밀턴 모델 21은 체인 구동 퓨즈를 채용하고 초침을 별도의 서브 다이얼로 표시하였다. 한편 해상시계를 전량 수입하던 독일은 1939년 독일 해군과 공군의 주도로 자체 개발을 시작하여 벰페 크로노메터베르케와 아 랑에 운트 죄네의 합작으로 아인하르츠크로노메터를 개발하였다. 이 해상시계 역시 모든 부품을 표준화하여 교체 가능하였으며 1942년 대량 생산을 시작하였다.[80] 전후 소련은 아인하르츠크로노메터 원본을 입수하여 1949년 부터 자체 모델인 MX6를 생산하기 시작하였다.[81] 이 시계는 소련시기인 1952년부터 1997년까지 소련의 시계제작소 NII 차스프롬(НИИ ЧАСПРОМ|NII 차스프롬ru)에서 부품을 모두 소련제로 교체하여 계속 제작하였다.[82] 그 결과 아인하이츠크로노메터는 세계에서 가장 많이 생산된 해상시계가 되었다. 총 제작 수량은 약 5만8천 대로 이 가운데 전쟁 중 나치 독일이 생산 한 것은 3천 개 미만이고 전후 동독과 서독이 약 5천 개를 제작한 반면 소련과 이후 러시아가 생산한 수량은 5만 개에 달한다.[83] 한편 해밀턴 모델 21은 전쟁 중부터 그 이후 까지 약 1만3천 대가 생산되었다.
전자시계의 도입으로 태엽방식의 해상시계는 더 이상 큰 비중을 차지하지 않게 되었지만 지금도 제작되고 있다. 오늘날 선박의 위치는 일반적으로 GPS를 통해 확인하지만 해상시계는 만약을 위한 표준도구로 여전히 선박에 장착된다.
3. 현대 해상 크로노미터
1990년대부터 범지구 위성 항법 시스템(GNSS)이 항해에 도입되어 NMEA 0183 인터페이스를 통해 선박의 자동 조타와 항로 설정이 가능해졌다.[84] 현대 기술의 편리함에도 불구하고 실제 항해에서는 위성 항법과 함께 수작업에 의존하는 천문항법이 여전히 사용된다.[84] 컴퓨터와 계산기를 사용하면 육분의를 이용한 위도 측정과 해상시계를 이용한 경도 측정을 빠르게 완료할 수 있다.[85] 위성 항법 장비는 고장 위험이 있으므로, 전통적인 위치 측정 방식은 필수적인 표준 항법으로 남아있다. 다만, 시계의 오차를 최소화하기 위해 외부에서 주기적으로 조정된다.[86] 천문항법을 이용한 위치 확인은 국제 원양항해를 담당하는 해기사의 필수 자격 요건이다.[87][88] 개인 요트라도 국제 운항을 하려면 요트마스터 자격을 인증받아야 한다.[89]
현대의 해상시계는 수정 발진기를 사용하며, 외부에서 원격으로 시간을 조정할 수 있다. 오늘날의 일상적인 손목 시계도 옛날 태엽식 해상시계에 준하는 정밀도를 가지지만, 항해 중 발생하는 오차를 교정할 수는 없다. 항해용 해상시계는 보통 여러 개의 발진기를 장착하여 오차를 자동 보정하고, 주기적으로 GPS 시간 보정 신호를 받아 시간을 교정한다.[90][91]
참조
[1]
간행물
Notes: On the First Use of the Term "Chronometer"=
Society for Nautical Research
2016-05
[2]
웹사이트
The free online Nautical Almanac in PDF format
https://www.thenauti[...]
[3]
웹사이트
How Accurate Is Celestial Navigation Compared To GPS?
https://casualnaviga[...]
[4]
서적
Allen's Astrophysical Quantities
https://books.google[...]
AIP Press
2010-08-17
[5]
서적
Great South Land
https://books.google[...]
Rosenberg
2018-03-19
[6]
서적
The maze of ingenuity: ideas and idealism in the development of technology
https://books.google[...]
[7]
서적
Time for Science Education: How Teaching the History and Philosophy of Pendulum Motion Can Contribute to Science Literacy
https://books.google[...]
Springer Science & Business Media
2018-03-19
[8]
웹사이트
isbn:0330532189 - Google Search
https://books.google[...]
2018-03-19
[9]
간행물
Notes: On the First Use of the Term "Chronometer"
Society for Nautical Research
2016-05
[10]
웹사이트
A Chronology of Clocks
http://www.anthonygr[...]
[11]
서적
The principles of Mr Harrison's time-keeper
https://books.google[...]
[12]
문서
A description concerning such mechanism as will afford a nice, or true, mensuration of time
1775
[13]
웹사이트
The principles of Mr. Harrison's time-keeper; with plates of the same
https://archive.org/[...]
London, Printed by W. Richardson and S. Clark and sold by J. Nourse
2018-03-19
[14]
웹사이트
MONOGRAPHIE DE L'AURORE - Corvette -1766
https://ancre.fr/en/[...]
2019-12-05
[15]
서적
Britten's Watch & Clock Makers' Handbook Dictionary & Guide Fifteenth Edition
https://books.google[...]
[16]
서적
Encyclopedia of Time
https://books.google[...]
Taylor & Francis
2018-03-19
[17]
서적
A History of Mechanical Inventions
https://books.google[...]
Courier Corporation
2018-03-19
[18]
서적
Revolution in Time
https://archive.org/[...]
Belknap Press of Harvard University Press
[19]
서적
Encyclopedia of Time
https://books.google[...]
Taylor & Francis
2018-03-19
[20]
서적
The Lieutenant and Commander
https://www.gutenber[...]
George Bell & Sons
2007-11-09
[21]
서적
Former Clock & Watchmakers and Their Work
https://archive.org/[...]
Spon & Chamberlain
2007-08-08
[22]
웹사이트
Rates of chronometers and watches on trial at the Observatory, 1766–1915
http://www.royalobse[...]
[23]
웹사이트
Chronometer Section: 1914–1981 by William Roseman
http://www.royalobse[...]
[24]
서적
The Elements of Natural Philosophy; Or, An Introduction to the Study of the Physical Sciences
https://archive.org/[...]
J. Churchill and Sons
2008-09-24
[25]
서적
Splitting the Second
https://books.google[...]
CRC Press
[26]
서적
The New American Practical Navigator
https://archive.org/[...]
E. M. Blunt
[27]
간행물
To Find The Longitude of Chronometers or Time-Keepers
https://library.myst[...]
[28]
웹사이트
The unified Chronometer - how it all began
https://www.wempe-ma[...]
[29]
웹사이트
THE STANDARDIZED CHRONOMETER
https://www.dsm.muse[...]
[30]
웹사이트
Geburt des „6 MX“
https://www.dg-chron[...]
[31]
웹사이트
Marine-Chronometer - Leben des „6 MX“
https://www.dg-chron[...]
[32]
문서
The Influence of Sea Power on History
[33]
웹사이트
Rates of chronometers and watches on trial at the Observatory, 1766–1915
http://www.royalobse[...]
[34]
웹사이트
Chronometer Section: 1914–1981 by William Roseman
http://www.royalobse[...]
[35]
웹사이트
A brief history of Chronometer testing and repair at the Royal Observatory
http://www.royalobse[...]
[36]
웹사이트
QUARTZ TIMEPIECES
https://www.dsm.muse[...]
[37]
간행물
The marine chronometer in the age of electricity by David Read, September 2015
https://clockdoc.org[...]
[38]
웹사이트
chronometer timekeeping device
https://www.britanni[...]
[39]
웹사이트
Attestat/Pasport of some Russian made MX6 marine chronometers
https://www.dg-chron[...]
[40]
문서
THE AMERICAN PRACTICAL NAVIGATORAN EPITOME OF NAVIGATION 2002 p. 269
http://fer3.com/arc/[...]
[41]
문서
THE AMERICAN PRACTICAL NAVIGATORAN EPITOME OF NAVIGATION 2002 p. 270
http://fer3.com/arc/[...]
[42]
문서
THE AMERICAN PRACTICAL NAVIGATORAN EPITOME OF NAVIGATION 2019 p. 280
https://thenauticala[...]
[43]
웹사이트
International Convention on Standards of Training, Certification and Watchkeeping for Seafarers, 1978
http://www.admiralty[...]
Admiralty and Maritime Law Guide, International Conventions
2007-09-22
[44]
웹사이트
International Convention on Standards of Training, Certification and Watchkeeping for Seafarers (with amendments)
http://www.imo.org/C[...]
International Maritime Organization
2007-09-22
[45]
웹사이트
Yachting Chronometer and Sextant
https://web.archive.[...]
Nautische Instrumente
2013-05-25
[46]
웹사이트
High accuracy timepieces that could be used as marine chronometer
http://80calcs.pages[...]
2007-09-22
[47]
웹사이트
Keeping Precision Time When GPS Signals Stop
http://www.cotsjourn[...]
Cotts Journal Online
2007-09-22
[48]
웹사이트
Precise Time and Frequency for Navy Applications: The PICO Advanced Clock
http://www.dodtechma[...]
DoD TechMatch, West Virginia High Technology Consortium Foundation.
2007-09-22
[49]
저널
Notes: On the First Use of the Term "Chronometer"=
Society for Nautical Research
2016-05
[50]
서적
해상시계
생각의 나무
[51]
웹사이트
The free online Nautical Almanac in PDF format
https://www.thenauti[...]
[52]
웹사이트
How Accurate Is Celestial Navigation Compared To GPS?
https://casualnaviga[...]
[53]
서적
Allen's Astrophysical Quantities
https://books.google[...]
AIP Press
2010-08-17
[54]
문서
The principles of Mr Harrison's time-keeper
https://books.google[...]
[55]
서적
Great South Land
https://books.google[...]
Rosenberg
2018-03-19
[56]
문서
The maze of ingenuity: ideas and idealism in the development of technology
[57]
서적
Time for Science Education: How Teaching the History and Philosophy of Pendulum Motion Can Contribute to Science Literacy
https://books.google[...]
Springer Science & Business Media
2018-03-19
[58]
웹인용
isbn:0330532189 - Google Search
https://books.google[...]
2018-03-19
[59]
저널
Notes: On the First Use of the Term "Chronometer"
Society for Nautical Research
2016-05
[60]
웹사이트
A Chronology of Clocks
http://www.anthonygr[...]
2014-03-25
[61]
서적
해상시계
생각의 나무
[62]
문서
A description concerning such mechanism as will afford a nice, or true, mensuration of time
1775
[63]
서적
해상시계
생각의 나무
[64]
웹인용
The principles of Mr. Harrison's time-keeper; with plates of the same
https://archive.org/[...]
London, Printed by W. Richardson and S. Clark and sold by J. Nourse
2018-03-19
[65]
웹인용
MONOGRAPHIE DE L'AURORE - Corvette -1766
https://ancre.fr/en/[...]
2019-12-05
[66]
문서
Britten's Watch & Clock Makers' Handbook Dictionary & Guide Fifteenth Edition
[67]
서적
Encyclopedia of Time
https://books.google[...]
Taylor & Francis
2018-03-19
[68]
서적
A History of Mechanical Inventions
https://books.google[...]
Courier Corporation
2018-03-19
[69]
문서
Britten's Watch & Clock Makers' Handbook Dictionary & Guide Fifteenth Edition
[70]
서적
Revolution in Time
https://archive.org/[...]
Belknap Press of Harvard University Press
[71]
서적
Encyclopedia of Time
https://books.google[...]
Taylor & Francis
2018-03-19
[72]
서적
The Lieutenant and Commander
https://www.gutenber[...]
Bell and Daldy
2007-11-09
[73]
서적
Former Clock & Watchmakers and Their Work
https://archive.org/[...]
Spon & Chamberlain
2007-08-08
[74]
웹사이트
Rates of chronometers and watches on trial at the Observatory, 1766–1915
http://www.royalobse[...]
[75]
웹사이트
Chronometer Section: 1914–1981 by William Roseman
http://www.royalobse[...]
[76]
서적
The Elements of Natural Philosophy; Or, An Introduction to the Study of the Physical Sciences
https://archive.org/[...]
J. Churchill and Sons
2008-09-24
[77]
서적
Splitting the Second
https://books.google[...]
CRC Press
[78]
서적
The New American Practical Navigator
https://archive.org/[...]
E. M. Blunt
[79]
저널
To Find The Longitude of Chronometers or Time-Keepers
https://web.archive.[...]
[80]
웹사이트
The unified Chronometer - how it all began
https://www.wempe-ma[...]
[81]
웹사이트
THE STANDARDIZED CHRONOMETER
https://www.dsm.muse[...]
[82]
웹사이트
Geburt des „6 MX“
https://www.dg-chron[...]
[83]
웹사이트
Marine-Chronometer - Leben des „6 MX“
https://www.dg-chron[...]
[84]
문서
THE AMERICAN PRACTICAL NAVIGATORAN EPITOME OF NAVIGATION 2002 p. 269
http://fer3.com/arc/[...]
[85]
문서
THE AMERICAN PRACTICAL NAVIGATORAN EPITOME OF NAVIGATION 2002 p. 270
http://fer3.com/arc/[...]
[86]
문서
THE AMERICAN PRACTICAL NAVIGATORAN EPITOME OF NAVIGATION 2019 p. 280
https://thenauticala[...]
[87]
웹인용
International Convention on Standards of Training, Certification and Watchkeeping for Seafarers, 1978
http://www.admiralty[...]
Admiralty and Maritime Law Guide, International Conventions
2007-09-22
[88]
웹인용
International Convention on Standards of Training, Certification and Watchkeeping for Seafarers (with amendments)
http://www.imo.org/C[...]
International Maritime Organization
2007-09-22
[89]
웹사이트
Yachting Chronometer and Sextant
https://web.archive.[...]
Nautische Instrumente
[90]
웹인용
Keeping Precision Time When GPS Signals Stop
https://web.archive.[...]
Cotts Journal Online
2007-09-22
[91]
웹인용
Precise Time and Frequency for Navy Applications: The PICO Advanced Clock
https://web.archive.[...]
DoD TechMatch, West Virginia High Technology Consortium Foundation.
2007-09-22
본 사이트는 AI가 위키백과와 뉴스 기사,정부 간행물,학술 논문등을 바탕으로 정보를 가공하여 제공하는 백과사전형 서비스입니다.
모든 문서는 AI에 의해 자동 생성되며, CC BY-SA 4.0 라이선스에 따라 이용할 수 있습니다.
하지만, 위키백과나 뉴스 기사 자체에 오류, 부정확한 정보, 또는 가짜 뉴스가 포함될 수 있으며, AI는 이러한 내용을 완벽하게 걸러내지 못할 수 있습니다.
따라서 제공되는 정보에 일부 오류나 편향이 있을 수 있으므로, 중요한 정보는 반드시 다른 출처를 통해 교차 검증하시기 바랍니다.
문의하기 : help@durumis.com
