차량한계
"오늘의AI위키"의 AI를 통해 더욱 풍부하고 폭넓은 지식 경험을 누리세요.
1. 개요
차량한계는 자동차와 철도 차량의 안전 운행을 위해 차량의 크기를 제한하는 개념이다. 자동차의 경우 설계기준자동차로 통칭하며, 도로 터널, 고가도로, 교량, 주차장 등 구조물의 크기 제한에 적용된다. 철도의 경우 궤도상에서 측정한 차량의 길이, 너비, 높이의 한계를 의미하며, 터널 등 시설물과의 접촉 및 대형 사고를 방지하기 위해 규정된다. 각 국가 및 철도 시스템에 따라 차량한계의 규격은 다르며, 한국의 경우 일반철도와 도시철도에 따라 각각 다른 차량한계가 적용된다.
더 읽어볼만한 페이지
- 철도 시설 - 스크린도어
스크린도어는 철도 승강장에서 승객의 안전을 위해 설치되는 설비로, 열차 사고 예방, 무인 운전 가능, 쾌적한 승강장 유지를 위해 다양한 종류로 설치되며, 설치 및 유지 보수 비용, 열차 지연 등의 문제점도 존재한다. - 철도 시설 - 절연 구간
절연 구간은 전력 공급 방식이 다른 철도 구간의 경계에 설치되는 필수 구간으로, 직류/교류, 전압/주파수 차이, 운영 주체 및 시스템 차이 등으로 인해 필요하며, 열차는 관성 주행으로 통과해야 한다. - 도로 위험요소 - 로드킬
로드킬은 자동차와 야생동물의 충돌로 발생하는 야생동물 사망사고로, 서식지 파괴, 운전자 부주의 등 다양한 원인으로 발생하며 멸종위기종 감소에 영향을 미치고 생태계 및 문화적 측면에서도 논의되는 문제이다. - 도로 위험요소 - 돌리네
돌리네는 지하 암석 붕괴로 지표면에 생긴 큰 구멍으로, 자연적 또는 인위적 요인으로 발생하며 카르스트 지형에서 흔히 나타나 크기와 형태가 다양하고 갑작스러운 붕괴로 피해를 유발할 수 있어 지반 조사와 예방 대책이 중요하며, 최근 인위적 요인으로 인한 발생 증가가 사회적 문제로 인식되고 있다. - 철도차량공학 - 자동 열차 운전 장치
자동 열차 운전 장치는 열차 운행을 자동 제어하는 시스템으로, 국제 표준에 따라 자동화 수준이 GoA0(수동 운전)부터 GoA4(무인 운전)까지 분류되며, 안전성 및 효율성 향상에 기여하지만 오류 및 인적 실수 가능성도 존재하여 연구 개발이 진행 중이다. - 철도차량공학 - 가공 전차선
가공 전차선은 전기 철도 차량에 전력을 공급하는 상부 전선 시스템으로, 트롤리선, 조가선, 행어 등으로 구성되며 다양한 가선 방식과 장력 조절 장치가 존재하고 외부 요인에 의한 고장 위험과 시각 공해 등의 문제도 고려되어야 한다.
| 차량한계 | |
|---|---|
| 개요 | |
| 정의 | 철도 차량 및 적재물이 안전하게 통과할 수 있는 최소한의 공간 |
| 관련 요소 | 건축 한계, 차량 한계 |
| 건축 한계 (Structure Gauge) | |
| 정의 | 철도 선로 인접 구조물 설치 가능 범위 |
| 목적 | 열차 안전 운행 확보 작업자의 안전 통로 확보 |
| 포함 요소 | 선로, 플랫폼, 터널, 교량 등 모든 구조물 전차선, 신호 장비 등 설비 |
| 차량 한계 (Vehicle Gauge) | |
| 정의 | 열차의 폭, 높이, 길이 등 물리적 크기의 최대한계 |
| 목적 | 안전 운행 보장 구조물과의 충돌 방지 |
| 관련 규정 | 각 국가별 철도 규정 및 표준에 따름 |
| 종류 | |
| 일반 차량 한계 | 표준적인 크기의 차량에 적용 |
| 특수 차량 한계 | 특정 노선 또는 특수 화물 수송용 차량에 적용 더 넓거나 높은 공간 필요 |
| 고려 사항 | |
| 곡선 구간 | 차량 궤적 변화로 인한 추가 공간 필요 |
| 동적 윤곽 | 차량 운행 중 흔들림, 진동 고려 추가적인 여유 공간 확보 필요 |
| 팬터그래프 | 전차선 집전 장치, 추가 높이 고려 |
| 중요성 | |
| 안전 | 열차 안전 운행의 핵심 요소 |
| 효율성 | 화물 및 승객 수송 효율성 극대화 적절한 차량 한계 및 건축 한계 설정 중요 |
| 경제성 | 인프라 건설 비용 최적화 유지 보수 비용 절감 |
| 국가별 차이 | |
| 원인 | 철도 시스템 표준 차이 역사적 배경 지리적 조건 |
| 결과 | 국제 운송 시 호환성 문제 발생 가능 |
| 측정 및 관리 | |
| 방법 | 레이저 스캐너, 비디오 측정 시스템 등 사용 정기적인 검사 및 유지 보수 |
| 목적 | 건축 한계 및 차량 한계 준수 확인 잠재적 문제 사전 예방 |
| 관련 용어 (참고) | |
| 윤중 | 바퀴가 레일 위에서 벗어나지 않도록 하는 턱 |
| 캔트 (Cant) | 곡선 구간에서 열차의 원심력에 저항하기 위해 레일을 기울이는 것 |
| 궤간 (Track Gauge) | 레일 간의 거리 |
2. 자동차의 차량한계
한국에서는 자동차에 대해 차량한계라는 용어를 직접 사용하지 않지만, 설계기준자동차를 통해 포괄적인 기준으로 규정한다[42]. 설계기준자동차는 소형, 대형, 세미트레일러로 구분되며, 대형자동차는 폭 2.5m, 높이 4m, 길이 13m로 규정된다.
일본의 경우 자동차제한령 및 도로운송차량의 안전기준에서 차량의 폭, 높이 등을 제한한다. 이는 도로교통 안전과 도로 구조물 보존을 위한 것으로, 철도의 차량한계 개념과는 약간 다르다.
2. 1. 도로 터널 및 교량의 높이 제한
이 용어는 도로 터널의 최소 크기, 고가도로 아래 공간, 교량의 상부 구조물 내부 공간뿐만 아니라 자동차 정비소, 버스 차고, 주유소, 주거용 차고, 주차 타워, 돌출부가 있는 드라이브 스루 및 창고의 차고 문에도 적용될 수 있다.유로코드 1: 구조물에 작용하는 하중은 도로 표면과 교량 요소의 아랫면 사이의 "물리적 여유 높이"를 정의하고 있다. 이 코드는 또한 곡선, 교량 처짐 및 예상되는 침하를 고려하여 물리적 여유 높이보다 짧은 여유 높이를 정의하며, 5m의 최소 여유 높이를 권장한다.[2]
영국에서는 공공 도로 위 구조물에 대한 "표준 최소 여유 높이"가 이다.[3] 미국에서는 미국간 고속도로 시스템의 고가도로 "최소 수직 여유 높이"가 이다.[4]

3. 철도의 차량한계
철도의 차량한계는 철도차량이 안전하게 운행될 수 있도록 궤도 위에 정지된 상태에서 측정한 철도차량의 길이, 너비, 높이의 한계를 의미한다[43].
차량한계를 정해두는 이유는 터널이나 기타 시설물 때문에 차량이 접촉하여 파손되거나, 심하면 큰 사고로 이어지는 것을 막기 위해서이다. 원칙적으로 차량한계를 지키지 않은 철도차량은 운행할 수 없다. 다만, 차량한계를 넘어서는 특대화물의 경우에는 운송 구간 내에 열차 운행에 지장을 주는 장애물이 있는지 확인하고, 감속 운행 등 안전 조치를 한 후에 운행할 수 있다[44]
차량한계는 시설물을 지을 때 궤도 상에 설정하는 일정한 공간인 건축한계와 관련이 깊다. 차량한계는 보통 건축한계보다 조금 작게 정해진다. 다른 나라에서도 철도의 차량한계 개념은 동일하게 적용되지만, 구체적인 규격이나 형태는 다를 수 있다.
차량한계는 최대 너비와 높이로만 생각하기 쉽지만, 실제로는 터널, 교량, 제3궤조, 플랫폼, 신호 설비, 랙식 철도의 랙 등 여러 요소에 따라 크기가 정해지는 복잡한 형태이다. 차축 너비 이내의 플랜지나 랙 레일용 드라이브 피니언의 돌출부(차체 하단보다 아래), 여닫이문·미닫이문·제설 장치·크레인처럼 주행 중 접을 수 있는 장비는 접었을 때 크기가 차량한계 이내이면 된다. 팬터그래프 등의 집전장치는 주행 시 펼쳐서 사용하더라도 차량한계에 포함되지 않는다. 예를 들어 일본에서는 1929년에 제정된 차량한계에서 차체 높이는 4100mm이지만, 집전장치 상단은 5650mm 높이까지 허용되었다. 또한 차체 너비 한계는 3000mm이지만 차체 측면에서 표지의 돌출분을 포함한 너비(높이 1880mm~3150mm 사이에서만 인정)는 3200mm까지 허용되었다.[5]
국가마다 차량한계는 다르며, 같은 국가 내에서도 철도 사업자나 노선에 따라 다르다. 지하철은 건설비를 절감하기 위해 작은 차량한계를 채택하는 경우가 많다. 그래서 지하철 차량은 지상 선로를 주행할 수 있어도, 그 반대는 불가능한 경우가 있다. 전문가는 정적인 차량 형상뿐만 아니라, 현가장치스프링의 신축, 곡선에서의 차체 돌출, 차체의 흔들림, 진동 등 차량의 동적인 움직임을 고려한다.
차량 쪽의 최대 단면 범위를 결정하는 것이 차량한계인 반면, 주변 건물이나 구조물의 최소 단면 범위를 결정하는 것이 건축한계이다. 차량한계와 건축한계 사이에는 차량의 동적인 움직임을 고려하고, 공학적인 여유를 포함한 틈새가 필요하다.
세계 각국의 차량한계는 서로 다르다. 표준궤 철도에서 가장 작은 차량한계는 런던 지하철에서 사용되는 것이고, 가장 큰 차량한계는 영불 해협터널에서 사용되는 것이다. 철도가 처음 만들어진 영국의 주요 노선에서는 초기에 기술자들이 미래에 크고 긴 차량이 필요할 것을 예상하지 못했고, 기술적인 어려움도 있었기 때문에 차량한계가 작게 되었다. 유럽 대륙에서는 많은 노선에서 베른 게이지(Berne gauge)로 정해진 큰 차량한계를 따르고 있다. 북아메리카에서는 이보다 더 크며, 해상 컨테이너를 2단으로 쌓는 더블 스택 컨테이너 열차도 볼 수 있다.
러시아(구 소비에트 연방 국가·핀란드 포함)와 인도, 파키스탄의 차량한계는 세계에서 가장 크다. 그 외, 스칸디나비아 반도의 다른 나라는 유럽 대륙과 북아메리카의 중간이며, 그리스와 중국, 영불 해협 터널은 북아메리카와 러시아의 중간이다. AAR 플레이트 B는 높이 4597mm, 너비 3251mm이며, 대차 간 간격(보기 센터 간)은 12.573m로 규정되어 있다. 보기 센터 간 간격이 12.573m보다 길어짐에 따라 AAR 플레이트 B-1의 그래프에 따라 너비 제한이 좁아진다. AAR 플레이트 C는 높이 4724mm, 너비 3251mm, 보기 센터 간 간격은 14.097m로 규정되어 있다. 보기 센터 간 간격이 14.097m보다 길어짐에 따라 AAR 플레이트 C-1의 그래프에 따라 너비 제한이 좁아진다. 여기에 제시된 것은 차량의 최대 높이와 너비이지만 실제 차량 제한은 상부와 하부가 비스듬히 좁혀져 있으며, 이 최대 높이와 너비로 나타내는 직사각형 크기가 허용되는 것은 아니다.[28]
3. 1. 한국철도의 차량한계
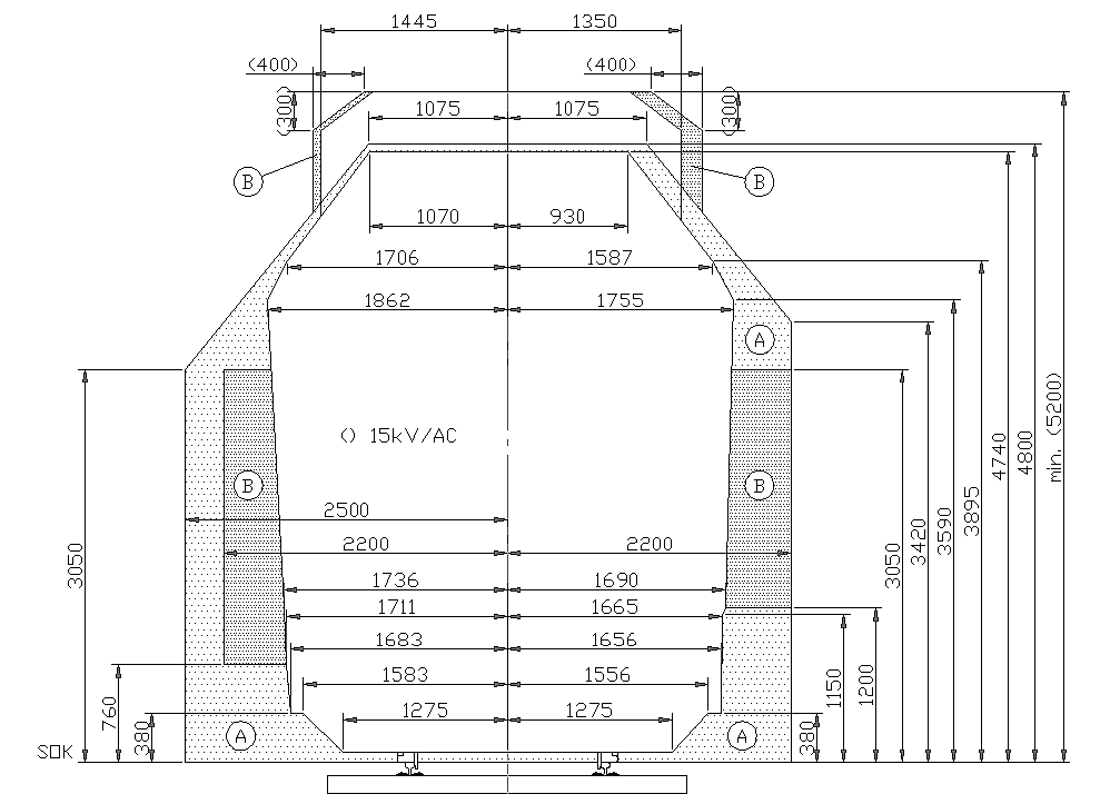
한국의 차량한계는 경인선이 경인철도주식회사에 의해 부설되는 과정에서 논란 끝에 건축한계 등이 결정되면서 확정되었다. 당시의 차량한계는 미국 철도의 기준을 원용한 것이었다. 당시의 차량한계는 피트-인치 단위로 기재되어 있으나, 현재의 차량한계와 큰 차이를 가지진 않는다.[45] 이후 일본의 영향력이 커졌을 시점에도 차량 한계를 포함한 각 제반 규격은 변경되지 않았으며, 오히려 남만주철도의 궤간 조정 등 과정에서 직통의 편의를 위해 원용되기도 하였으며, 1940년대 일본의 탄환열차 계획에서도 이런 직통 목적으로 원용되었다.[45] 해방 이후에도 차량한계 규격은 지붕의 형상이나 전차선 설치 등과 관련된 부분 이외에 큰 수정을 겪지 않고 지금껏 이어지고 있다.[45]한국철도의 차량한계는 기본적으로 반원형 곡면을 가정하는, 폭이 줄어드는 차량 상단부를 기본 형태로 하고 있다.[45] 또한, 일정 높이 이하는 승강장과의 접촉을 우려하여 약간 폭이 줄어든 형태를 취하고 있다.[45] 개략적인 외형 치수는 다음과 같다.[45]
- 너비: 3400mm
- : 단, 높이 1250mm 이하 부분의 폭은 3200mm이며, 3600mm 이상의 윗부분은 폭을 점차 줄임.
- 높이: 4500mm
- 집전장치 등 옥상 장치 높이 확대: 6000mm
- : 단, 이 부분의 확대는 전차선 설치 규격에 따라 가변될 수 있음.
이러한 차량한계는 초과해서는 안 되는 기준이기 때문에, 대개의 철도차량은 이보다 더 작은 규격으로 설계된다.[45]
3. 2. 도시철도의 차량한계
일반 철도의 차량한계와 별도로 지하철 등 도시철도에 대해서는 별도의 법 체계에 의한 차량한계가 규정되어 있다. 도시철도의 차량한계는 대형전동차, 중형전동차, 고무차륜형식 경량전철, 철제차륜형식 경량전철의 4개 규격에 따라 세부적으로 규정되어 있다.[46]3. 2. 1. 대형전동차
도시철도의 차량한계는 대형전동차, 중형전동차, 고무차륜형식 경량전철, 철제차륜형식 경량전철의 4개 규격에 따라 세부적으로 규정되어 있다.[46] 대형전동차는 일반 철도선에서의 사용도 전제로 한 규격으로, 서울메트로와 서울도시철도공사 노선에 적용되는 차량한계이다. 대형전동차의 차량한계는 기본적으로 정방형에서 각 모서리를 일부 절취한 규격으로 되어 있으며, 그 수치는 다음과 같다.| 항목 | 수치 |
|---|---|
| 차체길이 | 19500mm |
| 연결면간 길이 | 20000mm |
| 너비 | 3200mm |
| 높이 | 4250mm (단, 4750mm 기준으로 기 구축된 시설물 및 교류구간을 운행할 경우 4750mm까지 확대 가능) |
3. 2. 2. 중형전동차
중형전동차는 서울을 제외한 각 지방 도시의 지하철에 사용되는 규격이다. 전체 형상은 정방형에 모서리를 절취한 구조이다.[46]| 항목 | 값 |
|---|---|
| 차체길이 | 17500mm |
| 연결면간 길이 | 18000mm |
| 너비 | 2800mm |
| 높이 | 4250mm (단, 4750mm 기준으로 기 구축된 시설물 및 교류구간을 운행할 경우 4750mm까지 확대 가능) |
3. 2. 3. 경량전철
도시철도에 대해서는 별도의 법 체계에 의한 차량한계가 규정되어 있는데, 도시철도의 차량한계는 대형전동차, 중형전동차, 고무차륜형식 경량전철, 철제차륜형식 경량전철의 4개 규격에 따라 세부적으로 규정되어 있다[46].고무차륜형식 경량전철은 부산지하철 등에서 채용될 예정인 시스템으로, 일반철도와 유사하게 주행장치 부분을 좁게, 차체 부분을 넓게 잡고 있다. 규격은 다음과 같다.
| 구분 | 규격 |
|---|---|
| 차체길이 | 9,140 mm |
| 연결면간 길이 | 9,640 mm |
| 너비 | 2,450 mm (단, 960 mm 이하 부분의 폭은 1,960 mm) |
| 높이 | 3700mm |
철제차륜형식 경량전철은 용인시의 경전철 사업인 에버라인 등에 채용될 예정인 시스템이다. 아래의 기준은 단차가 아닌, 2량 연결 차량을 기준으로 한 것이다.
| 구분 | 규격 |
|---|---|
| 차체길이 | 25,600 mm (2량 기준) |
| 연결면간 길이 | 26,400 mm (2량 기준) |
| 너비 | 2,700 mm (단, 380 mm 이하 부분의 폭은 2,290 mm) |
| 높이 | 3600mm |
3. 3. 특대화물 운송
특대화물은 차량한계를 초과하는 화물을 의미한다. 이러한 특대화물의 경우, 운송 구간 내에 열차 운행에 지장을 주는 장애물이 있는지 조사하고 검토해야 한다. 이후 감속 운행 등 열차의 안전 운행에 필요한 조치를 한 후에 운행이 허용된다.[44]4. 각국의 차량한계
각국의 차량 한계는 UIC 505-1, 505-4, 505-5, 505-6, EN 15273 등 문서에서 다루고 있다.[47] 유럽 국가 간 철도 교통에서는 차량 한계의 최소 교집합인 UIC G1(UIC 505-1)을 사용하고 있으며, 더 큰 차량한계에는 UIC GA, GB, GC 등이 있다.[48]
차량한계는 단순히 최대 너비와 높이로만 결정되는 것이 아니라, 터널, 교량, 제3궤조, 플랫폼, 신호 설비, 랙식 철도의 랙 등 다양한 요소에 의해 복잡하게 결정된다. 차축 너비 이내의 플랜지나 랙 레일용 드라이브 피니언 돌출부, 여닫이문 등 주행 중 접을 수 있는 장비는 접었을 때 차량한계 이내이면 된다. 집전장치는 주행 시 펼쳐 사용하더라도 차량한계에 포함되지 않는다.
국가마다 차량한계는 다르며, 같은 국가 내에서도 철도 사업자나 노선에 따라 다르다. 지하철은 건설비 절감을 위해 작은 차량한계를 채택하는 경우가 많다.
전문가들은 정적인 차량 형상뿐만 아니라 현가장치스프링의 신축, 곡선에서의 차체 돌출, 차체의 동요·진동 등 차량의 동적인 움직임을 고려한다. 차량 측 최대 단면 범위는 차량한계, 주변 건물이나 구조물의 최소 단면 범위는 건축한계로 결정되며, 이 둘 사이에는 여유 공간(클리어런스)이 필요하다.
표준궤 철도에서 가장 작은 차량 한계는 런던 지하철 튜브, 가장 큰 차량 한계는 영불 해협터널에서 사용된다. 철도 발상지인 영국은 초기 기술적 어려움으로 차량 한계가 작다. 유럽 대륙은 베른 게이지로 정해진 큰 차량 한계를 따르며, 북아메리카는 이보다 더 커서 더블 스택 컨테이너 열차도 운행 가능하다. 러시아(구 소비에트 연방 국가·핀란드 포함), 인도, 파키스탄의 차량 한계는 세계에서 가장 크다.
북아메리카 화차 차량 통과는 미국철도협회(AAR) 표준을 기반으로 한다.[27] AAR 플레이트 B, C가 주로 사용되지만, 이중층 컨테이너 수송 열차 등을 위해 특정 노선에는 더 높은 차량 통과가 적용된다. 북미 여객차는 폭 3200mm, 높이 4420mm가 표준이다.[30][31] 1940년대~1950년대 미국 서부에서는 높이가 5029mm까지 확대되어 전망 돔 차량이나 슈퍼라이너, 2층 차량 운행이 가능해졌다.
| 국가 | 궤간 | 최대 너비 | 최대 높이 |
|---|---|---|---|
| 일본(재래선)[5] | 1,067 | 3,000 | 4,100 |
| 일본(지방철도)[15] | 1,067 또는 1,435 | 2,744 | 3,886 |
| 일본(지방철도)[15] | 762 | 2,134 | 3,200 |
| 일본(신칸센)[5] | 1,435 | 3,400 | 4,500 |
| 동아시아 여러 국가[5] | 1,435 | 3,400 | 4,500 |
| 인도[36] | 1,676 | 3,250 | 4,140 |
| 유럽 대륙(PPI 규격(베른 게이지))[37] | 1,435 | 3,150 | 4,280 |
| 이베리아 반도[38] | 1,668 | 3,274 | 4,300 |
| 영불해협터널[39] | 1,435 | 4,100 | 5,600 |
| 영국(일반)[17] | 1,435 | 2,793 | 3,962~3,988 |
| 영국(구 GWR 노선)[17] | 1,435[40] | 2,946 | 4,110 |
| 북아메리카(AAR 플레이트 B) | 1,435 | 3,251 | 4,597 |
| 북아메리카(AAR 플레이트 C) | 1,435 | 3,251 | 4,729 |
| 남아프리카 공화국[5][41] | 1,065 | 3,048 또는 3,050 | 3,962 또는 3,965 |
| 뉴질랜드[5] | 1,067 | 2,589 | 3,502 |
군사에서 철도 수송은 중요하므로, 전차 등 중장비는 차량 한계 내로 설계되어야 한다. 차량 한계 초과 시 분해 수송되기도 한다. 티거 I 중전차는 철도 수송 시 전륜과 궤도를 교체했다. 과거 육상자위대 61식 전차는 폭 3m 이하가 요구되었다. 현대에는 도로 및 항공기 발달로 철도 수송을 고려하지 않는 차량이 많다.
4. 1. UIC 표준
국제철도연맹(UIC)은 A, B, B+, C의 일련의 차량 한계 표준 규격을 정하고 있다.; UIC A 한계
: UIC 표준 중 가장 작다(PPI 한계보다 약간 크다).[6] 최대 치수는 너비 3.15m × 높이 4.32m이다.
; UIC B 한계
: 프랑스의 TGV 노선 대부분이 UIC B 한계를 채택하고 있다.[5] 최대 치수는 너비 3.15m × 높이 4.32m이다.
; UIC B+ 한계
: 프랑스의 새로운 구간은 UIC B+ 한계를 채택하고 있다.[5]
; UIC C 한계
: 중앙유럽의 한계이다. 독일을 비롯한 중앙유럽 국가들의 철도망은 UIC C 한계를 채택하고 있으며, 스칸디나비아 국가에서 출발하는 열차가 독일 역에 직통 운행할 수 있도록 너비를 약간 넓힌 경우도 있다.[5] 최대 치수는 너비 3.15m × 높이 4.65m이다.
4. 2. 일본의 차량한계
일본의 차량한계는 크게 신칸센과 재래선(기존선)으로 구분되며, 각 사철 회사마다 사용하는 규격에 차이가 있다.JR 재래선의 차량한계는 한국과 전체적인 형태는 동일하지만, 세부 규격은 다음과 같다.
| 구분 | 너비 | 높이 |
|---|---|---|
| JR 재래선 | 3,000mm | 4,100mm |
| 신칸센 | 3,400mm | 4,500mm |
신칸센의 차량한계는 재래선보다 크며, 직사각형 형태로 더 넓게 설정되어 있다.
1929년(쇼와 4년)에 제정된 차량한계에서는 차체 높이는 4,100mm였지만, 집전장치 상단은 5,650mm 높이까지 허용되었다. 또한, 차체 너비 한계는 3,000mm였지만 차체 측면에서 표지의 돌출분을 포함한 너비(높이 1,880~3,150mm 사이에서만 인정됨)는 3,200mm까지 허용되었다.[5]
JR 재래선은 협궤를 채택하고 있지만, 유럽의 표준궤 철도와 비교해도 손색없는 차량 한계를 채택하고 있다.[8]
사철·민철에서는 예부터 화물 수송을 해 온 회사는 철도청이나 일본국유철도(국철)와의 화차 교환 관계 등으로 철도 건설 규정 또는 지방철도법의 건설 규정을 준수하는 경우가 많았다. 한편, 간사이 사철을 중심으로 노면전차에서 도시 간 전기 철도(인터어반)로 발전한 관계로 표준궤를 채택하고 있음에도 불구하고 지방철도 건설 규정보다 차량 한계가 작은 경우나, 지방철도 건설 규정과 JR 재래선이 채택하는 일반 철도 구조 규칙과도 다른 독자적인 차량 한계를 필요에 따라 제정·채택한 사례가 있다.[9]
반대로 지방철도법(및 그 전신인 경편철도법)에 의한 철도에서도 문제가 없는 경우에는 특례로 차량이 지방철도법 규정[10]보다 크더라도 인정되었다.[11]
현실적으로 차량 한계를 확장했을 때 어떤 이유로든 과거의 작은 차량 한계에서 개축할 수 없었던 노선도 있었기 때문에, 국철에서는 다이쇼 9년(1920년)에 대형 객차를 기준으로 한 차량 한계의 차량이 진입할 수 없는 노선용으로 「축소 차량 한계」라는 것이 설정되었다. 폭 2,950 mm(차체 폭은 모두 이 수치이지만, 하부 구조의 폭이 종류별로 약간 다름)·높이 4,020 mm라는 조건으로 기본인 제1종[12], 하부 구조 폭에 약간의 여유가 있고 집전 장치는 높이 4,250 mm까지 고려한 제2종[13], 제1종의 전기 기관차 버전[14]인 제3종과, 제1종 적용 이외의 화차용으로 더 작은 「전전 규정 차량 한계(폭 2,743 mm·높이 3,886 mm)」가 존재했다.[15] 그 외 JR에서도, 고와 이서의 중앙본선이나 신덴선, 관음사 이서의 요산선과 같이 단면이 작은 오래된 터널을 활용하여 전철화했기 때문에, 천지 방향의 차량 한계가 다른 노선보다 작아서 입선 가능한 차량에 제약이 있는 경우도 있다.
4. 3. 러시아의 차량한계
러시아는 광궤를 사용하기 때문에 차량한계가 비교적 여유 있는 편이다.- 너비: 3400mm
- 높이: 5300mm
4. 4. 독일의 차량한계
독일의 차량한계는 철도 건설 및 운영 규칙(Eisenbahn-Bau- und Betriebsordnung, EBO)에서 정의하고 있다. 국제선 운행용 차량한계 G1, 대형 차량용 차량한계 G2가 있다.[50] 주요 간선은 G2 기준 차량이 진입할 수 있으며, 장기적으로는 더 큰 차량한계인 GC 기준으로 상향을 염두에 두고 있다.[51]
독일의 차량한계는 다음과 같다.
- 너비: 3150mm
- 높이: 4280mm (G1), 4650mm (G2)
차량한계를 초과하는 화물(Lademaßüberschreitung) 수송 취급은 총 4가지가 규정되어 있다.
- LÜ Anton: 2층 열차 등 차량한계의 높이만 초과하는 철도차량. 복선 구간에서 별도의 운행 제한이 없다.
- LÜ Berta: 전폭이 3500mm를 초과하지만 복선 선로의 선로간 중심점까지 초과하지 않는 차량. 복선 구간에서 일반 차량, LÜ Anton, LÜ Berta와만 교행할 수 있다.
- LÜ Cäsar: 전폭이 선로간 중심점을 초과하지만 복선 선로의 반대편 선로의 차량한계에는 도달하지 않는 차량. 일반 차량, LÜ Anton과만 교행할 수 있다.
- LÜ Dora: 전폭이 다른 선로를 침범하는 차량. 복선 선로에서 교행이 불가능하다.
4. 5. 남아프리카 공화국의 차량한계
남아프리카 공화국은 일본과 동일한 협궤를 사용하는 국가인데, 차량규격은 비교적 협소한 편이다. 남아프리카 공화국의 철도에서는 Cape gauge|케이프 게이지영어라고 불리는 1,065mm 협궤가 채택되어 있지만, 차량 한계는 일본과 마찬가지로 크게 설정되어 있다.[5] 주요 간선에서는 최대 너비가 3048mm, 최대 높이가 3962mm이다.[5] 1,065mm 궤간의 바라스트 궤도의 경우 너비 3050mm, 높이 3965mm이다.[32]같은 3피트 6인치궤간이라도 뉴질랜드나 인도네시아는 일본이나 남아프리카에 비해 차량 한계가 작다.
4. 6. 군사적 제한
군사에서는 철도 수송이 중요한 문제이기 때문에, 전차나 중화기 등 중장비는 차량 한계의 범위에 들어가도록 설계되어야 한다는 문제를 안고 있다.차량 한계를 초과하는 경우에는 분해된 상태로 수송되는 경우도 있다. 티거 I 중전차처럼 차량 한계 때문에 철도 수송 시에는 전륜을 떼어내고 궤도를 폭이 좁은 수송용으로 교체하는 등의 조치가 취해지기도 했다. 과거 육상자위대에서는 유사시에 철도를 이용한 수송을 상정했기 때문에, 61식 전차에는 폭 3m 이하가 요구되었다.
전쟁에서는 철도가 적의 공격 목표가 되는 경우가 많고, 현대에는 도로 사정의 개선과 항공기(수송기)의 발달에 따라, 많은 선진국에서는 철도 수송을 고려하지 않는 차량이 많다.
5. 플랫폼 높이와 열차 바닥 높이
플랫폼 높이와 열차 바닥 높이의 차이는 차량한계와 건축한계 사이에서 문제가 발생하는 전형적인 부분이다. 높이의 차이는 승객의 안전과 열차 운행 효율에 큰 영향을 미친다. 계단이 설치되어 있으면 승객의 승하차에 시간이 걸린다. 차량한계와 건축한계에 큰 차이가 있으면 승강장과 열차 사이에 틈이 생기고, 이것 또한 승객의 승하차에 영향을 미친다. 서로 다른 차량한계와 바닥면 높이의 차량이 같은 승강장을 사용하는 경우, 특히 문제가 커진다.
참조
[1]
웹사이트
Structure Gauge and Kinematic Envelope
http://www.railsyste[...]
[2]
서적
Eurocode 1 - Actions on structures - Part 1-7: General actions - Accidental actions
https://www.phd.eng.[...]
The European Union
2023-08-31
[3]
서적
Preventing of Strikes on Bridge Over Highways - A Protocol for Highway Managers & Bridge Owners
https://assets.publi[...]
Network Rail on behalf of Bridge Strike Prevention Group
2023-08-29
[4]
웹사이트
Right of Passage: The Controversy Over Vertical Clearance on the Interstate System
https://www.fhwa.dot[...]
U.S. Department of Transportation Federal Highway Administration
2023-08-27
[5]
문서
日本国有鉄道(2013) p.734
[6]
웹사이트
European Loading Gauges
http://www.crowsnest[...]
Modern Railways
2010-09-15
[7]
문서
電気鉄道技術入門 p.20、日本の貨車 pp.91 - 93
[8]
서적
鉄道工学ハンドブック
グランプリ出版
1997-02-13
[9]
서적
新京阪車輛構造図集
鉄道史資料保存会
1984-12-01
[10]
문서
日本国有鉄道(2013) p.735、図6「地方鉄道車両限界」
[11]
서적
RM LIBRARY89 西大寺鉄道
株式会社ネコ・パブリッシング
2007-00-00
[12]
문서
大正9年以後の非電化機関車・客車・内燃動車・ボギー有蓋車・雪かき車・操重車・大物車
[13]
문서
大正15年(1926年)以後の新製電車
[14]
문서
基本は第1種だが、集電装置高さを電車の場合同様に考慮
[15]
문서
日本国有鉄道(2013) p.735
[16]
웹사이트
TSI Rolling Stock (2002/735/EC)
http://eur-lex.europ[...]
Commission of the European Communities
2010-09-16
[17]
문서
齋藤(2007) p.307
[18]
웹사이트
GE/GN8573
http://www.rgsonline[...]
2009-05-15
[19]
웹사이트
Business Plan 2004 - Network Capability
http://www.networkra[...]
ネットワーク・レール
2009-05-15
[20]
웹사이트
Felixstowe South reconfiguration inspector's report
http://www.dft.gov.u[...]
イギリス運輸省
2009-05-15
[21]
웹사이트
Standard Shipping Containers
http://www.container[...]
Container container
2009-05-18
[22]
웹사이트
TEN PROPOSED ENHANCEMENT SCHEMES IN SCOTLAND
http://www.freighton[...]
Freight on rail
2009-05-17
[23]
웹사이트
British and Continental Railway Loading Gauges
http://www.btinterne[...]
Joyce's World of Transport Eclectica
2009-05-18
[24]
웹사이트
24 November 2006 Freight RUS Consultation Response National RUS
http://www.central-r[...]
Central Railways
2009-05-17
[25]
웹사이트
Strategic Freight Network: The Longer-Term Vision
http://www.dft.gov.u[...]
イギリス運輸省
2009-05-17
[26]
웹사이트
New SRA Gauging Policy Aims to Make Best Use of Network Capability
http://www.dft.gov.u[...]
イギリス運輸省
2009-05-15
[27]
서적
Car and Locomotive Cyclopedia Of American Practice
http://worldcat.org/[...]
[28]
웹사이트
Comparaison des gabarits UIC et nord-américains (Comparison of UIC and North American Gauges)
http://www.emdx.org/[...]
Marc Dufour
2009-10-16
[29]
문서
April 2001 Official Railway Equipment Register
[30]
웹사이트
http://www.emdx.org/[...]
[31]
웹사이트
http://www.emdx.org/[...]
[32]
문서
(国際協力機構2013)第4章p.29・図4-17「南ア」国の車両限界の例(1065mm 軌間・バラスト軌道の場合)
[33]
서적
世界鉄道百科図鑑
悠書館
2007-00-00
[34]
문서
同国で使用された大型マレー機で高さ3,800 mmの車両が存在する(DD52)ので、少なくともこれ以上はある
[35]
문서
齋藤(2018) p.72・119
[36]
웹사이트
Technical Requirement
http://www.unescap.o[...]
국제연합 아시아태평양경제사회위원회
2010-09-15
[37]
웹사이트
uic.gif
http://www.btinterne[...]
2010-09-15
[38]
웹사이트
renfecp.gif
http://www.btinterne[...]
2010-09-15
[39]
서적
Intermodal freight transport
https://books.google[...]
[40]
문서
2,140mm궤간과 차량제한의 차이
[41]
문서
남아프리카공화국의 차량제한 예시 (1065mm 궤간, 바라스트궤도)
[42]
법규
도로의 구조·시설기준에 관한 규칙 제5조(설계기준자동차)
[43]
법규
철도차량 안전기준에 관한 규칙 제22조(차량한계)
[44]
법규
철도차량운전규칙 제8조(차량의 적재 제한) 및 제9조(특대화물의 수송)
[45]
법규
철도차량 안전기준에 관한 규칙 별표0
[46]
법규
도시철도차량 안전기준에 관한 규칙 별표1
[47]
문서
Entstehungsgeschichte, Begründungen und Kommentare zur Ausarbeitung und Entwicklung der UIC-Merkblattreihen 505 und 506 mit dern Thema Begrenzungslinie
2010-08-00
[48]
문서
Bahnanwendungen – Begrenzungslinien – Teil 1: Allgemeines
2017-10-00
[49]
서적
철도차량 핸드북
기전연구사
1999
[50]
웹사이트
Eisenbahn-Bau- und Betriebsordnung - EBO
https://www.gesetze-[...]
2019-10-11
[51]
웹사이트
Grundsätze Lichtraum
https://fahrweg.dbne[...]
2019-12-07
본 사이트는 AI가 위키백과와 뉴스 기사,정부 간행물,학술 논문등을 바탕으로 정보를 가공하여 제공하는 백과사전형 서비스입니다.
모든 문서는 AI에 의해 자동 생성되며, CC BY-SA 4.0 라이선스에 따라 이용할 수 있습니다.
하지만, 위키백과나 뉴스 기사 자체에 오류, 부정확한 정보, 또는 가짜 뉴스가 포함될 수 있으며, AI는 이러한 내용을 완벽하게 걸러내지 못할 수 있습니다.
따라서 제공되는 정보에 일부 오류나 편향이 있을 수 있으므로, 중요한 정보는 반드시 다른 출처를 통해 교차 검증하시기 바랍니다.
문의하기 : help@durumis.com